随动控制系统的研究
实验题目:随动控制系统的研究
课程简要信息
课程名称:电子技术与控制基础
课程学时:64学时
项目学时:课内2学时、课外自主
适用专业:机械制造及自动化等非电专业
学生年级:大二年级、秋季学期
实验任务与要求(限500字,可与“实验过程及要求”合并)
实验任务:完成由模拟电路构成的随动控制系统的设计与调测。
基本任务:
1)测量给定的直流电机的参数;
2)完成单元电路的连接与调测:反相比例放大电路、减法电路、反相加法电路、积分电路和微分电路的输入输出关系,明确各个单元电路的作用;
3)完成三级开环运放电路的连接与调测:测试由减法电路、反相比例电路及反相加法电路构成的开环控制电路的输入信号与输出信号之间的关系;
4)完成闭环运放电路的连接与调测:测试由减法电路、反相比例电路及反相加法电路构成的闭环控制电路的输入信号与输出信号之间的关系,深刻理解反馈的作用。
5)连接手指电位器、闭环运放电路、功率放大电路及电机并调测,实现指关节随动控制系统。
6)在上述闭环系统的基础上增加积分电路和微分电路,实现PID控制。
拓展任务:
1)尝试用不同的电路形式实现随动控制系统功能。
2)利用不同的传感器,拓展多样化的应用场景。
3)查阅资料,设计并实现两自由度的随动控制系统。
实验过程及要求(限300字)
1)课前:确定方案、仿真分析。
以小组为单位结合教师提供的系统结构框图,讨论系统各模块的具体电路形式,完成核心控制电路的 Multisim仿真调测。
2)课上:搭建并调测电路、排出故障、实现随动。
①测试直流电机、同轴电位器、手指电位器;
②测试反相比例电路、减法电路、反相加法电路输入输出信号之间的关系。
③逐级连接多级开环运放电路,测试关键点电位;
④引入负反馈初步实现随动控制。
⑤引入微分电路和积分电路,改善随动控制系统的性能。
3)课后:查阅资料,优化方案,拓展应用。
①尝试用不同的方法实现随动控制系统功能。
②利用不同的传感器,拓展多样化的应用场景。
③查阅资料,设计并实现两自由度的随动控制系统。
相关知识及背景(限150字)
本实验利用模拟电路实现手指随动控制。前期,学生学习了晶体管分立元件放大电路以及集成运算放大器组成的多种运算电路,了解自动控制系统的组成、闭环控制系统的作用,能够使用传递函数、动态结构图等数学模型对一个单输入-单输出的自动控制系统进行时域分析,没有单片机使用经历。选择设计随动控制系统作为本课程自动控制技术模块的实践项目,是因为它的应用广泛,与学生后续专业课程结合度高;同时本实验又能将模拟电路中集成运放的各种线性电路有机结合,承上启下、综合性较强。
实验环境条件
仪器设备:电工电子综合实验系统、万用表、示波器、函数信号发生器。
仿真软件:MULTISIM电路仿真软件。
主要元器件:手指电位器、联轴器、自主开发的实验板(含集成运算放大器
、电阻、电容、三极管等)、电机等。电工电子综合实验系统如图1所示,自主开发实验板如图2所示。
图1 电工电子综合实验系统




图2 自主研发的实验板
教学目标与目的(限150字)
1)知识
①明确常用集成运放线性电路的构成及输入输出电压关系;
②探究随动控制系统的工作原理,搭建由模拟电路组成的随动控制系统;
③验证闭环控制系统的反馈控制原理。
2)能力
①技术能力:具备虚拟仿真、参数计算、实物电路调试等知识的综合运用、系统设计的能力及相关仪器仪表的使用方法;
②非技术能力:形成沟通、判断、系统思考能力及自主学习能力。
3)素质
①**专业素质:**养成学以致用的治学态度,培塑工匠精神;
②**通用素质:**提升实践创新意识和科学严谨的工作作风。
教学设计与实施进程
本实验采用项目式教学法,设计一个由模拟电路构成的随动控制系统,设计思路及实施进程如图3所示。

图3 教学设计思路及实施进程
实验原理及方案
- 实验原理
随动控制系统,又称伺服控制系统,是用来精确地跟随或复现某个过程的反馈控制系统。随动控制系统使物体的位置、方位、状态等输出被控量能够跟随输入目标(或给定值)的任意变化。它的主要任务是按控制命令的要求、对功率进行放大、变换与调控等处理,使驱动装置输出的力矩、速度和位置控制非常灵活方便。本项目采用模拟电路组成随动控制系统,完成对单一变量的随动控制。
- 实验方案
随动控制系统的组成框图如图4所示,项目中采用电位器检测位移的变化,采用直流电机作为执行机构,采用减法电路实现目标值与反馈值的比较,采用集成运算放大器组成比例-积分-微分控制电路。系统的动态结构图如图5所示,参考电路如图6所示。
①系统结构

图4 系统组成框图
②系统动态结构图

图5 随动控制系统的动态结构图
③系统参考电路

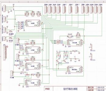
图6 随动控制系统电路
具体过程:
1)课前:查阅资料、确定方案、分析验证。
①以小组为单位结合教师提供的系统结构框图,讨论PID控制器的具体电路形式。
②对核心控制电路进行理论分析及 Multisim仿真调测。
a.偏差信号检测电路由运放减法电路构成。如图7所示。学生利用Multisim仿真软件独立搭建并测试减法电路的输入输出电压关系。
b.电压放大电路由反相比例电压放大电路构成,如图8所示。求该电路的电压放大倍数KP;若要使电压放大倍数为KP=-3,则应将可调电阻RP调至多大?


图7 减法电路 图8 反相比例电路
c.图9所示为集成运放构成的反相加法电路。求该电路输出电压uO与三个输入电压之间的表达式。


图9 反相加法电路 图10 微分电路
d.图10所示为集成运放构成的微分电路。求该电路输出电压uOD与输入电压uI之间的表达式;若微分时间常数TD为50ms,则应将RP调至多大?
e.图11所示为集成运放构成的积分电路。求该电路输出电压uOI与输入电压uI之间的表达式;若积分时间常数TI为80ms,则应将RP调至多大?
f.图12所示为功放驱动电机电路。


图11 积分电路 图12 功放驱动电机电路
③以小组为单位,结合教师提供的系统结构框图,讨论系统各模块的具体电路形式,完成核心控制电路的 Multisim仿真调测。
2)课上:搭建并调测电路、排除故障、实现随动。
①搭建实际单元电路,测试输入输出信号之间的关系。测试直流电机的参数:
a.用万用表测量电机的阻值为 ,流过电机电枢的电流为 A。
b.对于单独的电机,黑色接线端接地,红色端接+5V,观测电机的旋转方向为 (顺时针或逆时针)。如果保持黑色接线端接地,红色端接-5V,观测电机的旋转方向为 (顺时针或逆时针)。
②逐级连接减法电路、反相比例电路及反相加法电路,构成多级开环运放电路,如图13所示。注意:断开实验箱电源进行电路连接,测试关键点电位,判断电路能否正常工作。调节比例放大电路的可调电位器(断电测量),使得比例放大放大倍数约为-3。保持目标电压2V左右。通过测量得到:反相比例放大电路的输出电压为 V,反相加法电路的输出为 V。

图13 由减法电路、反相比例电路及反相加法电路构成的开环运放电路
表1 学生测量数据表原件(开环运放电路)

③在图13所示开环电路的基础上,合理引入负反馈,构成闭环控制,初步实现随动控制。闭环电路如图14所示。

图14 由减法电路、反相比例电路及反相加法电路构成的闭环运放电路
按照表2的要求,使用万用表测量:
表2 学生实验数据测量表原件(闭环电路)

分析:
a.该电路输出电压是否能跟随输入电压变化?
b.从该系统的输出端到输入端引入了哪种反馈(正反馈或负反馈)?如果是负反馈,是哪种类型的负反馈?
c.请写出该系统的闭环传递函数。
d.反相比例放大倍数与系统误差大小的关系?试着利用终值定理进行说明。
图14所示闭环电路的仿真测试结果及实物电路如图15和图16所示。

图15 闭环电路仿真结果 图16
闭环电路连接实物图
④连接手指电位器和电机。
将目标电压值替换成手指端电位器的输出,将反馈电压值替换成电机同轴电位器的输出。通电,测量手指电位器输出电压为 ,电机同轴电位器的输出电压为 。
老师检查之后,接通电源,观测:
a.调整手指端电位器,观测电机是否能随动?
b.电路是否出现了振荡现象?如果出现振荡,请慢慢调小反相比例放大电路的放大倍数,让输出端不振荡;如果没有振荡,请慢慢调大反相比例放大电路的放大倍数,让输出端发生振荡,记录电位器调为 时,属于稳定与振荡的临界状态。
c.任意调整手指端电位器到两个位置(电路不振荡时候),记录在表3中:
表3 学生测量数据表原件(手指电位器不同位置端)

d.手指电位器快速调整和慢速调整时,电机连杆的随动效果有没有差异?可以使用示波器双踪测量“目标电压”和“反馈电压”来观察现象,操作图像如图17所示。


图17 示波器观测“目标电压”和“反馈电压”图像
⑤引入微分电路和积分电路,消除振荡,实现稳定随动控制。
将积分电路、微分电路接入到电路中,当调整微分系数时,记录系统工作状态。调整PID三个环节的电位器,让系统的跟随状态达到你认为的比较好的状态,记录此时的比例环节的电位器阻值为 ;微分环节的电位器阻值为 ;积分环节的电位器阻值为 。完整随动系统如图18所示。


图18 完整随动控制系统
3)课后:查阅资料,优化方案,应用拓展
①尝试用不同方法实现随动控制电路功能。如利用软件实现随动控制等。
②拓展多样化的应用场景,如火炮随动系统、风力臂随动系统、飞行员头盔随动等。
③设计并实现两自由度的随动控制系统。
实验报告要求

考核要求与方法(限300字)
表4 随动控制系统的研究实践项目评分表
| 评分维度及具体方法 | 考核要求 | 得分 |
|---|---|---|
方案设计 30% |
原理理解(10分):能够逻辑清晰、层次分明地描述随动控制系统的工作原理;能准确分析单元电路的传递函数,阐述其时域响应; 电路设计(10分):对项目基本任务和拓展任务的电路设计,拓扑结构合理,元器件参数选择满足项目要求。 创新性(10分):设计有一定的创新点。如:电路设计有创新、机械装置巧妙灵活、提升了闭环控制系统的稳定性快速性或准确性。 |
|
实施操作 及数据处理 60% |
电路调试(40分):电路连接无误,清楚实验注意事项,正确使用万用表、示波器等仪器仪表进行调试,分析、解决调试中出现的问题。 数据记录及处理(20分):实验数据记录完整、清晰,误差分析合理;对实验过程出现的问题思考深入、分析合理;实验过程反思、建议科学有效;报告撰写过程完整、内容详实、图文并茂。 |
|
职业养成 10% |
安全规范(5分):遵守实验室管理规定,安全用电意识强;爱惜仪器设备及元件,爱护实验环境; 严谨自律(5分):实验准备充分、实验过程细致认真、自主完成实验登记、报告,按时提交。 |
|
| 总分 | ||
项目特色或创新(可空缺,限150字)
本案例全面覆盖运放典型电路、直观体现自动控制的思想,既夯实了模拟电路的基础技能,又深化了自动控制的核心概念,其层次化的设计便于教学梯度展开,可拓展性设计符合工程教育“做中学”理念,有利于非电专业学生通过具象化任务理解控制原理。
附件:
实验用开发板:


学生实验报告原件:



实验操作时,提供给学生的故障问题清单:

、电阻、电容、三极管等)、电机等。电工电子综合实验系统如图1所示,自主开发实验板如图2所示。
