555定时器延时声控灯设计
实验题目:555定时器延时声控灯设计
课程简要信息
课程名称:电子设计基础训练
课程学时:56学时
项目学时:课内4学时,课外1学时
适用专业:信息大类
学生年级:大一春季学期
实验内容与任务(限500字,可与“实验过程及要求”合并)
本实验通过延时声控灯电路的搭建,实现了声音传感器的使用、模拟电路LED控制、三极管信号放大和NE555定时器延时控制等功能。通过电路理论设计和电子元器件搭建实践相结合的方式,深入理解了电子电路中的基本原理和应用。本实验综合了声音传感、模拟电路、信号放大、NE555数模混合电路等技术,实验现象明显,任务要求具体,具备较高的趣味性与实用性,是一次较为全面的产品设计、开发模拟与实践。
-
以生活中常见的声控电灯为对象,利用常见的电子元器件设计并制作一个能够进行声电转化的简易声控延时LED电路;
-
首先完成声电转化的LED点亮控制设计与电路实现,理解驻极体传声器的声电转化过程与共射放大电路原理,选择合适电路设计方案并分析利弊;
-
其次完成555定时器延时,学习掌握NE555定时器工作原理与常用的单稳态触发电路,理解触发原理,重点掌握定时器输出脉冲与暂态持续时间;
-
最终讨论如何利用利用555定时器完成LED的延时点亮,可选择利用仿真软件测试,完成器件参数设定调整,并完成整体电路搭建和调试;
-
思考如何更改延时控制与二次声音触发会不会更改延时时间,可不可以采用更简单的延时电路方法。
实验过程及要求(限300字)
-
思考生活中常见声控电灯的设计需求与所需的电路组成部分;
-
理解声音传感器的工作原理,了解驻极体传声器的结构与声电转化过程;
-
理解三极管放大电路,掌握共射放大电路特性原理;
-
论证LED声控灯的驱动方案,了解本实验模拟电路方案的选择原因与设计思路;
-
理解555定时器的工作原理,了解NE555内部结构,掌握RS触发器工作原理。
-
设计单稳态触发器电路并计算暂态持续时间;
-
利用电路板与杜邦线搭建电路并完成最终调试,观察实验现象,思考相关问题;
-
撰写设计总结报告。
相关知识及背景(限150字)
该实验涵盖了声音传感技术、模拟电路设计、信号放大、NE555定时器应用和电路调试等电子实验领域。使用驻极体电容传声器捕捉声音信号,并通过模拟电路控制LED亮度。采用三极管放大电路放大信号,并通过NE555定时器实现LED的延时控制。这些技术的综合应用,旨在培养学生的电子电路设计与调试能力,加深对声音传感和信号处理的理解,模拟并实践电子产品的开发流程。
实验环境条件
-
主要实验设备包含ARDUINO开发板(提供5V电源VCC)、数字万用表、面包板等;
-
仿真软件:Multisim等;
-
实验电路搭建所需电子器件如表 1所示。
| 电子器件 | 型号/单位 | 数量 |
|---|---|---|
| 555定时器芯片 | NE555 | 1 |
| 晶体管 | 9014 | 2 |
| 驻极体话筒MIC | 9*7mm | 1 |
| 电解电容 | 47uF | 1 |
| 电解电容 | 1uF | 1 |
| 瓷片电容 | 104(0.1uF) | 1 |
| 发光二极管 | 红色LED | 1 |
| 电阻 | 1MΩ | 2 |
| 电阻 | 10kΩ | 1 |
| 电阻 | 4.7kΩ | 1 |
| 电阻 | 1kΩ | 1 |
| 电阻 | 100Ω | 1 |
| 杜邦线 | / | 若干 |
[]{#_Ref26364 .anchor}表 1 电子器件清单
教学目标与目的(限150字)
利用一个较为简单但完整的电子产品的实现过程,拆分为声电转化与延时控制两部分,结构清晰。使学生了解声音传感器技术,掌握模拟电路设计与控制技术,学习使用模拟电路设计方法与电路中元件参数选择,掌握三极管放大电路应用,理解定时器应用技术。同时培养电路搭建与调试技术,通过实践搭建和调试电子电路,提升学生的操作技能和实验能力。
教学设计与实施进程
本实验是一个比较完整的电子产品工程设计与实现过程,需要经历理论学习、方案论证、系统设计、实现调试、总结反思等过程。
- 教学准备阶段
确定实验内容和目标:明确实验要求和学习目标,包括声音传感、模拟电路设计、信号放大、定时器应用等方面。
准备实验器材和材料:准备驻极体电容传声器、电阻、电容、三极管、LED、NE555定时器等元件,以及面包板、电源、数字万用表等实验设备。
制定教学计划:安排教学进度和时间,确定教学方法和手段,制定教学课件和实验操作指南。
- 教学实施阶段
知识讲解与理论学习:介绍声音传感技术、模拟电路设计原理、信号放大和定时器应用等知识,让学生了解实验背景和基本原理。
实验操作指导:先后向学生演示声控LED电路,NE555延时电路的搭建,重点说明面包板工作原理与电路搭建、调试方法,确保学生能够正确地连接和调整电路。
学生实验操作:学生根据指导进行实验操作,单独先后完成搭建和调试声控LED电路,NE555延时电路,最后更改NE555触发完成完整的基于NE555延时声控LED电子线路。通过实践观察现象并完成错误调试。
每完成一个子电路模块电路搭建,当场解决学生问题,确保现象正确。在实验调试中,教师要注意强调三极管的管脚区分,电解电容与驻极体话筒正负极区分,NE555芯片管脚识别,电阻色环识别等,帮助学生更好完成实验,减少错误。
实验讨论与总结:组织学生分组讨论实验过程中遇到的问题和现象,结合实验现象,分析和解释背后的原理;总结实验结果,回答思考问题,强化对实验原理和技术的理解。
- 教学评估与反馈阶段
实验效果评估:完成学生报告批改,评价学生的实验操作是否正确、考察对实验原理和技术的理解程度。
学生反馈与讨论:教师听取学生对实验过程和内容的反馈意见,解答学生的疑问,促进学生对知识的深入理解。
教学反思与改进:反思教学过程中存在的问题和不足之处,针对性地调整教学方法和手段,优化教学效果。
实验原理及方案
- 延时声控灯系统结构
图 1 555定时器延时声控灯系统框图
- 实现方案及原理
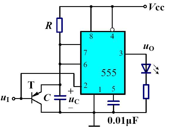
图 2 555定时器延时声控灯原理图
- 声音信号输入
本实验采用驻极体电容传声器(Electret Condenser Microphone,ECM)作为音频信号输入装置。其俗称咪头,是一种基于驻极体技术的电容式麦克风,广泛应用于各种声音录制和通信设备中。因其高灵敏度、低噪音、宽频响特性和高稳定性等优点,在音频领域中得到了广泛的应用。
如图 3所示,ECM电容传声器由驻极体、振膜、背板、线路铜板等组成。其中,驻极体是关键的组成部分,通常由高分子材料和一种称为电气驻极体的材料构成。这种电气驻极体在制造过程中被永久性地极化,形成了一个固定的电场。当声波进入传声器时,声压波使得振膜上的电荷分布发生变化,进而改变了振膜和驻极体之间的电容。这个变化的电容导致了输出电信号的变化,从而实现了声音的捕捉和电能的转换。


[]{#_Ref163592864 .anchor}图 3 ECM声电换能示意图
- 声控灯电路
声控灯电路采用驻极体话筒作为声音传感器,需要通过声音传感器检测声音的大小,控制LED的亮度。普遍存在有两种控制方法,一是模拟电路方法,使用电容、电阻以及三极管用模拟电路的方式控制;二是数字电路方法,使用单片机的数字电路的方式控制。
控制电路方案的选择:
模拟电路控制方法电路简单,只需要电阻、电解电容及三极管就可以简单的实现LED驱动控制,经济实惠,所用器件价格低廉,缺点是需要仔细计算电路中使用的电阻电容及三极管的参数以使之符合预期的要求。而数字电路控制方法只需要一个单片机主控制就能实现预期目标,单片机系统集成有各种放大等实用的电路,能在目标条件不变的情况下,通过写入单片机的程序来增加LED灯的多种显示方式而不需要复杂的参数计算,缺点主要是成本高,其次使用单片机必须要制作单片机最小系统,且需要编写软件。
因此本实验设计采用模拟电路方法实现,而驻极体话筒输出信号非常微弱,需要放大信号。
放大电路的选择及原理:
放大电路可以采用三极管或运算放大器。三极管单管的放大效果对于后级负载较重的情况不是很明显,需要多级放大,其中的耦合问题是比较困难。而运算放大器引脚较多,焊接难度稍大一些,且运算放大器的价格比三极管要高很多。本设计的后级输出只有一个LED灯,最大只需要将驻极体话筒的输出电压放大到3V左右,选用三极管放大既经济又能满足要求。
三极管,也称双极性晶体管,通常用于电子电路中的放大器、开关等应用,主要包含NPN型与PNP型,是一种电流控制电流的半导体器件。
图 4 共射放大电路
如图
4所示的共射放大电路,输入信号
通过电容C1耦合到三极管的基极从而引起基极电流
的变化,
的变化又使集电极电流
发生变化,且
的变化量是
变化量的
倍,
一般大于等于20,这样在输出端就得到比输入信号大得多的输出电压,实现信号放大的目的。
非延时声控灯电路:
图 5 MIC非延时声控灯电路
如图 5所示,声控LED电路包含供电电路、音频采集电路、放大电路、LED发光指示电路等模块。驻极体话筒将音信号转化为电信号,经电解电容C2耦合到三极管Q1三极管作用是将微弱的电信号放大为具有较大幅度值的电信号放大后的电信号送到三极管Q2的基极,由Q2推动LED发光。LED灯的亮度与声音大小有关,声音越大,亮度越高。
- 555定时器延时电路
NE555芯片:
NE555是一款多功能的集成电路芯片,主要用于产生精确的定时脉冲信号。它可以工作在单稳态(单触发)模式或者连续触发模式下。主要由比较器、触发器、输出级、电压稳定器和时基控制电路等组成,通过外接的电阻和电容来控制定时器的输出脉冲频率和占空比。NE555被广泛应用于定时器、波形发生器、PWM控制器等实验电路或DIY电子等领域。
如图 6所示,NE555采用8引脚的双列DIP封装,其内部结构主要包括:
-
比较器:用于比较电压。
-
触发器:用于控制输出状态。
-
输出级:用于输出脉冲信号。
-
电压稳定器:用于稳定芯片的工作电压。
-
时基控制电路:用于控制输出信号的频率和占空比。
[]{#_Ref29907 .anchor}图 6 NE555芯片管脚及原理图
当电源通电时,NE555开始工作,根据外部电阻和电容的连接方式,NE555可以产生不同频率和占空比的脉冲信号。触发脉冲产生器可以通过外部触发信号来启动或停止脉冲信号的产生。
单稳态触发器电路:
如图 7所示的是常见的单稳态触发器电路,NE555单稳态触发器的工作原理是基于RC充放电的过程。当触发输入(TRI)引脚被施加一个下降沿(从高电平到低电平)时,NE555芯片开始计时,输出引脚(OUT)产生一个高电平脉冲。这个脉冲的宽度由外部连接的电阻和电容决定。一旦输出脉冲开始,电容开始充电,直到达到特定的电压阈值(由控制电压引脚CV设定),NE555的输出状态将从高电平切换到低电平,输出端LED熄灭。此时输出脉冲结束,NE555返回待机状态。
图 7 单稳态触发器实验原理图
延时计算:
开关闭合前,TRI为高,内部RS触发器输出为低,OUT为低,三极管导通,电容两端无电压;开关闭合后,TRI为低,内部RS触发器输出为高,OUT为高,三极管截止,电容C2开始充电,电路进入暂态;当电容C2电压充电到2/3电源电压时,内部RS触发器置零,OUT为低,三极管导通,电容开始放电电路回归稳态。
暂态过程维持的时间即C2从0V充电到2/3VCC的时间,电容充电过程中电压以指数规律变化,

简单变换可得充电时间

则本电路输出OUT高电平持续时间:

- 整体实现效果
- 电路搭建
首先,进行图 5所示非延时的声控LED电路搭建,完成声电转换,当外部声音信号被捕捉时,LED可以闪亮,并且亮度反映了声音信号的大小。
其次,完成图 7所示的单稳态触发电路,通过开关控制TRI实现LED的持续点亮。
最后,将TRI开关触发转变为声音信号触发,由于本555延时电路需要下降沿触发,可以将声音放大电路的LED驱动输出电路Q2的集电极接入TRI,当MIC声音信号输入时,Q2的集电极会有高电平转化为低电平从而触发555定时器延时。最终效果图如图 8所示。
图 8 声控延时LED电路搭建实物效果图
- 课堂思考
如何更改LED点亮时间?
更改电阻R3电阻值或电容C2值;
当一次声音输入已点亮LED,在LED点亮持续时间内再一次声音输入会不会导致LED持续时间延长?
不会,在单触发模式下,555定时器只有在第一次触发后才会启动计时,并且在完成一次脉冲输出之后才能被再次触发,如果在定时期间有第二次触发信号进入,这不会改变输出状态。因为一旦555定时器输出变为高电平,电容器开始充电,而且输出保持在高电平状态。直到电容器充电达到特定阈值,输出才会返回到低电平。因此在单触发模式下,无论触发信号的持续时间有多长,输出只会在一个固定的时间延迟后返回低电平。
实验报告要求
实验报告需要反映以下工作:
1)实验需求分析:介绍实验的背景和目的,说明要实现声控LED电路的设计需求与技术指标。
2)实现方案论证:讨论并比较不同的声控LED电路实现方案,包括使用不同放大电路、LED驱动控制方法、延时电路设计等,选择本方案的原因。
3)理论推导计算:结合驻极体话筒性能参数,估计放大电路输出性能;推导NE555延时电路中的理论公式。
4)电路设计与参数选择:详细设计声控LED电路的电路图,选择并解释放大电路与NE555延时电路各元器件的参数与作用,包括电阻、电容和三极管等。
5)电路测试方法:如实验电路搭建过程中出现问题,结合数字万用表,检查电路连接方式并记录测试步骤等。
6)实验数据记录:记录实验过程中的部分数据,包括声音传感器放大信号、延时电路输出端节点的电压和电流等数据。
7)现象分析:对LED延时时间进行测量,分析可能的误差来源,并更改电阻R3电阻值或电容C2值、测试二次触发延时时间是否延长等。
8)实验结果总结:总结实验的结果和结论,是否满足产品设计预期;分析电路搭建中出现的问题,并分析出现原因;讨论可能的改进与拓展方向,分享实验体会。
考核要求与方法(限300字)
本实验采取的是百分制进行评分,满分100分。具体考核要求如表 2。
| 项目 | 要求 | 考核方式 | 分值 |
|---|---|---|---|
| 实物搭建与验收 | 独立完成声控LED电路、NE555延时电路搭建,现象正确,操作过程合乎规范,仪器使用熟练。 | 现场检查 | 40 |
| 现象分析与问题思考 | 以填空、选择或简答形式对关键步骤、整体方案设计、参数设定、元器件作用、理论公式等进行考核。 | 在线系统自动判定与教师打分 | 30 |
| 数据测量 | NE555延时时间推导并测量准确,声音放大电路输出电压、NE555延时输出端电压测量正确。 | 在线系统填写,教师根据具体选择元器件进行评价打分 | 10 |
| 总结与思考 | 总结全面,条理清晰;对实验原理掌握清楚,思考问题回答准确。 | 结合具体内容评价 | 20 |
[]{#_Ref26266 .anchor}表 2 考核要求表
项目特色或创新(可空缺,限150字)
该项目特色在于综合了声音传感、模拟电路设计、信号放大和定时器应用等技术,通过实验搭建声控延时LED电路,直观展示电子电路在实际生活中的应用。项目设计灵活,可根据需求拓展,培养学生综合运用知识解决问题的能力,促进创新思维的培养。

