555定时器电路的设计与实现
课程名称:《电工电子技术基础》
实验题目:555定时器电路的设计与实现
课程简要信息
课程名称:《电工电子技术基础》
课程学时:80学时
适用专业:航空飞行与指挥军官学历教育“合训”专业
学生年级:大二
实验内容与任务
(1)实验内容
-
通过面包板实验以及电路仿真软件设计555定时器电路;
-
运用555定时器芯片功能表分析电路现象,通过实验加深对555定时器电路的理解应用;
-
提出利用555定时器芯片设计电子作品的思路。
(2)基本实验任务
1)基于面包板实验套件,设计触摸延时开关电路。改变电阻、电容值,观察灯的延时时间,发现问题,思考延时时间的长短不同的原因,去解决问题。设计可重复触发的触摸延时开关电路。思考可重复触发电路的原理;
2)基于面包板实验套件,设计节日闪烁灯电路。改变电阻、电容值,观察灯的闪烁变化情况,发现问题,思考闪烁频率不同的原因,去解决问题。设计占空比可调的发光灯。思考调节占空比的原理;
3)基于Multisim电路仿真软件,设计施密特触发器。改变控制电压端的电压,观察输出波形的变化情况,发现问题,思考波形回差电压不同的原因,去解决问题。
(3)拓展实验任务
利用所学的知识,设计并制作电子小制作,比如门铃、报警器、电子琴或者可以调节速度的车,做到学以致用。
实验过程及要求
1)预习阶段。学员小组协作,查找关于555定时器芯片的相关资料,利用面包板实验套件以及Multisim电路仿真软件设计搭建电路。选题:①触摸延时开关,②节日闪烁灯,③施密特触发器。
2)课堂实验阶段。各小组展示课前搭建的电路,针对电路现象,大家提出问题,课堂上教师协助学生解决问题。要求学生积极动手操作,积极动脑思考,绘制单稳态触发器、多谐振荡器、斯密特触发器的输出波形,寻求可重复触发的单稳态触发器以及占空比可调的多谐振荡器的方案,并动手搭建电路,验证方案的可行性。设计制作门铃电路,感受555定时器的应用。
3)课后任务阶段。集思广益,设计并制作门铃、报警器、电子琴或者可以调速的电子车,展示交流完成任务情况。
相关知识及背景
555定时器芯片是1972年工程师Hans设计的,它是第一款定时芯片。Hans本想用芯片取代体积庞大的机械延迟器,但芯片投入市场后引起了轰动,用途广泛几乎遍及了电子应用的各个领域,从仪器仪表到家用电器,从电子测量到自动控制,甚至扩展到火箭、航天等高科技领域。本实验就是对555定时器芯片功能及基本应用电路进行研究。
教学目标与目的
- 知识目标:理解555定时器芯片工作原理,会分析应用电路;
2)能力目标:通过搭建并设计电路培养学生的实践能力;
3)素质目标:通过发现问题,分析问题,解决问题的实践环节,培养学生理论联系实践的思维方式。
教学设计与引导
(1)课前预习环节设计
1)阅读555定时器芯片说明书,了解芯片基本信息,填写输入输出功能表;
2)查阅555定时器相关资料,了解555定时器的应用;
3)利用面包板实验套件、Multisim电路仿真软件,设计555定时器应用电路。包括触摸延时开关电路、节日闪烁灯电路、施密特触发器电路,发现设计过程中遇到的问题。
(2)课堂教学环节设计
1)555定时器相关知识交流,分析芯片内部工作原理。
2)555定时器应用电路实验环节设计。学生展示课前设计的电路,观察现象,提出实验过程中遇到的问题,师生研讨交流,利用理论知识分析问题,提出解决问题的办法。教师提出新的问题,引发大家思考,引导学生设计新电路,重点验收新电路功能的完成情况。
(3)布置课后拓展任务
利用555定时器芯片,设计并制作电子小制作。比如门铃、报警器、电子琴或者可以调节速度的电动车,展示交流完成任务情况.
实验原理及方案
(1)实验原理
555定时器的内部电路结构如图1所示。

(a)内部结构图 (b)引脚排列图
图1 555定时器
当5脚悬空时,比较器C1和C2的比较电压分别为
和
。分析得出555定时器的逻辑功能表如表1所示。
表1 555定时器逻辑功能表

- 实验方案
1)不可重发触发的单稳态触发器。电路图、面包板实验图、示波器输出波形如图2所示。改变电阻电容的值,观察灯延时时间的变化。结合理论知识,绘制输出波形图,计算延时间,
。
![]()
![]()
(a)电路原理图 (b)面包板实验图 (c)示波器波形图
图2不可重发触发的单稳态触发器
2)可重发触发的单稳态触发器。电路图、面包板实验图、示波器输出波形如图3所示。在灯触发延时的过程中,再次触碰2管脚,重复触发,观察灯延时时间的变化。

(a)电路原理图 (b)面包板实验图 (c)示波器波形图
图3可重发触发的单稳态触发器
3)占空比不可调的多谐振荡器。电路图、面包板实验图、示波器观察波形如图3所示。改变电阻电容值,观察灯的闪烁情况。结合理论知识,绘制输出波形图,计算振荡频率和占空比。振荡频率f为:

占空比q为:


(a)电路原理图 (b)面包板实验图 (c)示波器波形图
图4占空比不可调的多谐振荡器
4)占空比可调的多谐振荡器。
方案一:采用两个二极管和一个滑动变阻器调节充放电回路的电阻。电路图、面包板实验图、示波器输出波形如图3所示。

(a)电路原理图 (b)面包板实验图 (c)示波器波形图
图5占空比可调的多谐振荡器器
方案二:采用改变控制电压的方法。如果在电压控制端(5脚)施加一个外加电压(其值在0~VCC之间),比较器的参考电压将发生变化,电路相应的阈值、触发电平也将随之变化,并进而影响电路的工作状态。
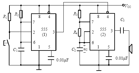
5)制作门铃电路。利用单稳态触发器和多谐振荡器组合成门铃电路。门铃电路原理如下,学生合作完成实验。方案图如图6所示。

图6门铃电路
6)施密特触发器。利用Multisim电路仿真软件搭建电路,观察输出波形回差电压,分析原理。
方案一:控制电压没有输入信号。电路图及仿真结果如图7所示。
图7施密特触发器仿真结果1
方案二:控制电压输入3V信号。电路图及仿真结果如图8所示。
图8施密特触发器仿真结果2
教学实施进程
1)555定时器相关知识交流。
师生研讨交流课前查阅的关于555定时器芯片的相关知识,分析芯片内部工作原理,学生提出问题,师生交流解决。让学生认知555定时器芯片的结构功能,以及广泛的应用范围。培养学员的交流能力,自主学习能力,对科学的热爱。
2)单稳态触发器实验环节。
学生展示课前利用面包板实验套件设计的触摸延时开关,提出设计过程中遇到的具体问题,比如延时的时间如何确定等等。
教师引导利用芯片功能表分析电路,画出单稳态触发器的输出波形,得出延时时间的表达式。理论联系实践,解决实验中遇到的问题。讨论生活中单稳态触发器的应用,比如声控灯,干手机,自动出水的水龙头。从生活实例中提出对可重复触发的单稳态触发器的思考。布置学员任务,设计可重复触发的单稳态触发器。
引导学生利用Multisim仿真软件搭建电路验证可行性,并利用面包板实验套件搭建电路,教师重点验收面包板电路效果。使学员感受抽丝剥茧,层层深入的科学研究过程。培养学员实践能力、创新能力,以及分析问题,解决问题的能力。
3)多谐振荡器实验环节
学生展示课前利用面包板实验套件设计的节日闪烁灯,提出设计过程中遇到的具体问题,比如闪烁的频率如何确定等等。
学生自主利用芯片功能表分析电路,画出输出电压的波形,推导出频率以及占空比的表达式。理论联系实践,解决实验电路中遇到的问题。讨论生活中多谢振荡器的应用,比如数字电路时钟信号,警铃电路等等。教师利用往届学生的作品-可以调节速度的电动车,提出对占空比可调的多谐振荡器的思考。布置学员拓展任务,设计占空比可调的多谢振荡器。
引导学生利用Multisim仿真软件搭建电路验证可行性,并利用面包板实验套件搭建电路,制作亮度可以调节的小台灯,教师重点验收面包板实验电路效果。学生需要关注的细节是,改变控制电压同样可以改变占空比的大学,会用多种方法分析解决问题。使学员感受循序渐进的实践研究过程。激发学员继续学习555应用电路的热情。
利用单稳态触发器和多谐振荡器设计制作门铃电路,感受555定时器的应用。
4)施密特触发器实验环节
学生展示利用Multisim仿真软件搭建的施密特触发器电路,观察电路输出波形,教员引导学生分析电路原理。讨论回差电压大小与控制电压的关系,改变控制电压,仿真电路观察波形。交流施密特触发器的作用,培养学生的科学思维。
5)布置课后拓展任务环节
利用555定时器芯片,设计并制作电子小制作。比如门铃,报警器,或者可以调节速度的电动车,下次课展示交流完成任务情况。培养学员理论联系实践,学以致用的情怀。
实验报告要求
实验报告需要反映以下工作:
-
555定时器芯片的功能阐述。
-
设计任务与要求。
-
实验所需要的元器件清单,分析电路所需的软件以及仪器仪表。
-
实验电路的原理图,图中详细标注出各个元器件的参数。
-
实验过程中遇到的问题以及解决方法。
-
绘制555定时器应用电路的输出波形,说明电路原理。
-
自主设计555定时器的电路图,以及实物照片。
-
实验收获体会。
考核要求与方法
- 预习任务考核。课上利用一段时间作品展示,检查完成任务情况。
2)课堂实验考核。随堂检查可重复触发的单稳态触发器和占空比可调的多谐振荡器电路设计的合理性,电路搭建的正确性,实现功能的情况。检查改变施密特触发器控制电压的电路仿真情况。
- 实验报告的完成情况考核。上交实验报告,检查实验报告内容完整,书写规范。
3)拓展任务完成情况考核。上交实物电路图片和视频文件,检查电路设计的正确性,实物效果。
项目特色或创新
项目的特色在于采用了“理实一体化”的教学模式。即面包板实验、仿真实验和理论知识相结合的一体化教学模式,配合任务驱动教学法和问题式教学法,使理论和实践紧密结合,充分体现以学生为主体、教师为主导的课堂情境。由于面包板套件和仿真软件都可以带到课堂,所以实验案例不但适合实验课教学,同样适合理论课教学。
参赛选手信息表
| 案例提供单位 | 空军航空大学 | 相关专业 | 电工电子 | |||
|---|---|---|---|---|---|---|
| 设计者姓名 | 翟艳男 | 电子邮箱 | 21548186@qq.com | |||
| 移动电话 | 18166885820 | 通讯地址 (含邮编) |
吉林省长春市人民大街7855号电工电子教研室130022 | |||
| 设计者姓名 | 张晖 | 电子邮箱 | 95832710@qq.com | |||
| 移动电话 | 18626680728 | 通讯地址 (含邮编) |
吉林省长春市人民大街7855号电工电子教研室130022 | |||
| 设计者姓名 | 陈大川 | 电子邮箱 | 327676176@qq.com | |||
| 移动电话 | 15143199917 | 通讯地址 (含邮编) |
吉林省长春市人民大街7855号电工电子教研室130022 | |||
| 相关x课程名称 | 电工电子技术基础 | 学生年级 | 大二 | 学时(课内+课外) | 68+12 | |
支撑 条件 |
仪器设备 | 示波器,万用表 | ||||
| 软件工具 | Multisim电路仿真软件 | |||||
| 主要器件 | 面包板、电池盒等实验套件 | |||||


