AM通信系统设计
实验题目:AM 通信系统设计
1. 课程简要信息
课程名称:通信电子线路课程设计
课程学时:实验9学时(总实验学时为12学时,与本课设相关实验为9学时)
项目学时:课外 12 学时(学生独立完成)
适用专业:通信工程、电子信息工程、电子科学与技术、信息对抗技术等
学生年级:大三上学期
2. 实验内容与任务
本课程设计主要包括AM 通信系统的设计与仿真和硬件制作两部分,其中设计与仿真是必修内容,占《通信电子线路》课程 15 分,每位同学必修;硬件制作是课程的附加分项,最多加 5分,学生选修。
(1)AM 通信系统的设计与仿真(15 分)
按一人一组独立设计并制作 AM 通信系统,以 AM 调制方式能够将语音信号或者其他信号作为基带信号完成调制、发射、接收、解调,在接收端可以较好的恢复出基带信号。

图 1 AM 通信系统的功能框图
基本要求:
1)实现基带信号的传输。基带信号定义为 $5 0 0 \mathrm { H z - } 1 0 \mathrm { k H z }$ 的语音信号(实际测试过程可以用单频正弦波替代),要求接收端解调后的模拟信号波形无明显失真;
2)载波频率设置规则:以各位同学的学号为准,学号规则为:119020WXYZ,其中WX:班号,01-24;YZ:学号,01-30,那么这一组的载波中心频率设置为:
中心频率: $f _ { 0 } { = } 0 . 1 \mathrm { X } { + } 0 . 4 \mathrm { Y } { + } \mathrm { Z }$
当 ${ \cal Z } { = } 0$ 时, $f _ { 0 } { = } \mathrm { f } 0 { + } 1 0 \mathrm { M H z }$
载波频率误差: $\pm 0 . 2 \mathrm { M H z }$ ,频率稳定度不低于 $1 0 ^ { - 3 }$ 。
3)发送端调幅指数 ma 在 $3 0 % - 8 0 %$ 之间。输出负载 $5 0 \Omega$ ,输出功率 $\geq 5 0 \mathrm { m W }$ ;
4) 接收端输入阻抗 $5 0 \Omega$ ,接收机灵敏度 $\leq - 3 0 0 \mathrm { d B m }$ (输入波形峰值 ${ \leq } 1 0 \mathrm { m V p }$ )。
发挥部分:
1)各项指标超范围发挥;
2)信号源采用真实语音信号并展示。
(2)AM 通信系统的硬件实现
根据上述课程设计结果,完成硬件制作并参与测评。
3. 实验过程及要求
1)完成理论课学习,并认真实践每章节的仿真例程
重点实现小信号放大器、LC 振荡器、乘法器调幅、高频功率放大器和二极管包络检波等内容的仿真。
2)完成课程实验(9学时)
实验1小信号调谐放大器 实验2 LC 与晶体振荡器 实验3 幅度调制与解调
3)完成课程设计(课后 8学时)
按照上述指标要求完成对 AM 通信系统的设计与仿真,并制作 Project 讲解视频。课程设计的评审将采取生生互评和教师点评的方式进行,要求视频大小不超过30M,时间长度不超过 6 分钟。生生互评的分数占比为 $20 %$ ,其结果统计处理时采取“去除一个最高分和去除一个最低分后,求取平均分”的方式进行,最终的评分结果会直接公布到QQ群里,接受同学们的监督。
4)完成硬件制作(课后 4学时)
4. 相关知识及背景
这是一个能够为学生建立起无线信号发射和接收系统直观认识的典型案例,解决了同学们对本专业所学内容缺乏感性认识、无法区分与计算机类等其他本科专业的区别的问题。通过小信号放大、LC 谐振电路、调制与解调等理论知识点的实践,同学们可加深对本课程与低频、通信原理等其他课程的联系,进而构建起完整的专业知识体系。
5. 实验环境条件
Multisim、Ngspice 等电路仿真软件、Altium Designer 等 PCB 电路设计软件、示波器、任意信号发生器、频谱仪、万用表和焊接套装等。
6. 教学目标与目的
本课程主要教学目标是帮助学生建立通信系统的概念,明确无线通信系统的基本构成及信号传输的基本理论,并进一步掌握采用电子线路来实现通信链路的各部分模块,继而掌握各模块电路分析和电路设计的方法,最终实现通信系统的设计。在授课过程中,注重知识背后科学精神、实践过程协作精神以及学生终身学习意识的培养。
7. 教学设计与实施进程
本课程主要是配合《通信电子线路》理论课程的实施过程进行开展,是一个相对独立的实验课程,具有独立的教学设计与实施过程,具体如下表所示:
| 库号 | 教学内容(学时) | 教师活动 | 学生活动 | 育人成效 |
| 1 | 实验1小信号调谐放大器(3学时) | 1.掌握小信号放大器电路组成;2.掌握信号放大器的实验方法和处理方法。 | 动手搭建电路,使用仪器,完成实验 | 具有能够选择与使用恰当的仪器、信息资源、工程工具和专业 |
| 房号 | 教学内容(学时) | 教师活动 | 学生活动 | 育人成效 |
| 2 | 实验2LC与晶体振荡器(3学时) | 1.掌握LC振荡器电路组成;2.掌握振荡器的实验方法和处理方法。 | 动手搭建电路,使用仪器,完成实验 | 模拟软件,对电子信息领域复杂工程问题进行分析、计算与设计的能力 |
| 3 | 实验3幅度调制与解调(3学时) | 1.掌握幅度调制与解调电路组成;2.掌握幅度调制与解调电路的实验方法和处理方法。 | 动手搭建电路,使用仪器,完成实验 | |
| 4 | 课程设计相关知识点典型例程的仿真验证(0学时) | 1.通过多媒体,介绍MultiSim仿真软件的使用;2.通过将全书各章穿线,介绍无线收发装置设计流程;3.每个章节结束,会有对应课程内容的仿真视频发布,故不计算学时。 | 讨论:各章的主要电路的功能,其在收发装置的那部分,绘制收发设备的原理框图 | 使同学将整本书的章节有机结合,形成一个整体,加深印象,建立完整的通信系统的框架。 |
| 5 | 课程设计(8学时) | 1.教师下发课程设计任务书;2.解答学生对任务书的疑问;3.解答学生在仿真过程中遇到的问题;4.完成对学生Project视频、PPT 和报告等答辩材料的评审工作。 | 1.按照任务书要求,计算自己的技术指标并分析;2.用Multisim等仿真软件完成对AM通信系统的设计和仿真验证;3.撰写课程设计报告、制作 PPT 和对应的 Project视频,并在规定的时间节点之前完成答辩材料的提交;4.按照生生互评的评分规则,公平公正地完成对同学们的 Project视频作品的评分。 | 在设计过程中,通过对指标的分析和逐渐达成过程,培养学生的严禁的科学精神;在课程设计过程中涉及Multisim软件使用等课外知识,培养学生终身学习的意识。 |
| 6 | 硬件制作(4学时) | 1.提供发射机与接收机通用底板:2.提供小信号调谐放大器、正弦波振荡器、AM调制器、包络检波器等4个通用模块;3.提供必要的焊接、调试指导;4.对学生硬件制作作品进行指标测试、验收和点评。 | 1.自主报名参加硬件制作,最多2人一组。2.在通用模块上按照自己的指标,完成对应电路的设计、焊接和调试;3.按照规定时间节点提交作品并参与测评验收。 | 硬件制作鼓励2人一组,在学生实践过程培养协作精神。 |
8. 实验原理及方案
本课程的前导实验部分不是课程设计的重点,这里不再赘述。本课程涉及的频率范围为 1-13MHz,以一个典型的本振频率 6.5MHz 为例,对实验原理进行简单的介绍。
(1)系统功能框图
无线通信的类型很多,可以根据传输方式、频率范围、用途等分类。不同的无线通信系统,其设备组成和复杂度虽然有较大差异,但他们的基本组成不变,图2是典型的无线通信振幅调制收发系统基本组成方框图。

图 2 振幅调制收发系统基本组成方框图
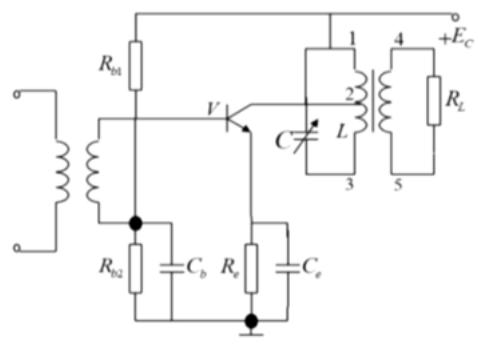
在发射机中,正弦波振荡器即主振器提供频率稳定为 $6 . 5 \mathrm { M H z }$ 的载波信号;射极跟随器作为缓冲器为主振器提供合适负载,并使主振器与下级放大器隔离,减小后级对主振器反馈的影响;由于主振器输出信号的电压幅度一般很小,所以使用高频小信号放大器将信号放大,使信号幅度满足振幅调制器的要求;振幅调制器完成将基带信号与载波信号混频的功能,并通过带通滤波器将不需要的频率分量滤除,之后将已调信号送入高频功率放大器,放大信号功率,最终输出。
对于接收机,考虑到载波频率不高,且高频噪声较少,可以采用直接放大式接收机结构。接收机接收到高频已调信号后,通过小信号放大器以及带通滤波器滤波后进入检波器,将已调信号包络检出,输出即为低频信号,再经低频放大器放大电压,加载到负载上输出。
(2)功能电路的数学模型及参数选择
1)正弦波振荡器
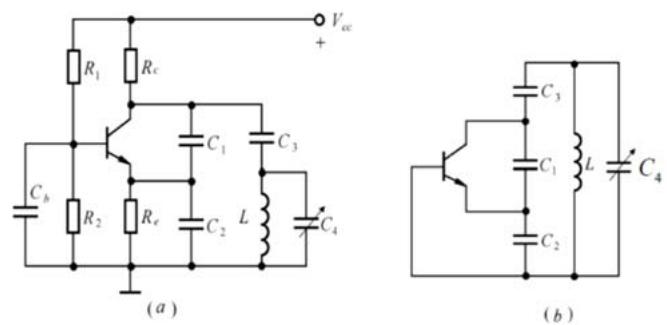
正弦波振荡器采用西勒振荡电路,这种电路保持了克拉泼电路中晶体管与回路耦合弱的特点,频率稳定度高,调频时,输出振荡电压幅度基本平稳,可在宽频段内工作。其电路原理图及等效电路如图 3 所示。其本质仍然是电容三点式电路。

图 3 西勒振荡电路原理图
a)直流偏置电路
以晶体管 2N2222 为例,取 $\mathrm { I c Q } { = } 3 \mathrm { m A }$ ,为了使静态点 Q 位于交流负载线的中心使VC $\scriptstyle \mathrm { : Q = } 0 . 6 , \mathrm { V c c } = 1 2 \mathrm { V } , \mathrm { V } _ { \mathrm { E Q } } = 4 . 5 \mathrm { V }$ 。依据电路计算:
$\mathrm { I _ { B Q } { = } I _ { C Q } / \beta { = } 3 m A / 1 0 0 { = } 0 . 0 3 \ m A }$ ,
$\mathrm { V _ { B Q } { = } V _ { E Q } { + } 0 . 7 { = } 5 . 2 V }$ ,
由 $\mathrm { V _ { B Q } { = } V _ { c c } { \mathrm { ^ { * } R b } } _ { 2 } / ( R b { + } R b 2 ) }$ 得:
$\mathrm { R _ { b l } } { = } 5 . 8 \mathrm { R _ { b 2 } }$ ,取 $\mathrm { R } _ { \mathrm { b } 2 } { = } 1 0 \mathrm { k } \Omega$ , $\mathrm { R } _ { \mathrm { b } 1 }$ 为 $1 0 \mathrm { k } \Omega$ 与一可变电阻串联。
经过实际调试,取得输出波形最好的静态参数: $\mathrm { R } _ { \mathrm { b l } } { = } 3 5 \mathrm { k } \Omega$ 、 $\mathrm { R } _ { \mathrm { b } 2 } { = } 1 0 \mathrm { k } \Omega$ 、 $\mathrm { R e } { = } 1 . 5 \mathrm { k } \Omega$ 、$\mathrm { R } _ { \mathrm { c } } { = } 1 0 0 \Omega$ 以及高频旁路电容 $\mathrm { C _ { b } { = } 0 . 1 \mu F }$ 。
b)振荡回路
由电感 $L$ 和电容 $C _ { 1 }$ 、 $C _ { 2 }$ 与小电容 $C _ { 3 }$ 串联,再与 $C _ { 4 }$ 并联组成。 $C _ { 3 } \ll C _ { 1 }$ 、 $C _ { 2 }$ ,因而有:
$$ C _ { \Sigma } = \frac { C _ { 1 } C _ { 2 } C _ { 3 } } { C _ { 1 } C _ { 2 } + C _ { 2 } C _ { 3 } + C _ { 1 } C _ { 3 } } + C _ { 4 } \approx C _ { 3 } + C _ { 4 } $$
$$ f _ { 0 } = \frac { 1 } { 2 \pi \sqrt { L C _ { \Sigma } } } \approx \frac { 1 } { 2 \pi \sqrt { L \left( C _ { 3 } + C _ { 4 } \right) } } $$
由于一般情况下选取反馈系数 F 在 $0 . 1 { \sim } 0 . 5$ 间,在此电路中 $\scriptstyle \mathrm { F = } C _ { 1 } / C _ { 2 }$ ,故可取两个大电容分别为: $C _ { 1 } = 1 0 0 0 p F$ , $C _ { 2 } = 3 0 0 0 p F$ 。
由 $f _ { 0 } = 6 . 5 \mathrm { M H z }$ ,取电感 ${ \mathrm { L } } { = } 2 . 7 { \mu } { \mathrm { H } }$ ,计算出 $C _ { \Sigma } = 2 2 2 \mathrm { p F }$ ,设计小电容 $C _ { 3 } = 2 0 0 p F$ ,而$C _ { 4 }$ 为 $0 { \sim } 1 0 0 \mathrm { p F }$ 可调电容。
由芯片手册可知,2N2222 三极管的输入电容 $\mathrm { C _ { i e } { = } } 3 0 \mathrm { p F }$ ,输出电容 $\mathrm { \Delta C _ { o e } { = } 8 p F }$ ,使得 $\mathsf { C } _ { 1 }$ 、${ \mathsf { C } } _ { 2 }$ 或多或少受到影响,从而使得 F、f0 偏离理论值,但因为 $\mathrm { C } _ { 4 }$ 为可调电容,可以根据实际情况进行调试,直至获得目标振荡频率。
经计算可知:
$$ \frac { \Delta f _ { c } } { f _ { c } } { = } \frac { \Delta C _ { \Sigma } } { 2 C _ { \Sigma } } { = } \frac { p _ { 1 } ^ { 2 } } { C _ { \Sigma } } { \Delta C _ { o } } + \frac { p _ { 2 } ^ { 2 } } { C _ { \Sigma } } { \Delta C _ { i } } { < } 1 0 ^ { - 3 } $$
即频率稳定度满足指标要求。
此外,各功能电路间的耦合隔置电容取值 $0 . 1 \mu \mathrm { F } { \sim } 1 \mathrm { n F }$ 。
2)射极跟随器
如图 4 所示, $\mathrm { V _ { c c } }$ 为直流电压输入端,Ui为信号输入端, $\mathrm { { U } } _ { \mathrm { { 0 } } }$ 为信号输出端。

图 4 射极跟随器原理图
交流信号 Ui输入时,产生动态的基极电流,通过三极管放大得到发射极电流,其交流分量在发射极电阻 $\mathrm { R _ { e } }$ 上产生的交流电压为输出电压 $\mathrm { { U } } _ { \mathrm { { 0 } } }$ 。根据低频相关知识,可知射极跟随器的输入输出电阻分别为
$$ R _ { i } = R _ { b } + r _ { b e } + \left( 1 + \beta \right) R _ { e } $$
$$ R _ { o } = \frac { 1 } { 1 / R _ { e } + \left( 1 + \beta \right) / \left( R _ { b } + r _ { b e } \right) } $$
通常情况下, $\mathrm { R e }$ 取值较小,而三极管 $r _ { b e }$ 也在几百欧到几千欧, $\beta$ 至少是几十倍,因此输出电阻可以小到几十欧姆、输入电阻可以大到几千欧姆。取参数: $\mathrm { V } _ { \mathrm { c c } } { = } 1 2 \mathrm { V } \ l . \mathrm { R } _ { \mathrm { b } 1 } { = } 1 5 \mathrm { k } \Omega$ 、$\mathrm { R } _ { \mathrm { b } 2 } { = } 3 0 \mathrm { k } \Omega$ 、 $\mathrm { R e } ^ { = 1 \mathrm { k } \Omega }$ 、 $\mathrm { R _ { L } }$ 为负载。
3)高频小信号放大器
图 5 所示为高频小信号放大器原理图,各端口功能与射极跟随器中一致。图中 $R _ { b 1 }$ 、$R _ { b 2 }$ 、 $R _ { e }$ 为偏置电阻,为三极管提供合适的静态工作点,使三极管工作在线型区,避免输出信号产生非线性失真。三极管负载为选频网络,选频网络的谐振频率设置为载波频率。由于三极管输出电阻较小,为减小对选频网络的影响,采用部分接入的方式。

图 5 高频小信号放大器原理图
高频小信号放大器的放大倍数计算公式为
$$ \mid A _ { u o } \mid = \frac { p _ { 1 } p _ { 2 } y _ { f e } } { g _ { \scriptscriptstyle \Sigma } } $$
谐振回路的元器件参数与振荡器的参数一样,取 $\mathrm { C = } 2 0 0 \mathrm { p F }$ 、 ${ \mathrm { L } } { = } 2 . 7 { \mu } { \mathrm { H } }$ 。直流偏置参数选取为: $\mathrm { V } _ { \mathrm { c c } } { = } 1 2 \mathrm { V }$ 、 $R _ { b 1 } = 3 3 k \Omega$ 与可变大电阻串联、 $R _ { b 2 } = 5 . 1 k \Omega$ 、 $R _ { e } = 4 7 0 \varOmega$ 、以及高频旁路电容 $\mathrm { C _ { b } { = } 0 . 1 \mu F }$ 。
则据此计算电压放大倍数:
$$ g _ { \Sigma } = g _ { o e } + g _ { L } + g _ { 0 } $$
其中 $g _ { o e }$ 为三极管输出电导,理想三极管条件下为零。 $g _ { L }$ 为负载电导, $g _ { 0 }$ 为电感的电导,为方便观察,将二者体现在同一电阻上, $g _ { L } + g _ { 0 }$ 就等于 $1 / 1 0 \mathrm { k } \Omega$ ,即 $0 . 1 \mathrm { m S }$ 。故 $g _ { \Sigma }$ ${ \approx } 0 . 0 1 \mathrm { m S }$ 。此外,有:
$$ y _ { _ { f e } } = g _ { _ { m } } = { \frac { I _ { \mathit { E Q } } } { 2 6 { \mathrm { m V } } } } = { \frac { 0 . 7 { \mathrm { m A } } } { 2 6 { \mathrm { m V } } } } = 2 7 { \mathrm { m S } } $$
$$ \left| \boldsymbol { A } _ { u } \right| = \frac { y _ { f e } } { g _ { \scriptscriptstyle \Sigma } } = \frac { 2 7 \mathrm { m S } } { 0 . 1 \mathrm { m } S } = 2 7 0 = 4 8 . 6 \mathrm { d B } $$
通过这一级的放大,就基本可以满足输出功率的要求,所以在调制之后就不用再放大了。
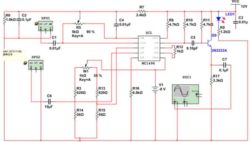
4)乘法器振幅调制电路
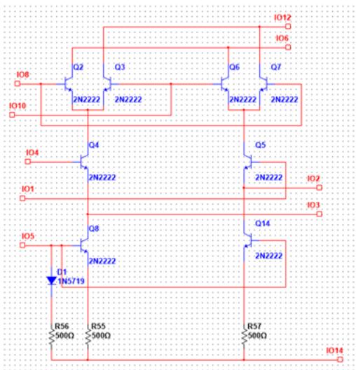
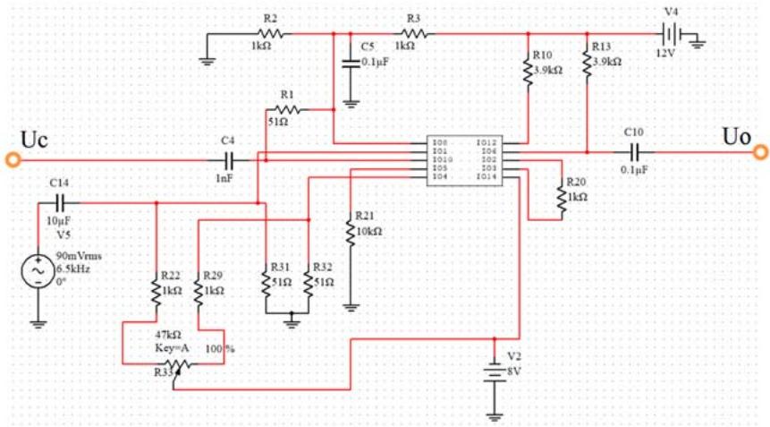
所谓振幅调制就是用被传输的低频信号去控制高频振荡器,使其输出信号的幅度随着低频信号的变化而变化,从而实现低频信号搬移到高频段,被高频信号携带并有效进行远距离传输的目的。完成这种调制过程的装置称为振幅调制器。本设计采用 MC1496乘法器实现基带信号与载波信号的相乘,即实现振幅调制。MC1496 乘法器的内部电路以及调制电路原理图如图 6 和图 7 所示。

图 6 MC1496 内部电路图

图 7 乘法器振幅调制电路图
a)振幅调制的基本原理
设载波信号为 $u _ { c } = U _ { c m } c o s ( \omega _ { c } t )$ ,基带信号为 $u _ { \varOmega } = U _ { \varOmega m } c o s ( \varOmega t )$ 。经过模拟乘法器后输出电压:
$$ \begin{array} { l } { { \displaystyle { u _ { o } ( t ) = [ V _ { c c } + u _ { \Omega } ( t ) ] u _ { c } ( t ) } } } \ { { \displaystyle { \quad = [ V _ { c c } + U _ { \mathrm { 2 m } } \cos { \Omega t } ] U _ { c m } \cos { \omega _ { c } t } } } } \ { { \displaystyle { \quad = V _ { c c } U _ { c m } \cos { \omega _ { c } t } + U _ { \mathrm { 2 m } } \cos { \Omega t } U _ { c m } \cos { \omega _ { c } t } } } } \ { { \displaystyle { \quad = V _ { c c } U _ { c m } \cos { \omega _ { c } t } + \frac { 1 } { 2 } U _ { \mathrm { 2 m } } U _ { c m } \cos ( { \omega _ { c } + \Omega } ) t + \frac { 1 } { 2 } U _ { \mathrm { 2 m } } U _ { c m } \cos ( { \omega _ { c } - \Omega } ) t } } } \end{array} $$
输出电压为普通调幅波,与普通调幅波的频谱表达式比较可知:
$$ \frac { 1 } { 2 } U _ { \Omega m } U _ { c m } = \frac { 1 } { 2 } m _ { a } U _ { c m } $$
即 $m _ { a } = U _ { \Omega m }$ ,所以,改变调幅信号振幅即可改变调幅指数 $m _ { a }$ 。
b)乘法器原理
如图 8 所示电路图,其中 $V _ { 7 }$ 、 $R _ { 1 }$ 、 $V _ { 8 }$ 、 $R _ { 2 }$ 、 $V _ { \mathfrak { g } }$ 、 $R _ { 3 }$ 和 $R _ { 5 }$ 等组成多路电流源电路,$V _ { 7 }$ 、 $R _ { 5 }$ 、 $R _ { 1 }$ 为电流源的基准电路, $V _ { \mathrm { { 8 } } } \setminus V _ { \mathrm { { 9 } } }$ 分别供给 $V _ { 5 }$ 、 $V _ { 6 }$ 管恒值电流 $I _ { 0 } / 2$ , $R _ { 5 }$ 为外接
电阻,可用以调节 $I _ { 0 } / 2$ 的大小。由 $V _ { 5 } \setminus V _ { 6 }$ 两管的发射极引出接线端 2 和 3,外接电阻 $R _ { Y }$ ,利用 $R _ { Y }$ 的负反馈作用,以扩大输入电压 $U _ { 2 }$ 的动态范围。 $R _ { c }$ 为外接负载电阻。

图 8 乘法器实现调制原理图
根据差分电路的基本工作原理,可以得到
$$ \left{ \begin{array} { l l } { \displaystyle i _ { c 1 } - i _ { c 2 } = i _ { c 3 } t h \frac { u _ { 1 } } { 2 U _ { T } } } \ { \displaystyle i _ { c 1 } - i _ { c 2 } = i _ { c 5 } t h \frac { u _ { 1 } } { 2 U _ { T } } } \ { \displaystyle i _ { c 5 } - i _ { c 6 } = I _ { 0 } t h \frac { u _ { 2 } } { 2 U _ { T } } } \end{array} \right. $$
式中 $i _ { c 1 }$ 、 $i _ { c 2 }$ 、 $i _ { c 3 }$ 、 $i _ { c 4 }$ 、 $i _ { c 5 }$ 、 $i _ { c 6 }$ 分别是三极管 $V _ { 1 }$ 、 $V _ { 2 }$ 、 $V _ { 3 }$ 、 $V _ { 4 }$ 、 $V _ { 5 }$ 、 $V _ { 6 }$ 的集电集电流。$\mathrm { E } _ { \mathrm { r } }$ 为温度的电压当量,在常温 $\scriptstyle \mathrm { { T = 3 0 0 K } }$ 时, $\mathrm { U } _ { \mathrm { T } } \approx 2 6 \mathrm { m V }$ 。由图2-1可知,相乘器的输出差值电流
$$ i = i _ { 1 3 } - i _ { 2 4 } = ( i _ { c 1 } + i _ { c 3 } ) - ( i _ { c 2 } - i _ { c 4 } ) = ( i _ { c 1 } - i _ { c 2 } ) - ( i _ { c 3 } - i _ { c 4 } ) $$
进而可得
$$ i = ( i _ { c 5 } - i _ { c 6 } ) t h \frac { u _ { 1 } } { 2 U _ { T } } = I _ { 0 } t h \frac { u _ { 1 } } { 2 U _ { T } } i _ { c 6 } t h \frac { u _ { 2 } } { 2 U _ { T } } $$
由于 $V _ { 5 }$ 、 $V _ { 6 }$ 两管发射极间跨接负反馈电阻 $R _ { Y }$ ,当 $R _ { Y }$ 远大于 $V _ { 5 }$ 、 $V _ { 6 }$ 管的发射结电阻时
$$ i _ { c 5 } - i _ { c 6 } \approx i _ { E 5 } - i _ { E 6 } = \frac { 2 u _ { 2 } } { R _ { Y } } $$
将式(15)代入(14)可得
$$ i = \frac { 2 u _ { ^ 2 } } { R _ { _ Y } } t h \frac { u _ { 1 } } { 2 U _ { _ T } } $$
可见,输出电流中包含两个输入信号的乘积。
在本次模拟调幅中令载波的输入幅度在 $2 0 0 \mathrm { m V }$ 左右,基带信号(由函数发生器代替)的幅度为 $1 0 0 \mathrm { m V }$ 左右,调节基带信号的幅度就可以使调制度 ma 处于 $30 % { - } 8 0 %$ 之
间。
5)高频功率放大器
如图 2-8 所示,为采用了集电极、基极并馈供电方式的高频功率放大器,其中 R53采用 1kΩ 作为输入电阻,50Ω 作为输出电阻。基极直流电源 UBB为 2.1V,保证了晶体管工作在截止区。选频网络仍采用 $\mathrm { C = } 2 0 0 \mathrm { p F }$ 、 ${ \mathrm { L } } { = } 2 . 7 { \mu } { \mathrm { H } }$ 的回路参数。

图 9 高频功率放大电路原理图
为获得较高的效率 $\eta$ 及最大输出功率 $P _ { 0 }$ ,放大器的工作状态选为临界状态,通角$\theta _ { c } { < } I 8 0 ^ { \circ }$ ,集电极基波电流振幅 $I _ { c I m }$ 为 $\begin{array} { r } { I _ { c 1 m } = \sqrt { \frac { 2 P _ { 0 } } { R _ { p } } } } \end{array}$ ටଶబ 。对于集电极电流脉冲的最大值 Icm及其直流分量 $I _ { c 0 }$ ,有:
$$ \begin{array} { l } { \displaystyle { \int _ { c m } = I _ { c 1 m } \big / \alpha _ { \scriptscriptstyle 1 } \big ( \theta _ { c } \big ) } } \ { \displaystyle { \left[ I _ { c 0 } = I _ { c m } \alpha _ { \scriptscriptstyle 0 } \big ( \theta _ { c } \big ) \right. } } \end{array} $$
则电源供给的直流功率 $P =$ 为: $P { = } { = } V _ { C C } I _ { c 0 }$ ;
集电极的耗散功率 $P { _ { C } } ^ { \prime }$ 为: $P { \cal C } ^ { \prime } { = } P { \cal D } { - } P 0$ ;
放大器的转换效率 $\eta$ 为: $\scriptstyle \eta = P _ { 0 } / P _ { \mathrm { = } } .$ 。
6)接收机小信号放大器
其原理与(3)高频小信号放大器一致,由于此电路也谐振于载频,选择谐振回路参数为: $\mathrm { C = } 2 2 0 \mathrm { p F }$ 、 ${ \mathrm { L } } { = } 2 . 7 { \mu } { \mathrm { H } }$ ,其余直流偏置参数与小信号放大器一致。
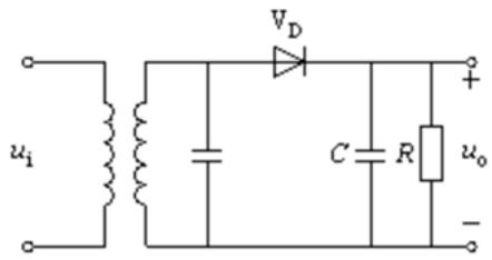
7)检波电路
图 10 是二极管峰值包络检波器的原理电路。它是由输入回路、二极管和 RC 低通滤波器组成的。在该电路中一般要求输入信号的幅度在 0.5V 以上,所以二极管处于大信号工作状态,又称为大信号检波电路。

图 10 大信号检波电路原理图
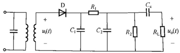
负峰切割失真是由于检波器的直流负载和交流负载不同而引起的。检波器的直流负载为 $R { = } R _ { 1 } { + } R _ { \mathrm { w 1 } }$ 。而实际检波电路的输出端常经耦合电容送至下一级负载,故检波器交流负载为 $r = \left( R _ { 1 } { + } R _ { \mathrm { w 1 } } \right) / / \left( R _ { 2 } { + } R _ { \mathrm { w 2 } } \right)$ 。若调幅波的调幅系数 $m _ { \mathrm { a } }$ 比较大,且直流分量小于低频分量的振幅,则调幅波包络的波谷处被切割,出现了负峰切割失真。
避免负峰切割失真的条件是
$$ m _ { a } \leq \frac { R _ { \Omega } } { R } $$
为了提高 $R _ { \varOmega }$ ,需要提高负载电阻 $R _ { L }$ ,可在检波器中将直流负载电阻分成两部分
$$ \left{ \begin{array} { l l } { R = R _ { 1 } + R _ { 2 } } \ { R _ { 1 } \approx \left( 0 . 1 - 0 . 2 \right) R _ { 2 } } \end{array} \right. $$
对于晶体管电路,下级放大器的输入电阻 $\mathcal { R } \mathrm { i }$ 约为 $2 { \sim } 5 \mathrm { k } \Omega$ 。如果 $m _ { \mathrm { a } }$ 在 $0 . 3 { \sim } 0 . 8$ 的范围内,则 $R _ { 2 }$ 的取值范围为 $1 { \sim } 1 0 \mathrm { k } \Omega$ 。在此取 $R _ { 2 } { = } 1 \mathrm { k } \Omega$ ,则 $R _ { 1 } { = } 1 0 0 \Omega$ 。同时,为了提高检波器的高频滤波能力,进一步滤除高频分量,在电路中还可并接电容 $C _ { 2 }$ ,取 $C _ { 1 } = C _ { 2 } =$ $5 n F$ 。改进后电路如图 11 所示。

图 11 改进的AM 检波电路
(3)硬件制作
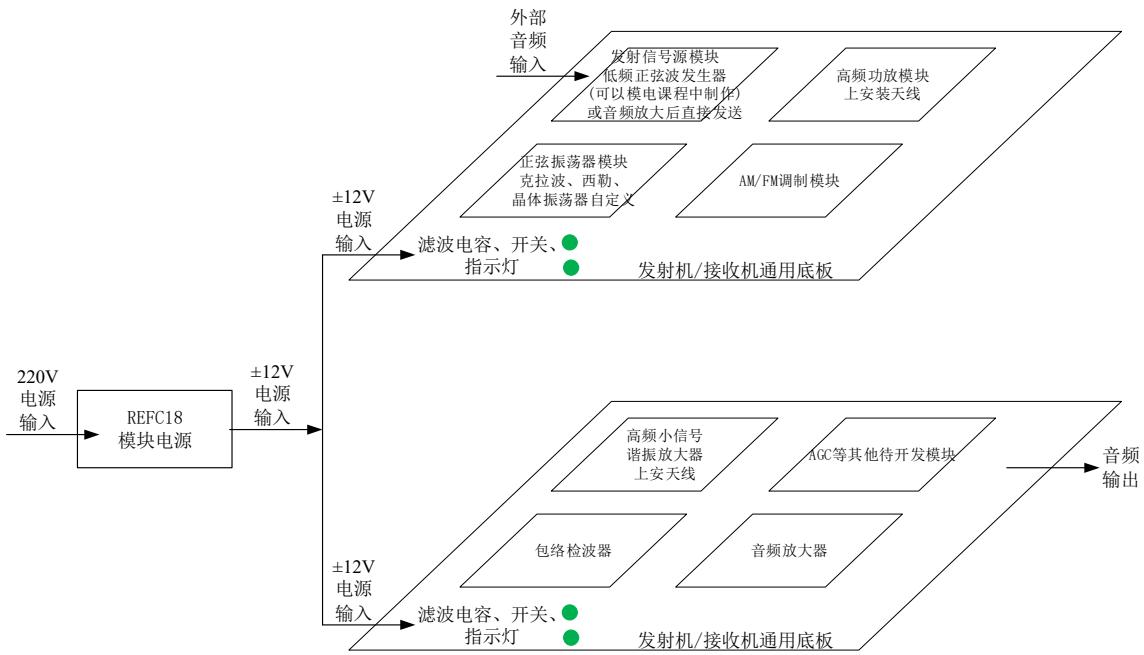
鉴于同学们尚不具备 PCB 设计能力,并且该知识非本课程讲授内容,实验室提供通用性 PCB。该通用性 PCB 具有一定的拓展性和兼容性,学生可根据自己的设计结果,完成对应电路的焊接。硬件制作总体方案如图 12 所示。

图 12 硬件制作所用的通用平台
a) 通用底板
AM 通信系统发射机和接收机通用底板具有以下特性:支持 4 个通用模块的安装;各个模块只是将输入与输出信号引到了底板上,各个模块之间的连接也由学生在底板上自主连线;无通用模块的电路由学生在底板的洞洞板上自主设计。通用底板具体如图 13所示,右下角有自主识别标记,验收完以后剪去此角,避免被学生重复使用。

图 13 通用底板
b)小信号调谐放大器
每个学生根据学号计算个性化谐振频率,自主选择 L 和 C,自主调试。如图 14 所示为小信号调谐放大器通用PCB,学生可构建自主设计的放大器,其中,左图为未使用PCB,右图为某同学已经使用并通过验收后的电路板,右上角的自主识别标记已经剪去,表示已经验收过,不再参与测评。

图14小信号调谐放大器
c)其他模块通用PCB


图 15 其他模块通用 PCB
d)实验课程模块用于硬件制作过程的调试
前导实验课程所用到的一些通用性模块与硬件制作的模块具有一定的兼容性,可以用于硬件过程的调试,一个测试样例如图16所示。

图 16 实验模块用于硬件制作
2019 级学生(2021 秋)硬件制作作品范例如图 17 所示。

图 17 学生作品
9. 实验报告要求
课设设计报告需要包含以下内容:
1)个性化指标计算:根据学号计算个性化频率和必要的技术指标分析。
2)系统功能框图绘制:绘制完整的 AM 通信系统框图,针对所要求的 AM 通信系统,给出系统设计的详细功能框图,构成一个完整的发射和接收的通信链路。
3)方案论证与功能电路划分:按照任务技术指标和要求及系统功能框图,给出各个功能模块的详细的参数计算及方案论证、器件选择的计算过程。
4)电路设计与参数计算:针对各个功能电路图,绘制详细的电路原理图,标出电路模块的输入输出,给出详细的数学模型和计算过程。
5)仿真参数调整与验证:对整个电路进行 Multisim 软件仿真,给出功能节点及系统的输入输出仿真波形及分析。
6)实验数据处理和分析:记录各个功能电路的单独仿真数据和波形,同时与级联后的波形数据进行对比,分析前后级电路之间的影响。
7)总结课设设计过程,自行评价指标实现情况并总结收获体会。
10.考核要求与方法
| 考核内容 | 考核标准 | 考核方法 | ||
| 生生互评 (20%) | 教师点评 (40%) | 实验报告 (40%) | ||
| 工程理论知识 (30%) | (1)知识点熟练掌握 (2)功能电路的基本原理总结正确 (3)AM通信基本原理总结正确 (1)系统各个功能模块划分合理 | (1)学生随机分组并编号,Project视频 只能包含编号,同学之间盲评,根据评 分标准公平公正地给出成绩 (2)教师对根据Project视频,完成对学 | ||
| 工程操作技能 (60%) | (2) 电气原理图设计正确 (3) 电路器件选型合理 (4) 电路参数计算正确 (5) 电路仿真设计分析正确 (6) 实验结果记录完整 (7) 实验结果分析合理深入 (8) 课程设计总结深入、有个人体会 (9) 实验报告完整规范 | 生作品的点评考核,同时并兼顾学生的 PPT展示效果 (3)结合学生课程设计报告,教师完成 对学生课程设计作品的综合评价 | ||
| 安全文明素养 (10%) | (1)实验过程操作规范、安全 | |||
11.项目特色或创新
项目的特色在于:按照“两性一度”的标准,设计教学目标、教学方法和考核要求。
(1)教学目标的“高阶性”
本项目是一个具有实际工程背景的典型应用系统,能够为学生建立起无线信号发射和接收过程的直观认识,相比课程实验更加复杂,以“高阶性”明确教学目标。
(2)教学方法的“创新性”
在教学活动的设计中,充分参考了BOPPPS教学模型;同时利用费曼微课的方式,与理论授课同步发布相关知识点的仿真视频;将课设与实验融合,软件仿真结合硬件实验,课程设计引导硬件制作,课程思政融入知识传授,虚实结合,提升育人效果。
(3)考核要求的“挑战度”
项目实现过程需要学生综合应用所学知识才能满足项目考核要求,并且引入生生互评机制,具有一定的挑战度。