LC振荡电路设计
实验题目:三点式 LC 振荡电路设计与实现
1. 课程简要信息
课程名称:射频电子技术
课程学时:课程理论学时 48学时,实践教学 8学时
项目学时:本项目课内 2学时,课外4 学时
适用专业:信息对抗技术、雷达工程等
学生年级:大三年级秋季学期
2. 实验内容与任务
实验内容:
在完成“高频小信号放大器”基础仿真实验后,设计制作三点式 LC 振荡电路。
基本任务:
1)选择合适元器件,设计一个三点式LC振荡电路,基于ADS 软件完成电路仿真;2)使用“知行囊”便携式实验平台,搭建实物电路,使其输出稳定的正弦振荡信号,并驱动规定负载。
提高任务:
1)设计实现改进型三点式 LC振荡电路,测量其幅度/相位噪声等性能参数;
2)设计实现晶体振荡器电路,测量其幅度/相位噪声等性能参数。
创新任务:
1)基于制作的振荡电路,实现简易的发报机。
3. 实验过程及要求
两人一组,根据实验任务的要求,完成本次实验,最终以答辩的方式完成结题。
1)实验准备
a) 任务发布;
b) 基础仿真实验;
c) 电子工艺实训。
2)项目实施
a) 根据学生练习情况,进行分组;
b) 三点式LC振荡电路设计与制作;
c) 幅度/相位噪声概念学习;
d) 改进型三点式 LC振荡电路设计与制作;
e) 晶体振荡电路设计与制作;
f) 简易发报机制作。
3)结题验收
a) PPT 汇报;
b) 撰写提交实验总结报告。
4. 相关知识及背景
振荡器作为频率源在计算机、通信、雷达等设备中广泛存在,振荡器的种类有很多,其中
LC振荡器、晶体振荡器等主要用于产生高频正弦信号,在调制、解调、变频、波形发生等电路中往往需要振荡器提供的正弦振荡信号具有很高的频率稳定度。振荡器长期频率稳定度主要与温度、老化等因素有关;短期频率稳定度,则指的是由随机噪声引起的相位起伏,主要由相位噪声来衡量。一个优秀的振荡器设计,涉及到电子元件的工艺参数、精巧的电路结构、恰当的直流偏置和考究的布局走线。需要设计者掌握理论计算、软件仿真、硬件制作、测试调试等实践技能。
5. 实验环境条件
1)“知行囊”便携式实验平台(频谱仪、信号源、数字示波器、万用表、直流电源、组合工具套装、元器件耗材等);
2)高频电子线路实验室(示波器、直流稳压电源、频谱仪、数字万用表等测量仪器及焊接设备,电阻、电容、电感、晶体管、万能板、杜邦线、晶振等元器件耗材);
3)ADS 仿真软件;
4)雨课堂在线教学平台。
6. 教学目标与目的
通过工程背景下的小型项目练习,引导学生达成以下目标:
1)知识正确阐述三点式 LC振荡器的设计、制作和测试方法。
2)能力运用工程设计思维设计制作符合要求的三点式 LC振荡器电路实物;正确使用仪器设备测量振荡器常用性能参数以及调试电路板。
3)情感表现出对电路设计制作的兴趣;关注振荡器在民用、军事领域的应用。
7. 教学设计与实施进程
教学理念
国内高等院校电子工程课程体系长期存在重理轻实、理实分段的结构性问题,在学时压缩的大背景下这一问题更加凸显,表现为实践环节的强度、难度、频度三不足,严重妨碍学生工程实践能力的形成。理实融合的教学理念,则突出学生动手能力和专业技能的培养,将理论课与实践课合二为一,理论和实践交替进行,直观和抽象交错出现,充分调动和激发学生学习兴趣,符合学生工程实践能力的形成规律。
在实践中,我们提出了“知行囊”便携式实验平台这一创新构想和建设方案。基于“知行囊”便携式实验平台,学生可利用自习或课余其他零碎时间,在非实验室环境中自主开展各类课程实验和自主实验。实验的频次、强度得以增加,有利于切实提高学生工程实践能力。在课程教学中,通过设计和理论知识相匹配的作业实验,增加学生对理论知识的感性认识,巩固其所学内容。
教学设计
本实验项目是射频电子技术课程实验之一,对应于课程理论教学内容第三章“正弦波振荡器”。授课对象为本科三年级学生,前序课程有高等数学、大学计算机基础、电工原理、信号与系统、模拟电子技术、数字电路等工科基础课程。学生正在学习专业课程,掌握了基本 EDA 工具使用方法,但是运用 EDA工具设计实际电路的能力仍有欠缺。
1)实验预备
a) 实验任务随理论教学进行至第三章时发布,通过雨课堂公布实验具体内容、要求以及时间节点;
b) 介绍与振荡器相关的工程应用案例,吸引学生兴趣;
c) 发放“知行囊”便携式实验平台,供学生充分利用零散的课外时间进行技能练习和电路制作,为后续实际电路板制作进行技能储备;
d) 提供软件仿真、实验仪器的说明文档和视频教程,锻炼学生自学能力;
e) 引导学生先完成难度较低的“高频小信号放大器”基础仿真实验,方便学生尽快掌握此类电路仿真分析方法,为后续振荡电路的起振过程的仿真分析做铺垫。
2)项目实施
a) 项目实施过程中,正常课程的理论讲授部分与实验项目动手实践部分有机结合。一方面以任务牵引的方式,引导学生带着问题进行理论学习;另一方面引导学生用所学理论知识指导项目实践,解决实验中遇到的实际问题;
b) 实验分组综合考虑了学生的理论水平和实践能力,尽量均衡各分组的实力,避免各方面都表现不佳的学生组队,导致学生进步困难,实验效果不好;
c) 任务指标(频率、电路结构形式)与学生的学号相关,尽量减少学生间互相参考的情况;
d) 为了防止同组学生中出现“抱大腿”的情况,要求同组的两名学生必须各主要负责一个提高任务;
e) 知识讲解和技能训练分散在整个项目周期中,按照学生阶段性任务的需要而适时引入,以提升学习效果;
f) 以阶段性实验进度报告、雨课堂讨论区、微信群、课堂提问等手段收集学生反馈信息,掌握学生项目推进情况;
g) 以发报机作为创新任务,将本身只是现代电子设备中一个部件的振荡电路变成可以实际发送信号的完整发射电路,提升学生的获得感;
h) 要求学生的实物作品都标上小组成员姓名,既让学生有给作品署名的获得感,同时也避免了其他组学生借用的现象。
3)结题验收
a) 组织学生参加结题答辩,总结项目成果和经验教训,给学生一个展示的舞台,促进交流;
b) 答辩结束时,组织学生组间互评,锻炼学生客观评价的能力;
c) 要求学生提交实验报告,提升学生书面报告的撰写能力;
d) 设置思考题,促使学生实验完成后进行反思。
实施进程
表 1 实施进程表
| 阶段 | 时间安排 | 内容 | 教师活动 | 学生任务 | 目标 |
| 中 | 第7周 | 实验任务线上发布 | 1.在雨课堂上发布总体任务。 | 1.根据任务内容和要求形成初步构思。 | 引导学生关注振荡器在工程领域的应用;增强学生使用仿真软件进行分析设计的能力;锻炼学生电子线路板的制作能力。 |
| 基础加强(课外1学时) | 1.指导学生完成"高频小信号放大器"基础仿真实验;2.发布教程,指导学生完成电子工艺实训。 | 1.完成“高频小信号放大器”仿真,提交仿真结果报告;2.完成电子工艺实训,提交训练板焊接照片。 | |||
| 中 | 第8周 | 学生分组 | 1.学生搭配分组,均衡各组实力。 | 1.按照要求组队,合作讨论项目内容。 | 培养团队分工协作的精神;锻炼运用理论知识解决实践问题的能力;培养学生工程设计能力;培养学生独立思考习惯、创新意识。 |
| 三点式LC 振荡电路设计与实现(课外2学时) | 1.指导学生完成仿真和搭建实际电路;2.引导学生在雨课堂讨论;3.发布幅度/相位噪声课件和练习题。 | 1.根据实验要求,设计三点式LC振荡电路并进行仿真;2.学习幅度/相位噪声相关概念和测试方法,完成练习题;3.根据所设计振荡器搭建实际电路,测试其幅度/相位噪声性能。 | |||
| 第9周 | 改进型三点式LC振荡器和晶体振荡器设计与实现(课外1学时) | 1.指导学生完成仿真和搭建实际电路;2.引导学生在雨课堂讨论。 | 1.根据实验要求,设计改进型三点式LC振荡电路和晶体振荡电路,并进行仿真;2.根据所设计振荡器搭建实际电路,测试其幅度/相位噪声性能,并在多个电路间进行比较。 | ||
| 第11周 | 实验报告撰写及答辩展示(课内2学时) | 1.组织答辩会;2.评价各组及个人完成情况;3.批阅实验报告。 | 1.梳理实验过程及数据记录;2.制作答辩 PPT;3.参与现场答辩及组间互评;4.撰写实验报告。 | 培养学生总结分析能力、表达能力、报告撰写能力。 |
8. 实验原理及方案
1)反馈正弦波振荡器的组成
反馈振荡器由放大器和反馈网络通过闭环连接构成,如图 1 所示,但闭合环路内必须含有选频网络和非线性稳幅环节。

图 1 反馈振荡器构成框图
放大器用来将微弱信号迅速放大到足够大小,使振荡器输出信号幅度达到要求,并使电路满足振荡条件。
反馈网络用来将放大电路的输出信号正反馈到放大器的输入端,以维持放大器的输入信号。
选频网络用以选择所需频率信号进行放大和反馈,使振荡器输出单一频率的正弦信号。常用的选频网络有LC 并联谐振回路、石英晶体谐振器以及 RC选频网络等,根据选频网络的不同,振荡器有LC 振荡器、晶体振荡器和RC 振荡器(它只适用于低频)。实际电路中常将选频网络与反馈网络相结合,组成正反馈选频网络,也可以将选频网络与放大器相结合组成选频放大器。
非线性稳幅环节用以稳定振荡输出幅度。非线性稳幅通常由放大管的非线性放大特性和自给偏 压效应来保证,把它称为内稳幅。有时也采用外接非线性环节组成可变增益放大器来实现稳幅,称 之为外稳幅。
2) 振荡条件
当振荡电路参数及工作状态选择合适,满足振荡的起振和平衡条件,就能产生连续的具有一定频率和幅度的正弦信号。
图 1 中, $\dot { U _ { \mathrm { i } } }$ 为放大器的输入电压, $\dot { U } _ { \mathrm { o } }$ 为输出电压, $\dot { U } _ { \mathrm { f } }$ 为反馈电压,则放大器的电压放大倍数$\dot { A }$ 及反馈网络的反馈系数 $\dot { F }$ 分别为
$$ \dot { A } = \frac { \dot { U } _ { \mathrm { o } } } { \dot { U } _ { \mathrm { i } } } , \dot { F } = \frac { \dot { U } _ { \mathrm { f } } } { \dot { U } _ { \mathrm { o } } } $$
环路增益为
$$ \dot { T } = \dot { A } \dot { F } = \mid \dot { A } \dot { F } \mid e ^ { j ( \varphi _ { \mathrm { a } } + \varphi _ { \mathrm { f } } ) } $$
式中, $| \dot { A } |$ $\varphi _ { \mathrm { a } }$ 为放大倍数的模和相角, $\mid \dot { F } \mid$ $\varphi _ { \mathrm { f } }$ 为反馈系数的模和相角。
a)平衡条件
在 $f = f _ { 0 }$ 上,当 $\dot { U } _ { \mathrm { f } } = \dot { U } _ { \mathrm { i } }$ 时,振荡电路即处于平衡状态,可见振荡的平衡条件为
$$ { \dot { T } } = { \dot { A } } { \dot { F } } = 1 $$
所以,振幅平衡条件为
$$ T = \mid \dot { A } \dot { F } \mid = 1 $$
相位平衡条件为
$$ \varphi _ { \mathrm { { T } } } = \varphi _ { \mathrm { { a } } } + \varphi _ { \mathrm { { f } } } = 2 n \pi ( n = 0 , 1 , 2 , \ldots ) $$
上式说明反馈电压 $\dot { U } _ { \mathrm { f } }$ 与输入电压 $\dot { U _ { \mathrm { i } } }$ 相位相同,反馈环路构成正反馈。
作为一个稳态振荡,相位和振幅平衡条件必须同时得到满足,利用相位平衡条件可以确定振荡频率,利用振幅条件可以确定振荡信号的幅度。
b)起振条件
振荡电路起振时,不但要求 $\dot { U } _ { \mathrm { f } }$ 与 $\dot { U _ { \mathrm { i } } }$ 同相,同时还要求 $\dot { U } _ { \mathrm { f } }$ 的幅度大于 $\dot { U _ { \mathrm { i } } }$ 的幅度,振荡才能建立起来,所以振荡的起振条件为
振幅起振条件: $T = \mid \dot { A } \dot { F } \mid > 1$ 相位起振条件: $\varphi _ { \mathrm { { T } } } = \varphi _ { \mathrm { { a } } } + \varphi _ { \mathrm { { f } } } = 2 n \pi ( n = 0 , 1 , 2 , \ldots )$
上式相位起振条件即为正反馈条件。
可见,为了使振荡器能起振,首先必须满足正反馈条件,而且开始振荡时,振荡电路必须满足$T { > } 1$ 。起振后,振荡幅度迅速增大使放大管工作到非线性区,以致增益 $T$ 下降,直至 $T { = } 1$ ,达到平衡状态,振荡幅度不再增大。显然, $T$ 越大于1,振荡器越容易起振并且振荡幅度也比较大,但 $T$ 过大,为了达到平衡,放大管的动态范围必定要深入到非线性区,从而引起器件输出电流波形的严重失真,当要求输出波形失真很小时,应尽量使 $T$ 值接近于1。
c)稳定条件
保证振荡平衡状态不因外界不稳定因素而受到破坏的条件,称为稳定条件。振幅稳定条件为
$$ \left. \frac { \partial T } { \partial U _ { \mathrm { i } } } \right| _ { U _ { \mathrm { i } } = U _ { \mathrm { i A } } } < 0 $$
上式说明,在振幅平衡点上,当 $\dot { U _ { \mathrm { i } } }$ 增大(即振荡振幅增大)时,环路增益 $T$ 应减小,从而迫使 $\dot { U _ { \mathrm { i } } }$ 下降;反之,当 $\dot { U _ { \mathrm { i } } }$ 减小时, $T$ 应该增大,迫使 $\dot { U _ { \mathrm { i } } }$ 增大,便可维持振荡幅度的稳定。显然,在平衡点上环路增益特性负斜率越大,振荡幅度就越稳定。振幅稳定条件一般由放大管的非线性放大特性和自给偏压效应来保证。
相位稳定条件为
$$ \left. \frac { \partial \varphi _ { \mathrm { T } } } { \partial f } \right| _ { f = f _ { 0 \mathrm { A } } } < 0 $$
上式说明,在相位平衡点上,当振荡频率升高时, $\varphi _ { \mathrm { r } }$ 应减小,从而阻止振荡频率的升高;反之亦然,便可维持振荡频率的稳定。在平衡点上环路相位频率特性负斜率越大,则频率稳定度越高。相位稳定条件一般由振荡电路中选频网络的负斜率相频特性予以保证。
3)三点式振荡器组成原则

图 2 三点式振荡器基本结构
三点式振荡器的基本结构如图 2 所示。图中 $X _ { 1 }$ 、 $X _ { 2 }$ 、 $X _ { 3 }$ 三个电抗组成 LC 谐振回路,回路有三个引岀端点分别与晶体管的三个电极相连接,使谐振回路既是晶体管的集电极负载,又是正反馈选频网络。
从相位条件看,要构成振荡器,图 2 所示电路必须满足下列要求:
a)与发射极连接的两电抗 $X _ { 1 }$ 、 $X _ { 2 }$ 性质相同。
b)不与发射极连接的电抗 $X _ { 3 }$ 和 $X _ { 1 }$ 、 $X _ { 2 }$ 性质相反。
三点式振荡器的振荡频率可根据 $X _ { 1 } + X _ { 2 } + X _ { 3 } = 0$ 解得,即振荡频率近似等于回路的谐振频率,即
$$ f _ { \mathrm { 0 } } = { \frac { \mathrm { 1 } } { 2 \pi { \sqrt { L C } } } } $$
式中, $L$ 为回路的总电感, $C$ 为回路的总电容。
振荡电路的反馈系数等于
$$ \dot { F } = \frac { \dot { U } _ { \mathrm { f } } } { \dot { U } _ { \mathrm { o } } } = \frac { j \dot { I } X _ { \mathrm { \scriptsize ~ 2 } } } { - j \dot { I } X _ { \mathrm { \scriptsize ~ 1 } } } = - \frac { X _ { \mathrm { \scriptsize ~ 2 } } } { X _ { \mathrm { \scriptsize ~ 1 } } } $$
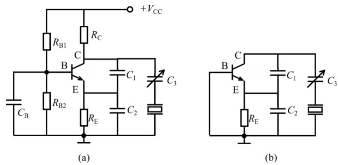
4)电容三点式振荡器(考毕兹电路)
反馈电压取自电容上压降,故输出波形好。最高振荡频率较高。振荡频率调节不方便。适用于短波、超短波范围。

图 3 考毕兹电路
振荡频率为
$$ f _ { 0 } \approx \frac { 1 } { 2 \pi \sqrt { L \frac { C _ { 1 } C _ { 2 } } { C _ { 1 } + C _ { 2 } } } } $$
反馈系数为
$$ \dot { F } \approx - \frac { C _ { 1 } } { C _ { 2 } } $$
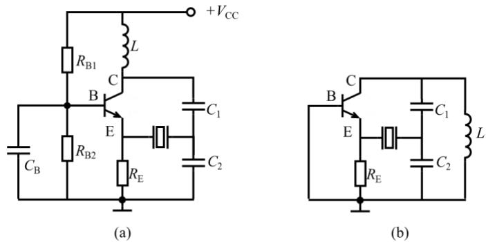
5)改进思路一:克拉泼电路
晶体管与谐振回路的耦合比较弱,晶体管寄生电容影响小,频率稳定度高。频率调节范围窄,调节频率时幅度会发生变化。

图 4 克拉泼电路
6)改进思路二:石英晶体振荡器
采用石英谐振器作为选频元件的振荡器称为石英晶体振荡器,它的最大优点是频率稳定度很高,可达 $1 0 ^ { - 9 }$ 以上量级。
a)石英晶体谐振器

图5 石英晶体谐振器的等效电路及电抗曲线
石英晶体谐振器是利用石英晶片的压电效应制成的一种谐振元件,其等效电路如图 5(a)所示,电抗曲线如图 5(b)所示。其中,等效电感 $L _ { \mathrm { q } }$ 很大,约几十到几百毫亨,等效电容 $C _ { \mathrm { q } }$ 很小,约 $1 0 ^ { - 3 } \mathsf { p F }$ ,等效电阻 $r _ { \mathrm { q } }$ 约几百欧左右,而静态电容 $C _ { 0 }$ 约几皮法至几十皮法。由图 5 可见,石英谐振器有两个谐振频率,一个是 $L _ { \mathrm { q } }$ 、 $C _ { \mathfrak { q } }$ 支路的串联谐振频率 $f _ { \mathrm { s } }$ ,另一个是 $L _ { \mathrm { q } }$ 、 $C _ { \mathrm { q } }$ 、 $C _ { 0 }$ 并联回路的谐振频率 $f _ { \mathfrak { p } }$ ,它们分别等于
$$ f _ { \mathrm { s } } = { \frac { 1 } { 2 \pi { \sqrt { L _ { \mathrm { q } } C _ { \mathrm { q } } } } } } ~ f _ { \mathrm { p } } = { \frac { 1 } { 2 \pi { \sqrt { L _ { \mathrm { q } } { \frac { C _ { \mathrm { 0 } } C _ { \mathrm { q } } } { C _ { \mathrm { 0 } } + C _ { \mathrm { q } } } } } } } } = f _ { s } { \sqrt { 1 + { \frac { C _ { \mathrm { q } } } { C _ { \mathrm { 0 } } } } } } $$
由于 $C _ { 0 } { > } { > } C _ { \mathfrak { q } }$ ,所以 $f _ { \mathrm { s } }$ 与 $f _ { \mathrm { q } }$ 相差很小,由图 5(b)可见,石英晶体谐振器只有在 $f _ { \mathrm { s } } { \sim } f _ { \mathrm { q } }$ 很窄的频率范围内呈现感性,故有非常陡峭的电抗曲线,所以在振荡器中石英谐振器常作为一个电感元件使用。
石英谐振器与一般的谐振回路相比,具有如下优良特性:
$\bullet$ 具有很高的标准性。石英晶体的物理和化学性能都很稳定,它的尺寸受外界条件影响很小,因而其等效电感电容值很稳定。
$\bullet$ 具有很高的品质因数 Q值。 $\mathrm { Q }$ 值一般为 $1 0 ^ { 4 } \sim 1 0 ^ { 6 } ,$ ,可见它比普通LC 谐振回路Q 值大很多,故具有很强的稳频能力。
⚫ 具有很小的接入系数。将 $\frac { C _ { \mathrm { q } } } { C _ { \mathrm { 0 } } + C _ { \mathrm { q } } } { \approx } \frac { C _ { \mathrm { q } } } { C _ { \mathrm { 0 } } }$ 称为接入系数,其值小于 $1 0 ^ { - 3 }$ 这大大减弱了有源器件极间电容及外接电路对振荡器的影响。
b)石英晶体振荡器
石英晶体振荡器可分为两类;并联型晶体振荡器和串联型晶体振荡器。两类电路都可以利用基频晶体和泛音晶体。晶体振荡器的振荡频率大都为石英晶体的标称频率,故有很高的准确度和稳定度。
$\bullet$ 并联型晶体振荡器
图 6 所示为并联型晶体振荡器的原理电路及其交流通路。由图可见,石英晶体与外部电容 $C _ { 1 }$ 、$C _ { 2 }$ 、 $C _ { 3 }$ 构成并联谐振回路,它在回路中起电感作用,该电路称皮尔斯晶体振荡器。 $C _ { 3 }$ 用来微调振荡频率,同时也起到减小三极管与晶体之间的耦合作用, $C _ { 1 } .$ 、 $C _ { 2 } .$ 、 $C _ { 3 }$ 串联组成石英晶体的负载电容 $C _ { \mathrm { { L } } }$ .

图6 并联型晶体振荡器及其交流通路
$\bullet$ 串联型晶体振荡器
图 7 所示为串联型晶体振荡器的原理电路及其交流通路。图中,石英晶体作为高选择性短路元件串联接在正反馈通路内,在振荡频率上(即串联谐振频率),以低阻抗接入电路中,构成电容三点式LC 振荡器。

图7 串联型晶体振荡器及其交流通路
9. 实验报告要求
实验过程中需提交的文档材料有阶段性进度报告以及最终实验报告。阶段性进度报告参考最终实验报告模板要求,根据阶段性工作内容适当裁剪,但要如实详细的记录。
最终实验报告需要包含以下内容:
1) 实验背景及意义查找阅读相关文献,总结阐述振荡电路实验的工程背景和实验的意义。
2) 实验任务规划分析实验任务书中的总要求,并细化分解为子任务。
3) 实验内容与步骤根据前期任务规划,逐步完成实验内容,详细记录实验过程、测试数据,补充必要的仿真原理图、实物电路图、测试结果照片等。
4) 实验结果分析归纳总结实验结果,分析是否达到实验任务要求,对未达到实验要求的部分进行原因剖析。
5) 实验总结和反思总结实践过程中的经验和教训,回答思考题。
6)参考文献
10.考核要求与方法
考核的节点、时间、标准及考核方法如表 2所示。
表 2 考核时间、验收内容及评分标准表
| 验收时间节点 | 验收内容 | 评分标准 | 考核方法 | 分值 |
| 完成预备阶段第7周周日 | 1.“高频小信号放大器”基础仿真实验;2.电子工艺实训。 | 1.性能是否达到优化指标要求?2.练习板焊接质量是否达标? | 1.仿真实验结果,以阶段性进度报告在线提交;2.电子工艺实训练习板提交实物。 | 10 |
| 完成基本任务第8周周日 | 1.三点式 LC 振荡电路仿真;2.三点式LC 振荡电路实物制作。 | 1.仿真电路输出波形、幅度/相位噪声情况如何?2.实物电路输出波形、幅度/相位噪声情况如何? | 1.仿真实验结果、 | 40 |
| 完成提高任务第9周周日 | 1.改进型三点式 LC振荡电路仿真设计与实物制作;2.晶体振荡电路仿真设计与实物制作;3.发报机的设计与制作。 | 1.仿真电路和实物电路输出波形、幅度/相位噪声情况如何?2.发报机能否工作? | 电路板实物照片及测试结果,以阶段性进度报告在线提交。 | 30 |
| 答辩总结第11周 | 1.5分钟 PPT 展示;2.最终实验报告。 | 1.PPT 展示思路是否清晰,表达是否清楚?2.报告是否规范,任务要求是否达到,内容是否详实,分析总结是否到位? | 1.PPT展示由小组间进行互评;2.最终实验报告在线提交。 | 20 |
11.项目特色或创新
1)基于“知行囊”便携式实验平台的理实深度融合教学方法打破理论和实践割裂的课程体系,基于知行囊便携式实验平台,设计理论和实践深度融合的学习过程,以直观和抽象交替出现的方式实现学生理论知识的内化和实践能力的提升。
2)渐进式个性化实验过程设计个性化设计的实验由浅入深,难度依次递增,为学生达成学习目标提供良好支撑。
12. 附件
1)“知行囊”便携式实验平台


2) 学生作品

3) 实验报告
三点式LC振荡器实验报告
一、实验背景及意义
二、实验任务规划
(一)方案分析
(二)总体设计
(三)实验分工
三、实验内容与步骤
(一)电容三点式振荡电路设计
