“虚实结合”电机控制线路设计与验证
实验题目:“虚实结合”电机控制线路设计与验证
1. 课程简要信息
课程名称:电工工艺工程训练
课程学时:16学时
项目学时:课内 4 学时、课外 2 学时
适用专业:电子信息工程
学生年级:本科二年级第一学期
2. 实验内容与任务(限 500 字,可与“实验过程及要求”合并)
项目需要完成的任务(如需要观察的现象,分析某种现象的成因、需要解决的问题等);是否设计有不同层次的任务。
一、虚拟仿真平台的动机控制线路初探
1)利用仿真平台完成电动机点动控制电路的搭建与验证;
2)利用仿真平台完成电动机连动控制电路的搭建与验证。
二、多孔板平台的多模式电动机运行控制线路设计与验证
1)利用虚拟仿真平台完成一种电动机点/连动控制电路设计,在多孔板平台搭建实物电路并验证;
2)利用虚拟仿真平台完成一种电动正/反转控制电路设计,在多孔板平台搭建实物电路并验证。
三、半实物仿真平台(实际应用场景)考核电路实操
1)通电测试操作平台,观察现象,猜测故障原因;
2)利用万用表测量定位故障;
3)排除故障,正常运行设备。
3. 实验过程及要求(限 300 字)
如对学生在实验过程中在需求分析、资料查询、自学预习、思考讨论、方法设计、进程规划、软件仿真、平台构建、器件选择、表格设计、现象观察、数据测试、问题分析、总结报告、验收答辩、演讲交流等各方面的要求。
1)课外、自学预习内容:了解电工基本常识与操作、低压电器原件结构(使用原理);掌握常用电工电子仪表的使用方法,加强学生对电工电子课程工程性和技术性的认识,体会电工电子工程性和技术性的特点,
2)课内学习内容:
$\textcircled{1}$ 选择合理的变压器及熔断器,构建合理的电源电路;
$\textcircled{2}$ 合理组合交流器和按钮开关及行程开关,构建合理的控制电路;
$\textcircled{3}$ 选择合适的熔断器和热继电器构成主电路,完成对三相异步电动机的驱动;
$\textcircled{4}$ 使用万用表电阻档定位故障点。
3)课程总结报告撰写内容:
课程报告包含仿真电路模型及验证结果、实物装置电气原理图、接线图及搭建实拍、半实物仿真排故过程记录;报告中总结分析必须包含探讨构建电动机控制电路实现的不同
解决方案。
4. 相关知识及背景(限 150字)
项目涉及所需的知识方法、实践技能、应用背景、工程案例。
这是一个运用电工学原理及电工电子技术基础解决现实生活和工程实际问题的典型案例。需要运用整流电路、变压器电路、电动机驱动技术等方面的相关知识与技术方法针对电动机控制电路进行设计与验证,并涉及测量仪器仪表的实用方法的认知与实践。为了增加低年级学生的学习热情,大幅提升教学效果,课程设计引入虚拟仿真(课前)、实物操作(课中)及半实物仿真与排故考核(课末)等多种手段。
5. 实验环境条件
项目实施需要实验资源,包括实验装置功能、实验仪器设备、设计软件工具、主要电子元器件等。
1)实训指导教材为教学团队自主编写的教材,如图 $1$ 所示,已在苏州大学出版社出版。详细情况如下:
教材名称:电工电子技能考核指导教程
ISBN:ISBN 978-7-5672-3547-2
2)实训装置为教学团队自主设计,包含常规接线挂板(如图 2 所示)、故障设置面板等,如图3所示。



图1 自主编写的教材
图 2 常规接线挂板
图3 半实物仿真平台(故障考核装置及故障设置面板)
3)虚拟仿真软件包含电工基本常识与操作注意事项、电工仪表使用、照明电路安装训练、电机与变压器分类及原理、低压电器(分类、结构及原理)、电动机控制电路建模与仿真、电工识图等模块组成,主界面如图 4。

图4 虚拟仿真软件主界面
4)主要电子元器件包含断路器、熔断器、交流接触器、继电器、热继电器、按钮开关、变压器及整流器等。
6. 教学目标与目的(限 150 字)
如学习、运用知识、技术、方法等;培养、提升技能、能力、素质等。
电工工艺工程训练是电子信息工程专业学生的重要实践性环节,通过学生亲自动手、独立操作的实训过程,使学生了解电工设备的生产工艺过程和相关知识,并掌握其基本操作技能,树立起安全生产的意识和严谨的工作作风,同时为毕业时获得电工技能证书打好基础。课程内容包括安全用电及相关操作、常用低压电器、常用电工仪表及工具的使用、单股七股导线的连接、三相异步电动机控制线路的安装五部分。在学完本课程后,使学生完善系统的工程实践学习经历,为今后设计及应用电气控制系统奠定基础。
7. 教学设计与实施进程
课堂知识讲解、方法引导、背景解释;实验中的方法指导,问题设置、思路引导等。教学模式、实验渠道、研讨主题、观察节点、验收重点、质询问题等方面设计等。实验实施进程的各个环节(如任务安排、预习自学、现场教学、分组研讨、现场操作、结果验收、总结演讲、报告批改等)中教学设计的思路、目的,教师、学生各自需要完成的工作任务,需要关注的重点与细节。
本实验的过程是一个比较完整的工程实践工程,需要经历学习研究、方案论证、系统设计、实现调试、测试标定、设计总结等过程。在实验教学中,应在以下几个方面加强对学生的引导:
一、教学设计
1)课外自学阶段(2 学时)
本阶段内学生自学电工基本常识与操作注意事项、电工仪表分类及使用方法、电机与变压器(分类、结构及使用原理)、低压电器(分类、结构及使用原理);运用虚拟仿真软件完成电动机点动控制线路、连动控制线路的模型搭建与验证,并做好相应的记录。
2)课内学习实践阶段(3学时)
指导教师授课环节(1学时)
教师讲解基本的电动机点/连动互锁电路、电动机正/转控制电路构成及相关原理;
学生实践操作环节(2学时)
学生根据指导教师给出的特定参数,利用断路器、熔断器、交流接触器、按钮开关、热继电器及三相异步电动机等器件设计并搭建相关电路,并开机运行验证技术指标,教师现场打分。
3)课程验收阶段(3 学时)
指导教师授课环节(1学时)
教师讲解半实物仿真平台的基本架构、使用方法及正常运行现象。
学生实践操作环节(2学时)
指导教师在半实物仿真平台故障设置面板设置随机故障,学时开机运行观察现象,利用万用表测量面板测试点并记录,教师现场打分。
二、实施进程
1)任务安排
(1)课程教学内容
$\textcircled{1}$ 了解并掌握三相电源及保护电路基本组成和变压器原理;
$\textcircled{2}$ 了解并掌握交流接触器的基本应用。
$\textcircled{3}$ 了解并掌握整流桥的使用方法。
$\textcircled{4}$ 了解并掌握三相四线电动机的驱动电路的应用。
$\textcircled{5}$ 初步掌握利用万用排除磨床故障的方法。
(2)课程重点、难点
三相电源电路的变压,行程开关与交流接触器的综合控制电路的搭建。
2)预习自学
$\textcircled{1}$ 预习本节实践原理部分内容,掌握三相电源及保护电路、整流桥、变压器、交流接触器、热继电器等的工作原理,熟悉各种电器元件的实用注意事项。$\textcircled{2}$ 根据实验内容的要求设计搭建电气电路,计算和选取电路参数,并选好电气元件。$\textcircled{3}$ 根据实验内容要求的电气原理图框架下,排出存在的故障。
3)现场教学
$\textcircled{1}$ 指导学生用挂板设备搭建相关功能电路并调试验证。
$\textcircled{2}$ 在故障设置电气设备上正确操作设备。
$\textcircled{3}$ 设置故障后指导学生如何使用万用表定位故障点。
$\textcircled{4}$ 引导学生探讨多种排故方法。
4)结果验收
$\textcircled{1}$ 电气系统通挂板设备建电路功能,满足设计要求,各项元件工作是否正常。
$\textcircled{2}$ 是否熟练操作磨床电气控制设备,并能快速排除故障。
$\textcircled{3}$ 是否能准确快速的描述电气故障原因。

图5 现场教学实践环节部分报告
8. 实验原理及方案
1)系统结构

图6 系统结构图
2)实例方案

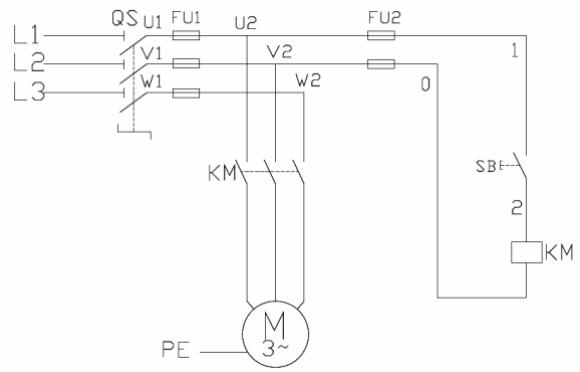
图 7 电动机点动控制电气原理图


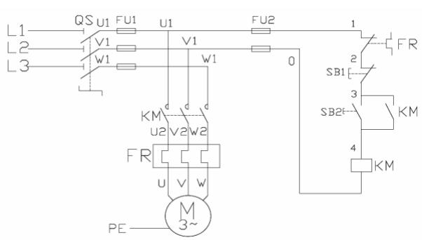
图 8 电动机单向连动控制电气原理图
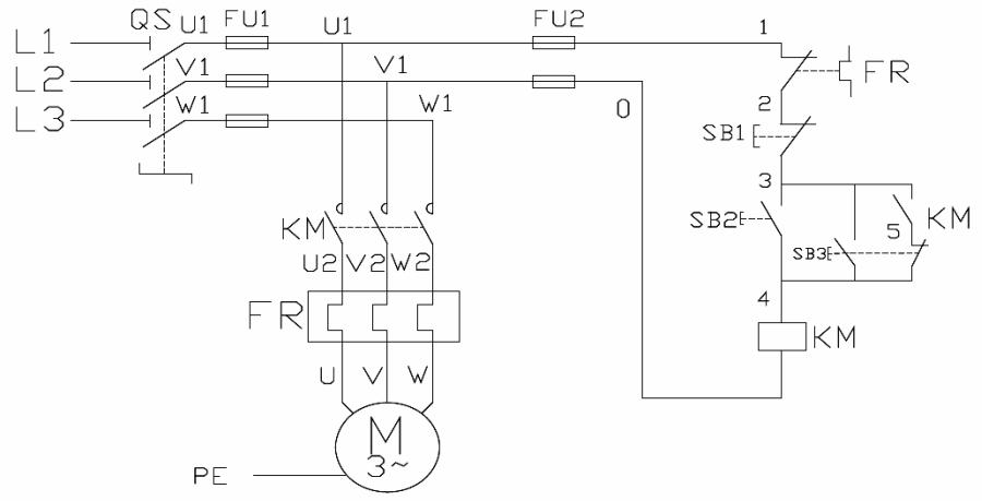
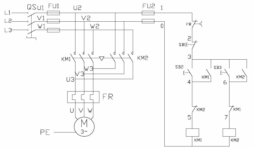
图 9 电动机点/连动互锁控制电气原理图

图 10 电动机点/连动互锁控制电气原理图

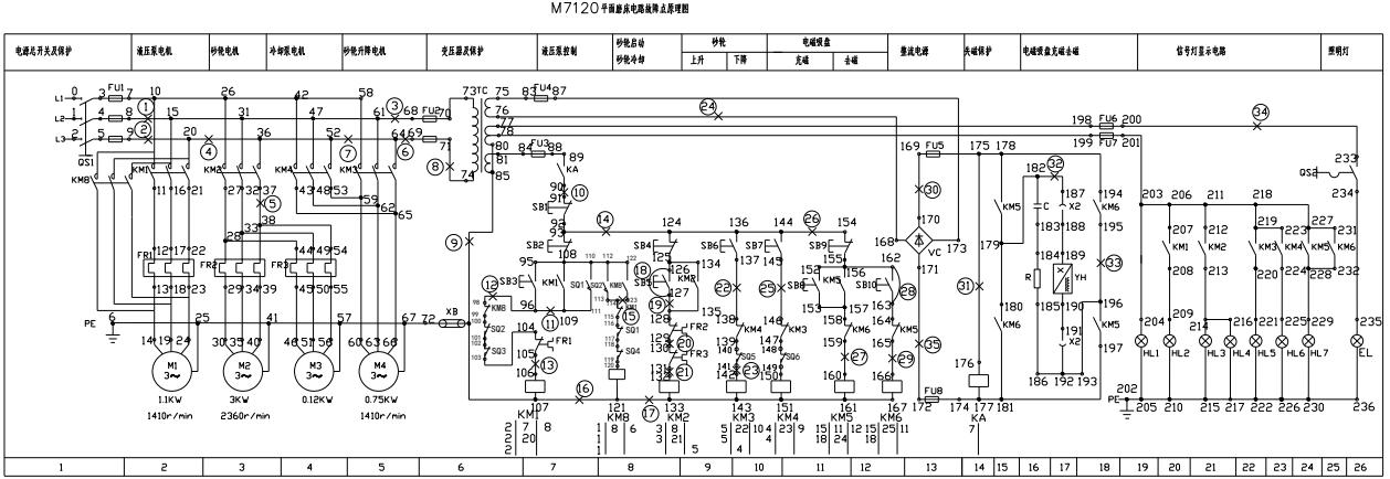
图11 半实物仿真(排故验证设备)电气原理图(无故障点)

图12 半实物仿真(排故验证设备)排故验证设备电气原理图(有故障点)
首先,电源电路组成由变压器~380V降压至多种电压,整流桥输出安全直流电,通过继电器 KA完成对控制电路的第一级通断管理。
其次,三相电源对主电路(电动机)和控制电路(包含交流接触器、行程开关、按钮开关等)及指示灯电路供电。
液压泵控制电路完成对液压泵电机(M1)的连动控制,砂轮上升/下降控制电路对砂轮升降电机(M4)形成正/反转点动控制,砂轮启动/停止控制电路对砂轮电机及冷却泵电机(M2、M3)形成连动控制。
9. 实验报告要求
需要学生在实验报告中反映的工作(如:实验需求分析、实现方案论证、理论推导计算、设计仿真分析、电路参数选择、实验过程设计、数据测量记录、数据处理分析、实验结果总结等等),如:
1)实训项目要求分析(功能分析)。
2)实现方案论证(电工基本理论知识,电源电路、控制电路、指示灯电路基本功能描述)。
3)理论推导计算(预判功能电路系统现象,相关电路工作状态)。
4)项目设计数据记录(电路模块功能判别)。
5)数据处理分析(故障分析)。
6) 实训总结。
10.考核要求与方法(限 300字)
考核的节点、时间、标准及考核方法。
1)实物验收:能够根据实验要求和任务完成面包板电路搭建及调试,需在 80分钟内完成。
2) 实验质量:能精确完成各电气元件的安装,能在规定范围内完成电气元件的搭建。
3)自主创新:引入虚拟仿真软件进行设计模型搭建与验证;引入半实物仿真进行教学效果验证。
4) 实验成本:实验成本较低,多为常规元器件。
5)实验数据:正确使用测量仪器,所测参数准确可靠,能验证理论设计模型。
6)实验报告:实验报告的规范性与完整性。
预习报告:
(1)设计目的、实验原理分析;
(2)运用虚拟仿真软件进行基本模型构建与验证;
(2)实验电气原理图的设计:电气原理图绘制和各元件参数选择;
(3)电气原理图功能预判。
实验小结:
(1)数据分析,说明功能是否达到设计指标要求。
(2)故障排除,说明故障点现象及故障定位。
(3)实验体会:该实验结合工程实践方面的实施体会。
考核办法:理论分析(软件建模) $\ast 2 0 %$ 、挂板连线搭建 $\ast 3 0 %$ 、磨床电气控制设备故障排除 $40 %$ 、总结报告 $\ast 1 0 %$ ,三项满分均为 100分。

图 13 虚拟仿真软件建模

图 14 挂板实践操作
11.项目特色或创新(可空缺,限 150 字)
项目的特色在于:电动机控制在生活应用非常普遍,比如搅拌机、洗衣机等。本项目所做的电动机控制系统主要运用了主电路(电机)、控制电路(交流接触器)及指示灯电路,先期通
过虚拟仿真软件学习激发低年级学生的学习热情,现场实物实践学生可以实际搭建电动机控制电路,夯实了学生在电工电子技术方面的理论知识学习。在常规的实训手段上,本项目又引入了排故环节,可以让学生完整的体验从电气原理图的基本搭建到实际案例的故障排除的全过程。