倒计时计数器的设计
实验题目:倒计时计数器的设计
1. 课程简要信息
课程名称:《电工电子技术基础》
课程学时:非标考核实践项目,课内2学时,课外自主学习(约4学时)
适用专业:飞行与指挥junguan学历教育“合训”专业
学生年级:大二第三学期
2. 实验内容与任务(限500 字,可与“实验过程及要求”合并)
(1)实验内容
设计一个 60 进制以内的计数器显示电路。
(2)基本实验任务
1)基于面包板实验,设计一个 10进制以内的计数显示电路,计数脉冲可以选择用门电路或者 555 定时器构成的多谐振荡器实现,自行选择元件参数设计脉冲的周期为 1S;
2)显示电路可以用 LED 指示灯显示;
3)能用译码显示电路译码并用数码管显示计数结果;
4)两人一组设计 60进制计数器并显示;
5)绘制电路原理图;
6)完成视频录制和心得体会;
(3)拓展实验任务
在原有正计数的基础上实现倒计时计数器,适当增加脉冲信号指示、电路正常运行指示、点动计数、暂停和继续计数等功能,让学生有自由发挥的空间。
3. 实验过程及要求(限300字)
(1)前导任务布置与实现
1)了解数字系统中脉冲信号产生的办法,了解不同计数芯片的功能,尽可能多的提出计数的解决方案;
2)查阅资料,给出计数显示译码电路解决方案;
3)教师根据学生的方案提供元器件;
4)学生可以提前进行方案设计并完成部分电路制作;
(2)课堂任务实施与解决
1)小组讨论交流各自方案可行性,针对预习中遇到的问题讨论交流,课上教师协助学生解决问题;
2)用面包板套件搭建电路,完成基本的脉冲产生、计数、显示功能;电路外形风格可以自由发挥,在完成指定功能的基础上,尽可能布局布线合理美观,运行稳定可靠;
(3)课后任务拓展与提升
1)在课上实验的基础上,考虑实际电路的运行需要,继续完善电路的功能;
2)在正计时的基础上实现倒计时计数显示;
3)有兴趣有余力的学生可以将电路焊接在洞洞板上;
4)给自己的作品设计一个工作情境或故事情境,能够生动展现作品的电路功能,可视频可论文、形式不限,题材不限;
5)请总结在完成制作过程中遇到的问题及解决办法,期间你最大的收获是什么。
4. 相关知识及背景(限150字)
这是一个运用数字电子技术解决现实生活和工程实际问题的典型案例,适用于学生平时训练旋梯、仰卧起坐等项目时需要人工计数等场合。它能够将数字电路中的典型知识点融会贯通,需要用到组合逻辑电路模块的译码显示电路、时序逻辑电路模块中的计数器电路、脉冲信号产生与整形模块中的脉冲产生电路,还要综合考虑项目设计流程、实验原理验证、可行性分析、实际应用、实践实施过程中问题的解决等,培养学生的实践能力和创新能力。
5. 教学目标与目的(限100字)
1)知识目标:熟悉计数芯片(74XX161)芯片的管脚功能,会用门电路或 555 定时器或用门电路设计脉冲产生电路,会用七段 LED 数码显示管,会用译码器;
2)能力目标:通过这个项目的设计和制作,将数字电路的相关知识点融会贯通;
3)素质目标:通过数字电路模块综合小项目的设计和制作,实现计数器完整功能设计和实现,引导学生对项目设计流程和实现方法进行体验,从实施过程中提升学生的创新实践能力。
6. 教学设计与引导
(1)课前预习环节设计
1)了解数字系统中脉冲信号产生的办法,查阅非门和与非门芯片的引脚图,了解不同计数芯片(例如 74XX161、74XX90 等)的功能,尽可能多的提出计数的解决方案;
2)查阅资料,给出计数显示译码电路(例如 CD4511、CD4026)解决方案;
3)建议提前完成脉冲产生电路、译码显示电路的制作;
(2)课堂教学环节设计
1)小组讨论交流各自方案可行性,针对预习中遇到的问题讨论交流(例如开关抖动问题、计数结果跳变问题,用 LED灯指示正常改用数码管显示则不正常问题等),课上教师协助学生解决问题;
2)用面包板套件搭建电路,完成基本的脉冲产生、计数、显示功能;尽可能布局布线合理美观,运行稳定可靠;
(3)布置课后任务
1)在课上实验的基础上,考虑实际电路的运行需要,继续完善电路的功能(例如电路运行指示、暂停计数、继续计数、脉冲信号频率可调等);
2)有兴趣有余力的学生可以将电路焊接在洞洞板上;
3)给自己的作品设计一个工作情境或故事情境,能够生动展现作品的电路功能,可视频可论文、形式不限,题材不限;
4)请总结在完成制作过程中遇到的问题及解决办法,期间你最大的收获是什么。
7. 实验原理及方案
(1)实验原理

图 1 实验原理框图
1)脉冲信号产生电路
多谐振荡器电路是一种矩形波产生电路。这种电路不需要外加触发信号,便能连续地、周期性地自行产生矩形脉冲。脉冲信号产生电路如图 2 所示,采用 555定时器构成多谐振荡器实现脉冲信号的产生,通过设定 $\mathrm { R _ { 1 } }$ 、 $\mathrm { R _ { 2 } }$ 、C 的参数可以改变脉冲信号的频率。(也可用门电路多谐振荡器)

图 2 脉冲信号产生电路
- 计数芯片 74XX161
74XX161 是常用的四位二进制可预置的同步加法计数器,他可以灵活的运用在各种数字电路以及单片机系统中实现分频器等很多重要功能。

表 1 74XX161 引脚功能表
| 清零 | 预置 | 使能 | 时钟 | 预置数据输入 | 输出 | 工作模式 | |||
| R | LD | EP ET | CP | D | D DD | Q3 | Q2 | Q Q0 | |
| 0 | × | × | × | × | × × | × × | 0 0 | 0 0 | 异步清零 |
| 1 | 0 | × | × CP | d3 d | d1 do | d3 d | d1 do | 同步置数 | |
| 1 | 1 | 0 × | CP | × | × × | × | 保 持 | 数据保持 | |
| 0 × | CP | × | × × | × | 保 | 持 | 数据保持 | ||
| 1 1 | CP | × | × × | × | 计 | 数 | 加法计数 |
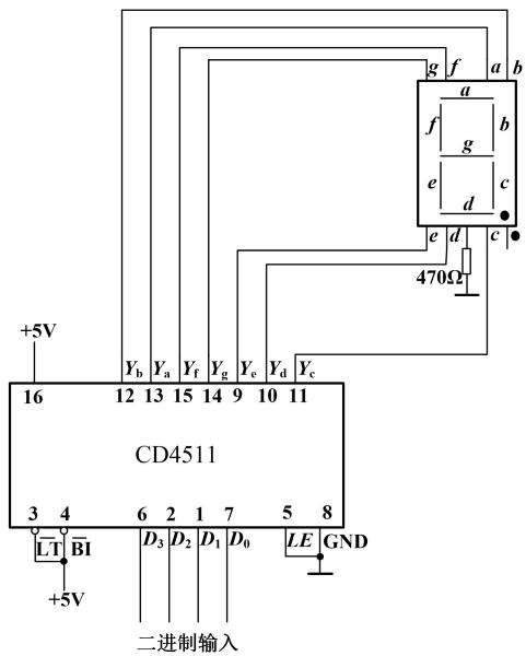
3)CD4511 是一个用于驱动共阴极 LED(数码管)显示器的 BCD 码——七段译码器,特点如下:具有BCD 转换、消隐和锁存控制、七段译码及驱动功能的 CMOS 电路能提供较大的拉电流。可直接驱动 LED显示器。芯片引脚图如图 3 所示。

图 3 CD4511 引脚图
CD4511芯片引脚功能如表 2所示。
表 2 CD4511 引脚功能表
| 引脚 | 功能 |
| BI:4脚是消隐输入控制端 | 当 BI=0 时,不管其它输入端状态如何,七段数码管均处于熄灭(消隐)状态,不显示数字。 |
| LT:3脚是测试输入端 | 当 BI=1,LT=O 时,译码输出全为1,不管输入 DCBA 状态如何,七段均发亮,显示“8”。它主要用来检测数码管是否损坏。 |
| LE:锁定控制端 | 当 LE=0 时,允许译码输出。LE=1时译码器是锁定保持状态,译码器输出被保持在LE=0 时的数值。 |
| D0、D1、D2、D3 | 8421BCD 码输入端。 |
| a、b、c、d、e、f、g | 译码输出端,输出为高电平1有效。 |
4)七段数码管引脚图如图 4 所示,七段数码管拥有七个发光二极管(三横四纵)用以显示十进制 0-9 的数字外加小数点,也可以显示英文字母,包括十六进制中的英文 A 至 F(b、d 为小写,其它为大写)。本实验采用共阴极数码管,abcdefg接高电平数码管点亮。

图 4 七段数码管引脚图
(2)实施方案
1)脉冲信号产生电路仿真图

2)60进制计数仿真图

3)显示译码电路原理图

8. 教学实施进程
1)下达任务
根据非标考核计划,下达任务书,布置任务、提出要求。

师生研讨交流课前查阅的关于脉冲产生电路、计数电路、译码显示电路的方案,设计电路原理图、仿真实验验证,提出元器件需求。
3)计数器实验环节。
学生按照讨论和仿真验证的设计方案搭建电路,个人成功后小组合作解决级联问题,学生之间和师生之间讨论如何解决实验过程中的问题,比如计数跳跃、脉冲输出不稳定、计数芯片级联时进位状态提前、数码管显示状态不稳定等等一些列实践过程中遇到的实际问题,和学生共同分析产生问题的原因并提出解决方案,培养学员实践能力、创新能力,以及分析问题,解决问题的能力。
4)布置课后拓展任务环节。
课后将电路的进一步优化,增加额外的功能,优化布局和布线,使系统运行稳定可靠。有意愿的学生可以到实验室把自己设计的电路焊接在洞洞板上。
5)最终结果验收及答辩环节。
提前准备好电路的原理图、电路板、视频、论文,进行项目的最终答辩,从中选出优秀作品参加校级非标考核优秀作品展示答辩,进行申优。
9. 实验报告要求
实验报告需要反映以下工作:
1)实验需求分析
2)实现方案论证
3)实验电路的原理图,图中详细标注出各个元器件的参数
4)仿真实验图
5)实验收获体会
6)项目应用背景
10.考核要求与方法(限300字)
1)实物验收:功能与性能指标的完成程度,完成时间。
2)实验质量:电路方案的合理性,布局布线合理、运行稳定可靠。
3)自主创新:电路设计的创新性,自主思考与独立实践能力。
4)实验报告:上交电路原理图、实物电路、心得体会、视频文件。
5)详细评分细则:见上述任务书。
11. 项目特色或创新(可空缺,限 150字)
项目的特色在于:项目是数字电路模块综合知识的应用,设计方案呈现多样化,学生设计背景不同,解决不同的实际问题,具有一定的应用价值。在制作项目过程中,提升学生自主学习能力(有的学生会利用自己的课余时间主动完成布线,反复尝试自己的设计方案可行性,甚至连续几天熬夜完成电路的制作),提高学生的分析问题和解决问题的能力,项目设计实现过程中,培养学生的实践能力和创新能力。
附件 1:非标考核方案
2019 年秋季学期《电工电子技术基础》课程过程性考核方案
王兆欣 基础 60071(2 班)
一、考核方式:
本课程为必修考试课程。考核评价采用过程性考核与终结性考核相结合、理论考核与实践考核相结合的方式进行。考核成绩包括平时成绩( $( 3 0 % )$ )、实验成绩( $10 %$ )、期中考试成绩( $( 2 0 % )$ )和期末考试成绩( $( 4 0 %$ )四个部分。
其中平时成绩包含章测验( $1 5 %$ )、项目制作( $1 5 %$ ),具体实施细则如表1 所示,其中:
1.“章测验”占 $1 5 %$ ,针对每一章的学习目标进行有针对性的测试,目的是让教员和学员及时了解学习目标达成情况。组织形式分为主观题和客观题,分别采用打印试卷和信息化学习平台来实现,范围是学员指导手册中重要知识点。
2.“项目制作”占 $1 5 %$ ,借助信息化平台和手段,将课程中适合做项目的内容模块化,利用学习通的信息资源,给学员制定学习范围计划,课下学员自学,布置相关的项目制作任务,学员自行查找方案、设计电路、仿真、面包板实物制作,课上主要讨论和解决问题及作品展示,提高学员的实践能力和创新思维,形成课程的创新性和挑战性。
二、实施细则:
表 1 平时成绩实施细则
| 平时成绩 | 组织形式 | 评分标准 | 备注 | |
| 考 | 章测验(15%) | 每一章组织一次随堂 | 共19 章14次测验(1、2、 | 因主观原因不参 |
表二:项目一评分细则方案
| 商农 | 10-20分钟测验。客观题采用学习通进行,主观题由教员进行评定。 | 3、4、5+6、7+8、9、10、11、12+13、14+15、16、17、18各组织一次),将14次测验成绩平均为10分。 | 加,一次扣1分。 | ||
| 北 | 项目制作(15%) | 项目一:基础项目(5分)继电器控制飞机起落架收放电路;项目二:模拟电子技术综合项目(5分)一一温控电路项目三:综合项目(5分)自动计数显示电路。将评分细则中的10分折合成5分。 | 按照表二和表三评分细则执行。 | 按时间节点,逾期一天,扣1分。 | |
表三:项目三评分细则方案
| 项目:用继电器和适当的元件设计一个飞机起落架收起和放下的电路,要求起落架放下用红灯显示,起落架收起用绿灯显示。 | |
| 完成基本功能的电路设计1分 | 能用继电器设计相应功能的电路,方案可实施,画出相应电路原理图并能自行选择元件参数,如果只能完成部分功能,酌情减分。 |
| 用面包板实现功能2分 | 用面包板制作完成相应功能电路不且能展示电路效果,如果演示过程中不能完成一个功能,减0.5分,以此类推。 |
| 展示和介绍作品1分 | 能用最简单的语言介绍清楚自己的作品功能。 |
| 发挥和创新1分 | 在原有功能上能够创新性的设计新功能。 |
| 项目: | 设计制作一个任意进制的计数器 |
| 方案: 实践模 | 1.设计一个脉冲产生电路,输出脉冲的周期为1秒,要求自行查找方案; |
| 块 | (提示:可以用非门电路或555定时器实现)(+1分) 2.设计一个大于16进制的任意进制计数器,可以是24进制、60进制、100 进制 等等;并能用LED 指示灯显示出来(+2分) 3.能用译码显示电路译码并显示相应的10进制数,(+1分) 4.能实现倒计时计数(+1分) 5.画出电路设计方案(手绘或仿真图均可);(+1分) 6.用面包板搭建完成;(+1分)电路外形风格可自由发挥,在完成指定功能的 基础上,尽可能使作品完美、精致、炫酷灵动; 7.电路布局合理、美观,布线运行稳定;(+1分) 8.请在电路的基础上继续扩展其功能,并拟设一个故事情境,能够生动展现作品 的电路功能,可视频,可论文,可军事、可生活,形式不限,题材不限;(+1分) 9.请说明团队在完成电路制作过程中遇到的问题及解决办法,期间你们最大的收 |
| 作业呈 现形式 | 获是什么?(+1分) “电路作品”+“视频”+“论文”。 “作品”形式不限,但要实现基本功能,体现“电做”; “视频”长短不限,但要有电路功能呈现,体现“电说”; |
| 要求 | “论文”题材不限,但要按照正规发表论文格式书写,体现“电写”。 严格按照时间节点完成任务,晚交一天扣1分。 |

附件 2:部分作品



附件3:部分洞洞板作品



附件4:部分实验原理图及心得体会


实验总佳
本次实验赶在了一个不太好的时间上,无里假期施后,而因前期准各不允分。无器件准各不足烧坏了好多。但是历经了千牵万若
无里假期前后本笔人心浮躁,而且是果后的期书末复日阶段了火家都想着复日,很少有久愿着来爸心费力的做次么一个电路,而且刚接融是一个头雨个大,转又助长了灰学接绪,我在元旦晚舍上有节因,在无旦前主要是改到本,彩排,当时靴整这个也是整的我头昏临涨常常改到本改到一两点,再演再改。提事就没有精力整这汁时畏电路突验,直到元晚会结率,我才抬起也个东西。
而是我们的无鉴件准各的不的充分,最开给是没有出11,后来陆续
做一个计数器,我做的是16的,一开始啊,都晗都不会,问垂同学间看课本,这次我只是有二极管灯里示的,并设有用数码管,主要是因为太烧脏,本于是前做了一个简单点的。这个电路喔需要一个电路但并没有发现啥不对的,但就是不行,很一下换了个方式,终不是秀了,做个间题接雖而至,后面161的输出有间题不闪,反复检查线璐
在教员布累下任务的第三天,我听怡着手制作电路扳这宁任各对我来说十分重奥,我已经挂两科,稍不注意就可能面恼跟学,接下来的五科考代我都必霉做到报致。尽可能全过,很遗怜的是一期二程”和二期二程”都头敢了.衣找到确切原因弄改善甚至重做之前,我不得不停二了。从下是全过程
宿先需要了解整于电路的功能及原理,通过浏贪课本我有了一个是本的恩路,并确定了我要做的是六十进制计数器。在役计电路与布局时离要细心僅愧,并结舍面包抗的突阶,面包扳的面积有限我尽可能设计为了最合理的走线布局。动手对我而责养无太大挑战我有参加in比害的经验,浅也是熟能生巧的二作。在完成555定时器时,我遇到了一个大麻烦一浅路并未达成二作月的但我却我不出问题所在。我只施从输入电源一点点捡查,最后发现是一个申阻被短路,我更加小心避更把时间浪费在检查电路上,接下来,我决定将数码管引入电路所以我有接将五快芯片直接连入申路中并开检连接电路,在穿成了一半后,我发现并未给数码管留足空间,由行改功较难,我只能将电路全拆重拼,这是我的第一次
头败后,我仔细反省,衣真三确认役什无误后我重新开始序线。401芯片和45志片以及数码管管引脚分

| 基础60091-三班过程性考核成绩 | ||||||||||||
| 学号 | 姓名 | 队别 | 测验(15分) | 践项目(15分 | 程考核(30 | 备注 | ||||||
| 130220136937 | 陈 | 09 | 13.5 | 10 | 23.5 | |||||||
| 15092013692 | 段 | 09 | 11.3 | 11 | 22.3 | |||||||
| 郭 | 09 | 13.9 | 11 | 24.9 | ||||||||
| 朝 | 09 | 14.3 | 13 | 27.3 | ||||||||
| 0220186 | 贺 | 09 | 15.0 | 10 | 25.0 | |||||||
| 惠 | 09 | 15.0 | 12 | 27.0 | ||||||||
| 焦 | 09 | 14.6 | 13 | 27.6 | ||||||||
| 福 | 国 | 09 | 15.0 | 14 | 29.0 | |||||||
| 09 | 10.5 | 10 | 20.5 | |||||||||
| 李 | 09 | 14.3 | 13 | 27.3 | ||||||||
| 李 | 09 | 12.0 | 14 | 26.0 | ||||||||
| 刘 | 09 | 14.3 | 13 | 27.3 | ||||||||
| 刘 | 09 | 13.1 | 12 | 25.1 | ||||||||
| e3022018 | 陆 | 09 | 15.0 | 13 | 28.0 | |||||||
| 罗 | 09 | 15.0 | 14 | 29.0 | ||||||||
| 马 | 09 | 15.0 | 11 | 26.0 | ||||||||
| L | 米 | 电话 | 09 | 14.3 | 10 | 24.3 | ||||||
| L | 潘 | 面 | 09 | 9.0 | 11 | 20.0 | ||||||
| L | 秦 | 发 | 09 | 10.1 | 12 | 22.1 | ||||||
| 030226 | 隋 | 09 | 15.0 | 14 | 29.0 | |||||||
| L | 子 | 09 | 12.4 | 11 | 23.4 | |||||||
| 孙 | 09 | 10.9 | 11 | 21.9 | ||||||||
| L | 谭 | 09 | 12.4 | 10 | 22.4 | |||||||
| L | 谭 | 09 | 12.0 | 9 | 21.0 | |||||||
| 田 | 09 | 13.9 | 12 | 25.9 | ||||||||
| 田 | 09 | 10.9 | 14 | 24.9 | ||||||||
| 汪 | 09 | 12.4 | 7 | 19.4 | ||||||||
| 王 | 09 | 14.3 | 12 | 26.3 | ||||||||
| 夏 | 09 | 12.4 | 12 | 24.4 | ||||||||
| 02201 | 许 | 09 | 15.0 | 13 | 28.0 | |||||||
| 严 | 09 | 13.9 | 11 | 24.9 | ||||||||
| 杨 | 09 | 15.0 | 15 | 30.0 | 申优 | |||||||
| 09 | 15.0 | 12 | 27.0 | |||||||||
| 杨 | 09 | 13.1 | 11 | 24.1 | ||||||||
| 易 | 09 | 13.1 | 11 | 24.1 | ||||||||
| 张 | 09 | 15.0 | 13 | 28.0 | ||||||||
| 张 | 09 | 10.5 | 12 | 22.5 | ||||||||
| 张 | 09 | 13.9 | 12 | 25.9 | ||||||||
| 张 | 09 | 13.9 | 13 | 26.9 | ||||||||
| 张 | 09 | 13.1 | 10 | 23.1 | ||||||||
| 赵 | 09 | 15.0 | 15 | 30.0 | 申优 | |||||||
| 赵 | 09 | 12.0 | 4 | 16.0 | ||||||||
| 赵 | 09 | 13.1 | 12 | 25.1 | ||||||||
| 郑 | 09 | 11.3 | 8 | 19.3 | ||||||||
| 郑 | 09 | 13.5 | 12 | 25.5 | ||||||||
| 钟 | 09 | 13.1 | 13 | 26.1 | ||||||||
| 周 | 09 | 15.0 | 12 | 27.0 | ||||||||
| 周 | 09 | 15.0 | 10 | 25.0 | ||||||||
| 邹 | 09 | 11.6 | 12 | 23.6 | ||||||||
| 基础60071-二班过程性考核成绩 | |||||||||
| 学号 | 姓名 | 队别 | 测验15分 | 实践项目15分 | 过程考核30分 | 备注 | |||
| 0302201388 | 包 | 07 | 12.7 | 13 | 25.7 | ||||
| 毕 | 07 | 12.7 | 13 | 25.9 | |||||
| 4E | 阳 | 07 | 8.1 | 13 | 21.3 | ||||
| 丁 | 二 | 07 | 15.0 | 13 | 28.2 | ||||
| C5 | 杜 | 07 | 15.0 | 15 | 30.0 | 申优 | |||
| 高 | 07 | 11.7 | 13 | 24.9 | |||||
| 高 | 07 | 13.7 | 14 | 28.1 | |||||
| 贺 | 国 | 07 | 9.2 | 12 | 21.2 | ||||
| 侯 | 07 | 15.0 | 15 | 30.0 | 申优 | ||||
| 黄 | 华 | 07 | 15.0 | 15 | 30.0 | 申优 | |||
| 黄 | 子龙 | 07 | 10.4 | 13 | 23.6 | ||||
| 宇 | 07 | 10.4 | 13 | 23.6 | |||||
| 子 | 国 | 07 | 11.1 | 11 | 21.9 | ||||
| 李 | 07 | 15.0 | 15 | 30.0 | 申优 | ||||
| 李 | 07 | 11.4 | 14 | 25.8 | |||||
| 李 | 07 | 6.2 | 12 | 18.2 | |||||
| 林 | 成龙 | 07 | 11.1 | 12 | 23.1 | ||||
| 刘 | 其林 | 07 | 14.0 | 13 | 27.2 | ||||
| 刘 | 07 | 14.0 | 13 | 27.2 | |||||
| L | 国 | 07 | 11.7 | 13 | 24.9 | ||||
| L | 刘 | 加元 | 07 | 11.4 | 14 | 25.8 | |||
| 鲁 | 心 | 07 | 12.0 | 13 | 25.2 | ||||
| 澳 | 07 | 11.7 | 13 | 24.9 | |||||
| 07 | 6.8 | 13 | 20.0 | ||||||
| 王 | 07 | 11.7 | 13 | 24.9 | |||||
| 店 | 07 | 10.7 | 13 | 23.9 | |||||
| 巫 | 南 | 07 | 10.4 | 13 | 23.6 | ||||
| 07 | 12.4 | 13 | 25.6 | ||||||
| [ | 吴 | 方 | 07 | 12.4 | 13 | 25.6 | |||
| 分 | 07 | 8.1 | 13 | 21.3 | |||||
| 吴 | 07 | 12.4 | 13 | 25.6 | |||||
| 行 | 轩 | 07 | 15.0 | 13 | 28.2 | ||||
| 07 | 10.7 | 13 | 23.9 | ||||||
| 薛 | 无 | 07 | 11.1 | 12 | 23.1 | ||||
| 07 | 15.0 | 14 | 29.4 | ||||||
| 尹 | 店 | 07 | 11.1 | 13 | 24.3 | ||||
| 1 | 07 | 9.4 | 13 | 22.6 | |||||
| 张 | 07 | 11.7 | 13 | 24.9 | |||||
| 张 | 培 | 07 | 11.1 | 14 | 25.5 | ||||
| 长 | 07 | 15.0 | 15 | 30.0 | 申优 | ||||
| 2088 | 赵 | 07 | 8.5 | ||||||
| 13 | 21.7 | ||||||||
| 220 | 郑 | ( | 07 | 15.0 | 13 | 28.2 | |||
| C3201F558 | 钟 | 二 | 07 | 13.7 | |||||
| 13 | 26.9 | ||||||||
| 周 | 07 | 11.1 | 13 | 24.3 | |||||
| 周 | 07 | 10.7 | 13 | 23.9 | |||||
| 朱 | 07 | 9.8 | 13 | 23.0 | |||||
| 朱 | 07 | 11.7 | 13 | 24.9 | |||||
| 07 | 8.8 | 14 | |||||||
| 23.2 | |||||||||
参赛信息表
| 案例提供单位 | 空军航空大学 | 相关专业 | 电工电子 | |||
| 设计者姓名 | 王兆欣 | 电子邮箱 | 42045777@qq.com | |||
| 移动电话 | 17704316616 | 通讯地址(含邮编) | 吉林省长春市人民大街7855号基础部 | |||
| 设计者姓名 | 宋暖 | 电子邮箱 | 42045777@qq.com | |||
| 移动电话 | 15904433066 | 通讯地址(含邮编) | 吉林省长春市人民大街7855号基础部 | |||
| 设计者姓名 | 陈大川 | 电子邮箱 | 42045777@qq.com | |||
| 移动电话 | 17643041831 | 通讯地址(含邮编) | 吉林省长春市人民大街7855号基础部 | |||
| 相关课程名称 | 电工电子技术基础 | 学生年级 | 大二 | 学时(课内+课外) | 2+4 | |
| 支撑条件 | 仪器设备 | 示波器、万用表 | ||||
| 软件工具 | Multisim电路仿真软件 | |||||
| 主要器件 | 面包板、洞洞板等实验元器件 | |||||