具备密码保护功能的洗衣机演示系统设计
实验题目:具备密码保护功能的洗衣机演示系统设计
1. 课程简要信息
课程名称:具备密码保护功能的洗衣机演示系统设计
课程学时:课内24学时
适用专业:电子、机电类专业
学生年级:二年级
2. 实验内容与任务(限 500 字)
本实践项目从实际应用出发,要求学生设计一个具备密码验证功能的洗衣机演示系统,以51单片机为控制核心,实现下列要求:
基础要求
1)实现对洗衣机使用的密码保护控制功能,要求使用数字密码,正确输入密码后,才能正常使用洗衣机,否则,洗衣机处于锁定状态,密码尝试次数不超过 5次;
2)实现洗衣机 启动—进水—浸泡—洗涤—漂洗—排水等一系列工作状态的模拟,要求模拟功能状态显示,可以使用数码管进行简单显示或使用液晶屏进行详细显示;
3)要求实现单片机对电机的控制,模拟洗衣机滚筒的转动,电机可以进行正转和反转两个方向运行。
拓展要求
4)数字键盘设置去抖功能,密码验证出错超过5次时,进行报警提醒,报警方式可自行设计;
5)设置暂停功能,洗衣机洗涤动作过程中可任意设置暂停功能,暂停功能取消后,继续从当前状态开始运行;
6)实现对洗涤温度的实时测量和控制,温度测量范围在 15 摄氏度到 45 摄氏度之间,同时能够实时显示温度。
3. 实验过程及要求(限 300 字)
- 鼓励学生去企业进行技术调研和学习,同时实地走访调研用户的新需求,锻炼学生的协调、沟通和团队协作能力;
- 通过查阅资料,学习和了解采用不同软硬件方法,如何实现系统所要求的基本功能,并熟悉主要器件特性;
- 掌握单片机开发流程,单片机在板调试方法、数字矩阵键盘的扫描控制方法、电机的转速、方向控制技术等;
- 熟悉硬件设计环境,熟悉硬件办卡显示器件特性和控制方法;
- 掌握温度传感器输入输出特性,数据采集过程及单片机数据处理过程;
- 设计真个演示系统的系统框图和流程框图,理顺设计思路,确定实现功能,对关键器件参数配置进行小组讨论决定;
- 利用 Keil 软件开发环境进行模块功能开发,分工完成不同模块,并对各个模块进行仿真验证和在板调试,学会基本的排查问题方法;
- 完成实验报告,详细描述设计思路,原理框图,记录测试数据,分析测试问题及误差等;
- 实物系统演示,并通过答辩形式进行展示,让学生能够互相学习,同时锻炼其语言表达能力。
4. 相关知识及背景(限 150 字)
该项目是将基础的数电模电知识进行综合设计的一个典型应用,需要运用传感器及检测技术、单片机开发、信号处理、数据显示、参数设定、电机控制参数设定等相关知识与技术方法。并涉及基础测量方法、软硬件调试方法,中断概念,误差分析等工程概念与方法。
5. 教学目标与目的(限 100 字)
以具有密码保护功能的洗衣机演示系统作为完整的工程训练项目,在此过程中引导学生了解、学习基本的控制方法,掌握单片机开发流程,掌握基本的传感器技术,学习系统搭建及调试技术,同时培养学生的基本工程素养,引导其养成“职业”、“专业”、和“敬业”的工程态度。
6. 教学设计与引导
本实验的过程是一个比较完整的工程实践工程,需要经历学习研究、方案论证、系统设计、实现调试、测试标定、设计总结等过程。在实验教学中,应在以下几个方面加强对学生的引导:
实验前
1)引导学生建立工程实践的概念,强调与理论课程的差异,强调实验中需要注意的安全事项等;
2) 对工程上常见的控制芯片,包括数字处理芯片 DSP、逻辑控制芯片 FPGA,嵌入式控制芯片ARM,单片机等常用芯片进行介绍,使学生了解常用控制芯片的特点特性,着重对本次实验用到的51单片机进行详细讲解;
3)对常用的传感器进行讲解介绍,对传感器的动态特性、静态特性进行讲授,对实验中用到的温度传感器进行详细介绍;
4) 讲解矩阵键盘的扫描方法,讲解密码保护功能的要求等;
5) 讲解数码管显示技术、液晶显示技术等,利用单片机控制数码管显示和液晶显示时的主意事项对学生讲清楚;
6) 对实验中可能用到的基本仪器,包括示波器,信号发生器、直流电源等基本仪器进行讲解,使学生学会安全正确的适用基本仪器;
7) 对本次实验的最终要求进行布置,包括实物演示系统的具体功能,文档要求,答辩要求,验收标准等。
实验中
1)提示学生设计的规范性,单片机程序编程模块化要求、各模块之间借口的设定等要求;
2) 在板调试时,提示学生常用的调试技巧,常用的调试快捷方式等,如下图所示;

图1 调试常用快捷键
3)调试过程记录表,要求学生按照下表要求进行实验过程数据记录,在实验报告中最终体现出来。
表 1 调试记录表
| 序号 | 项目内容 | 调试数据记录 | 记录人际及时间 |
| 0 | 直流电源设置输出电压,电流情况 | ||
| 1 | 单片机与传感器连接跳线关系 | ||
| 2 | 单片机与电机连接跳线关系 | ||
| 3 | 单片机与液晶显示其连接接线状态 (可拍摄图像记录) | ||
| 4 | 密码试错次数功能验证记录 | ||
| 5 | 温度测试数据记录 | ||
| 6 | 其他 |
实验后
1)每次实验后对实验操作台进行整理,保持实验台面的整洁、整齐,安全,关闭各种调试设备电源;
2)对每次过程中遇到的问题提醒学生进行详细整理和记录,对问题解决的过程也进行记录和总结;
3)在实验最终完成后,组织学生以项目演讲、答辩、评讲的形式进行交流,了解不同解决方案及其特点,拓宽其知识面。
7. 实验原理及方案
1)系统结构
本实验要求学生以团队方式完成一个具备密码保护功能的洗衣机演示系统,该系统集合了光电报警、数码显示、液晶显示控制、直流电机驱动、矩阵键盘扫描和水温测量处理等外部器件,以单片机为控制核心,实现密码检测、验证,水温实时测量显示,直流电机
模拟滚筒旋转等功能的一个洗衣机演示系统,综合了各种基础控制技术、测量技术和显示方法等常用的技术方法,系统实现总框图如下图所示。

图2 系统总框图
2)实现方案
本节对该实验系统的各个外设组成部分分别进行介绍及原理解释。
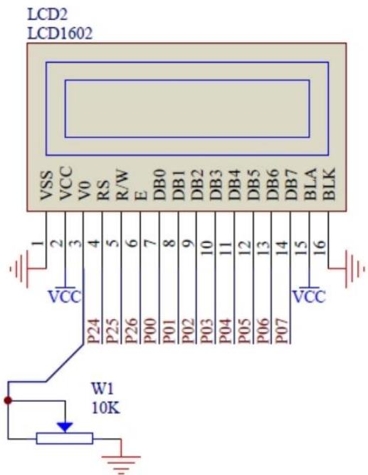
i)本实验液晶显示部分使用 LCD1602 器件,该器件与单片机之间进行数据通信和控制输出,电路连接图如下所示,其主要管脚定义见表1。

图 3 液晶显示电路连接
表 2 主要管脚说明
| 引脚 | 名称 | 功能 |
| 1 | VSS | 接地 |
| 2 | VCC | 电源管脚 |
| 3 | V0 | 对比度调整端 |
| 4 | RS | 寄存器选择,高电平选择数据寄存器,低电平选择指令寄存器 |
| 5 | R/W | 读写控制信号,高电平为读,低电平为写 |
| 6 | DB0-DB7 | 数据端口,DBO为低字节 |
| 7 | E | 使能端,高有效 |
1602 液晶模块内部的字符发生存储器(CGROM)已经存储了 160 个不同的点阵字符图形,这些字符有:阿拉伯数字、英文字母的大小写、常用的符号、和日文假名等,每一个字符都有一个固定的代码,比如大写的英文字母“A”的代码是 01000001B(41H),显示时模块把地址 41H中的点阵字符图形显示出来,我们就能看到字母“A”,因为 1602 识别的是ASCII 码, 实验中可以用 ASCII 码直接赋值。
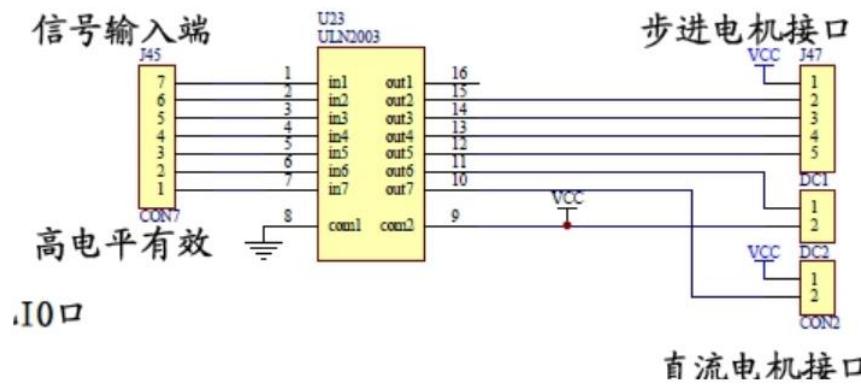
ii)直流电机与单片机之间的连接电路如下图所示,J45 端与单片机 IO 口相连接,信号经过 ULN2003 芯片后,驱动电机进行动作,ULN2003 芯片具备适用电压范围宽、驱动电流大的特点。实验中在单片机内进行直流电机的转动方向,转动速度的控制。
电机 PWM 调速原理:利用单片机 I/O 口产生 PWM 波信号加以实现。PWM 信号只在周期内的一部分时间导通为高电平。信号占空比为α,电源电压为 Vcc 时,电机两端的平均电压为αVcc。电机的转速与电机两端的电压成比例,而电机两端的电压与控制波形的占空比成正比,因此电机的转速与占空比成比例,占空比越大,电机转得越快。

图4 电机与单片机接口电路
iii)矩阵键盘电路如下图所示,当某个按键被按下时,单片机可以检测到高电平,未被按下时,检测为低电平,按键是机械器件,按下或者松开时有固定的机械抖动,按键按下和松开的瞬间出现机械抖动,这个抖动时间虽然很短,一般 $1 0 ^ { \sim } 1 5 \mathrm { m s }$ ,不同按键抖动不同,但对单片机来说,很轻松就能检测到,单片机是 us 级别。但这个结果并不是我们需要的,实际上只进行一次按键操作,但有可能执行了多次按键结果,这就是抖动造成的,所以大多数产品实际使用中都使用了按键去抖功能。按键去抖分为硬件去抖和软件去抖,硬件去抖最简单的就是按键两端并联电容,容量根据情况而定。软件去抖使用方便,不增加硬件成本,容易调试,所以现在大都使用软件去抖。
软件去抖原理:
检测到按键按下后进行 $1 0 ^ { \sim } 1 5 \mathrm { m s }$ 延时,用于跳过这个抖动区域;
延时后再检测按键状态,如果没有按下表明是抖动或者干扰造成,如果仍旧按下,可以认为是真正的按下,并进行对应的操作;
同样,按键释放后也要进行去抖延时,延时后检测按键是否真正释放。
因此在设计过程中,提醒学生应考虑去抖操作。

图 5 矩阵键盘电路
矩阵键盘扫描流程图如下:

图6 键盘扫描流程图
iv) 数码管显示电路可选用共阴极 8 位数码管,LED 显示发光二极管的阴极连接在一起,并公共接地,当发光二极管的阳极设置为高电平时,发光二极管被点亮,相应的段被显示。同时,与数码管相连的锁存器把当前的状态锁存起来,使单片机送出的数据在接口电路的输出端保持一段时间锁存后状态不再发生变化,直到解除锁定。电路当中 74hc573 就是锁存器,锁存引脚高电平表示直通状态,为低电平表示锁存状态,可以通过控制锁存引脚,控制 74hc573 后端输出数据。
单片机控制数码管显示的流程图可见下图。

图7 数码显示与单片机连接电路

图 8 驱动数码显示流程图
8. 教学实施进程
1) 实验前要求学生进行下面内容的熟悉和资料收集
| 序号 | 知识要点 | 说明 | 目的 |
| 1 | 了解白色家电行业当前技术现状,探索用户的新需求 | 鼓励学生进行企业进行实地调研了解行业技术现状,实地走访调研用户新需求 | 锻炼学生的团队协作能力,沟通能力,协调能力等人文素养 |
| 2 | 预习单片机基本知识,熟悉单片机开发环境 | 让学生提前熟悉 keil 开发环境,熟悉软件设置和配置等 | 基本技术储备 |
| 3 | 查询矩阵键盘的扫描方法 | 使学生对数字键盘扫描流程有所熟悉,便于后期开展设计 | 基本知识储备 |
| 4 | 预习单片机对外设(温度传感器,显示设备等)的接口控制 | 使学生熟悉单片机控制架构,了解相关基本概念,熟悉外设常用控制方法 | 基本知识储备 |
| 方法 |
2) 实验设计中要求学生注意下面内容
$\bullet$ 以团队形式完成项目实践,每个团队 3-4 人,每队设一名队长进行总体负责,协调工作;
$\bullet$ 首先完成总体设计方案,团队讨论后进行最终确定;
$\bullet$ 其次团队成员进行分工设计,按照模块化设计思路开展设计,要体现出每名队员在整个项目设计中的职责和要求;
$\bullet$ 最后,注意提醒每个项目团队在工程实践中养成良好的工程素养,包括环境 6s 规范、实验安全、卫生等方面的要求。
3)设计过程中学生技术要求
$\bullet$ 对矩阵键盘的扫描首先让学生完成流程图的设计,理清思路,对可能产生键盘扫描误差的抖动进行充分考虑和消除;
$\bullet$ 让学生自主设计温度、洗涤流程、电机状态显示方式,选择与之相对应的输出方法,制定各模块单元的技术参数指标;
设计异常报警处理机制,包括密码试错报警、电机启动故障报警、洗涤过程中断提醒等细节功能;
$\bullet$ 让学生自主完成电机转速控制设计,对电机调整转速方法进行学习,熟悉,并通过程序实现;
$\bullet$ 鼓励学生在设计过程中进行团队讨论,积极思考,解决问题。
4) 系统总体验收及答辩交流要求
$\bullet$ 最终构建一个具备要求功能的演示系统,实现单片机对密码的检测判断,洗衣整体流程的演示说明,电动机正反转的基本功能演示,要求密码检测误差小于 2 次,洗涤流程完整不缺项,电动机转动方向可控等;
$\bullet$ 鼓励学生在正式答辩前进行课下演练,提醒学生注意表达的语速、表情、手势、礼仪等细节事项;
每个团队进行最终演示答辩,使用 ppt 展示设计过程,要求描述过程清晰,思路顺畅,表达清晰,为学生搭建各组的互相学习交流平台;
$\bullet$ 系统演示占总分 $5 0 %$ ,答辩过程占总分 $2 0 %$ 。
5)实验报告要求
要求撰写设计总结报告,按照相应要求完成报告内容,报告占总分 $3 0 %$ ,指导教师需要关注报告以下方面:
$\bullet$ 报告内容是否完整
$\bullet$ 原理描述是否清楚,正确
$\bullet$ 设计方案是否合理
$\bullet$ 设计过程是否考虑工程实际要求
$\bullet$ 实验数据是否准确,详实
$\bullet$ 实验误差是否分析到位,准确
$\bullet$ 实验总结是否完整,体现出问题解决后的心得。
9. 实验报告要求
实验报告需要反映以下工作:
1)实验需求分析:在资料搜集、实地走访等基础上,充分了解当前技术现状和需求,确定自己的演示系统的功能;2) 实现方案论证:结合硬件器件特性,在满足功能要求的基础上对实验方案进行构建和确定;
3)理论推导计算:对电机速度控制、矩阵键盘扫描方法等技术要求进行核算确认;
4)电路设计与参数选择:基于硬件板卡进行电路选择和确定,同时调整显示设备、传感器、电机等外部设备的关键参数,满足系统要求;
5) 电路测试方法:在单片机开发环境下,进行系统仿真和在板的功能调试,排查问题,解决问题;
6) 实验数据记录:系统演示过程中,对密码试错次数报警、温度显示功能、电机转动方向等测试数据进行记录分析;
7) 数据处理分析:对照设计要求,对测试数据进行计算分析,是否满足功能要求,是否存在误差,误差的原因是什么等进行讨论;
8) 实验结果总结:对整个演示系统进行总结,记录碰到的问题及解决办法等。
10.考核要求与方法(限 300 字)
该项目实践课程考核以“报告 $^ +$ 实物系统 $^ +$ 答辩”三个方面开展,具体考核方法及要求见下表:
| 考核项目 | 主要内容 | 评分要求 | 备注 |
| 报告 | 内容完整度,格式是否规范 | 报告是否按照内容完成,有无缺项 | |
| 数据记录、误差分析、问题记录分析程度 | 按照报告内容进行评判 | ||
| 系统演示 | 基本功能完成度 | 按照是否完成基本功能进行评判,同时考虑完成程度 | |
| 拓展功能完成度 | 按照是否完成拓展功能进行评判,同时考虑完成程度 | ||
| 自主创新程度 | 考察设计实现的功能构思,自主实现程度 | ||
| 软件程序规范性 | 考察单片机控制程序的书写规范性,模块化要求 | ||
| 答辩 | 语言表达 | 学生表达是否清楚流畅,逻辑是否清晰 | |
| 现场回答问题表现 | 考察学生临场反应、应变能力 |
11.项目特色或创新(可空缺,限 150 字)
针对本科二年级学生,该实践项目以单片机作为控制核心,实现单片机对矩阵键盘的扫描控制,洗涤过程的完整控制,以及电动机、常用传感器等外部设备的控制,项目的特色在于具备较强的综合性,需要学生综合多方面知识,学生在实际练习的过程中,提高了工程设计的兴趣,积攒了项目开发经验,为后续进行复杂项目开发奠定基础,同时在整个过程中,提升学生的“职业”“专业”和“敬业”的基本工程素养。
实验案例信息表
| 案例提供单位 | 西安交通大学工程坊 | 相关专业 | 电子信息类 | |||
| 设计者姓名 | 王明伟 | 电子邮箱 | wangmw@x jtu. edu. cn | |||
| 移动电话 | 18602986109 | 通讯地址(含邮编) | 西安交通大学工程坊710049 | |||
| 设计者姓名 | 杨荣 | 电子邮箱 | ewsnewsn_yr@mail. xjtu.edu.cn | |||
| 移动电话 | 18191582596 | 通讯地址(含邮编) | 西安交通大学工程坊710049 | |||
| 设计者姓名 | 张育林 | 电子邮箱 | yulinz@mail. xjtu. edu. cn | |||
| 移动电话 | 15029045909 | 通讯地址(含邮编) | 西安交通大学工程坊710049 | |||
| 相关课程名称 | 单片机开发实验课 | 学生年级 | 二年级及以上 | 学时(课内+课外) | 24学时+12学时 | |
| 支撑条件 | 仪器设备 | 计算机、单片机开发板、连接导线、电机、传感器等 | ||||
| 软件工具 | KeiluView2开发软件和 STP-ISP下载软件 | |||||
| 主要器件 | STC90C51单片机、矩阵键盘、热敏电阻、温度传感器、LED数码管、液晶显示屏等 | |||||