具有远程监控功能的智能3D打印机控制系统设计
课程名称:电子工艺探索性实验
实验题目:具有远程监控功能的智能3D打印机控制系统设计
课程简要信息:
课程名称:电子工艺; 课程学时:开放性实验;
适用专业:机械、自动化、电力、电信、计算机等;学生年级:大三
实验内容与任务(限500字)
1)实验任务:以3D打印机为对象,设计具有远程监控功能的智能3D打印机控制系统,培养学生的创新思维和解决复杂工程问题的综合能力。
2)实验内容:
A.基本要求:通过信息检索和自主学习,了解3D打印这种先进技术及其实现原理,灵活运用所学的理论知识解决实际工程问题,包括电路设计、软件工具应用和硬件制作及调试、故障排查与改进等步骤,设计并实现可使用PLA等环保材料,依据数字模型打印三维立体产品的3D智能打印机。该控制系统要求可智能解读加工程序并完成路径规划、速度和温度控制等一系列功能,实现整个模型打印过程的全自动化。
B.层次提升:紧贴行业发展趋势,结合互联网+,物联网,云共享等领先技术大胆创新,设计并实现具备远程监控功能的智能控制系统:采用服务器方式将3D打印机接入互联网,用户可通过手机APP接入wifi无线网络或者移动网络,实现对3D打印机设备状态和设备影像的实时监控;同时用户可通过手机APP对3D打印机进行远程访问并下达指令,实现对设备执行打印任务等远程操控。
2. 实验过程及要求(限300字) {#实验过程及要求限300字}
1)方案规划:A.资料检索,了解3D打印机的控制原理,自学远程控制的通讯协议;
B.进行项目规划及可行性分析;
C.确定系统及模块组成;
2)系统设计:
A.设计3D打印机的机电控制系统,包括运动控制模块和温度控制模块等;
B.设计基于服务器的远程监视系统;
C.设计基于物联网技术的智能控制方案,通过手机APP对3D打印机进行远程访问并下达运动控制和执行打印任务指令;
3)系统实现及测试:
A.进行仿真测试;
B.硬件嵌入和软件调试,记录并分析实验结果;
C.优化系统结构和程序算法;
4)项目总结:
A.整理项目资料及实验数据,撰写项目总结报告;
B.采用PPT和实物展示相结合的方式进行答辩;
3. 相关知识及背景(限150字) {#相关知识及背景限150字}
这是一个结合机械、电子技术、自动化和计算机等多学科的机电一体化产品的先进案例。其中运用了数模电、单片机、程序设计、自控和机械原理等知识,包括电机反馈控制、温度PID控制、传感器检测、模数信号转换等;还涉及互联网通信技术、嵌入式控制和通讯协议等内容;实现“互联网+”模式与传统机器的创新融合。
教学目标与目的(限100字)
基于OBE教育模式,引导学生独立进行工程项目的探索性研究与实践,以项目研究的形式自行完成具有远程监控功能的智能3D打印机控制系统设计与实现的所有环节,旨在培养学生解决复杂工程问题、初步科学研究及实践创新能力。
教学设计与引导
本实验的过程是一个完整的工程实践项目,需要经历项目了解、学习调研、方案可行性论证、控制系统设计、硬件实现及软件调试、系统改进、项目答辩及项目总结等环节。在实验教学中,应在以下几个方面加强对学生的引导:
-
了解研究背景和相关领域,引导学生拓展思维,大胆创新地设想工程项目。
-
通过指导如何广泛精确地查找相关文献,引导学生自主学习3D打印的工作原理,同时掌握一定水平的数电、模电和自动控制原理知识。
-
紧贴行业发展趋势和领先技术,引导学生初步接触物联网技术,学习远程控制的流程和方式,学习通讯协议和互联网通信技术,并掌握一定的编程能力。
-
引导学生结合相关研究,设计实验方案,包括明确系统功能,确定工作流程,规划系统结构和划分系统模块,鼓励学生大胆创新,设计不同的实现方案。
-
对设计方案进行可行性分析,详细了解并比较涉及到的相关技术的实现难度和实现效果,建议他们模块化、渐进式地进行学习研究,并选择最佳的设计方案。
-
指导学生运用所学理论知识解决技术难题,比如,选用热敏电阻、热电偶、微动开关和摄像头等传感器进行反馈控制,采用PID算法进行温度控制优化,采用梯形加速优化变速过程,学习通信协议以进行数据传输,采用回调函数进行消息响应等等。
-
在具体的设计和实践过程进行技术指导和及时纠正,比如系统稳定性的保证,系统误差的修正,电路设计的不合理之处,器件选用的不适配之处以及用户体验的不佳之处等等。
-
引导学生掌握一定的专业技能,学习相关软件的使用和电路板制作相关工艺流程及设备的操作;学会排查故障和测试标定,对故障和系统漏洞进行测试分析,找出原因并合理解决。
-
组织学生以PPT及项目实物相结合的形式进行答辩,不同小组之间进行总结学习和交流。同时通过在成绩评定标准中,设置创新分,鼓舞学生拓展思维,大胆创新,对项目做进一步的延伸和优化。
实验原理及方案
具有远程监控功能的智能3D打印机控制系统,主要分为负责执行三维模型打印的控制系统和基于服务器方式实现设备与客户端之间数据通讯的远程监视及远程打印控制系统。
1)控制系统原理及方案
A.控制系统的结构
3D打印机的控制系统的主要功能是通过读取加工代码,实现3D打印机对三维模型打印任务的自动化执行。控制系统的结构包括了微控制器、运动控制模块、温度控制模块、LCD显示模块、G代码解析模块、路径规划模块和插补控制模块等。

图1 控制系统结构图
B.控制系统的原理方案
(1)微控制器
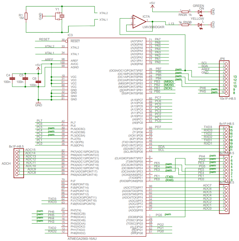
机电控制系统的核心是一个基于ATmega2560的微控制器。该微控制器具有54路数字输入/输出端口(其中15路可以用作PWM输出)、16路模拟输入端口、4路UART串口(硬件串口)、1个16MHz的晶体振荡器、1个 USB接口、1个电源接头、1个ICSP接口以及1个复位按钮。该微控制器提供了3D打印机众多外设和各类传感器的接入需求,采用12V的AC-DC开关电源供电即可进行完整的打印控制。
本实验的微控制器一共使用三组UART串口进行串口通讯,对应三种不同的打印模式:通过USB连接线与计算机串口通讯可实现联机打印;通过与自带SD卡串口通讯可实现脱机打;通过与WIFI模块串口通讯可实现在线打印。微控制器的原理图如图2所示。
图2 微控制器原理图
(2)运动控制模块
运动控制模块是实现对打印头和热床的精确运动控制。主要采用脉冲宽度调制技术实现运动的速度调节;同时采用脉冲数控制步进值的方式实现运动的精确定位。
运动速度是通过调节PWM脉冲宽度来实现。其中,PWM是一种利用微处理器的数字输出对模拟电路进行控制的脉冲宽度调制技术,具体实现原理是:微控制器借助定时器的功能,使IO口在设定时间点产生相反电平信号,从而产生一定频率的脉冲宽度可调的脉冲波形。步进电机的速度由脉冲波形的占空比决定,占空比越大,步进电机转速越快,反之,占空比越小,步进电机转速越慢。同时,运动的精确定位是通过给步进电机提供准确的脉冲数来实现的。步进电机驱动器每接收到一个脉冲信号,就驱动步进电机按设定的方向转动一个固定的步距角。具体的计算公式为:运动1mm所需脉冲数=步进电机每转步数*驱动细分/步进电机每转对应直线运动距离
(3)温度控制模块
温度控制模块是实现对打印头和热床的精确温度控制。主要采用PID算法对打印头和热床进行温度控制,采用热敏电阻传感器通过模数转换和闭环控制等技术对温度进行实时检测和反馈处理。由PID构成的温度控制,引入了负反馈环节,构成了对温度的闭环控制。通过对热敏电阻的电信号采集和处理,能够自动而连续地读取出当前实际温度,并求出偏差,进而根据偏差大小和正负极性进行控制,力图减小或消除目标温度和最终温度之间存在的偏差,从而实现减小目标温度与最终温度的误差和波动。温度闭环控制方块图如图3所示。
图3 温度闭环控制方块图
2) 远程监视及远程打印控制系统
A.远程监视及远程打印控制的工作原理
基于服务器方式实现设备与客户端之间数据通讯的远程监视及远程打印控制系统,其基本工作原理为:位置和温度传感器对设备状态信息进行实时检测,对检测到的模拟信号进行信号放大和模数转换,并转换为微控制器可识别的数字信号;微控制器将输入信号和其他程序信息转变为可读的数据点信息,并按照通讯协议进行数据处理和打包,再通过WIFI模块接入WIFI路由器将数据包上报到服务器;服务器对接收到的数据包进行解包和数据处理,并进行信息管理和记录。
此外,手机APP通过接入互联网对指定服务器进行数据访问,实现对3D打印机设备状态和设备影像的远程实时监控;手机APP通过下发指令实现对3D打印机的远程操控和执行打印任务,其原理和流程与上述同理。远程控制系统原理如图4所示:

图4 远程控制系统原理图
B.远程监视及打印控制系统实现方案
(1)远程监视及远程打印控制系统由微控制器、WIFI模块、服务器和手机APP等部分组成。其中,WIFI模块采用的是基于ESP8266WIFI芯片的一款低功耗高性价比的嵌入式无线网络控制模块,内部集成了超低功耗32位MCU,带有16位精简模式,主频支持80MHz和160MHz,并支持标准的IEEE802.11 b/g/n协议,完整的TCP/IP协议栈。
(2)WIFI模块内部包括连接云平台的通讯模组固件,遵守与云端的通信协议,使设备能够与云端和手机APP进行可靠的数据通讯。
(3)在微控制器中创建数据点,将3D打印机工作过程中的数据信息进行打包处理,包括外加数据包头和包尾,按TCP/IP通信协议,产生特定时序信号,由WIFI模块向云端上报数据;同时,WIFI模块实时接收云端数据并发送给微控制器,微控制器接收数据并进行解码,识别有效数据点,接收有效数据值或产生特定控制信号。
(4)微控制器是通过内置UART串口与WIFI模块进行串口通信,并按特定时序相互交换数据信息的;WIFI模块是通过片上MCU连入路由器,并按照TCP/IP通信协议,上报或接收数据信息。
(5)基于Android开发平台,采用JAVA程序语言编写手机APP,用于实现3D打印机数据信息的实时监控。部分学生开发的手机APP的实现界面如下:

图5手机APP界面1 图6手机APP界面2
教学实施进程
本实验教学案例设计的是面向我校机械、电力、自动化、电信及计算机等专业中卓越班、创新班或者已经有一定电子技术基础的学生,基于OBE模式“学生中心”、“成果导向”、“持续改进”的三大核心理念,采取开放项目研究式实验模式,突出学生主体地位,学生在指导老师的指导下,以1-3人的小组形式分工合作,自行完成从调研、构思,设计,仿真、调试,改进、总结、答辩等所有环节,所设计和完成的实验项目具有一定的独立性、整体性和创新性。
1)项目准备阶段:根据本实验项目,围绕课题从图书馆、资料室、互联网上搜集大量资料及信息,对涉及到的专业知识进行自主学习,并掌握相关软硬件工具的使用;
2)设计阶段:设计出具有可行性、安全性、科学性、创新性等功能的“具有远程监控功能的智能3D打印机控制系统”,并进行方案论证和可行性分析;
3)系统项目实施阶段:在完成系统项目的设计之后,进行具体的项目作品实施阶段,包括电路仿真、程序编写、元件参数确定、电路制作过程、系统安装调试,故障检测及分析等。
4)改进阶段:针对学生进行本实验项目研究的效果,提出并改进需要完善的地方
5)结题验收阶段:撰写结题报告,提交项目实验报告,进行实物展示及项目答辩。
实验报告要求
实验报告(实验项目总结)内容要求见图7所示,其需要包括实验项目背景介绍、实验目的、设计方案论证、实验项目的具体实施过程、故障检测及分析解决方法、实验项目创新性分析及实验项目总结等内容。
图7 实验报告内容及比重
1)实验项目背景:包括研究背景、国内外现状和相关领域的发展前景。
2)实验目的:介绍实验的研究对象和研究目的,指出该实验项目的相关应用和研究价值。
3)实验方案论证:包括阐述实验的具体方案,解释实验方案的工作原理和实现方式,论证实验方案的可行性、可解决的问题。
4)实验项目具体实施内容:包括实验的前期准备工作如实验涉及到的相关基础理论和工艺技术,实验用到的元器件参数选择、元器件检测方法,仪器设备和工具,实验的具体实施过程、仿真、软硬件实现、控制系统的调试方法及结果。
5)故障解决及改进措施:实验研究过程中遇到的技术难题,故障以及故障排除方法,以及系统设计的改进建议。
6)实验创新点:包括创新点与项目特色。
7)实验总结,对整个实验项目的开展进行总结,同时包括开展过程中各自的心得体会,实践动手能力的提升情况、解决复杂工程项目问题的能力以及创新能力的启发和锻炼等。
考核要求与方法(限300字)
学生在项目完成后,提交实验项目样机、总结报告、进行项目答辩。具体考核内容和比重为:
1)实物样机(占50%):
A.设计质量:包括设计方案的合理性、规范性,创新性;
B.功能完成度:包括是否可全程自动化打印,是否可实现手机APP远程监控及联网打印等;
C性能优良程度:包括设备的稳定性、可靠性、远程监控的实时性、电子线路的焊接质量和组装工艺。
2)项目成果答辩(占30%,其中创新性占10%):实验涉及的知识领域背景、应用价值、功能构思、系统设计、技术工艺、技术难度、目标实现情况、实用性、创新性、能力培养和预期成果。
3)实验项目总结(占20%):数据可靠性和真实性,内容的完整性、规范性与严谨性。
项目特色或创新(限150字)
1) 控制系统通过互联网进行远程监控和打印管理,实现“互联网+”模式与传统机器的深度创新融合。
2) 项目涵盖机械、电子技术、自动化、计算机等多学科领域,综合性强。
3) OBE导向下,采取线上线下混合式实验教学,引导学生独立进行工程项目的探索性研究与实践,培养其解决复杂工程问题、初步科学研究及实践创新能力。
参赛选手信息表
| 案例提供单位 | 华南理工大学 | 相关专业 | 机械、自动化、物理、电力、电信、计算机等等 | |||
|---|---|---|---|---|---|---|
| 设计者姓名 | 李丽秀 | 电子邮箱 | lilixiu@scut.edu.cn | |||
| 移动电话 | 15360842679 | 通讯地址 (含邮编) |
广州市天河区华南理工大学31号楼207室 510641 | |||
| 设计者姓名 | 杨日福 | 电子邮箱 | yangrifu@scut.edu.cn | |||
| 移动电话 | 18929568829 | 通讯地址 (含邮编) |
广州市天河区华南理工大学31号楼207室 510641 | |||
| 设计者姓名 | 黄敏兴 | 电子邮箱 | mxhuang@scut.edu.cn | |||
| 移动电话 | 18820025960 | 通讯地址 (含邮编) |
广州市天河区华南理工大学31号楼207室 510641 | |||
| 相关x课程名称 | 电子工艺 | 学生年级 | 大三 | 学时(课内+课外) | 开放性实验 | |
支撑 条件 |
仪器设备 | 电子示波器,直流电源,万用表,电烙铁,热转印机,腐蚀槽,数控钻机等 | ||||
| 软件工具 | 串口调试助手,ArduinoIDE,Eclipse,Android Studio,Altium Designer,程序烧写软件等 | |||||
| 主要器件 | Arduino Mega2560,ESP8266芯片,树莓派3B,LCD触摸屏,步进电机,热床,加热棒,热敏电阻,摄像头等 | |||||
