受控源电路的设计、制作与优化
实验题目:受控源电路的设计、制作与优化
1. 课程简要信息
课程名称:电路开放实验
课程学时:课内 16学时,课外16 学时
项目学时:课内 16学时,课外16 学时
适用专业:电气类、电子信息类、能动类、自动化类等
学生年级:大二下、大三
2. 实验内容与任务
受控源是一种基本电路模型,本实验要求逐步实现近似理想的受控源(输入输出电气隔离),通过对受控源电路的实物搭建、特性测试、现象分析、改进优化,让学生经历解决生产实践实际问题的整个过程,培养学生的工程意识和探索精神。实验设计思路如图 1所示。

图1 实验设计思路
实验内容和任务如下:
1)理解由运算放大器和电阻实现各种受控源电路的原理。
2) 测试实验台的受控源模块。 发现实验结果与理论分析不一致,分析原因并提出优化方法。
3)使用Multisim仿真软件搭建受控源电路并测试转移特性。$\diamondsuit$ 仿真验证所提优化方法的可行性。
4)用实际元器件在面包板上搭建转移参数可调的受控源电路。
5)应用受控源实现等效负电阻。$\diamondsuit$ 实验结果表明受控源无法实现负电阻,分析原因并提出解决方案。
6)利用光电耦合器(简称光耦)制作输入输出电气隔离的受控源,并搭建等效负电阻电路和含受控源的非互易二端口网络。 验证实验结果与理论分析的一致性。
7) 提高内容(选做): $\textcircled{1}$ 设计实验方案测试受控源可应用于交流信号的控制。 $\textcircled{2}$ 为后续开设的受控源实验提供性能优良的实验模板。
8) 处理实验数据,撰写实验报告。
3. 实验过程及要求
1)查阅资料,学习由运算放大器和电阻实现受控源电路的设计方法及原理。
2)测试受控源的转移特性和负载特性,得到受控源的线性工作范围及带负载能力。
3)使用Multisim仿真软件搭建各种受控源电路,进行仿真实验。
4) 用实际元器件在面包板上搭建各种受控源电路,测试电路参数对受控源转移特性的影响。
5) 测试光耦的电流转移特性,利用光耦实现输入输出电气隔离的受控源电路,并进行参数优
化,提高受控源的线性度。
6) 应用受控源实现等效负电阻电路和非互易二端口网络。
7)处理数据并撰写实验报告。
4. 相关知识及背景
受控源是一种基本电路模型,本实验要求利用运算放大器、光电耦合器、电阻器等构造受控源电路,涉及到电路理论课程和模拟电子技术课程中的含运放电路的分析方法、等效负电阻、二端口网络、带负载能力等知识点,综合了仪器仪表和仿真软件使用、电子电路搭建与测试、元器件特性研究和参数优化等相关技术方法。
5. 实验环境条件
本实验项目所需仪器仪表均为电工实验室基本配置,包括万用表、线性电源、函数信号发生器、数字示波器等,所需电子元器件包括运算放大器、光电耦合器、电阻器、电位器、电容器等,所需仿真软件为 Multisim 软件。
6. 教学目标与目的
本实验项目要求学生深刻理解受控源的物理意义,尤其是加深对电气隔离概念的认识,用实际元器件实现转移参数可调的受控源电路。实验目的:一是让学生掌握受控源的工作原理和实现方法,加深对电路理论的理解;二是深化学生对元器件性能指标的认知,提升学生搭建实际应用电路的能力和工程实践能力。
7. 教学设计与实施进程
本实验要求学生完成查找资料、仿真实验、设计和搭建电路、测试性能、优化改进、处理数据等任务,总体采取实验探索、问题导向、启发引导的教学模式,学生需经历“实验测量——发现问题——改进优化——实验验证—— 发现新问题——再改进优化”的过程,逐层加深理论认知水平与实践能力。
实验内容采用由易至难、由浅入深的顺序,符合学生的认知规律。实验一开始和传统的电路实验类似,先测试实验台已有的受控源模块,引导学生发现问题。为解决问题不得不拆开受控源模块,分析内部电路并改进电路,培养了学生的探索精神和创新意识。通过分析受控源内部电路,让学生感受到实现受控源并不难,进而通过仿真实验尝试自制受控源,激发学生的学习兴趣和自信心。动手实践时,有些学生可能是第一次用实际元器件搭建电路,需要从简单电路入手,如基于同相比例电路实现的电压控制电压源,所需要的元件只有一个运放和两个电阻。通过不懈努力自制受控源实现了比原有实验台受控源模块更优异的性能,让学生收获了极大的成就感,也更深地体会到了学以致用的含义。但实验没有止于此,自制的受控源是理想的吗?能应用于等效负电阻电路吗?为什么实验结果和理论分析不一致?那又如何解决?在一次次发现问题并解决问题的过程中,学生既加深了理论认知,也提升了工程实践能力。
教学设计和实施进程如下:
1) 实验前,教师借助在线教学平台发布实验要求以及仿真软件使用方法的教学视频。学生通过预习掌握了实验原理,了解了 Multisim 仿真软件的使用方法。
2) 每次实验时,教师首先讲解实验要求,让学生明确实验步骤、实验内容和实验目的。实验结束时给学生留下思考题。
3) 实验内容一:实验台受控源模块的测试实验。
a) 测试实验台电压控制电流源(VCCS)模块和电流控制电压源(CCVS)模块的特性。
b) 由 VCCS和CCVS级联得到电压控制电压源(VCVS),测试其特性。
c) 由 CCVS和VCCS级联得到电流控制电流源(CCCS),测试其特性。
教学过程中注意以下三个方面的引导:
➢ 引导学生发现问题:受控源级联破坏了转移特性,与理论分析不一致;
➢ 指导学生分析原因:拆开实验台受控源模块,分析内部电路;
➢ 引导学生思考解决方法:用实际元器件搭建受控源电路并优化受控源的电路结构。
4)实验内容二:受控源的 Multisim软件仿真实验。
a) 使用仿真软件搭建四种受控源电路并测试转移特性。
b) 研究电路参数对转移特性的影响。
c) 验证优化受控源的电路结构后级联不破坏转移特性。
仿真实验的目的:
➢ 让学生模拟练习用元器件搭建受控源电路;
➢ 验证所提优化方法的可行性;
➢ 理解电路参数对转移特性的影响,锻炼学生合理选择元器件参数的能力。
5) 实验内容三:利用实际元器件搭建受控源电路。
a) 利用运算放大器、电阻器、电位器等在面包板上搭建转移参数可调的受控源。
b) 测试受控源的转移特性及负载特性。
c) 检验受控源是否可以受任意元件的电压或者电流的控制。
d) 检验所搭建的受控源电路能否实现等效负电阻。
教学过程中注意以下三个方面的引导:
➢ 引导学生发现问题:实验结果表明受控源不能等效为负电阻,与理论分析不一致;➢ 引导学生分析原因:基于运放的受控源电路不是理想受控源,其输入端口和输出端口不是电气隔离的;➢ 引导学生思考如何解决:若想实现输入输出电气隔离的受控源,可以利用光耦。
6) 实验内容四:受控源电路的优化及应用。
a)指导学生测试光耦的传输特性,并验证光耦可实现电气隔离。
b)利用光耦制作输入输出电气隔离的受控源,测试转移特性并进行电路参数优化。c)用输入输出电气隔离的受控源实现等效负电阻和非互易二端口,检验实验结果与理论分析的一致性。
引导学生思考:
➢ 什么是理想受控源?➢ 除实现等效负电阻外,受控源还有哪些应用?
7)实验结束后,学生完成实验报告,重点展示实验过程中如何发现问题并逐步解决问题的。
8)教师批阅报告并进行实验总结,指导各小组展示实验成果和交流心得体会,促进学生之间的相互学习。
8. 实验原理及方案
一 实验原理
1.受控源
受控源向外电路提供的电压或电流受其它支路的电压或电流控制,因而受控源是一种二端口元件,一个为控制端口,或称输入端口,输入控制量是电压或电流,另一个为受控端口,或称输出端口,向外电路提供电压或电流。若受控量与控制量的关系为线性关系,则称为线性受控源。本实验仅考虑线性受控源,简称受控源。
理想情况下,受控源的受控量和控制量仅存在控制关系,两者之间应是电气隔离的,即输入电路和输出电路没有公共参考点。另外,受控源的控制关系应与控制量的频率无关,即控制量可以是直流,也可以是交流。
根据控制量与受控量的不同组合,受控源可分为四种,电路符号如图 2所示。
(1)电压控制电压源(VCVS),如图2(a)所示,其转移特性为:
$$ u _ { 2 } = \mu u _ { 1 } . $$
其中: $\mu$ 称为转移电压比(即电压放大倍数)。理想情况下,VCVS 的输入端口对外等效为开路,即理想受控源输入端接入任意电路不会影响该电路的工作状态,所以受控源的输入端口在电路中可以不用专门画出来,如图 3 所示。当控制量一定时,VCVS 的输出端口对外等效为理想电压源,即输出电压与负载无关。
(2)电压控制电流源(VCCS),如图 2(b)所示,其转移特性为:
$$ \begin{array} { r } { i _ { 2 } = g u _ { 1 } . } \end{array} $$
其中: $g$ 称为转移电导。理想情况下 VCCS 的输入端口对外等效为开路。当控制量一定时,VCCS的输出电流与负载无关。

图2 四种受控源的电路符号
(3)电流控制电压源(CCVS),如图2(c)所示,其转移特性为:
$$ u _ { 2 } = r i . $$
其中: $r$ 称为转移电阻。理想情况下,CCVS 的输入端口对外等效为短路,因此其输入端串联接入任意电路不会影响该电路的工作状态。当控制量一定时,CCVS 的输出电压与负载无关。
(4)电流控制电流源(CCCS),如图 2(d)所示,其转移特性为:
$$ i _ { 2 } = \beta i _ { 1 } . $$
其中: $\beta$ 称为转移电流比(即电流放大倍数)。理想情况下,CCCS 的输入端口对外等效为短路,当控制量一定时,输出电流与负载无关。

图 3 含受控源的电路
受控源还可以级联使用,例如可以将VCCS和 CCVS 级联实现VCVS,若VCCS的转移特性为$\scriptstyle { i _ { 2 } = g u _ { 1 } }$ ,CCVS 的转移特性为 $u _ { 2 } { = } r i _ { 1 }$ ,则级联得到的 VCVS 的电压放大倍数 $\mu { = } r g$ 。
2.利用运算放大器构成受控源
(1)运算放大器构成的VCVS 电路如图 4所示。根据理想运放“虚短”、“虚断”特性,可得:
$$ u _ { 2 } = \left( 1 + \frac { R _ { 2 } } { R _ { 1 } } \right) u _ { 1 } . $$
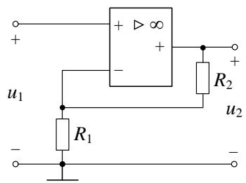
即电路的输出电压 $u _ { 2 }$ 受输入电压 $u _ { 1 }$ 控制,与负载无关,即实现了电压控制电压源。该电路实际使用时,输出电压 $u _ { 2 }$ 受运放饱和电压的限制。注意:由于输入量和输出量有公共的“接地”端,该受控源并不是理想受控源,不能应用于如图3所示电路(因为图4受控源的输入电压和输出电压的负极是接在一起的,图3中受控源输出电压的正极又需要和输入电压的负极接在一起,造成矛盾)。

图 4 运算放大器构成 VCVS 电路
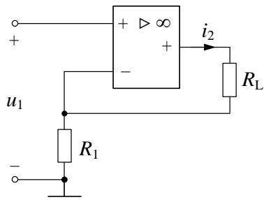
(2)用运算放大器构成 VCCS 电路,如图 5 所示。其端口特性为:
$$ i _ { 2 } = \ { \frac { u _ { 1 } } { R _ { 1 } } } . $$
即输出电流 $i _ { 2 }$ 只受输入电压 $u _ { 1 }$ 控制,与负载 $R _ { \mathrm { L } }$ 无关。实际使用该受控源时, $R _ { \mathrm { L } }$ 应为有限值,以保证运放工作在线性区。

图 5 运算放大器构成 VCCS 电路
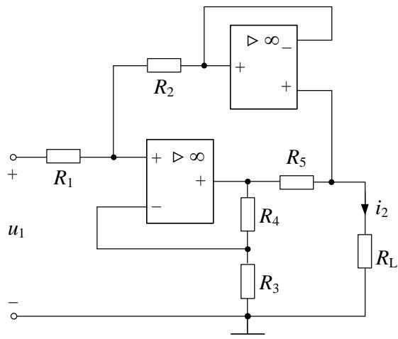
(3)用运算放大器构成 CCVS 电路,如图 6 所示。其端口特性为:
$$ u _ { 2 } = \ - \frac { \left( R _ { 3 } + R _ { 4 } \right) R _ { i } } { R _ { 1 } + R _ { 2 } + R _ { i } } \ i _ { 1 } . $$
即输出电压 $u _ { 2 }$ 受输入电流 $i _ { 1 }$ 的控制,与负载无关。该电路实际使用时,输出电压 $u _ { 2 }$ 受运放饱和电压的限制。

图 6 运算放大器构成 CCVS 电路
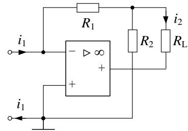
(4)用运算放大器构成 CCCS 电路,如图 7 所示。其端口特性为:
$$ i _ { 2 } = \ - \left( 1 + { \frac { R _ { 1 } } { R _ { 2 } } } \right) i _ { 1 } . $$
即输出电流 $i _ { 2 }$ 受输入电流 $i _ { 1 }$ 的控制,与负载 $R _ { \mathrm { L } }$ 无关。该电路实际使用时,输出电流 $i _ { 2 }$ 受运放最大输出电流的限制。

图 7 运算放大器构成 CCCS 电路
使用图 4-图 7 四个电路可以实现四种受控源,但是由于前后级电路有公共参考点,受控源并不能像电阻、电容、电感这样的二端元件一样任意接入电路。要想断开前后级电路的电气联系,可以利用光电耦合器实现电气隔离。
3.利用光电耦合器实现输入输出电气隔离的受控源

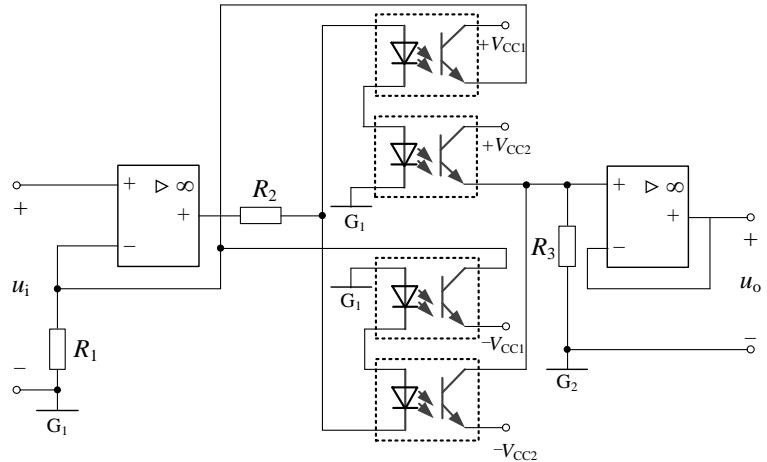
图 8 输入输出电气隔离的受控源电路(采用 TLP521-4 光耦)
输入输出电气隔离的受控源电路如图8所示,核心器件为光电耦合器TLP521-4。前级电路通过电阻 $R _ { 1 }$ 和运放实现电压-电流变换。发光二极管反向并联,不同极性必有一组导通。电阻 $R _ { 2 }$ 的作用是保护发光二极管和运放并可调整发光二极管的工作电流。反馈光敏三极管反向串联接正负电源,中点接电阻 $R _ { 1 }$ ,构成反馈电路。输出光敏三极管反向串联接正负电源,中点接电阻 $R _ { 3 }$ ,实现电流-电压变换。该电路采用双路独立正负电源供电,连接电路时注意前后级接地不是一个接地点。各电阻的选择要根据输入电压范围选择合适阻值满足运放和光耦工作条件。
分析图 8 所示电路的输出电压与输入电压的关系。假设四对光耦性能近似一致,光耦输入级串联的两个发光二极管电流相等,则对应的光敏三极管的电流也应相等,根据“虚短”、“虚断”有$u _ { \mathrm { o } } / u _ { \mathrm { i } } = R _ { 3 } / R _ { 1 }$ ,即实现了输入输出电气隔离的电压控制电压源,使得受控源的应用更加灵活。
在图 8 所示电路基础上,在输入端增加一个电阻,可以实现电流控制电压源。在输出端增加电压-电流变换电路实现电压控制电流源和电流控制电流源。
4. 利用受控源实现等效负电阻
受控源除了可以实现电压-电流变换外,还可以实现等效负电阻。负电阻有很多应用,如将负电阻加入电源电路,抵消电源的内阻,可提高电源输出电压的稳定性,将负电阻接入 RLC 串联电路,一定条件下可实现电路的无阻尼等幅振荡。
如图 9 所示电路,当 $\mu { > } 0$ 时,受控源的等效电阻为 $R _ { \mathrm { e q } } { = } _ { - } { \mu } R _ { 1 }$ 。

图9 等效负电阻电路
二 实验方案
本实验共包括 4 个内容。
实验内容1:实验台受控源模块的测试实验。具体内容包括:
a)测试电压控制电流源(VCCS)模块和电流控制电压源(CCVS)模块的特性;
b)测试电压控制电压源(VCVS)的特性,VCVS由 VCCS和 CCVS级联而成。
c)测试电流控制电流源(CCCS)的特性,CCCS由CCVS 和VCCS 级联而成。
各实验内容的测试流程如图 10所示。

图10 受控源模块测试流程图
实验报告要求:
(1)根据实验数据求出四种受控源的转移参数 g、r、 $\mu$ 和 $\beta$ 。
(2)根据实验数据检验受控源级联后转移参数是否保持不变,并思考原因。
(3)分析受控源的线性工作范围及带负载能力和哪些因素有关。
通过实验内容 1,引导学生发现实验台受控源模块存在的问题:受控源转移参数不可调,输入信号取值范围受限,VCCS 和 CCVS 级联破坏了原有转移参数。改进方法:(1)用实际元件搭建受控源电路,反馈电阻采用可调电位器,转移参数可控可调;(2)优化 VCCS的实现电路。原实验台VCCS受控源模块采用的是图 5电路,负载同时作为运放的反馈电阻,原实验台CCVS受控源模块采用的是图6电路,电阻 $R _ { \mathrm { i } }$ 取值不合理,使得两者级联时改变了原来的转移特性。若 VCCS采用图11所示电路,同时优化后级 CCVS电路中的电阻 $\pmb { R } _ { \mathrm { i } }$ ,可使得两者级联后不影响各级受控源的转移特性。因此实验内容 2 是用 Multisim 软件做仿真实验,验证上述改进方法的有效性。

图 11 优化后的 VCCS 电路
实验内容2:用Multisim软件搭建受控源电路,测试转移特性。具体内容包括:
a) 用仿真软件搭建 VCVS 电路(图 4);
b) 搭建 VCCS 电路(图 11)和 CCVS 电路(图 6);
c) 将 CCVS 和 VCCS 级联分别构成 CCCS 或 VCVS 电路。
仿真分析各受控源的转移特性,重点关注各电路元件参数取值不同对转移特性的影响。仿真实验流程如图 12 所示。

图 12 仿真实验流程图
以VCVS电路为例,仿真电路如图 13 所示。利用直流参数扫描功能,研究受控源的输出电压和输入电压之间的关系,各元件参数取值与图 13所示电路一致,仿真结果如图14 所示,由图可得到受控源的线性工作范围及转移参数。

图 13 VCVS 仿真电路

图 14 VCVS 的转移特性曲线
通过实验内容 2,通过仿真实验让学生模拟练习了用元器件搭建受控源电路的方法,为进一步进行实物实验打下基础,并理解了电路元件参数对受控源转移特性的影响。
实验内容 3:利用元器件搭建受控源电路。具体内容包括:
a)利用运算放大器、电阻器、电位器等在面包板上搭建转移参数可调的受控源;
b)测试各种受控源的转移特性及负载特性;
c)检验受控源是否可以受任意元件的电压或者电流的控制,而不影响该元件的工作状态;
d)检验所搭建的受控源电路能否实现等效负电阻。
实验流程如图 15 所示。

图15 搭建受控源电路实验流程图
思考题:
(1)什么是理想受控源?
(2)为什么受控源不能随意接入含有其控制量的电路?
(3)什么叫电气隔离?
通过实验内容3,学生将理论分析与工程实践相结合,实现了性能更好的受控源。然而在应用受控源时又发现新问题:等效负电阻无法实现,这是由于受控源不是理想的,其输入端口和输出端口之间有电气联系,那如何断开前后级电路的电气联系,实现较为理想的受控源呢?采用工程上常用的一种电气隔离方法:加入光电耦合器。
实验内容4:利用线性光电耦合器实现输入输出电气隔离的受控源。具体内容包括:
a)设计实验方案测试线性光耦(TLP521-4)的电流传输特性,证明光耦的电气隔离作用,并检验四对光耦的一致性;
b)按图7电路,搭建基于光耦的输入输出电气隔离的电压控制电压源。连接电路时注意选择电流传输特性一致性较好的两对光耦元件为一组,即一个作为反馈三极管,一个作为输出三极管。测试受控源特性并进行电路参数优化,提高受控源的线性度;
c)在图7基础上,增加电压-电流变换电路实现另外三种受控源;
d)利用输入输出电气隔离的受控源实现等效负电阻电路和非互易二端口电路;
e) 选做:设计实验方案验证受控源可应用于交流信号的控制。
实验流程如图16 所示。

图 16 基于光耦的受控源实验流程图
利用输入输出电气隔离的受控源,按图 17 连接电路,当转移参数 $\mu > 0$ 时,实验验证受控源可等效为负电阻。

图17 受控源实现等效负电阻电路
构造含受控源的二端口,测量 R 参数,验证其不满足互易性。搭建如图 18 所示二端口电路,理论计算其 $\mathbf { R }$ 参数矩阵为
$$ { \bf R } = \left( \begin{array} { l l } { R _ { 1 } + R _ { 2 } } & { R _ { 2 } } \ { R _ { 2 } - \mu R _ { 1 } } & { R _ { 2 } } \end{array} \right) . $$
当受控源的转移电压比 $\mu { \neq } 0$ 时,该二端口为非互易二端口。

图 18 含受控源的二端口电路
通过实验内容4,利用光电耦合器,借助“电-光,光-电”的转换,实现了真正意义上的受控源,即输出量仅受输入量的控制,但输出电路和输入电路之间电气隔离,为受控源的实际应用打下基础。
9. 实验报告要求
学生的实验报告关注其理论知识掌握程度、实际电路测试效果、数据分析等方面,具体要求如下:
1)明确实验目的,清楚实验任务及要求;
2) 理解实现受控源电路的工作原理;
3) 电路参数选择合理,会考虑各元器件的工作条件;
4) 电路测试方法安全规范;
5) 实验数据记录清晰完整;
6) 数据处理结果与理论分析一致;
7) 总结实验过程中存在的问题及解决方法,分享实际搭建电路的经验与技巧,思考受控源电
路的更多应用。
10.考核要求与方法
采用百分制进行评分,满分 100 分,另有拓展加分项 10 分。
| 项目 | 要求 | 考核方式 | 分数 |
| 预习 | 熟悉受控源电路的工作原理,了解所使用的元器件的参数及功能。 | 随机提问 | 满分:10分 |
| 仿真 | 掌握 Multisim 软件的使用方法,完成各仿真电路的搭建及测试。 | 提交仿真电路及结果截图,要「求内容完整,有理论分析 | 满分:20分 |
| 实物搭建 | 实现所要求的各受控源电路,参数取值合理,实验过程操作规范,实验结果合理。 | 现场检查 | 满分:50分 |
| 实验报告 | 要求报告格式规范、内容完整、有理论分析、结论科学严谨。 | 依据实验报告进行总结性评价 | 满分:20分 |
| 拓展加分项 | 为后续受控源实验提供性能优良的实验模板。 | 受控源实验模板性能较好 | 满分:10分 |
11.项目特色或创新
针对实验台受控源模块前后级电路没有电气隔离的缺陷,重新设计、优化并自制了受控源电路,训练学生“发现问题、分析问题、解决问题”的科学思维方法,通过该实验项目让学生经历解决生产实践实际问题的整个过程,使学生在巩固理论知识的同时,培养了学生的工程实践能力。