变频交流电源过流保护系统设计
实验题 目 : 变频交流电源过流保护系统设计
1. 课程简要信息
课程名称 : ( 电 气 系 统综合课程设计)课程学时 : (40 学时)适用 专业 : ( 电 气工程及其 自 动化)学生年级: ( 大学四年级 第一学期)
2. 实验内容与任务 ( 限 500 字, 可与 “实验过程及要求” 合并)
为确保飞机电源系统安全正常运行 发电机控制组件 汇流条控制组件 电子式跳开关等均需具有过流检测和保护功能。 本项 目 的主要任务是设计具有电流采集、 显示、 保护、 通讯等功能于一体的数字式变频交流电源过流保护系统 并搭建测试环境对系统进行性能测试 系统硬件和软件设计时均需考虑电磁兼容性, 项 目 具体任务和技术指标如下:
1 ) 设计单相交流电流采集与信号调理电路 将被测变频电流信号变换成电压信号 并调理到所选 AD 芯片的测量范围 (待测 电流范围 : 0-5A 频率范围 : $3 6 0 { - } 8 0 0 \mathrm { H z }$ ) ;
2) 设计同步倍频电路, 采用微处理器和 AD 转换芯片实现电流信号的等间隔采样, 编写程序,根据采样数据计算电流有效值, 并在显示模块上进行实时显示 (测量误差 ${ \leq } 3 %$ ) ;
3) 设计和编写过流保护程序, 实现过流保护功能 同时具备短路速断保护和过载反时限保护(短路保护时间 ${ \leqslant } 5 0 \mathrm { m s }$ , 过载保护符合反时限标准, 时间误差 $\leqslant 5 %$ ) 。
4) 设计 RS485 接 口 电路, 编写串 口通讯程序, 实现采样数据和运行状态的远程访问 , 程序编写 遵循 Mo dbu s-RTU 通信 协 议 。
3. 实验过程及要求 ( 限 300 字 )
1 ) 选择电流互感器, 注意电流测量范围、 输出信号形式和线性度等关键参数;
2 ) 设计信号调理和放大电路, 注意放大电路的输入阻抗和增益, 并考虑抗干扰措施;
3 ) 根据电流测量精度和保护时间, 确定电流采样频率, 设计电流同步和倍频电路;
4 ) 选择微处理器和 AD 转换器, 编写 电流采样、 数字滤波和有效值计算程序, 并将其以数字的
形式显示出来, 测量误差满足要求;
5 ) 设计 RS485 接 口 电路, 编写符合 MODBUS 协议规范的通讯程序, 实现电流和参数的远程显示;
6 ) 编写过流速断保护程序和过载反时限保护程序, 保护时间满足要求;
7 ) 测定不同 电源频率和负载时的 电流测量误差及保护时间 ;
8 ) 给系统施加浪涌、 脉冲群瞬态干扰, 考察抗干扰能力;
9) 撰写设计报告, 分组演讲 交流各 自解决方案的特点。
4. 相 关知 识及 背 景 ( 限 1 50 字 )
飞机电源保护系统对飞机安全可靠运行至关重要。 本项 目 是一个综合运用单片机技术、 电子技术和 电磁兼容技术解决飞机电源系统工程问题的设计案例 需要运用单片机编程 信号变换 数据显示 串 口通讯及电磁干扰抑制等相关知识与方法。 并涉及标准使用查阅 硬件焊接搭建、 软件设计调试、 仪器设备标定及抗干扰等工程概念与方法。
5. 教学 目 标与 目 的 ( 限 1 00 字 )
在较为完整的工程项 目 实现过程中 引 导学生了解 电源系统参数测量方法、 单片机与抗干扰技术, 实现方法的多样性及选择方法; 培养和训练学生查阅标准、 电路制作、 编程调试、 测试与分析等工程设计和应用能力。
6. 教学设计与引 导
本实验的教学过程设计遵循一般工程项 目 的开发流程, 需要经历学习研究、 方案论证、 系统设计、 实现调试、 测试验证、 设计总结等过程。 在实验教学具体实施过程中 , 重点在以下方面加强对学生的引 导:
1 ) 引 导学生查阅资料和手册, 学习和对比 电磁式、 霍尔式、 空心线圈式电流互感器在测量原理、 测量范围与测量精度等方面的不同 。
2) 给学生强调不同互感器输出信号的形式、 幅度、 驱动能力、 有效范围、 线性度都存在差异,在后续的信号调理 电路设计时必须考虑所用互感器输出 信号特征; 互感器的选型和使用手册中一般都会有参考电路。
3 ) 信号调理电路根据输出信号的不同可分为直流采样和交流采样两种形式, 引 导学生首先对两种方式的实现方法和特点进行对比分析, 再结合系统性能指标要求对设计方案进行选择确定。 具体设计电路时还应考虑滤波、 嵌位、 瞬态骚扰抑制等保护措施, 以增强采样通道的硬件抗干扰能力。
4 ) 引 导学生在具体设计时应根据题 目 要求的测量精度及保护时间要求, 综合考虑 AD 转换芯片的精度 (8 位/10 位/12 位)、 有效值算法 (均方根/傅里叶/峰值法) 的复杂度和抗干扰性能,过流保护系统设计和选型的一般原则是在满足测量精度的前提下尽量缩短保护响应时间 。
5) 在通讯接 口设计调试时提醒学生: RS485 接 口 电路应具有瞬态抑制功能, 显示程序和通讯程序设计时均应加入必要的软件抗干扰措施 (指令冗余/软件陷阱/看门狗)。
6 ) 在各组具体方案设计完成后, 教师通过分组答辩的形式对每个方案进行集中交流、 指导和点评, 并反馈修改意见。
7 ) 在 电路设计、 搭建、 调试完成后, 引 导和协助学生利用数字秒表或数字示波器结合变频电源和交流负载, 设计和搭建试验测试环境, 对过流保护性能进行测试。 利用组合式抗扰度检测仪对系统的 电源电路、 电流采样电路、 485 接 口 电路分别施加干扰信号 (浪涌/脉冲群),检验系统的抗干扰能力 。
8 ) 在实验完成后, 组织学生以项 目 演讲、 答辩、 评讲的形式进行交流, 了解不同解决方案及其特点, 拓宽知识面 。 要求学生在演讲、 答辩和报告撰写环节, 每位组员必须根据组内不同分工分别进行。
另外在设计过程中 , 指导教师要注意学生设计的规范性; 如系统结构与模块构成, 模块间 的接口方式与参数要求; 在调试过程中 , 要注意引 导学生程序设计的结构化模块化, 学会嵌入式系统常见的查找问题和调试技巧 ; 在测试分析中 指导学生判断不同测试方法的特点 学会分析系统的误差来源并尝试如何加 以修正。
7. 实验原理及方案
1 ) 系统结构

图 1 系 统结构 图
过流保护系统总体结构如图 1 所示 一般包括直流电源 微控制器 电流互感器与信号调理电路、 人机接 口和通讯接 口 。 直流电源为系统个模块和芯片提供稳定可靠的直流电源; 电流互感器和信号调理电路实现被测 电流信号的采集、 滤波和变换; 控制器主要完成信号采样、 计算、 显示、 保护和通讯; 按键和显示模块构成系统的人机接 口 , 用于参数、 状态显示和参数设置。 实验中 的被测交流电流可由实验室的变频电源和交流可调负载提供; 电脑中预装 Modscan调试软件或组态软件 可对 Modbus 通讯功能进行测试; 抗扰度测试仪用于对系统的采样通道和通讯接 口施加干扰信号, 测试系统的抗干扰能力 。
2) 实现方案

图 2 系 统实现方案
变频交流电源过流保护系统一般实现方案如图 2 所示, 系统的 电流互感器、 信号调理、 处理器、电流显示、 电源和通讯接 口 的具体实现方式均具有多样性的特点。 系统各主要环节的具体实现方案如下:
电流互感器选型: 常见的 电流互感器种类有电磁式、 霍尔式和空心式, 电磁式电流互感器在测量和保护领域最为常见, 是依据 电磁感应原理, 测量范围较大, 但存在过电流时易饱和 线性度差测量频带窄和输出 阻抗低等缺点; 霍尔式电流互感器依据霍尔效应原理, 具有测量频带宽 (直流/交流/脉冲 ) 响应时间快和集成度高等优点 但需要独立的工作 电源 空心线圈 电流互感器属于有源电子式互感器, 主要由 Rogowski 线圈和数字变换器两部分组成, 与传统互感器相 比具有体积小、 重量轻、 线性度好、 接 口简单等优点, 但其价格偏高, 易受外界磁场及环境温度等因素的影响。
调理电路对比: 交流电流采样的信号调理电路按其输出信号形式不同可分为直流采样和交流采样两种 直流采样是指从互感器输出 的 电压信号采用整流电路 (或精密整流电路) 和滤波电路输出与被测 电流成正比的直流电压信号, 这种方式因为存在滤波电容, 导致电路输出响应滞后, 不适用于快速电流检测的场合。 交流采样是指从互感器输出 的 电压信号直接放大到 AD 的量程范围后直接输出 , 具有响应速度快, 采样信息不丢失的优点。
处理器选型: 处理器是整个保护系统的核心部分 一般多采用微处理器 MCU 作为控制核心 目前 比较常见 的 8 位单片机有 STC、 AVR 、 PIC , 1 6 位单片机有 MSP430 、 TI2407DSP , 32 位单片机有:STM32 等。 这些单片机大都集成了 AD 转换器、 串 口等资源, 从内部资源和处理速度上均能满足本项 目 需要。 除了微处理器外, 本项 目 还可选用可编程逻辑器件 CPLD/FPGA 作为主控芯片, 由于并行处理的工作机制, 使其在处理速度上优于一般微处理器, 但内部接 口 资源需要用户 自行设计搭建,对大多数学生来说开发难度较大, 项 目 周期可能会较长。
显示方案: 典型的显示方式有数码管显示和液晶显示 数码管显示驱动方式分为动态扫描和静态扫描, 也可采用专用驱动芯片 MAX7219, 数码管显示效果醒 目 , 但信息量少 。 液晶显示器按驱动方式分有并 口驱动和串 口驱动两种, 根据显示字符的多少可选用 内部带字库的和不带字库的, 液晶显示驱动 电路简单、 显示信息量大、 界面友好, 是 目 前的主流显示方式。
通讯接 口 : 主流芯片生产厂商均推出 了 自 己的 RS485 接 口芯片, 它们之间 的主要区别在于 内部有没有集成光耦隔离和瞬态抑制器件。 SN75LBC184H 和 SN75176 内部集成瞬态抑制 电路 性价比较高, 如果选择普通的 485 接 口芯片 (如 MAX485 ), 则需要 自 行设计隔离 电路和瞬态抑制 电路, 以起到对接 口 电路进行浪涌保护的作用
同步倍频: 由于变频电源的输出 电流频率 (周期) 可变, 系统采样周期必须跟随被测 电流频率变化, 包括整形同步和锁相环倍频两部分组成, 先通过比较器将电流信号整形成方波信号, 再通过锁相环芯片 CD4046 和分频器 CD4040 设计倍频电路, 输出到微处理器用于确定采样时刻。
有效值算法: 常见的有效值算法有均方根算法、 傅里叶算法和峰值法。 均方根算法计算量适中,但易受干扰数据影响; 傅里叶算法计算量大, 但抗干扰能力强; 峰值法计算量小但易受干扰且精度差。 除了上述算法还有两点乘积法等算法。 为了提高软件抗干扰能力, 无论采用哪种算法, 建议在计算前先对采样数据进行数字滤波。
8. 教学实施进程
本课程 的 组织 实施采用 “ 合作 式 问 题 导 向 学 习 法 ( Cooperative Problem-based Learning CPBL ) 进行过程管理。 为实现项 目 目 标为 目 的, 强调过程性评价且评价主体多元化。 有助于促进学生在团队合作中 自 主学习能力、 团队合作与沟通能力、 解决问题能力的提升。 课程设计整体划分为五个阶段, 具体如下:
第一阶段 (4 学时): 教师讲解题 目 要求及考核方式, 学生 明确小组成员 , 确定项 目 任务。 因为本课程面向 的对象是大四本科生, 他们之间相互了解, 所以采取 自愿的方式组成小组, 小组人数一般3-4 人。 明确小组成员后, 各小组成员 间先独立用 自 己的语言复述要解决的 问题, 明确 已知信息、 未知信息 以及解决问题需要掌握的知识。 然后小组成员进行集体讨论, 得出一个完整的关于项 目 任务的描述, 这样可以使每个学生都参与其中, 且能够使项 目 目 标更加明确 。
第二阶段 (4 学时): 教师讲解关键问题及实验条件, 学生进行 问题分析和任务分配。 小组集体讨论完成项 目 及任务需要的知识和信息, 以及如何获得这些知识和信息, 明确学习 目 标并进行任务分配。 以 4 人一组为例, 任务分工一般可按以下方式进行划分:
任务 1 : 电流采样调理电路的设计及采样子程序编写与调试;
任务 2: 显示/按键接 口 电路和人机接 口程序的设计与调试;
任务 3: 处理器最小系统设计、 主程序和过流保护子程序编写与调试;
任务 4: 系统电源、 同步倍频电路、 485 通讯程序的设计与调试;
这样分组的好处是每个学生均能得到硬件和软件方面的锻炼, 不建议按照资料查找、 硬件设计、软件设计 报告 PPT 的方式进行任务划分 分工完成后组员按照任务查找资料进行 自 主学习 学习完成后组员之间互相介绍 自 己的学习心得和收获。
第三阶段 (26 学时): 完善方案, 解决问题。 组员之间根据第二阶段学习结果, 讨论制定问题的解决思路和方案, 根据指导教师意见进一步完善设计方案。 教师按组发放实验仪器、 电子元件和材料,组员按照设计方案, 协作完成项 目 任务。 教师进行过程指导与答疑, 每天检查各组任务进展情况。
第四阶段 (4 学时): 项 目 设计作品测试验收。 每个小组根据题 目 任务和设计要求搭建测试环境,对设计作品进行现场性能测试, 指导教师根据各项任务实际完成情况对每个组进行打分。
第五阶段 (2 学时): 项 目 总结, 展示及反馈。 每组对项 目 成果进行 15 分钟的集中介绍和展示,指导教师对每个组员进行提问, 并对回答情况进行评价和打分, 评价内容包括“做的好的方面” 和 “有待提高的方面”, 这样有助于组员解决问题能力的持续提升。
9. 实验报告要求
课程设计报告在满足格式和语言规范的前提下, 内容应重点反映以下工作:
1 ) 实验需求分析: 根据题 目 各项任务要求和技术指标, 对系统组成及各功能模块进行简要描述, 明确各模块所承担的主要任务、 输入输出特性及主要参数指标。
2 ) 实现方案论证: 列出 已知的实现各功能模块功能的所有方法手段, 从性能、 价格、 难易程度等多角度对各种方法进行对比分析, 结合实验室现有条件和所学知识, 从中选择最优解决方案。
3 ) 理论推导计算: 运用所学专业理论知识, 详细展示信号调理、 同步倍频等电路参数的计算过程, 根据电流精度要求对模数转换精度和采样频率进行估算。
4 ) 系统设计与参数选择 : 利用 PROTEUS 软件画 出系统各部分电路原理图, 给出系统主程序和采样 有效值计算 显示 保护 通讯子程序流程图 。
5 ) 系统测试与实验数据记录、 分析: 分任务对系统各功能进行测试, 并记录测试方法、 步骤、数据和结论。
6 ) 实验结果总结: 回顾项 目 设计调试全过程总结所遇到的主要问题及解决方法, 对作品各功能和性能指标的完成情况进行客观总结, 从 “做的好的 ” 和 “有待提高” 两个方面对整个小组和 自 己所做工作进行客观评价。
10. 考核要求与方法 ( 限 300 字)
为全面反映学生的文献检索、 理论水平、 实验技能、 写作归纳等综合实践能力, 培养学生良好的治学态度、 实事求是的作风和勇于探索的精神, 电气系统综合课程设计成绩评定采取阶段考核与设计报告相结合, 总成绩以阶段考核成绩为主的考核方法。 指导教师根据每个阶段的任务特点, 制定阶段考核重点 内容和所 占分值, 具体如下:
表 1 考核内容与评分标准
| 考核单项 | 考核重点 | 单项分数 | 总分(100分) |
| 实验方案与设计(第三阶段考核) | 方案设计是否合理,考虑是否全面 | 10分 | 25分 |
| 完成图纸或软件流程设计,且满足设计要求,术语符号规范 | 15分 | ||
| 硬件制作(第三阶段考核) | 结构设计、硬件焊接、布局是否合理规范 | 10分 | 10分 |
| 性能测试(第四阶段考核) | 电流采样与信号调理电路 | 10分 | 45分 |
| 电流有效值计算与显示 | 15分 | ||
| 短路速断保护和过载反时限保护 | 10分 | ||
| MODBUS串口通讯、抗干扰性能 | 10分 | ||
| 答辩与技术报告(第五阶段考核) | 答辩叙述是否清晰、正确 | 5分 | 20分 |
| 回答问题情况 | 5分 | ||
| 技术报告是否全面、规范 | 10分 |
11 . 项 目 特色或创 新 ( 可 空缺 , 限 1 50 字 )
项 目 的特色在于:
项 目 背景的工程性, 题 目 来 自 飞机变频交流电源实际需求, 与 民航机务维修专业联系紧密;
知识应用 的综合性, 内容涉及单片机、 电子技术、 飞机电源和 电磁兼容等多 门专业课程;
实现方法的多样性, 处理器、 采样、 算法、 显示、 通讯等模块均具有两种或以上实现方式。
参赛信息表
| 案例提供单位 | 中国民航大学 | 相关专业 | 电气、自动化类专业 | |||
| 设计者姓名 | 张长勇 | 电子邮箱 | cyzhang@cauc. edu.cn | |||
| 移动电话 | 13752111433 | 通讯地址(含邮编) | 天津市东丽区津北公路2898号民航大学电动学院(300300) | |||
| 设计者姓名 | 董慧芬 | 电子邮箱 | hfdong@cauc.edu. cn | |||
| 移动电话 | 13820774067 | 通讯地址(含邮编) | 天津市东丽区津北公路2898号民航大学电动学院(300300) | |||
| 设计者姓名 | 何永勃 | 电子邮箱 | ybhe@cauc.edu.cn | |||
| 移动电话 | 13820834695 | 通讯地址(含邮编) | 天津市东丽区津北公路2898号民航大学电动学院(300300) | |||
| 相关课程名称 | 电气系统综合课程设计 | 学生年级 | 四年级 | 学时(课内+课外) | 40学时 | |
| 支撑条件 | 仪器设备 | 单片机核心板、变频电源、可调负载、毫秒表、示波器、万用表等 | ||||
| 软件工具 | Proteus、Keil C51、MATLAB、串口调试助手、modscan32等 | |||||
| 主要器件 | 互感器、单片机、AD芯片、液晶模块、运放、锁相环、通讯接口等 | |||||
佐证材料
1、 实验过程


仿真测试

实物测试

抗扰度和静电放电测试
2、 设计报告
电气系统综合课程设计
一、设计要求:1、设计工频交流电流采集和调理电路,将大电流信号变换成0-5V的电压信号,并测量输出的线性度;
2、通过AD芯片采集一个周波(20ms)的信号,等间隔采样12个点并显示,通过采样数据计算电流有效值,并与实际电流相比较,
3、实现过流保护功能,保护时间符合反时限特性
基于单片机的过流保护系统
二、系统的初步设计方案分为两种:
1、用硬件来搭建反延时保护电路以期实现反延时及过流保护功能。
2、用软件。通过编程配合可编程元器件的控制方式来实现反延时及过流保护功能
我们组通过讨论比较后得出结论:第一设计方案实行起来虽然简单,只需要搭建硬件电路即可。但是缺点也很明显,即实际实行起来会增加了额外成本,也使得电路变得庞大复杂,灵活性低,控制精度也相对较低,电路的故障率会增大,维护起来也相对困难。相比之下,第二种设计方案优点就很明显了:运用单片机及其控制程序,配合外接的简单继电器开关控制电路就可以完成高精度,高灵活性,低故障率,并且成本相对较低,满足过流保护及反延时等功能的保护电路。
班级:161542F
姓名:常坦161542601秦懿161542619朱军161542638
2019年10月15日
我们组经过讨论后决定用第二套方案,用编程控制的方式来满足系统的要求。我们组绘制的系统组成方框图如图1所示:

我么组的工作是要完成采样电路,A\D转换电路,数据处理,显示电路以及继电器开关电
1、设计要求
电气系统综合课程设计
设计预期达到的性能指标及功能要求
2、设计方案
2.1总体方案
设计方案的选择和确定,绘制系统总体框图、硬件原理图、软件流程图。
系统采用STM32F407单片机作为核心处理器,由霍尔电流传感器将目标正弦电流以一定线性关系转化为电压送到单片机AD端口进行采样,由单片机对一个周期里的电压值采样换算并以峰值采样方案计算并通过OLED显示目标正弦电流的有效值,当电流有效值大于阈值时,设置反延时函数,通过继电器断开电路。
基于单片机的过流保护系统
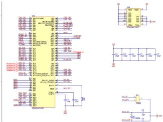
系统硬件主要为STM32F407单片机最小系统、霍尔传感器、OLED显示模块等组成。硬件整体原理图如下图1所示。
班级:161542E姓名:孙忠义莫浩杰宋禹霖林秋实学号:161542521161542518 161542520 161542514

图1硬件整体原理图
系统整体软件主要包括系统初始化、ADC采样、有效值计算、有效值显示,反延时动作几部分组成。系统整体软件流程图如下图3所示。
3、 课程大纲
15424002课程名称:电气系统综合课程设计
Electrical System Integrated Curriculum Design 教学大纲
| 归属单位 | 电子信息与自动化学院 | 课程编号 | 15424002 |
| 归属系 (室) | 航空电气系 | 总学时数 | 2周 |
| 理论学时 | 实践学时 | 2周 | |
| 学分 | 2 | 适用专业 | 电气工程及其自动化 |
| 首选教材 | |||
相关课程:自动控制原理;电机与拖动;电力电子技术前续课程:计算机控制技术;飞机电源系统;航空检测技术;电气传动控制系统后续课程:飞机电传操纵系统;毕业设计
一、课程的性质
本课程是电气工程及其自动化专业本科学生的一门专业基础必修课。
二、课程的地位、作用和任务
课程的地位:本课程是电气工程及其自动化专业的教学实践环节之一,是本科生综合运用所学专业基础课、专业课,通过一个实际的工程设计,巩固和加深对所学理论知识的理解,培养学生分析问题和解决实际问题的能力、培养学生理论联系实际的能力。是初步学习系统工程设计方法,初步培养科研能力的重要实践性教学环节。
课程的作用与任务;通过本课程设计,学生应该了解如何设计一个综合电气系统的基本流程,熟悉系统各环节的设计方法,各环节元件的选择方法,掌握一般综合电气系统的设计
4、 成绩评定
中国民航大学2019-2020学年第1学期成绩登记表
| 开课学院:电子信息与自动化学院 课程名称:电气系统综合课程设计 | 任课教师:张长勇 课程代码:15424002 | 考核方式: 学分:2.0 | |||||
| 序号 | 姓名 | 学号 | 平时 | 期末 | 总评 | 备注 | |
| 行政班:151142D | |||||||
| 1 田紫兴 | 151142423 | 60 | 75 | 71 | |||
| 行政班:161542B | |||||||
| 程甘雨 | 161542204 | 80 | 85 | 84 | |||
| 2 3 | 刘悦 | 161542216 | 80 | 85 | 84 | ||
| 4 | 王嗣允 | 161542224 | 80 | 85 | 84 | ||
| 行政班:161542E | |||||||
| 5 | 陆季平 | 151142715 | 77 | 90 | 86 | ||
| 6 | 常东润 | 161542501 | 94 | 90 | 91 | ||
| 7 | 陈俊宏 | 161542502 | 97 | 85 | 89 | ||
| 8 | 崔德武 | 161542503 | 97 | 85 | 89 | ||
| 9 | 杜臣济 | 161542504 | 97 | 85 | 89 | ||
| 10 | 付晓明 | 161542505 | 92.5 | 90 | 91 | ||
| 11 | 郭建强 | 161542506 | 91 | 85 | 87 | ||
| 12 | 环志宇 | 161542508 | 94 | 90 | 91 | ||
| 13 | 贾英杰 | 161542509 | 91 | 85 | 87 | ||
| 14 | 雷毅 | 161542510 | 92.5 | 90 | 91 | ||
| 15 | 李江山 | 161542511 | 78.5 | 85 | 83 | ||
| 16 | 李青川 | 161542512 | 92.5 | 90 | 91 | ||
| 17 | 李政 | 161542513 | 91 | 85 | 87 | ||
| 18 | 林秋实 | 161542514 | 95.5 | 90 | 92 | ||
| 19 | 刘珊 | 161542515 | 94 | 90 | 91 | ||
| 20 | 刘志安 | 161542516 | 85.5 | 85 | 85 | ||
| 21 | 马虎星 | 161542517 | 91 | 85 | 87 | ||
| 22 | 莫浩杰 | 161542518 | 95.5 | 90 | 92 | ||
| 23 | 秦越华 | 161542519 | 78.5 | 85 | 83 | ||
| 24 | 宋禹霖 | 161542520 | 95.5 | 90 | 92 | ||
| 25 | 孙忠义 | 161542521 | 95.5 | 90 | 92 | ||
| 26 | 汪童洋 | 161542522 | 77 | ||||
| 90 | 86 | ||||||
| 27 | 王雷 | 161542523 | 85.5 | 85 | 85 | ||
| 28 | 王一府 | 161542524 | 85.5 | 85 | 85 | ||
| 29 | 王怡凡 | 161542525 | 94 | 90 | 91 | ||
| 30 | 吴国库 | 161542526 | 78.5 | 85 | 83 | ||