四位可预置位选倒计时电路的设计
实验题目:四位可预置位选倒计时电路的设计
1. 课程简要信息
课程名称:数字电子技术
实验学时:6学时
适用专业:电子信息工程、通信工程等
学生年级:大学本科二年级第二学期
2. 实验内容与任务(限 500 字,可与“实验过程及要求”合并)
实验内容:
1)设计四位可预置位选倒计时电路;
2)对所设计的四位可预置位选倒计时电路进行 Multisim仿真测试;
3)利用Altium Designer软件设计四位可预置位选倒计时电路的PCB图;
4)在制作完成的 PCB 上焊接四位可预置位选倒计时电路并进行功能调试。
实验任务:
1)设计四位十进制减法计数器电路,并进行 Multisim仿真测试;2)设计一秒脉冲发生器,作为计数器的时钟脉冲,并进行Multisim仿真测试;3)设计倒计时启停控制电路,并进行 Multisim 仿真测试;4)设计预置数据设置和预置位选控制电路,用于设置四位倒计时器的计数初值,并进行Multisim 仿真测试;5)设计倒计时完成状态锁定电路及报警电路、上电复位电路,当计时器递减计时到零(即定时时间到)时,显示器上显示 0000,同时发出声光报警信号,并进行 Multisim 仿真测试;6)对以上各分块电路进行组合,完成四位可预置位选倒计时电路总图,并进行 Multisim 仿真测试;7)利用 Altium Designer 软件设计四位可预置位选倒计时电路的原理图和 PCB 图;8)识别四位可预置位选倒计时电路的元件,根据电路图在制作完成的 PCB 上焊接四位可预置位选倒计时电路并进行调试。
3. 实验过程及要求(限 300 字)
本实验项目为设计性实验,按照设计流程包括以下几个主要过程:
1)根据设计任务,分析功能要求,确定系统的设计框图;
2)查询相关资料,根据所要求的器件设计满足要求的各功能模块电路;
3) 用Multisim仿真软件对各功能模块电路进行仿真测试;
4) 把单元电路合理连接成整体电路,对整体电路进行功能仿真;
5) 利用 Altium Designer 软件设计电路的原理图和 PCB 图;
6)在制作完成的PCB 上完成电路焊接和调试;
7)功能演示,汇报交流;
8)总结设计过程,撰写课程设计报告。
4. 相关知识及背景(限 150 字)
本项目主要培养学生运用数字电路课程中组合逻辑电路和时序逻辑电路等众多知识点设计综合性电路的能力。将数字电路知识应用于实际的典型案例,包括秒脉冲电路、减法计数器电路、译码显示电路、预置数据设置和位选控制电路、倒计时完成状态锁定电路等设计内容。项目涉及Multisim 仿真软件和 Altium Designer PCB 设计软件的使用,PCB 的焊接与调试等。
5. 教学目标与目的(限 100字)
通过此综合性设计实验,引导学生综合运用所学知识解决实际问题的能力,深入理解基本组合电路,基本时序电路的工作原理及应用方法;提升学生使用仿真软件、焊接硬件电路及调试故障电路等实践能力;引导学生逐步掌握电子系统的设计方法。
6. 教学设计与引导
本实验是一个综合完整的数字电路应用工程实践项目,需要经历功能分析、系统设计、电路仿真、PCB设计、硬件制作、电路调试以及设计总结等过程。在实验教学中,应在以下几个方面加强对学生的引导:
1)常用组合逻辑电路和时序逻辑电路设计的基本流程;
2)各功能模块所用到的电子器件参数及测试和使用方法;
3) 各功能模块的设计方法;
4) 各功能模块的连接方法;
5) 仿真软件的使用方法及注意事项;
6) PCB设计软件的使用方法及注意事项;
7)实验器材(电烙铁、万用表等)的使用方法及注意事项;
8)实验中常见故障的成因及排除方法;
9)实验完成后设计报告写作思路及答辩流程。
7. 实验原理及方案
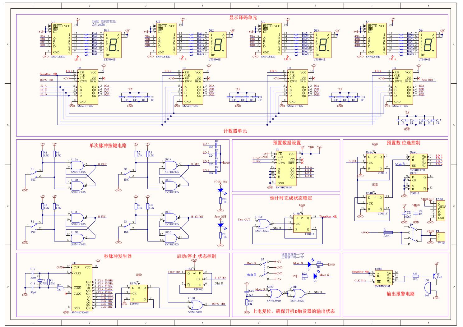
(1)电路的总体设计方案框图
四位可预置位选倒计时电路的总体设计方案框图如图 1所示,系统包括秒脉冲发生器、四位十进制减法计数器、译码显示电路、控制电路以及报警电路等五个部分,其中四位十进制减法计数器和控制电路是系统的主要部分。

图 1 四位可预置位选倒计时电路的总体设计方案框图
(2)实验方案
1)秒脉冲发生器
利用带振荡器的14位二进制异步计数器74HC4060设计一输出频率为 $2 \mathrm { H z }$ 的时钟脉冲电路,之后利用 D 触发器 CD4013 设计二分频电路来实现,秒脉冲发生器电路如图 2 所示。

图 2 秒脉冲发生器
2)四位十进制减法计数器
计数器选用中规模集成电路 74HC192 进行设计较为简便,74HC192 是十进制可编程同步加/减计数器,它采用 8421 码二—十进制编码,并具有直接清零、置数、加/减计数功能。采用四块 74HC192 集成芯片级联构成四位十进制减法计数器,低位片的借位输出端连接到高位片的减计数时钟输入端,电路如图3所示。

图 3 四位十进制减法计数器
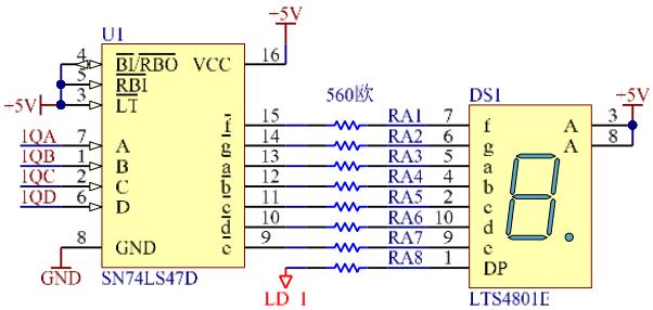
3)译码显示电路
采用中规模集成器件BCD码七段共阳译码驱动器74LS47驱动点亮共阳极数码管LTS4801E,电路如图 4 所示。

图 4 译码显示电路
4)报警电路
采用中规模集成器件双 2 线-4 线译码器 74HC139、PNP 三极管和蜂鸣器实现倒计时完成报警,电路如图5所示。

图 5 报警电路
5)控制电路
为了保证系统的设计要求,在设计控制电路时,应正确处理各个信号之间的时序关系。从系统的设计任务可知,控制电路要完成以下四项基本功能:
$\textcircled{1}$ 倒计时启/停控制电路
在倒计时模式下,按下 S4 键,输出 1Hz 秒脉冲,计数器开始工作;再次按下 S4 键,计数器暂停计数,显示器上保持原来的数值不变,电路如图6所示。

图 6 倒计时启/停控制电路
$\textcircled{2}$ 预置位选控制电路
在预置数模式下,连续按下S3键,译码器74HC139 的四个输出依次输出低电平,分别控制四个计数器的预置控制端,使相应计数器工作于预置数状态,电路如图 7所示。

图 7 预置位选控制电路
$\textcircled{3}$ 预置数据设置电路

图 8 预置数据设置电路
在预置数模式下,按下S1键,对选中的计数器进行加置数设置;按下S2 键,对选中的计数器进行减置数设置,电路如图8所示。
$\textcircled{4}$ 倒计时完成状态锁定电路
当计数器递减计数到零(即定时时间到)时,最高位计数器输出一个借位信号给倒计时完成状态锁定电路,使其输出一个控制信号给所有计数器的清零端,从而使计数器的 0状态被锁定,电路如图 9 所示。

图 9 倒计时完成状态锁定电路
8. 教学实施进程
本实验总学时为 6 学时,具体实施进程如下表所示。
表 1 教学实施进程
| 实验阶段 | 学时 | 教学安排 | 具体内容 |
| 实验准备 | 0.5 | 任务发布 | 1)发放实验任务书,使学生明确实验任务及目标;2)硬件电路图设计原理讲解与设计思路引导。 |
| 资料查找 | 熟悉组合逻辑电路和时序逻辑电路相关基础知识,学习倒计时电路的工作原理与设计步骤,学习Multisim仿真软件、PCB 设计软件的使用方法和焊接技术理论知识。 | ||
| 实验过程 | 2 | 教学引导 | 1)引导学生对各模块电路进行设计;2)讲解仿真软件 Multisim、PCB 设计软件 Altium Designer 的使用注意事项及PCB 焊接注意事项。 |
| 2 | 实践操作 | 1)用Multisim 仿真软件对设计电路进行仿真测试;2)利用Altium Designer软件设计电路的PCB图;3)在制作完成的PCB上完成电路的焊接和调试。 | |
| 1.5 | 实物验收 | 测试电路的效果,能结合所学理论知识对不同的实验结果进行分析。 | |
| 课后总结 | 报告总结 | 按照实验要求完成相应的实验任务,总结本次实验结果,按照实验报告格式要求,书写实验报告。 | |
| 成绩评定 | 教师对学生实验报告进行批改评分及实验成绩评定。 |
9. 实验报告要求
实验报告需要包括以下内容:
1)实验需求分析描述系统功能,明确实验实现的目标要求及设计任务内容。
2)实现方案论证画出总电路框图,描述框图中各电路功能模块的实现方案,对方案进行可行性分析。
3)电路设计思路描述电路设计思路。
4)电路测试及调试方法介绍电路测试及调试方法。
5)实验数据记录记录各模块电路的完成情况及整体联调情况。
6)数据处理分析实验结果分析,记录实验过程中所遇到的各种实际问题及解决办法。
7)实验结果总结
总结本次实验的心得与收获。总结电路设计思路,电路仿真、PCB 设计和 PCB 焊接与调试的经验。找出本次设计的不足与改进之处。
10.考核要求与方法(限 300 字)
考核成绩采用分阶段多维度方式,总成绩由各部分成绩的总和构成,同时根据实际情况适当调整部分评分项目。
1)出勤情况( $10 %$ ):考查学生的到课情况。
2)硬件电路和PCB设计成绩( $30 %$ ):
硬件电路设计( $1 0 %$ ):考查学生硬件电路的设计能力;
PCB 设计( $1 5 %$ ):考查学生 PCB 的设计能力。
3)电路板焊接与调试成绩( $1 5 %$ ):元件布局是否美观,焊点是否可靠、光滑、圆润,硬件电路是否实现了设计要求。
4)答辩演示( $1 5 %$ ):作品演示、答辩是否熟练流畅。
5)课程设计报告( $3 0 %$ ):报告内容是否科学、完整,报告格式是否规范。
11.项目特色或创新(可空缺,限 150 字)
1)在具体电路设计上,通过启发式引导学生回顾所学知识,设计满足要求的电路;2)让学生明白模块间的连接和协同工作关系,引导学生从全局上看问题,培养学生的系统
思维;3)加入PCB 焊接与调试,希望学生能够沉下心来,耐心认真做事,将精益求精的工匠精神
潜移默化的融入教学过程。附:学生作品图、电路原理图和PCB图、Multisim仿真电路图。

学生作品图
制作完成的 PCB 图
操作说明:S0 电源总开关,S5 置数/计时切换开关,S4 计时启停按键,S3 置数位选按键,S2 置数加按键,S1 置数减按键,L4置数指示灯,L5计时指示灯,L2倒计时结束指示灯,L1正常计时指示灯。

焊接完成的作品

电路原理图和 PCB 图
四位可预置位选倒计时电路原理图

四位可预置位选倒计时电路PCB图

Multisim 仿真电路图
四位可预置位选倒计时电路 Multisim 仿真图