基于51单片机的智能宠物小窝系统设计
实验题目:基于 51 单片机的智能宠物小窝系统设计
1. 课程简要信息
课程名称:微机原理与接口技术
课程学时: $4 8 + 4 0$
适用专业:电子类专业
学生年级:3 年级
2. 实验内容与任务(限 500 字,可与“实验过程及要求”合并)
实验要求设计的智能宠物小窝系统主要包括 51系列单片机、显示模块、温度测量模块、超声波测距模块、烟雾测量模块、电机及驱动模块、蜂鸣器和二极管等。单片机控制系统实现自动定时定量给宠物喂食、自动检测食物余量、实时检测宠物窝内的温度并调节、电子宠物门的智能控制和烟雾检测报警等功能。人性化的解决了用户不在家时宠物的饮食等基本日常活动。
(1) 基本部分(60 分)
$\textcircled{1}$ 通过单片机显示正常时钟,设置宠物喂食的时间及其喂食量。达到喂食时间时,单片机驱动步进电机打开阀门放出食物,从而实现定时定量喂食。
$\textcircled{2}$ 超声波障碍检测模块分为超声波测距模块和蜂鸣器。当食物充足时,超声波传感器检测前方有食物,蜂鸣器停止工作。反之,当食物不足时, 蜂鸣器工作,提醒用户添加食物。
(2) 提高部分(30 分)
$\textcircled{1}$ 用温度传感器实时检测宠物窝内环境的温度并显示在数码管,设置一个窝内温度阈值,若窝内环境温度大于或等于设置的温度阈值,单片机驱动小风扇调节窝内的温度。
(3) 扩展部分(10 分)
$\textcircled{1}$ 通过单片机控制步进电机实现宠物电子门控制。如果发生火灾,烟雾传感器检测到一定程度的烟雾,单片机通过蜂鸣器发出警告,同时单片机控制步进电机正转或反转 90 度,模拟电子门开/关,方便宠物逃生。
3. 实验过程及要求(限 300字)
本实验要求 3-4 人一组,分工合作共同完成实验任务。具体过程如下:
-
通过学习和查找资料,了解智能宠物小窝的设计方法;
-
深入了解各个功能模块的具体性能和控制方法,注意传感器的类型、测量范围和测量精度、输出信号形式和线性范围等关键的特征参数;
-
通过讨论,根据任务要求设计实验方案,并分解具体任务到个人;
-
根据传感器型号、功能,设计电路;通过仿真优化电路设计;
-
分别实现系统的硬件焊接制作和软件编写;
-
小组合作进行系统的联合调试;
-
完成实验任务要求,提交验收;
-
撰写设计总结报告,通过课堂讨论,学习交流各组在实验过程中遇到的问题和解决的方法,总结实践经验和未来改进方向。
4. 相关知识及背景(限 150 字)
这是一个运用 51单片机、数字和模拟电子技术、机械控制技术来解决现实生活和工程实际问题的典型案例,涉及传感器及检测技术、数据显示、电机控制、系统焊接和调试等相关知识和技术方法。掌握一般电子电路的设计、仿真、安装、调试的方法,掌握数字电路常用的故障检测和排除方法。
5. 教学目标与目的(限 100 字)
在这个综合实验项目实现过程中,考察学生对51 单片机技术、传感器技术,数字电路相关知识的掌握,引导学生根据工程需求选择元器件、设计电路方案、基于模块化方法快速构建系统、软硬结合综合调试系统,引导学生扩展视野,鼓励拔尖学生突破知识瓶颈,尝试更好的接近实际的设计方案。
6. 教学设计与引导
本实验的过程是一个比较完整的工程实践过程,需要经历学习研究、方案论证、系统设计、器件选择、仿真模拟、焊接组装、程序编写、系统联调、总结思考等过程。教师主要对方案设计、程序编写、系统联调等过程中进行引导,重点在关注学生如何发现问题、查询资料、解决问题的能力上予以培养,实时掌握项目进展,发掘学生团队协作能力。


$\textcircled{1}$ 对于学生设计过程中产生的各种问题,引导学生查询资料,对提出的问题考虑相应的解决方案,锻炼学生发现问题、解决问题的能力;
$\textcircled{2}$ 基于Proteus对设计好的电路进行仿真测视,检查电路完整性、可靠性,检查无误情况下,进一步开发;
$\textcircled{1}$ 在系统板焊接时,要注意硬件的合理布局和连接接口的布置,以方便调试;在满足功能的基础上,要对程序不断地优化,着重考虑程序的兼容性并为后续的升级留有余地。

$\textcircled{2}$ 在联合调试时,鼓励学生积极思考,在遇到问题时利用各种调试手段和调试设备分段分功能进行检查,查找问题根源,并针对问题进行全方面思考后解决;
$\textcircled{3}$ 在调试中,要注意电路工作的稳定性与可靠性,同时分析测试过程中,系统的误差来源并加以验证。
$\textcircled{4}$ 在电路设计、搭试、调试完成后,需要根据实验室所能够提供的条件,设计测试方法,在多种环境中进行测视,促进系统稳定性。

在实验完成后,可以组织学生以项目演讲、答辩、评讲的形式进行交流,了解不同解决方案及其特点,拓宽知识面。
引导学生根据自己的作品撰写实验报告,在报告中分析作品的优势和不足,对不足内容思考改进方案,进一步提高。
7. 实验原理及方案
1)系统结构
根据实验要求设计的智能宠物小窝控制系统的框图如图 1 所示。

图 1 系统框图
2)系统原理图
根据智能宠物小窝控制系统的方案设计出系统原理图。
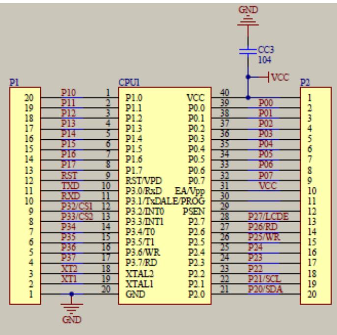
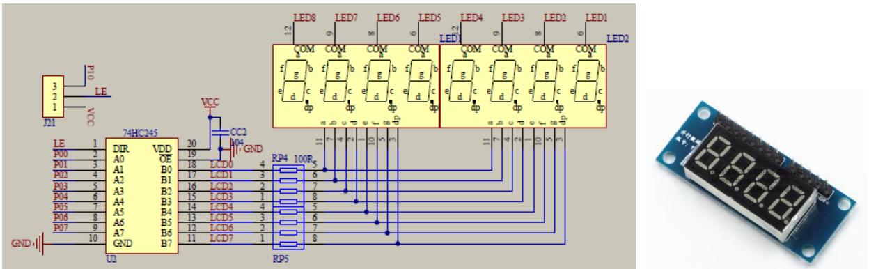
图2是 51单片机原理图,图中的管脚分配仅作为一种示例,学生可以参考它,再根据自己的方案进行设计和管脚分配。图 3至图10 是可供选择的各个模块原理图和对应模块外观图。

图 2 51单片机原理图

图 3 电机驱动模块原理图及外观图

图 4 温度测量模块原理图及外观图

图5 超声波测距模块原理图及外观图

图6 蜂鸣器原理图及外观图

图 7 时钟模块原理图

图 8 LCD 模块原理图及外观图

图 9 138译码器模块原理图

图 10 数码管模块原理图及外观图
3) 实现方案
系统工作的主流程图如下图所示,该流程仅作为一个示例,学生可以根据自己的方案设计流程图并编写软件。

图 11 流程图
8. 教学实施进程
1)在课程的开始,教师进行综合实验任务的布置,学生自由组队,并深入了解项目的要求。以任务推动学生对 51单片机的学习。
2)在课程理论学习和基础实验阶段,学生边学习基础知识,边按组合作讨论实现方案,决定选择的器件模块和完成的功能,并进行分工。以此促进学生更积极主动的学习和进行项目
设计。

图 12 课堂讨论
3) 在综合实验阶段,学生完成实验任务,教师负责指导、验收和总结,具体如下:
$\textcircled{1}$ 学生按照各自的分工对所负责的部分进行软硬件电路设计,教师进行现场指导;
$\textcircled{2}$ 学生合作调试电路,共同解决调试电路过程中遇到的实际问题,教师进行现场指导;
$\textcircled{3}$ 教师对各组的实验结果进行验收;

图 13 学生作品展示验收
$\textcircled{4}$ 教师组织各组同学交流经验,总结遇到的实际问题和解决方法,以及未来改进的方向。

图 14 经验交流会
9. 实验报告要求
实验报告需要反映以下工作:
1)实验需求分析:思考社会问题,根据日常生活提出项目需求。
2) 实现方案论证:对需求进行理论论证,设计合理的项目方案,包括:器件选择、系统设计等,要求考虑设计合理性和器件选择性价比。
3) 电路设计:根据各个功能模块的软硬件电路设计原理和功能实现智能宠物小窝系统;
4) 仿真实验验证:将设计好的方案基于 Proteus 仿真验证,选择最合适的器件,搭建具有创新性、稳定性的系统,降低调试过程中的器件浪费;
5) 电路调试方法:阐述调试电路过程中遇到的实际问题和如何解决的;
6) 系统分析:分析仿真系统与实物系统之间的误差值及误差原因,总结误差降低方法;
7)实验结果总结:总结系统设计的完善性、合理性,阐述创新点和改进方向。
10.考核要求与方法(限 300 字)
1)仿真验收:仿真系统功能的完成程度(电路设计,器件型号选择、传感器类型选择等)。
2) 实物验收:功能与性能指标的完成程度(如软硬件设计、电路调试、传感器信号的显示、
温度测量、电机控制),完成时间。
3) 实验质量:电路方案的合理性,焊接质量、组装工艺。
4) 自主创新:功能构思、电路设计的创新性,自主思考与独立实践能力。
5) 实验成本:是否充分利用实验室已有条件,材料与元器件选择合理性,成本核算与损耗。
6) 实验测试:测试仿真与实物之间的误差。
7) 实验报告:实验报告的规范性与完整性。
11.项目特色或创新(可空缺,限 150 字)
智能宠物小窝的设计,具有较强的实用性和先进性。实验过程注重工程素质的培养,促进学生了解产品的方案论证、系统设计、制作、调试、实现功能的全过程。实验以兴趣引导学生对 51 单片机的学习,以任务推动学生自主开发,以动手实践提高学生的工程设计能力,以交流促进相互提高,还可以培养团队合作精神。
参赛信息表
| 案例提供单位 | 西安电子科技大学 | 相关专业 | 电子信息工程 | |||
| 设计者姓名 | 刘洁怡 | 电子邮箱 | jieyiliu @ xidian.edu.cn | |||
| 移动电话 | 15229010220 | 通讯地址(含邮编) | 陕西省西安市太白南路2号西安电子科技大学,710071 | |||
| 设计者姓名 | 许辉 | 电子邮箱 | xuh @mail.xidian.edu.cn | |||
| 移动电话 | 13572243482 | 通讯地址(含邮编) | 陕西省西安市太白南路2号西安电子科技大学,710071 | |||
| 设计者姓名 | 王新怀 | 电子邮箱 | xinhuaiwang @ xidian.edu.cn | |||
| 移动电话 | 15129272744 | 通讯地址(含邮编) | 陕西省西安市太白南路2号西安电子科技大学,710071 | |||
| 相关课程名称 | 微机原理与接口技术 | 学生年级 | 大三 | 学时(课内+课外) | 48+40 | |
| 支撑条件 | 仪器设备 | 计算机、PICKIT3在线调试器、工具箱、万用表、示波器等 | ||||
| 软件工具 | MPLABX、XC8 编译器、Proteus等 | |||||
| 主要器件 | 单片机、数码管、LCD模块、温度测量模块、超声波测试模块、烟雾测试模块、电机及其驱动板、继电器和灯泡等 | |||||