基于交通灯控制案例的数电实验课
实验题目:基于交通灯控制案例的数电实验课
1. 课程简要信息
本实验共 16 学时,分成 8 次实验课,区别于传统以验证性实验为主的数字电子技术实验,以交通灯控制电路设计为主线,将交通灯电路各个功能模块分割,展开成若干子实验内容,每次实验课引导学生设计实现一个功能模块,增加学生代入感。最后,由点到面、由浅到深地实现对交通灯控制电路的整体设计。
本实验内容还与理论课紧密联系,基本涉及数字电子技术理论课的所有重点章节,包括 TTL门电路、组合逻辑电路、触发器、时序逻辑电路和脉冲波形的变换与产生等等,将理论知识贯穿整个实验过程,最终全部使用于交通灯控制电路的整体设计与实现中。打破了实验内容与生产生活实际相脱离的局面,使学生更好的理解数字电子技术在实际生活中的应用,并能更好地将分散的理论知识联结为一个整体。
本实验适用于电子信息类专业、自动化类专业、计算机类专业等大学二年级学生作为电学基础必修课程学习。
2. 实验内容与任务(限 500 字)
-
设计一个用于十字路口的交通灯控制电路。能显示十字路口东西、南北两个方向的红、黄、绿的指示状态。
-
设置外部操作开关,控制数码管显示的直接清零、置数。
-
具有倒计时功能。要求东西方向先为绿灯持续 27s,之后变为黄灯持续 3s,最后变为红灯持续 30s,往复循环。此时南北方向先为红灯持续 30s,之后变为绿灯持续 27s,最后变为黄灯持续 3s,往复循环。黄灯每秒闪亮一次。
-
自行设计时钟脉冲产生电路。
-
用 PROTUES软件进行仿真调试,并在数字电子试验箱上实现整体电路。
3. 实验过程及要求(限 300字)
-
实验一:学习集成芯片的基本使用方法,用集成芯片构成简单门电路,并验证其功能;
-
实验二:学习组合逻辑电路的设计方法,利用基本逻辑门电路设计手动交通灯主控电路,实现交通灯基本指示功能;
-
实验三:选择集成译码器,搭配相应的七段数码显示管,构成译码显示电路;
-
实验四:正确掌握集成计数器的使用方法,利用集成计数器实现任意进制计数器的设计,要求可实现双向可逆计数器,并用于交通灯电路;
-
实验五:根据触发器的构成、触发方式、逻辑功能等选择合适集成芯片,用触发器和计数器完善交通灯主控电路,实现自动控制;
-
实验六:学会分析和测试用 555时基电路构成的多谐振荡器的典型电路,自主设计并实现频率可调节的脉冲产生电路,用示波器观察调节出频率为 1HZ的脉冲波形;
-
实验七:总结相应知识与经验,实现交通灯控制电路的初步设计并仿真,检验功能进行修改,最终完成实体电路。
-
实验八:答辩、评讲、交流,了解不同设计方案及其特点,拓宽知识面。
4. 相关知识及背景(限 150 字)
区别于传统的以验证性实验为主的数字电子技术实验课程,这是一个运用数字电子技术设计电路,解决生活和工程中实际问题的典型案例,需要运用 TTL门电路、译码器、七段数码管、触发器、计数器、555 时基电路等相关知识与技术方法。并涉及软件仿真,集成芯片使用与检测,电路的故障排查与检修等技术。
5. 教学目标与目的(限 100 字)
在生活实际电路案例的设计与实现过程中,引导学生了解集成芯片的使用与检测技术,根据实际需求比较选择技术方案;引导学生根据需求设计电路、选择集成芯片和元器件,学会使用PROTUES软件进行仿真,并对自己设计电路进行性能评估。
6. 教学设计与引导
1)教学设计思路
如图 1 所示可见,基于交通灯案例的数字电子技术实验教学与传统以验证性为主的实验教学相比,可以涵盖原有的所有教学内容,对经典知识点并没有删减,而且以案例贯穿整个实验, 多次回顾相应知识点,使学生对数字电子技术有一个整体概念。并在实验课上引入简单地电路设计训练,充分发挥学生的主观能动性,提升学生创新能力。

图 1 案例教学与传统实验教学对比
2)教学引导
本实验的过程是一个较完整的实际电路设计过程,需要经历理论学习、子电路设计与检测、整理方案论证、软件仿真、实现调试、设计总结等过程。在实验教学中,应在以下几个方面加强对学生的引导:
a) 学习集成芯片的基本使用方法,熟悉常用集成芯片的外引脚排列。注意 TTL 门电路对电源电压的稳定性要求较高,只允许在 5V 上有 $\pm 1 0 %$ 的波动;使用集成芯片时对于多余的引脚不同芯片处理方法不同,一般来说,集成芯片的使用说明都会有详细的介绍。
b) 总结组合逻辑电路的设计方法,根据设计需要确定相应的输入输出变量,将实际应用转化成数字逻辑关系,在得到最终逻辑表达式前考虑集成芯片的选择;了解电路设计实现的多样性,根据实际需求与实际环境比较选择技术方案。
c) 七段数码显示管根据发光二极管的连接方式不同分成共阳极数码显示管和共阴极数码显示管,共阴极数码管使用高电平驱动,公共端为负极,用 AH 标注;共阳极数码管使用低电平驱动,公共端为正极,用 BH标注。
d) 典型的 BCD 码七段译码驱动器有 74LS47(共阳)、74LS48(共阴)和 CC4511(共阴),掌握此类芯片的译码功能、消隐功能、灯测试功能、灭零功能的使用方法。
e) 计数器的种类不胜枚举,按触发器动作可分为同步计数器和异步计数器;按照计数数值的增减分成加法计数器、减法计数器和可逆计数器;有时也按计数器的容量来区分,如五进制、十进制、六十进制等等。常用的计数器集成芯片有74LS90、74LS160、74LS161、74LS192、CC4518、CC4520 等等,对比不同集成计数器的逻辑功能和使用方式,根据需求选择相应集成芯片。
f) 总结任意进制计数器的设计方法,比较异步清零法和同步预置数法的区别,学生自行练习改变计数器的进制。
g) 用 555 时基电路构成多谐振荡器时,电路的振荡周期 T,占空比 D,仅与外接元件 R1、R2和 C 有关。改变 R1、R2即可改变占空比,其值可在较大范围内调节;改变 C 的值,可单独改变周期而不影响占空比。在示波器上观察波形,改变 $\mathrm { R _ { 1 } }$ 、R2和C观察现象。
h) 引导学生将各个子模块联接在一起,提出交通灯控制电路的整体设计方案。
i) 指导学生用 PROTUES 软件进行仿真,调试运行电路,观察不同电路设计方案的仿真结果,选取最优方案。
j) 在实验完成后,可以组织学生以项目演讲、答辩、评讲的形式进行交流,了解不同解决方案及其特点,拓宽知识面。
7. 实验原理及方案
1) 系统结构

图 2 交通灯控制电路系统结构
- 实现方案
a) 实验任务分析

图 3 实验任务解析图
b) 手动控制交通灯的设计
根据案例任务分析可得交通灯为四种情况循环变化,因此 2 个输入将满足需求$( 2 ^ { 2 } { = } 4 )$ ,分别用 A,B来表示;输出为南北向和东西向两组信号灯,分别用 R1,G1,Y1表示南北向的红绿黄灯,用 R2,G2,Y2表示东西向的红绿黄灯,灯的亮与灭分别用 1和0 来表示。由逻辑关系列真值表如下:
表 1 交通灯真值表
| 控制端(输入) | 南北向灯组 (输出) | 东西向灯组 (输出) | ||||||
| A | B | R1 | G1 | Y1 | R2 | G2 | Y2 | 状态分配 |
| 0 | 0 | 1 | 0 | 0 | 0 | 1 | 0 | SO |
| 0 | 1 | 1 | 0 | 0 | 0 | 0 | 1 | S1 |
| 1 | 0 | 0 | 1 | 0 | 1 | 0 | 0 | S2 |
| 1 | 1 | 0 | 0 | 1 | 1 | 0 | 0 | S3 |
由真值表得到逻辑表达式,如果用与非门来实现电路如下图,也可以简化电路用其他设计方案实现。

图 4 用与非门实现交通灯主控电路
c) 倒计时电路的设计
74LS192 为双时钟方式的十进制可逆计数器,由 74LS192 为例构成的三十进制递减计数器原理图如下图所示。

图 5 用74LS192 构成三十进制减法计数器
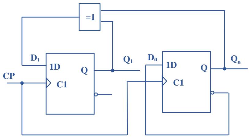
d) 触发器控制交通灯电路
表 2 状态转换表
| 初态 | 次态 | 状态分配 | ||
| Qi” | Qo” | n+1Qi | Qo”n+1 | |
| 0 | 0 | 0 | 1 | S0 |
| 0 | 1 | 1 | 0 | S1 |
| 1 | 0 | 1 | 1 | S2 |
| 1 | 1 | 0 | 0 | S3 |
由于东向3个和西向 3个交通灯显示状态相同,南向3 个和北向 3个交通灯显示状态相同,因此与手动控制交通灯相同,仍选取 6个灯 R1、G1、Y1、R2、G2、Y2 为代表,只是用触发器输出$\mathrm { Q _ { 1 } }$ 和 $\mathrm { Q } _ { 0 }$ 代替手动开关 A、B 即可。
由状态转换表可以得到状态方程:
$$ { \sf Q } _ { 1 } ^ { { \sf \ n } + 1 } = \overline { { { { \sf { Q } } _ { 1 } } ^ { { \mathrm { ~ n ~ } } } } } ~ { \sf Q } _ { 0 } ^ { { \mathrm { ~ n ~ } } } + { \sf { Q } } _ { 1 } ^ { { \mathrm { ~ n ~ } } } ~ \overline { { { { \sf { Q } } _ { 0 } } ^ { { \mathrm { ~ n ~ } } } } } = { \sf { Q } } _ { 1 } ^ { { \mathrm { ~ n ~ } } } \oplus { \sf { Q } } _ { 0 } ^ { { \mathrm { ~ n ~ } } } $$
$$ \begin{array} { r l } { { \bf Q } _ { 0 } ^ { \mathrm { ~ n + 1 } } = } & { { } \overline { { { { \bf Q } _ { 1 } } ^ { \mathrm { ~ n ~ } } } } \overline { { { \bf Q } _ { 0 } ^ { \mathrm { ~ n ~ } } } } + { \bf Q } _ { 1 } ^ { \mathrm { ~ n ~ } } \overline { { { { \bf Q } _ { 0 } } ^ { \mathrm { ~ n ~ } } } } = \overline { { { { \bf Q } _ { 0 } } ^ { \mathrm { ~ n ~ } } } } } \end{array} $$
若选用D 触发器来实现的话,可得到驱动方程:
$$ \begin{array} { c } { \displaystyle \mathbf { D } _ { 1 } { = } \mathbf { Q } _ { 1 } ^ { \mathrm { ~ n ~ } } \displaystyle \frac { \Phi \mathbf { Q } _ { 0 } ^ { \mathrm { ~ n ~ } } } { \mathbf { Q } _ { 0 } ^ { \mathrm { ~ n ~ } } } } \ { \displaystyle \mathbf { D } _ { 0 } { = } \mathbf { \Lambda } \mathbf { Q } _ { 0 } ^ { \mathrm { ~ n ~ } } } \end{array} $$
因此可以设计同步时序逻辑电路如下所示:

图 6 触发器控制交通灯电路
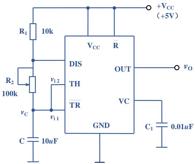
e) 脉冲产生电路设计
由 555 电路组成的多谐振荡器如下图所示。当电源接通后, $\mathrm { V _ { C C } }$ 通过电阻 $\mathrm { R _ { 1 } }$ 、 $\mathrm { R } _ { 2 }$ 向电容 C 充电,电容上电压按指数规律上升,当 $\nu _ { \mathrm { { C } } }$ 上升到 $2 / 3 \mathrm { V } _ { \mathrm { C C } }$ 时,输出 $\nu _ { 0 } { = } 0$ ,为低电平,同时 555电路内部三极管导通,电容C通过电阻 $\mathrm { R } _ { 2 }$ 放电,电容电压下降,当$\nu _ { \mathrm { C } }$ 下降至 $1 / 3 ~ \mathrm { V } _ { \mathrm { C C } }$ 时,输出电压变为高电平,C 放电终止, $\mathrm { V _ { C C } }$ 又通过电阻 $\mathrm { R _ { 1 } }$ 、 $\mathrm { R } _ { 2 }$ 向电容C 充电,周而复始,形成振荡。其振荡周期与充放电时间有关。

图 7 频率可调节脉冲产生电路
8. 教学实施进程
-
实验一:门电路功能测试(教师引导学生复习组合逻辑电路的分析方法,学生以个人为单位实现简单门电路,写出相应逻辑表达式,并自行设计表格验证)
-
实验二:手动控制交通电路的设计(教师引导学生复习组合逻辑电路的设计方法,分组研讨设计方案并得到正确电路图)
-
实验三:译码显示电路(教师讲解数码管显示方式及译码器的功能介绍,学生验证功能)
-
实验四:触发器控制交通灯电路的设计(教师引导学生复习时序逻辑电路的设计方法,小组研讨设计方案并得到正确电路图)
-
实验五:倒计时电路的设计(学生分组设计电路,讨论不同设计方案的优缺点)
-
实验六:脉冲电路的设计(学生设计频率可调节的脉冲电路,用示波器观察周期、占空比等参数)
-
实验七:仿真、实现实际电路(学生完成整体电路,教师根据学生表现评价操作情况)
-
实验八:答辩(分组讲解设计原理及方案选择,完成最终实验报告,教师评价报告情况)
9. 实验报告要求
实验报告需要反映以下工作:
1) 运行的分组与完成进度图
2) 实现方案论证
3) 各个模块的设计原理
4) 电路设计方案与参数选择
5) 仿真程序设计及调试运行结果
6) 实验数据记录
7) 数据处理分析
8) 实验结果总结
10.考核要求与方法(限 300 字)
1) 操作( $6 0 %$ ):
a) 手动控制交通灯电路设计( $1 0 %$ ):正确设计并实现手动控制交通灯b) 触发器控制交通灯电路设计( $1 0 %$ ):正确设计,选择最佳方案并实现电路功能c) 倒计时电路设计( $1 0 %$ ):正确设计并实现任意进制计时功能d) 脉冲电路设计( $1 0 %$ ):正确设计并产生频率可调节的脉冲电路e) 仿真( $2 0 %$ ):完成软件仿真并调试运行
2)实验报告( $2 0 %$ ) :完整,数据记录清晰,图表明确,有结论分析及处理过程
3) 电路验收( $2 0 %$ ) :电路正常运行,实现相应功能,具备一定的稳定性
11.项目特色或创新(可空缺,限 150 字)
实验以实现一个实际案例为主线,将其拆分成若干子模块, 让学生在实际案例应用的背景下,使用现有集成芯片与元器件进行实验,并以设计最终案例电路为目标完成实验项目,实现从实验到实际应用的对接。本实验仅以交通灯控制电路为案例说明,也可开发其他案例应用到数字电子技术实验,实现用相同的子项目模块构成不同功能的实际应用电路,这是本实验的远期目标。
实验案例信息表
| 案例提供单位 | 天津理工大学中环信息学院 | 相关专业 | 电子、计算机 | |||
| 设计者姓名 | 于颜儒 | 电子邮箱 | kaixinruru@163. com | |||
| 移动电话 | 15822649524 | 通讯地址(含邮编) | 天津市西青区杨柳青镇柳口路99号邮编300380 | |||
| 设计者姓名 | 申倩伟 | 电子邮箱 | sqw1222@t ju. edu. cn | |||
| 移动电话 | 13642178080 | 通讯地址(含邮编) | 天津市西青区杨柳青镇柳口路99号邮编300380 | |||
| 设计者姓名 | 赵磊 | 电子邮箱 | EEzhaolei@163.com | |||
| 移动电话 | 15620988440 | 通讯地址(含邮编) | 天津市西青区杨柳青镇柳口路99号邮编300380 | |||
| 相关课程名称 | 数字电路及数字系统 | 学生年级 | 大二大三 | 学时(课内+课外) | 16 | |
| 支撑条件 | 仪器设备 | 数字电子技术实验箱、示波器、计算机 | ||||
| 软件工具 | PROTUES 软件 | |||||
| 主要器件 | 集成芯片、电阻、电容、七段数码显示管、LED灯 | |||||