基于全通网络的限波实验
实验题目:基于全通网络的限波实验
1. 课程简要信息
课程名称:电路、信号与系统 课程学时:64 学生年级:本科 2 年级
适用专业:测控技术与仪器、电子科学与技术、生物医学工程、光学工程等
2. 实验内容与任务
实验在“电路-信号与系统”实验箱上完成,自行设计元件参数实现对某一频率信号的陷波,理论计算 $^ +$ 软件仿真后实验验证电路的频率特性,分析影响陷波频率准确度的因素和陷波效果的因素并加以实验验证 (考虑示波器观察方便,可以设计$5 0 0 \mathrm { H z }$ 或 $1 0 0 0 \mathrm { H z }$ 的陷波电路) 。
1)了解全通滤波器(网络)幅频特性和相频特性的特点。全通滤波器在整个频带范围内具有平坦的幅频特性,不衰减输入信号的任何频率分量,但其会改变输入信号的相位。设计并在实验箱上搭建两个相同的一阶全通网络,将两者串联在一起后可实现对输入正弦信号 $0 \sim 3 6 0$ ︒的相移。通过观测找出实现 180︒相移的频率分量,并与理论计算(或软件仿真)做比较分析;
2)限波是指一种可以在某一个频率点迅速衰减输入信号,以达到阻碍此频率信号通过的滤波效果。从通过信号频率范围的角度讲,陷波电路属于阻带非常窄的带阻滤波器,其通常是由低通滤波器和高通滤波器并联而成的二阶(含二阶)以上的电路。本次实验采用另外一种实现方法:将全通滤波器的输出与原始信号输入一同相加法器,实现了对设计频率分量的限波效果。
3. 实验过程及要求
1)实验前做好预习,完成实验预分析报告。通过预习了解全通网络(滤波器)和限波电路的特性及其工程应用背景;
2)设定限波频率,通过理论计算确定元器件(电阻、电容)的参数,并在 Multisim和Matlab 上完成软件仿真分析;
3)实验要求 2人一组,参考实验讲义中的内容自行设计实验步骤。在实验过程中可以相互讨论,详细记录实验过程中出现的异常情况和解决方法,限波频率与理论
计算和软件仿真对比,分析误差形成的原因。实验结果由指导教师验收确认;
4)每人独立完成实验报告,报告中明确自己主要负责完成的工作任务。
4. 相关知识及背景
实验基于全通滤波器构建限波电路,针对设定的正弦信号分量实现抑制限波。
- 全通滤波器在整个频带范围内具有平坦的幅频特性,不衰减输入信号的任何频率分量,但其会改变输入信号的相位,理想情况是相移与频率成正比,相当于一个时间延时系统;
- 限波器是用于抑制或衰减某一频段的信号,而让该频段以外的所有信号通过的电路。在人体生物电等小信号检测时,经常会受到 $5 0 \mathrm { H z }$ 的工频干扰,为了抑制干扰需采用工频限波电路。
5. 教学目标与目的
- 掌握运算放大器在信号处理中的作用;
- 了解全通滤波器的构成、特性、工作原理;
- 熟悉陷波电路的类型、特性及其在生物电等小信号采集中的作用;
- 掌握陷波电路的调试方法,熟悉陷波电路的相关技术指标;
- 学习用 Matlab、Multisim 等软件进行设计仿真。
6. 教学设计与引导
本实验应用全通网络的相移特性实现了设定频率分量的限波,具有一定的工程应用背景。
-
滤波器是一种选频装置,可以使信号中特定的频率成分通过,而极大地衰减其它频率成分,从信号处理的角度来看,系统本身就是一个滤波器。根据选频作用,滤波器可分为低通滤波器、高通滤波器、带通滤波器、带阻滤波器和全通滤波器。前面的实验已对低通、高通、带通和带阻滤波器的特性进行了分析,而全通滤波器(习惯称之为全通网络)有平坦的幅频特性,不衰减任何频率分量,主要用来改变信号频谱的相位,理想情况是相移与频率成正比,相当于一个时间延时系统。利用这个特性,全通滤波器可以用做延时器、延迟均衡等。
-
限波又称带阻滤波,是用于抑制或衰减某一频段的信号,而让该频段以外的所有信号通过的电路。在进行生物电等小信号采集时常会受到 $5 0 \mathrm { H z }$ 的工频干扰,为抑制干扰经常采用限波电路(如图1所示)。如实际广泛采用的有源双 T限波电路(图 2),是由低通滤波器和高通滤波电路并联而成,两者对某一频段均不覆盖,形成带阻频段。

图 1 心电信号采集框图

图2 双 T限波电路
-
实验中的限波频率由同学们自行设计,但不宜过高。全通网络中使用的运算放大器型号为 OP07,OP07是一种低噪声、低输入失调电压型运放,在很多应用场合不需要额外的调零措施,但其增益带宽积(GBP)只有 $5 0 0 \mathrm { k H z }$ 左右,限波频率设定过高会影响限波效果,甚至会失败。考虑示波器观察方便,建议设计 $5 0 0 \mathrm { H z }$ 或 $1 0 0 0 \mathrm { H z }$ 的陷波电路。
-
根据设计的限波频率,确定元件(电阻、电容)的参数,实验前用 Multisim 或其它软件完成仿真,对设计参数进行验证。
-
电路接好后,输入端加入正弦波信号,信号幅度 $\mathrm { V P P { = } 4 V }$ ,从小到大调节频率,找到陷波点。调整示波器显示幅度,使输出达到最小(理论上限波点频率的正弦信号被完全抑制,实际上是还可以观测到的)。
-
实验中观察到的频率限波点会与理论计算值存在偏差,对误差形成原因及如何减小误差进行分析。如选用高精度的阻容元件、增加电位器调节环节步骤等。
-
实验完成后,同学相互间对限波效果进行讨论和相互评价。有条件的同学可以在面包板上搭建其它形式的限波电路进行对比实验,如有源文氏电桥限波、双 T限波网络等等。
7. 实验原理及方案
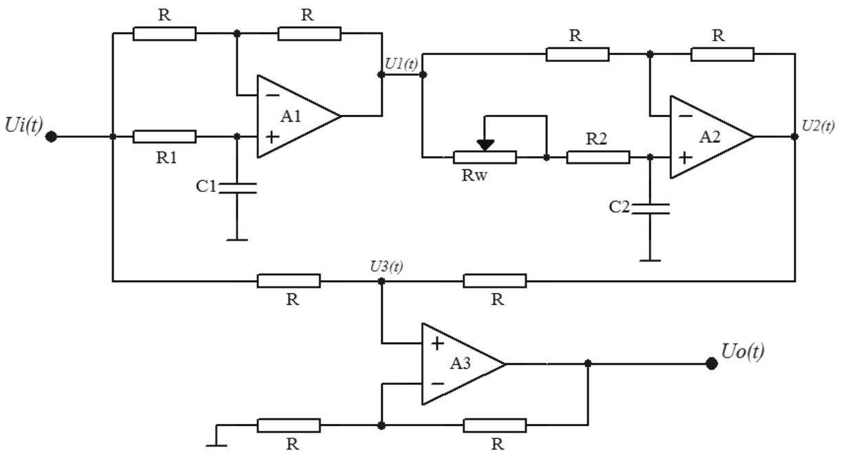
在图 3 所示电路中,由运算放大器 A1 和 A2 分别构成了两个一阶全通网络, A3则构成一个同相加法电路。当 $\tau { = } \mathbf { R } _ { 1 } \mathbf { C } _ { 1 } { = } \mathbf { R } _ { 2 }$ ( $\mathrm { R w } + \mathrm { C } _ { 2 }$ )时,整个电路构成一种对频率 $\mathrm { { \mathfrak { O } } } =$ $1 / \tau$ 的陷波电路。

图 3 由全通网络构成的限波电路
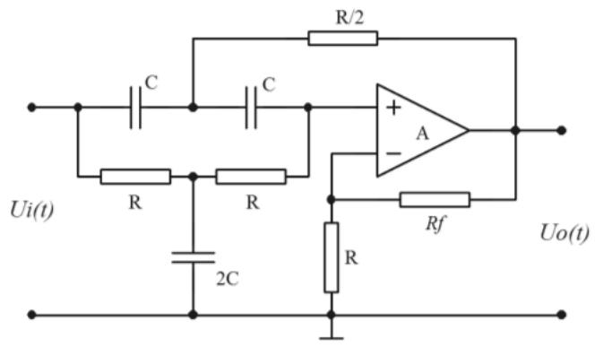
一阶全通网络如图4所示,它能提供输入信号 $0 \sim 1 8 0$ 度的相移。当输入信号频率为零时(直流),电容 C1相当于开路,运放同向端电压为输入电压,电路成为电压跟随器,此时相移为零;当信号频率很高时,C1几乎短路,运放同相端电压为零,电路成为反相比例放大器,此时相移为-180度。

图4 一阶全通网络(滤波器)
由图 4 电路的 S 域模型,可推导出全通网络的系统函数为:
$$ H _ { 1 } ( s ) = { \frac { U 1 { \big ( } s { \big ) } } { U _ { i } { \big ( } s { \big ) } } } = { \frac { s - 1 / \tau _ { 1 } } { s + 1 / \tau _ { 1 } } } $$
其中, $\tau _ { 1 } = R _ { 1 } C _ { 1 }$
系统在 S 轴左侧有一个实极点,系统稳定,因此其频率响应为:
$$ H _ { 1 } ( j \omega ) = H _ { 1 } ( s ) \big | _ { s = j \omega } = \frac { j \omega - 1 / \tau _ { 1 } } { j \omega + 1 / \tau _ { 1 } } $$
系统的幅频特性和相频特性分别为:
$$ \big | H _ { 1 } ( j \omega ) \big | = \frac { \sqrt { \big ( - 1 / \tau _ { 1 } \big ) ^ { 2 } + \omega ^ { 2 } } } { \sqrt { \big ( 1 / \tau _ { 1 } \big ) ^ { 2 } + \omega ^ { 2 } } } = 1 $$
$$ \varphi ( \omega ) = \arctan \frac { \omega } { - 1 / { \tau _ { 1 } } } - \arctan \frac { \omega } { 1 / \tau _ { 1 } } = - 2 \arctan \omega \tau _ { 1 } $$
可见上述电路是一个一阶全通滤波电路。同理可推得图 3运放A2构成的一阶全通网络的系统函数和频率相应分别为:
$$ H _ { 2 } ( s ) { \big | } = { \frac { U _ { 2 } { \big ( } s { \big ) } } { U _ { 1 } { \big ( } s { \big ) } } } = { \frac { s - 1 / \tau _ { 2 } } { s + 1 / \tau _ { 2 } } } $$
$$ H _ { 2 } ( j \omega ) = H _ { 2 } ( s ) \big | _ { s = j \omega } = \frac { j \omega - 1 / \tau _ { 2 } } { j \omega + 1 / \tau _ { 2 } } $$
其中 $\tau _ { 2 } = \big ( R _ { \scriptscriptstyle { w } } + R _ { \scriptscriptstyle { 2 } } \big ) C _ { 2 }$
图 3 所示限波电路的系统函数为:
$$ H ( s ) = \frac { U _ { o } ( s ) } { U _ { i } ( s ) } = 2 \big [ 1 + H _ { 1 } ( s ) H _ { 2 } ( s ) \big ] = 2 \Bigg [ 1 + \frac { s - 1 / \tau _ { 1 } } { s + 1 / \tau _ { 1 } } \cdot \frac { s - 1 / \tau _ { 2 } } { s + 1 / \tau _ { 2 } } \Bigg ] $$
当 $\tau _ { 1 } = \tau _ { 2 } = \tau$ 时 即 $R _ { 1 } C _ { 1 } = \big ( R _ { \scriptscriptstyle w } + R _ { \scriptscriptstyle 2 } \big ) C _ { 2 }$ ,上式可化简为:
$$ H { \bigl ( } s { \bigr ) } = { \frac { 4 s ^ { 2 } + { \cfrac { 4 } { \tau ^ { 2 } } } } { s ^ { 2 } + { \cfrac { 2 } { \tau } } s + { \cfrac { 1 } { \tau ^ { 2 } } } } } $$
对照二阶带阻滤波器的标准传递函数:
$$ H ( s ) = { \frac { K _ { p } ( s ^ { 2 } + \omega _ { 0 } ^ { 2 } ) } { s ^ { 2 } + ( \omega _ { 0 } / Q ) s + \omega _ { 0 } ^ { 2 } } } $$
得,系统增益 $K _ { p } { = } 4$ ,限波频率 $\omega _ { 0 } \mathrm { = ~ 1 / \tau }$ ,品质因数 $\mathrm { Q } \mathrm { = } 0 . 5$ 。本电路的特点之一就是品质因数 $\mathsf { Q }$ 是固定不可调的。
限波效果与品质因数 Q 有关,应该是 $\mathsf { Q }$ 值越大,限波效果越好,表现在幅频特性曲线上,在限波频率附近的曲线很陡峭,也就是说在电路对限波频率附近的其它频率的信号的衰减很小。在双 T 限波等电路中,调整电阻和电容的参数可以改变品质因数 Q。从图 5(限波点频率 $\mathrm { f } _ { 0 } { = } 5 0 0 \mathrm { H z }$ )的仿真效果来看,在 $\mathrm { Q } \mathrm { = } 0 . 5$ 时的限波效果还是可以接受的。

图5 限波线路幅频特性仿真
由式(7)得限波电路的频率响应为:
$$ H ( j \omega ) = H ( s ) { \Big | } _ { s = j \omega } = { \frac { 4 { \Bigg ( } { \frac { 1 } { \tau ^ { 2 } } } - \omega ^ { 2 } { \Bigg ) } } { { \big ( } j \omega + 1 { \big ) } ^ { 2 } } } $$
显然,当 $\omega { = } 1 / \tau$ 时, $\left| H ( j \omega ) \right| { = } 0$ ,所以全电路实现了对 $\omega { = } 1 / \tau$ 的限波。实验在“电路-信号与系统”实验箱上进行,如图 6 所示。

图 6 实验箱及实验电路
实验中需注意的问题:
- 实验中使用的运算放大器为 OP07,其增益带宽积(GBP)为 $5 0 0 \mathrm { k H z }$ ,因此设定的限波频率不宜太高,否则达不到限波效果。图 7 为一阶全通网络幅频特性仿真波形。电路参数:运算放大器 OP07, $\mathrm { R 1 } { = } 1 0 \mathrm { k }$ , $\mathrm { C 1 } { = } 0 . 0 1 \mathrm { u f }$ , $\mathrm { R } { = } 1 0 \mathrm { k }$ 。从图中可以看出,当输入频率超过 $1 0 0 \mathrm { k H z }$ 后,输出信号的幅值随频率急剧下降。

图7 一阶全通滤波器频响特性仿真
-
由于存在误差,电阻、电容的实际值与标称值并不相等,很难做到两个一阶全通网络的时间常数 $\tau$ 相等,即 $R _ { I } C _ { I } { = } R _ { 2 } C$ 。因此,可以在实验电路装置上R2 电阻一端串联一个可调电阻。
-
在观察限波效果时,存在理论和实际两个限波频率点: $\textcircled{1}$ 观察理论限波点限波效果,输入端加入正弦波信号,信号幅度 $\mathrm { V } _ { \mathrm { P P } } { = } 4 \mathrm { V }$ ,频率为设计的限波频率,微调电位器,使输出最小(但仍然不为零); $\textcircled{2}$ 观察实际限波点限波效果,输入端加入正弦波信号,信号幅度 $\mathrm { V } _ { \mathrm { P P } } { = } 4 \mathrm { V }$ ,从小到大调节频率,当第1个全通网络输出相移90 度时的频率点即实际陷波点,在此频率点调节可调电阻,使第 2 个全通网络输出相移为 180 度,观察此时示波器显示幅度达到最小。限波实验效果如图 8 所示。

图 8 限波实验效果
8. 教学实施进程
1)任务安排:本实验为《电路、信号与系统》一课的附属实验,课程在讲完拉普拉斯变换(包括系统函数)后进行。指导教师将实验的时间和地点提前一周在网上发布,同学们在网上完成预约选课;
2)预习自学:实验前学生需完成预分析报告,就本次实验涉及的相关知识点查阅技术资料,给出实验步骤和电路参数设计,并且在Multisim 和Matlab上完成软件仿真;
3)现场教学:指导教师简要讲解本次实验的基本原理、实验中的注意事项,并强调同学们严格遵守实验室的安全守则;
4)分组讨论和现场操作:实验安排 2 人一组,电路的搭建和调试、数据和波形记录等分工明确,指导教师在实验室巡视指导;
5)结果验收和总结演讲:由指导教师对同学们搭建的电路、调试和记录结果进行现场验收,并就实验中遇到的问题进行讨论;
6)报告批改:实验结束后及时撰写实验报告进行总结,并按时提交。结合实物验收评分,指导教师给出本次实验的最终成绩。
9. 实验报告要求
实验报告要求每人独立完成,2 人合作完成的实验要写出合作者姓名,并注明本人在实验中负责完成的工作。
实验报告中应包括以下内容:实验名称、实验目的、实验设备和器件、实验原理、公式推导过程、电路设计与参数选择、软件仿真结果、实验步骤、记录的数据(波形)、与理论计算和软件仿真的对比、分析误差产生的原因、电路调试过程中出现的问题及解决办法、实验总结等等。
10.考核要求与方法
实验规定在 2个学时内完成,未完成的同学可在实验室开放时间内预约完成。成绩评定包括以下几部分:
1)实物验收,包括元器件、测试仪器连接的整洁性,电路调试过程的合理性和限波效果等;
2)实验报告部分,包含预分析报告、实验电路的软件仿真、实验结果记录、误差分析及实验报告的规范性和完整性等;
3)对于实验过程中有创新思想设计的同学给予适当加分。
11.项目特色或创新
实验设计以全通滤波器的相移特性实现了设定频率的限波:
1)加深了对系统(滤波器)频率响应的理解,系统的幅频特性和相频特性不能分割;
2)了解了限波电路的工程应用背景,在人体生物电等小信号的采集过程中, $5 0 \mathrm { H z }$ 的工频干扰是最主要的电磁场干扰,且生物电信号又远远小于 $5 0 \mathrm { H z }$ 的干扰, $5 0 \mathrm { H z }$ 的限波电路是不可或缺的一个重要环节。
实验案例信息表
| 案例提供单位 | 天津大学 | 相关专业 | 测控技术与仪器;电子科学与技术;生物医学工程;光学工程 | ||||
| 设计者姓名 | 许宝忠 | 电子邮箱 | xubz@tju.edu.cn | ||||
| 移动电话 | 13820410187 | 通讯地址 | 天津大学精仪学院实验中心 | ||||
| 设计者姓名 | 刘鸣 | 电子邮箱 | liuming@tju.edu.cn | ||||
| 移动电话 | 13652160356 | 通讯地址 | 天津大学精仪学院实验中心 | ||||
| 设计者姓名 | 曹玉珍 | 电子邮箱 | yzcao @tju.edu.cn | ||||
| 移动电话 | 13602062848 | 通讯地址 | 天津大学精仪学院实验中心 | ||||
| 相关课程名称 | 电路、信号与系统 | 学生年级 | 2年级 | 学时(课内+实验) | 64(56+8) | ||
| 支撑条件 | 仪器设备 | 示波器、信号发生器、直流稳压电源、电路-信号与系统实验箱 | |||||
| 软件工具 | Multisim12 ; Matlab2012 | ||||||
| 主要器件 | 运算放大器OP07、电阻、电容、连接线若干 | ||||||