基于北斗的定位系统实验
实验题目:基于北斗的定位系统实验
1. 课程简要信息
课程名称:射频通信系统
课程学时:课内 8 学时,课外 8 学时适用专业:电子信息工程,通信工程等学生年级:大三第二学期
2.实验内容与任务
通过本次实验,学习者可以了解和掌握以下几个方面的知识与技术,对北斗定时定位系统有进一步的了解。
1)了解 STM32F103 的拓展接口,如 USART、SPI、 $\mathrm { I } ^ { 2 } \mathrm { C }$ 等,可以将所需要的外围器件及模块直接连接到嵌入式 MCU 中,并以 STM32 为基础,使所有外围模块协同工作。
2)了解UM220-Ⅲ北斗模块,熟悉 UM220-Ⅲ模块的基本功能,如测量经度、纬度、日期等信息。
3)了解各个无线通信模块的应用,如 WI-FI 无线通信、蓝牙无线通信等。通过无线通信模块,使得数据可以与 PC 端进行传输。
3.实验过程及要求
为了使学习者循序渐进的掌握北斗定时定位系统实验的教学内容,本实验课程设置了基本命题和拓展命题。
1)基本命题主要以了解并掌握基于北斗的经纬度测量以及无线数据传输方式及其协议等基本技术。同时设置了拓展命题,旨在让学习者利用北斗模块、主控芯片以及各传感器来进行定时定位系统的设计。
2)本实验依据北斗定时定位系统所需的 UM220-III N 北斗/GPS 模块、STLM75 温度传感器模块和 LPS001DL气压传感器模块等模块的基本原理,为各
模块选取了合适的串口通信连接方式,初步设计一种便携式的北斗定时定位系统。根据气压值与海拔的相关性,对所测卫星数据进行解算,在系统原有的二维平面定位基础上实现了三维定位和授时功能。
4.相关知识及背景
本课题所设计的北斗定时定位系统的硬件电路采用集成化的设计思想,系统硬件电路的总体结构主要由主控模块、电源电路模块、北斗/GPS 双频模块、屏幕显示模块、无线通信模块及传感器模块六部分组成。需要学生已具备嵌入式系统设计、传感器应用、无线通信等方面的知识。
5.教学目标与目的
通过本实验,培养学生的基本实验技能,加深对射频通信系统理论的理解,学会传感数据测量的原理和使用。使学生掌握卫星定位系统的设计、组装、调整和测试技能,并具备工程实践能力,以及应用计算机仿真软件分析与设计实验电路的能力。
6.教学设计与引导
本实验是一个整体系统的设计,其综合性极强。教学过程包括:课前预习、课堂讲解、方案探讨、系统搭建、软件设计、综合调试、总结答辩等。将从以下几个方面加强对学生的引导:
1)以学习教学视频、PPT 教案、讲义等资源作为预习,通过预习题库做题并由系统评估建议是否预约实验。
2)编写好的程序通过远程方式下载进入实验板,数据自动生成并导入实验报告,教师批阅评分后,成绩返回给学生,完成闭环式教学。
3)学生使用 Keil5 编写实验程序,生成 hex 文件,发送到平台。系统自动下载 hex 文件进入远程单片机,单片机运作产生数据,数据通过 STA 模式,根据TCP 协议发送数据到远程服务器,服务器保存实验数据,生成到实验报告。
7.实验原理及方案
北斗定时定位系统的硬件电路采用集成化的设计思想,系统硬件电路的总体结构主要由主控模块、电源电路模块、北斗/GPS 双频模块、屏幕显示模块、无线通信模块及传感器模块六部分组成。
北斗定时定位系统的主控模块采用 STM32F1 微控制器作为主控 MCU,用于对各模块的数据信息进行解析处理。北斗/GPS双频模块为运用NMEA-0183通信协议的UM220-III N 模块,主要实现数据信息的采集功能。传感器模块内部采用双向二线制 I2C 通信协议对数据进行采集。主控 MCU 可通过 IC 通信接口访问气压传感器及温度值传感器,以此来读取传感器所测的气压值、温度值及补偿参数等信息。核心板与显示屏间主要采用全双工 SPI 底板走线的方式连接,同时借助软件搭建字模库的方式来实现北斗系统的数据及系统周围环境变量信息的显示。此外,系统采集到的数据信息经过软件解析处理后,还可通过与主控模块以串口连接的无线通信模块将北斗相关的经纬度数据、时间信息及系统周围的环境变量信息传递至用户终端,从而为用户提供方便读取的时间及位置信息。基于北斗的定时定位系统硬件电路总体结构设计框图如图 1 所示。

图1 硬件电路总体结构框图
在上述的结构框图中,北斗系统的主控模块是本系统的核心部分。它贯穿于系统结构的各个部分,它主要用于计算和解析采集的北斗数据信息,并协调整个系统各模块的有序执行。本系统的北斗/GPS 双频模块主要采用 UM220-III N 模块,该模块主要用来完成北斗信号的捕获及北斗定时定位信号的采集。系统的屏幕显示模块用于方便用户读取北斗数据解析处理后的当前位置的经纬度信息、时间信息及海拔高度信息等。系统的无线通信模块中主要包含 wifi 模块、蓝牙模块等无线外设部分,主要实现将采集到的北斗数据向用户终端进行传输的功能。本系统的传感器模块主要是气压传感器,用于实现环境信息数据的采集。
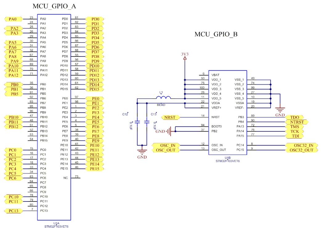
主控 MCU作为整个系统的灵魂,与系统的各部分电路都有所关联,它是整个北斗系统中最为重要的一部分。为使主控 MCU 的利用率更高,本实验所设计的北斗定时定位系统主控模块中的核心部分选用的是包含 STM32F103VET6MCU 芯片的可拆卸式 ARM CORTEX 核心板,本核心板除主控 MCU 芯片外,还包含内嵌8MHZ晶振的 RC 晶振电路、电源管理电路、实时时钟电路,端口资源电路及调试接口电路等基本电路部分。同时,核心板还提供了带有专用 DMA的 USB FS 2.0 全 速 接 口 , 它 能 实 现 与 上 位 机 的 信 息 交 互 功 能 。 在STM32F103VET6 芯片中包含 100 个引脚,其中通用 GPIO 引脚共有 80 个,它们可充分的配置软件的输入及输出,并能为系统扩展充足的外围电路。本系统主控模块中 STM32F103VET6 芯片及 GPIO 口的电路原理图如图 2 所示。

图 2 STM32F103VET6 各 GPIO 口引脚原理图
在本实验所设计的北斗定时定位系统中,北斗/GPS 模块部分选用的是和芯星通公司的 UM220-III N 模块。该模块是包含北斗和 GPS 双模系统高性能的GNSS 模块,它可同时采集到北斗二号的 B1 与GPS 系统 L1的两个频段点的卫星信号,能实现在北斗/GPS 单模定位或双模定位间灵活切换的定位方式错误!未找到引用源。。由于 UM220-III N 模块具有捕获信号速度敏捷、超强的抗干扰能力、小巧便携、耗电量慢等优点,能够满足北斗系统大多数应用场景的需求。在图3 中,展示了 UM220-III N的内部结构框图。

图 3 UM220-III N 的内部结构图
本实验的屏幕显示模块选用 2.8寸的 TFT ILI9341 电阻式触摸液晶显示控制器,它的工作电压为 3.3V,并具有通讯时序简单、功耗低、便于携带的特点。ILI9341 驱动芯片的结构包含 GRAM 显存、LCD栅极/源极驱动电路、背光控制、通信接口及供电电源等部分。该液晶显示器共拥有 76800 个相互独立的像素点,在用于存储显示数据图像的显存中存储了所有的像素数据,显存中的每个像素点占据18 位的存储空间。
ILI9341 内部包含一个能够接收控制命令的寄存器,用户可根据自己的需求向其发送相关显示指令,寄存器在接收到命令后,可在对应的像素位置上写入像素数据,以完成英文、数字及汉字的显示功能。本实验的 ILI9341 采用 SPI 接口与 MCU 进行通信,在软件方面在 ILI9341 内部搭建了方便读取的字模库,通过发送显示控制指令,完成在液晶屏上用户所需的北斗相关数据信息的显示。
在本实验的无线通信模块中,WIFI 部分采用的是集成乐鑫公司研发的ESP8266EX SOC 芯片的 GC8266TR2.4W 无线模块。它具备小巧便携、稳定可靠、耗电量慢、芯片利用率高和射频能力强等优点。ESP8266EX 芯片采用 IEEE802.11$\mathbf { b } / \mathbf { g } / \mathbf { n }$ 无线标准通信协议,它的工作电压为 3.3V 直流电压。该芯片包含两个虚拟WIFI 接口,最大无线传输速度可达 72.2Mbps。ESP8266EX 芯片内部包含只读存储器与静态随机存储器两个存储控制器,微控制器可以经过 AHB 接口、iBus 接口及 dBus 接口访问它们。在 MCU 发出请求后,按照请求指令时间进行排序,可以实现对芯片内的全部存储单元的访问。
GC8266TR2.4W 无线模块虽然仅包含 UTXD、URXD、GPIO0、GPIO2、RST及 CH_PD 六个外部接口引脚。但 ESP8266EX 芯片内的 GPIO 口多达 17 个,它能通过对寄存器配置实现不同的功能。另外,该芯片还具有丰富的外设接口资源,不仅能通过外接闪存寄存器进行独立使用,还可通过外部 SPI 接口、SDIO 接口或 UART 接口与微控制器相连,一起作为 WIFI 适配器来使用。本系统 WIFI 模块中的 ESP8266EX 芯片与串口连接的电路原理图如图 3.7 所示。当 MCU 与 WIFI模块需要进行通信时,CH_PD 引脚须外接高电平,且复位引脚 RST 也要外接高电平。通信端口引脚与 MCU 相连时需采用交叉相连的方式,即将主控模块中微控制器端的 TXD 引脚与 WIFI 模块的接收端 RXD 引脚相连,微控制器的 RXD引脚与 WIFI 模块的发送端 TXD 引脚相连。当通信引脚连接完成后,微控制器可通过 UART 串口向 WIFI 模块发送配置参数 AT 指令完成对 WIFI 模块基本参数的配置。待参数配置完成后,MCU 方可通过 WIFI 模块实现与用户终端通信的功能。如图4所示。

图 5.3.4 WIFI 模块与串口连接图连接图
8.教学实施进程
1)导入课程。回顾与本实验相关的内容,并以生动形象的比喻去引起学生的兴趣。
2)模块学习。引导学生学习嵌入式系统模块、北斗接收模块、wifi 模块等
主要单元的原理及调试方法。培养、建立和巩固高频、射频工程人员必备的非线性电路理论和技术基础。
3)系统化思想的培养。通过分模块的学习,教会学生有机地将各功能模块组合到一起,形成系统。
4)讨论与答辩。在实验过程中,采用分组讨论的方式进行各种方案的比较,最后以答辩的形式使学生学会总结。
9.实验报告要求
提供实验报告模板,可以在网络系统中提交,如下所示:基于北斗的定时定位系统设计实验报告
姓名: 编号:
实验日期: 年 月 日
基于北斗的定时定位系统设计
一、 实验目的(教师提供实验标准文字、图片等)
1、
2、
3、 ……如图一所示:

图一…
实验仪器与器材(教师提供器材型号目录)
表 1…

三、 实验任务与要求(教师提供标准文字、图片等)
1、 实验原理及说明
如图二所示:

图二
2、 基本命题
3、 拓展命题
四、 实验结果分析
(实验者上传)
五、 心得体会
(实验者上传)
10.考核方法与要求
1)平时总成绩占到课程成绩的 $75 %$ ,考试占 $25 %$ 。考试形式为操作考试。
2)平时成绩分为两个部分:一个为当场实验验收成绩,另一部分为报告成绩。
3)当场实验验收成绩由任课教师在学生做完实验后,根据学生的实验表现、实验结果的正确与否等因素给与 5,4,3,2,1,0 的评分。评分写在学生的原始数据记录纸上,并当场加盖任课教师的实验成绩专用印章,返还给学生。学生交实验报告时,必须附上该原始数据记录纸,不得丢失。无教师印章的原始记录纸,该次实验成绩计为 0。
4)当场实验验收成绩的教师必须严格、公正,不搞一刀切。教师批改学生实验报告时,应根据记录在原始数据记录纸的当场实验验收成绩,结合报告的书写完整性、正确性和工整性给予±(1-2)分的修正,作为该学生的本次实验成绩,记录在成绩登记本上。
7)操作考试占总成绩的 $25 %$ 。
11.项目特色与创新
本项目的主要工作是设计一款低功耗、操作简单、测量精准的便携式北斗定时定位系统。
1)模块——系统的设计思想。根据已有条件,搭建一个基于北斗的便携式软硬件结合的定时定位系统,主要功能是接收北斗模块、传感器模块的信息并将所测量的数据在MCU 进行处理,最终在屏幕上显示出便于读取的定时定位数据信息。
2)算法补偿误差的设计理念。在此基础上,采用粒子群算法并加以改进运用于北斗测量数据的优化,进而提高该北斗定时定位系统的测量精度。