基于单片机的五色触摸画板的驱动与开发
实验题目:基于单片机的五色触摸画板的驱动与开发
1. 课程简要信息
课程名称:单片机应用课程设计
课程学时:30学时
适用专业:通信工程,电子信息工程,电子信息科学与技术,光电工程
学生年级:大学三年级
2. 实验内容与任务(限500字)
实验任务:设计一款基于 STM32 单片机的五色触摸画板。
基本要求:1、以 STM32 单片机为核心,设计实现触摸画板的界面,可以在该界面画出简单的图形,可清屏。2、了解电阻/电容触摸芯片,学会触摸屏的驱动原理。3、通过 IIC 进行数据通信,利用驱动 LCD 实现对触摸屏的实时触摸,最多支持 5 点触摸。
提高部分:1、画笔颜色可调,粗细可调。2、擦除的区域大小可调。3、其他你能想到的任何发挥内容。
提交材料:实验电路图 实验程序 实验报告
3. 实验过程及要求(限300字)
1) 实验中包含触摸屏、驱动电路、IIC 通信及 STM32 单片机的相关知识,提前一周布置任务,要求学生做好预习,并学会相关软件及硬件的使用。
2)查阅资料,尽可能多的查找满足实验要求的方案,分析比较各方案的优缺点,确定最优方案。
3) 按照所选方案,先设计出整体电路原理图,然后拆分细化原理图,对每个小部分进行进一步的完善和设计。在此环节学生可根据自身的能力选择独立完成实验还是分组完成。分组的目的是充分调动学生的主观能动性,发挥其自身能力和特长,培养团队协作精神和沟通交流能力。
4) 列出元器件清单,领取所有所需元器件,搭建出完整的实际电路。
5) 编写实验程序,利用 Keil MDK 及 JLINK 仿真器运行调试程序和硬件电路,直到实现所有实验要求。
6) 验收答辩:独立完成的学生完整介绍作品的原理和方案,进行实物演示,解答教师提出的问题。分组完成的学生先进行实物演示,然后分别介绍作品中本人完成部分的原理和方案,解答教师提出的问题,要求分组完成的同学对实验的整体原理也要有一定程度的认识。所有学生答辩结束后进行讨论,互相交流实验心得。
7)撰写实验总结报告,要求用 WORD 编辑打印。
提高部分:利用 Protel DXP 软件绘制 PCB 板图,制做 PCB 板,焊接整个电路,利用 JLINK 仿
真器下载程序到单片机中,制作成一个独立的单片机小作品。
4. 相关知识及背景(限150字)
现在几乎智能手机,包括平板电脑都是采用电容屏作为触摸屏,本实验就是设计一款基于STM32 单片机的五色触摸画板,需要运用触摸屏原理、驱动电路、IIC通信及 STM32 单片机等相关知识与技术方法。学会利用 Keil MDK 及 JLINK 仿真器对实际电路进行在线调试及程序下载,掌握焊接电路等技能,了解制作 PCB 板过程。
5. 教学目标与目的(限100字)
32位单片机由于其高速的数据处理能力和芯片内部集成的丰富外设接口资源,在各个领域受到越来越广泛的应用。本次教学采用学生感兴趣的题目,以学生为主体,使学生掌握 32位单片机系统开发的整个流程,培养学生软硬件设计的能力、实践能力、分析和解决问题的能力以及创新精神、团队意识和工程意识。
6. 教学设计与引导
本实验是学生利用 32 位单片机设计一个单片机应用系统的过程,包括构思、设计、制作、运行、调试和实现等各个环节。在整个实验过程中,采用学生为主体,教师辅助指导的形式。
教学设计:
1)实验开始一周之前,进行一次 2 学时的课堂教学,指导学生充分利用图书馆、网络等资源查阅资料,要求学生复习及自学数子电路、模拟电路、单片机及仿真软件的使用等相关知识。
2)对 STM32 单片机进行简单介绍,主要有 STM32F103 单片机的主要特点,应用范围,内部结构等。重点介绍本次实验所用到的相关功能。
3)讲解单片机应用系统设计的一般思路和方法,提醒学生在软件设计和硬件设计中应注意的问题。
4)演示讲解 Keil MDK 的软件功能,开发环境,使用注意事项等。讲解仿真器相关知识,为学生演示如何利用 JLINK 仿真器运行调试程序和硬件电路,指出学生调试过程中常见错误,避免因操作不当导致的实验结果无法实现。
5)提供学生常用元器件的参数及使用注意事项。
6)介绍实验室中常用仪器的使用方法及使用注意事项,指出在实验室中做实验时需遵守的规则,重点强调用电安全。
7)提出撰写实验报告的要求,给出实验报告模板,规范实验报告撰写格式。
教学引导:
1)学生查阅资料后,会提出不同种的设计方案来完成实验要求,如果学生对方案把握不准确,要给予学生一定的指导,引导学生综合各种因素,最终确定方案。
2)学生在制作实际电路时,会因为各种主观原因和客观原因导致不出实验现象,例如导线断路、部分元器件损坏、操作不当等等。指导学生先调试单元电路,然后按照信号流的方向逐渐加入新的单元电路进行联调,最后进行整机调试。锻炼学生自己找错和纠错,培养学生的动手实践能力。
3)JLINK 仿真器是学生新接触的硬件设备,所以调试电路过程中学生会出现很多问题,在实验中对学生出现的问题进行有效指导。
4)在验收答辩阶段,教师对实验的知识点和实验各个环节出现的常见问题进行归纳和总结,对个别同学提出的疑惑进行解答。
5)组织学生在答辩阶段互相交流经验,了解不同解决方案及其特点,拓宽知识面。
6)提出撰写实验报告的要求,给出实验报告模板,规范实验报告撰写格式。
7)对于制作 PCB 板的同学,介绍画板、制版过程,电路焊接技术及各个环节的注意事项。
指导学生利用 JLINK 仿真器下载程序到单片机中。
7. 实验原理及方案
实现方案
1)方案一:采用 STM32 单片机和电阻式触摸屏结合实现。此方案的优点是电阻式触摸屏是一种对外界完全隔离的工作环境,不怕灰尘和水汽,能适应各种恶劣的环境;它可以用任何物体来触摸,稳定性能较好。但缺点是只有少数电阻屏支持两点触控,电阻触摸屏的外层薄膜容易被划伤导致触摸屏不可用,多层结构会导致很大的光损失,增加电池的消耗。
2)方案二:采用 STM32 单片机和电容式触摸屏结合实现。此方案优点是电容式触摸屏感应电流不须按压,两盎司的力就可识别,大部分支持 4-10 点触控,表面大多为玻璃材质,不贴膜也不易划伤,缺点是对环境要求比较高,湿度较大会明显出现误操作,并且无生命的物体触碰无效果。
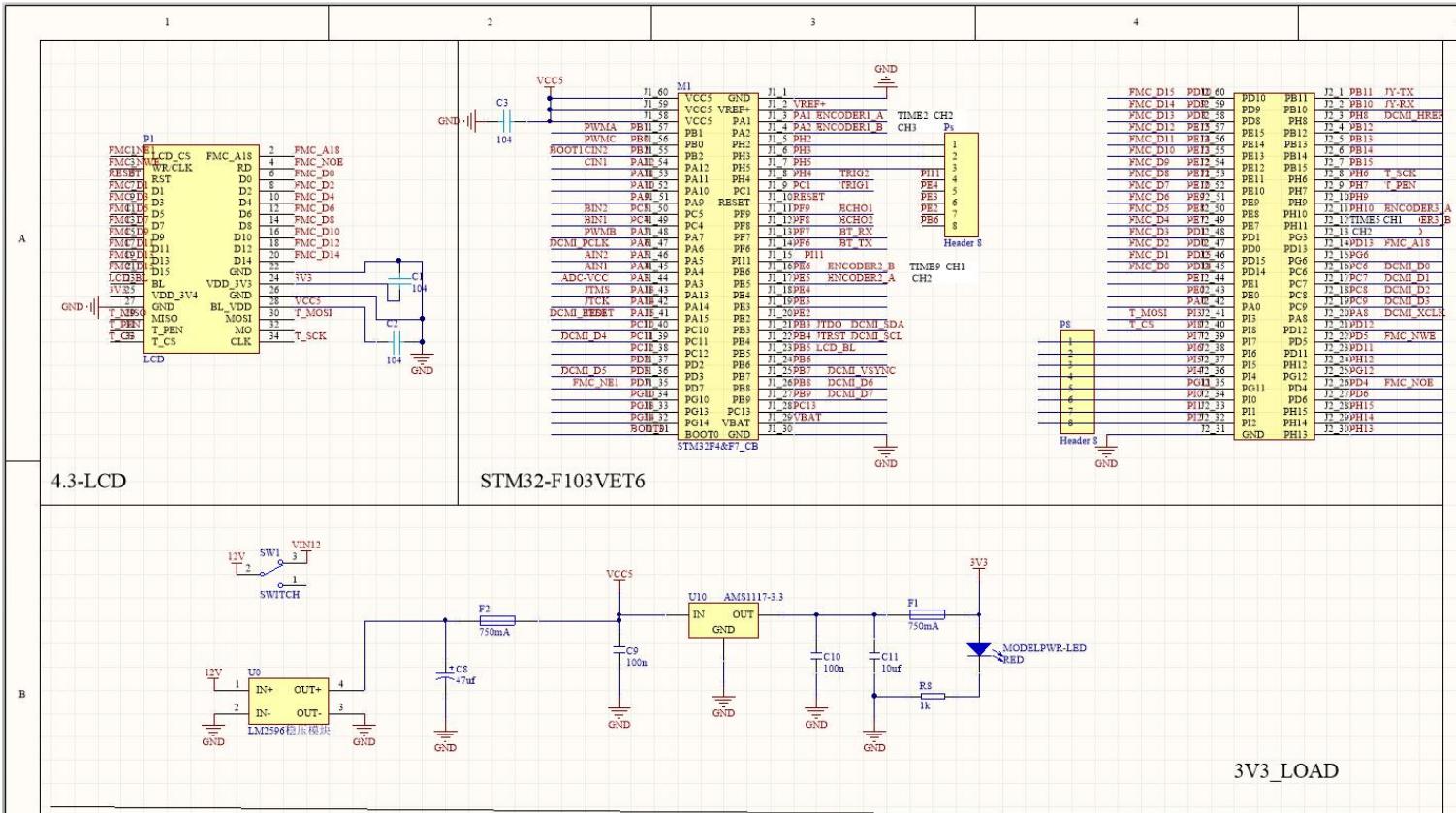
对比上面两种方案,本实验选择方案二更加合理,效果更加好。方案二的电路原理图如下图。

方案原理
1)STM32 单片机
STM32F103 单片机作为微控制器使用了高性能的 CortexTM-M3 32 位的 RISC 内核,工作频率为$7 2 \mathrm { M H z }$ ,低功耗,内置高速存储器,丰富的增强 I/O 端口,多达 11个定时器,13个通道接口,其内部包含 3 个 12 位的 A/D 转换器和 2通道 12位 D/A 转换器。STM32F103 单片机引脚图如下图所示。

STM32F103 单片机引脚图
2)ATK-4.3’TFTLCD 电容触摸屏
ATK- $4 . 3 ^ { \circ }$ TFTLCD 是 ALIENTEK 推出的一款高性能 4.3 寸电容触摸屏模块。该模块屏幕分辨率为 $8 0 0 ^ { * } 4 8 0$ ,16 位真彩显示,采用 NT35510 驱动,该芯片直接自带 GRAM,无需外加驱动器,因而任何单片机,都可以轻易驱动。模块采用电容触摸屏,支持 5 点同时触摸,具有非常好的操控效果。模块通过 1 个 $2 ^ { \ast } 1 7 \mathrm { P }$ 的 $2 . 5 4 \mathrm { m m }$ 间距排针与外部连接,模块外观如下图。

ATK-4.3’TFTLCD 电容触摸屏模块可以与 STM32 单片机直接对接,模块通过 34( $2 ^ { * } 1 7$ )个引脚同外部连接,对外接口原理图如下图所示。

ATK-4.3’TFTLCD 模块采用 NT35510 作为 LCD 驱动器,该驱动器自带 LCD GRAM,无需外加独立驱动器,使用非常方便。
现在几乎所有智能手机,包括平板电脑都是采用电容屏作为触摸屏,电容屏是利用人体感应进行触点检测控制,不需要直接接触或只需要轻微接触,通过检测感应电流来定位触摸坐标。ATK-4.3’TFTLCD 模块自带的触摸屏采用的是电容式触摸屏。
电容式触摸屏主要分为两种:表面电容式电容触摸屏和投射式电容触摸屏。一般用于投射电容传感技术的电容类型有两种:自我电容和交互电容。交互电容又叫做跨越电容,它是在玻璃表面的横向和纵向的 ITO电极的交叉处形成电容。交互电容的扫描方式就是扫描每个交叉处的电容变化,来判定触摸点的位置。当触摸的时候就会影响到相邻电极的耦合,从而改变交叉处的电容量,交互电容的扫面方法可以侦测到每个交叉点的电容值和触摸后电容变化,因而它需要的扫描时间与自我电容的扫描方式相比要长一些,需要扫描检测 $\mathrm { X ^ { * } Y }$ 根电极。目前智能手机/平板电脑等的触摸屏,都是采用交互电容技术。
ATK-4.3’TFTLCD 电容触摸屏,也是采用的是投射式电容屏(交互电容类型),透射式电容触摸屏采用纵横两列电极组成感应矩阵,来感应触摸。以两个交叉的电极矩阵,即:X 轴电极和 Y 轴电极,来检测每一格感应单元的电容变化,如下图所示:

投射式电容屏电极矩阵示意图
示意图中的电极,实际是透明的,这里是为了方便大家理解。图中,X、Y 轴的透明电极电容屏的精度、分辨率与 X、Y 轴的通道数有关,通道数越多,精度越高。以上就是电容触摸屏的基本原理。
电容触摸屏一般都需要一个驱动 IC 来检测电容触摸,且一般是通过 IIC 接口输出触摸数据的。
ATK-4.3’TFTLCD 模块采用的是 $1 3 ^ { * } 8$ 的驱动结构(8 个感应通道,13 个驱动通道),采用的是OTT2001A作为驱动IC,最多支持5点同时触摸,多达208个通道,支持SPI/IIC接口,在 $4 . 3 ^ { \prime }$ TFTLCD电容触摸屏上,OTT2001A 只用了 104 个通道,采用 IIC 接口。IIC 接口模式下,该驱动 IC 与单片机连接仅需要 4 根线:SDA、SCL、RST 和 INT。
3)稳压电路
LM2596降压模块是降压型电源管理单片集成电路,电路图如下。它能够输出 3A的驱动电流,同时具有很好的线性和负载调节特性。可调节输出小于 37V的各种电压。该器件内部集成频率补偿和固定频率发生器,开关频率为 $1 5 0 \mathrm { k H z }$ ,与低频开关调节器相比,可以使用更小规格的滤波元件。由于该器件只需 4 个外接器件,可以使用通用的标准电感,这就优化了 LM2596 的使用,极大地简化了开关电源电路的设计。

8. 教学实施进程
1)实验开始一周之前,进行一次 2 学时的课堂教学,目的是完成课题的布置与解析,以及帮助学生复习单片机的相关知识点等等。
2)学生用一周的时间查阅资料,复习及自学数子电路、模拟电路、单片机及仿真软件的使用等相关知识,为实验做准备。
3)学生利用一周的时间到实验室进行实验,实验室随时开放,学生可充分利用实验室的各项资源。实验过程以学生为主体,可相互讨论,教师辅助指导,充分培养学生的实践能力,分析和解决问题的能力,最终完成实物的制作。需要注意的是学生在实验之前必须对其电路的设计思路进行讲解,教师通过后方可领取元器件进行实物的制作,未通过的同学不能进行实验。
4)实验最后一天进行验收答辩,学生制作 5 分钟的 PPT进行总结演讲。独立完成实验的学生完整介绍作品的原理和方案,进行实物演示,解答教师提出的问题。分组完成的学生先进行实物演示,然后分别介绍作品中本人完成部分的原理和方案,解答教师提出的问题,要求分组完成的同学对实验的整体原理也要有一定程度的认识。所有学生答辩结束后进行讨论,互相交流实验心得。
5)实验结束后学生利用一周的时间撰写总结报告,每个人的报告要独立完成,不能抄袭,若出现雷同,所有雷同报告的学生均无最终实验成绩。
9. 实验报告要求
需要学生在实验总结报告中反应以下工作:
1)摘要:说明实验的背景和主要内容,对如何实现实验内容进行概述。
2)详细实验内容和要求。
3)实验研究的目的和意义。
4)提出满足实验要求的各种方案,论证其可行性。分析比较各种方案的优缺点,确定最终方案。
5)具体阐述所选方案的实验原理,绘制原理图,确定元器件,参数选择等。
6)实验软件设计过程,包括程序流程图及 Keil MDK 编译调试程序过程。
7)实物制作和调试过程:如何制作实际电路,利用 Keil MDK 及 JLINK 仿真器运行调试程序和
硬件电路。使用的主要仪器和仪表,调试电路的方法和技巧,调试中出现的故障,原因和解决方法。
8)制作 PCB 板、烧录程序等过程。(提高)
9)实验现象的描述和分析。
10)发挥部分的实现与调试。
11)实验总结,心得体会,设计方案有待完善之处及改进方法等等。
12)参考文献
13)附录:包括元器件清单和源程序
10.考核要求与方法(限300字)
实验考核: 成绩 $=$ 实验完成状况 $5 0 %$ $^ +$ 答辩情况 $3 0 %$ $^ +$ 实验报告 $2 0 %$ 成绩评定标准:
1)理论知识:是否对实验原理有清楚、深入的理解,方案设计的合理性,电路设计的规范性。
2)软硬件操作:是否熟练运用 Keil MDK 及 JLINK 运行调试程序和电路。
3)实物验收:是否独立完成电路的搭建,是否制作 PCB 板,焊接质量,电路运行的稳定性,功能和性能指标的完成程度,完成时间,实物所用元器件选择的合理性,成本核算。
4)创新能力:电路设计的创新性,能否在借鉴别人方案的基础上,完善实验方案,提出改进方法。
5)实践能力:能否综合运用所学知识完成实验,充分利用实验室资源进行电路的检测和调试,分析和解决问题的能力。
6)答辩验收:是否清楚阐述实验设计的内容,熟练进行实物演示,回答教师提出的问题。
7)实验报告:撰写报告是否规范完整,文字表达是否简明清楚。
11. 项目特色或创新(可空缺,限 150字)
1)项目开发的工程性:实验要求学生利用 32 位单片机进行一次完整的系统开发,使学生了解产品开发思路和过程。
2)先进性和实用性:学生接触到目前先进的单片机设计技术,即用 STM32主流单片机进行系统开发的方法,为今后的项目开发打下基础,提高学生市场竞争力。
3)综合性:综合运用模拟电路、数字电路、单片机等相关知识,培养学生的综合实践能力。
4)互动性:师生之间、学生之间充分互动,以学生为主体,教师辅助指导,激发学生学习兴趣。
5)层次化:将实验内容分层次,采用层次化的教学方法和考核方式,以满足不同能力学生的实践需求。
附件
下面照片为学生制作的基于 STM32 单片机的五色触摸画板。

实验案例信息表
| 案例提供单位 | 大连海事大学 | 相关专业 | 通信、电信、电科 | |||
| 设计者姓名 | 翟朝霞 | 电子邮箱 | shirlyllei@126.com | |||
| 移动电话 | 13604947655 | 通讯地址(含邮编) | 大连海事大学西山电航楼311室邮编:116026 | |||
| 设计者姓名 | 金国华 | 电子邮箱 | jingh@dlmu. edu. cn | |||
| 移动电话 | 13500730860 | 通讯地址(含邮编) | 大连海事大学西山电航楼307室邮编:116026 | |||
| 设计者姓名 | 电子邮箱 | |||||
| 移动电话 | 通讯地址(含邮编) | |||||
| 相关课程名称 | 单片机原理与应用单片机应用课程设计 | 学生年级 | 大三 | 学时(课内+课外) | 30 | |
| 支撑条件 | 仪器设备 | 计算机、STM32单片机、JLINK仿真器、热转印机、腐蚀桶和腐蚀液、打孔机、打印机、示波器、稳压电源、万用表、电烙铁等 | ||||
| 软件工具 | Keil MDK、Proteus、Protel DXP | |||||
| 主要器件 | STM32 单片机、触摸屏、电阻、电容、LM2596降压模块、芯片座、面包板、孔板、焊锡、导线等 | |||||