基于电子3D 打印技术的运动智能鞋垫柔性电路设计
实验题目:基于电子 3D 打印技术的运动智能鞋垫柔性电路设计
1. 课程简要信息
课程名称:电子实习
项目名称:基于电子 3D打印技术的运动智能鞋垫柔性电路设计
课程学时: 40学时(本项目12学时)
项目学时:课内10学时、课外2学时
适用专业:通信工程、自动化、电子信息工程、电子信息科学与技术
学生年级:本科三年级上学期
2. 实验内容与任务(限 500 字,可与“实验过程及要求”合并)
实验内容:
要求学员针对实际应用场景,以STM32单片机为核心,软硬结合,设计并实现一款运动智能鞋垫,其主要功能是:采集跑步时脚掌不同区域压力大小信息,并在终端设备(PC端或移动终端)上显示,从而辅助跑者调整跑步姿势,优化落地方式,降低受伤风险。项目全面整合如信号采集与放大、信号滤波算法、单片机应用、上位机程序开发、电路原理图设计、电子 3D打印技术、电路焊接与调试等专业知识,并以产品设计开发全流程为基础,有利于增强学员对电子工程项目的开发设计与生产制作等内容的深度理解。该项目主要分为基本任务及拓展任务。
基本任务:
(1) 设计能够感知脚掌三个不同区域压力大小的柔性电阻应变式传感器;
(2) 根据传感器的设计文件,能够规范使用电子3D打印机进行传感器的制作;
(3) 能成功搭建传感器信号采集及放大电路;
(4) 能够将传感器数据采集到 STM32 处理器中,实现模拟量采集、信号滤波、串口通讯等功能。
(5) 能够完成上位机程序的编写,并将采集数据显示在PC端。
拓展任务:
设计制作的柔性电阻应变式传感器尺寸误差在±感知脚掌区域从三个増为五个,使数据采集更加 $0 . 5 \mathrm { m m }$ ;自由选择使用 Arduino、FPGA 等其他控制器完成任务。(4) 完成移动终端相应软件开发,使采集数据能显示在移动终端。
3. 实验过程及要求(限 300 字)
本实验项目从工程实际出发,聚焦问题解决,主要分为教学准备、线上评学、线上导学、线下研学等四个过程,如图 1所示。
其中,教学准备过程以教员工作为主,要求教员了解学情,包括学员的理论基础、实践能力、兴趣爱好等,再结合教学目标,将学员有计划地进行分组;线上导学、线下促学、线上评学三大环节均以学员为中心。线上导学过程要求学员完成教员布置的学习任务,教员实时在线评学,旨在培养学员识记、理解等能力;线下研学过程要求学员结合理论学习,完成方案设计和实践操作,最终完成汇报答辩,旨在培养学员识理解、应用、分析、评价等能力;线上评学过程要求学员线上提交报告,并与教员积极沟通,教员最终对本轮教学效果进行评定,进行教学反思,旨在培养学员分析、评价、创新能力。

图1 实验过程示意图。
4. 相关知识及背景
《电子实习》课程是海军工程大学电子工程学院电子技术系列课程的主干必修课程,其教学内容是对“模拟电子线路”、“数字电路与 EDA 技术”、“高频电子线路”等电子类课程的补充和提升,通过该课程的学习,使学员能识别与检测常用电子元器件,能理解各类传感器的原理并熟练应用,能熟练运用计算机辅助设计软件进行电路分析、仿真与设计,能运用相关仪器设备制作印刷电路板,能使用常用电子仪器调试电子电路。该课程采用开放性项目制,对学员的实习作品题材不作硬性规定。从而培养学员的电子电路创新设计能力、电子装备维修能力、电子项目管理能力、理技融合能力和团队协作能力。
“基于电子 3D 打印技术的运动智能鞋垫柔性电路设计”是《电子实习》课程中,学员独立构思、设计并实现的经典创新项目之一,能凸出体现课程对于创新性、应用性及挑战度的要求。本项目采用电子 3D打印传感器的方式实现机械手的控制,是运用数字和模拟电子技术解决现实生活和工程实际问题的典型案例,需要运用传感器及检测技术、信号放大、模数信号转换、数据显示、反馈控制、滤波算法等相关知识与技术方法。并涉及测量仪器精度、线性度,硬件及软件反馈,仪器设备标定及抗干扰等工程概念与方法。
5. 实验环境条件
该实验项目需用到 STM32 处理器,型号为 STM32G431RBTx;电路设计软件使用的是 Solidworks、AutoCAD,用于应变电阻式传感器的设计;切片处理软件使用的是Simplify3D,用于建模文件的处理;电子 3D 打印设备为西安瑞特公司提供的 JD200Jet喷墨3D打印设备;信号接收板用于接收传感器信号;万用表用于电路的调试。
6. 教学目标与目的
通过本次实验加深学员对传感器及检测技术、信号放大、模数信号转换、反馈控制、滤波算法等知识的理解;培养学员对电路设计及制作、仪器设备标定等能力。提升学生的工程实践能力与创新思维,培养精益求精的工匠精神。
7. 教学设计与实施进程
7.1 教学理念
本次实验教学融入了布鲁姆认知理论、OBE 成果教学导向教育理念等部分教学环节和步骤,围绕教学总目标的达成设计教学子项目的内容,重点关注学员的学习、实践否达到教员预先设计的目标——通过工程思维,采用分析、归纳、比较、提炼、总结等方式将数字电路、模拟电路、传感器原理及应用、单片机原理及应用、电子工艺等课程知识相融合,并运用到现实生活和具体的工程实际问题上。特别强调:将工程伦理、科技关怀和人文思考融入到教学环节中,将思想政治教育融入到实验项目内容、课程的广度和深度中。
本着军校教育“四性一度”的精神,以培养学员高阶思维能力为目标,针对现有电子综合实践类教学的不足,采用线上线下混合式教学方法,达到对课程结构、内容进行重构、重建,从而完成学术和价值重塑的目的。
7.2 教学环节设计
围绕上述教学理念,对实验工程具体环节设计如表1所示:
表1 教学设计
| 教学环节 | 具体环节 | 学员活动 | 教员活动 | 设计思想 |
| 线上导学(2学时) | 布置学习任务 | ■ 学习电子3D打印的基本原理、特点及工作流程;□ 学习应变电阻式传感器工作原理、关键特性参数及测量电路;■ 复习信号放大、模数信号转换、数据显示、反馈控制、滤波算法等数模电知识;■ 学习《实验室安全要求》、 | ■ 提供线上慕课、微课等学习资源;■ 发放实验指导师、布置实验任务。■ 批改学员实验预习报告。 | 落脚点:1、学术落脚点:打破学科之间的壁垒,扩大学术认知视野和思维方式。2、价值元素提炼和传递:模拟和数字的矛盾对立统一观。V 大多数工程伦理规范的核心原则:“将公众的 |
| 在线学习 |
| 在线 评学 | 《实验室安全事故应急预 案》,杜绝实验安全隐患; ■ 完成实验预习报告,明确实 验背景、实验目的等。 | ■ | 安全、健康和福祉放在 首位”。 | ||
| 以提问的方式 检验课前学习 效果; ■ 针对学员课前 学习薄弱的知 | 落脚点: 价值元素提炼和传递: 马克思主义中“理论指导和 | ||||
| 线下 研学 (10学时) | 讲授 (2学时) 课内 实验 | ■ 回答教员提出的问题; 学习理论知识; ■ 学习本次实验注意事项。 □ ■ 硬件制作组任务: 1.传感器的建模与打印; 2.传感器信号的采集与放大; ■ 1程序编写组: 1.信号转换; | 识点重点讲 解; 强调本次实验 注意事项。 解答学员提 出的问题; 引导学员完 | 实践探索辩证统一”观点。 落脚点: 1、学术落脚点:传感器及检 测技术、信号放大、模数信 号转换、反馈控制、滤波算 | |
| (6学时) | 2.数据滤波; 3.上位机程序编写; ■ 实验调试: 展示作品功能; | □ 实现脚底不同区域压力监测。 | 成实验。 | 法等知识深度理解与应用。 价值元素提炼和传递: 马克思主义中“理论指导和 实践探索辩证统一”观点。 落脚点: | |
| 验收 答辩 (1学时) 实验 | ■ 课后完成实验报告的撰写, | 回答教员的提问。 | 检查作品性能指 标。 在线评阅实验报告 | 价值元素提炼和传递: 大国工匠精神:“执着专注、 精益求精、一丝不苟、追求 卓越。” 落脚点: 价值元素提炼和传递: | |
| 线上 评学 | 报告 师生 | 告。 | 通过智能互联信息系统提交报 对实验过程中未理解的问题 | 的完整性及规范 性,并进行评分。 认真聆听学员的 问题,意见和建 | 社会主义核心价值观中的 “平等、公正”。 落脚点: 价值元素提炼和传递: 沟通对人际关系、工作和学 |
| 沟通 | 及心得体会与教员交流。 | 议,有针对性地进 行回复。 复盘教学全过程, | 作用。 | 习以及文化交流都起着重要 | |
| 教学 反思 | 教学反思,反哺下 一轮教学。 | ||||
8. 实验原理及方案
8.1系统结构
该实验项目的系统结构主要包括:传感器设计、电子 3D打印、传感器信号采集及放大、压力采集程序开发和上位机程序编写等五个模块,如图2所示:

图2项目实验结构图。
8.2实现方案
1) 传感器的设计
使用三维建模软件,如 Solidworks、AutoCAD 等对应变电阻式传感器进行建模。本案例采用 Solodworks 软件进行建模,软件界面如图 3 所示。图3(a)是绘制传感器草图(二维)的界面,图 3(b)是通过“拉伸”操作绘制传感器(三维)的界面。

图3 传感器的设计。(a)绘制草图;(b)绘制三维图。
2) 传感器的制作
待传感器设计完成后,将文件导入Simplify3D进行切片处理,如图4所示。图4(a)是绘制将传感器导入到切片软件中的界面,图4(b)是切片处理的界面,图4(c)是导出切片文件的界面。

图 4 传感器的制作。(a)导入切片软件;(b)切片处理;(c)文件导出。
切片处理完成后,将文件导入电子3D打印机,对设计完成的传感器进行打印制作。操作流程主要是:首先,准备打印需要的基材PI薄膜、打印浆料479SS低温导电银和手指图形程序;然后,清理并调节工作台至适当位置,将薄膜通过负压吸附于工作台上,录入打印头位置坐标及高度,使用直写打印方式进行打印;最后,.打印完成,将薄膜置于加热台进行固化。
此步骤的关键点在于对于电子3D打印过程中的工艺参数的选取,如打印速度、喷头直径、气压、平台温度、打印路径等等。根据先验经验,选择的工艺参数组合为:打印高度为 $0 . 1 \mathrm { m m }$ ,打印头直径为 $0 . 2 6 \mathrm { m m }$ ,打印速度为 $8 0 0 \mathrm { { m m } / \mathrm { { m i n } } }$ ,气压为 0.28MPa,电阻打印单元长 $2 0 \mathrm { m m }$ 、宽 $1 5 \mathrm { m m }$ ,间隔 1mm。打印前需要对储存浆料的针管进行排泡以保证打印时浆料的稳定、连续。固化条件为 $1 2 0 ^ { \circ } \mathsf { C }$ ,$2 0 \mathrm { m i n }$ 。学员也可根据打印传感器性能测试效果进一步优化性能参数。
3) 信号采集及放大电路搭建
由于应变电阻式传感器获取的信号非常微弱,用ADC 直接采集误差会非常大,因此,需搭建运算放大电路对微弱的信号进行放大。本案例采用同相放大电路。具体的操作步骤是:
- 使用万用表测试打印出的传感器 CN1 的阻值;
- 根据传感器 CN1 的阻值,计算合适的分压电阻R1 的大小(通常为传感器阻值0.8-1.5倍);电容C1 的作用是用来防止电压抖动;
- 设计同相放大电路并计算放大电路中关键电阻的阻值,R7和R8用来调节偏置电压,R8和R9用来匹配放大倍数。(参考模拟电子电路课程知识)
- 在Altium Designer 或其他EDA软件中进行电路设计,设计的电路图如图5所示。将信号连接到MCU模拟量输入端。

图 5 信号采集及放大电路。
-
压力采集程序开发
-
芯片端口设置及初始化。使用STMIDE 软件设置芯片相关端口的定义。ADC 用于采集实时模拟量。USART用于串口通信将读取数字传输至上位
机。设置如下图6所示:

图6 STMIDE 软件设置芯片相关端口的定义。
用于模拟量采集读取的主要代码如下:
$\mathrm { f o r ( i n t \ : j = 0 ; j < = 4 ; j + + ) } \ : \left{ \begin{array} { l l } { \begin{array} { r l r } \end{array} } \end{array} \right.$ HAL_ADC_Start(&hadc1); HAL_ADC_PollForConversion(&hadc1, 50); Input[j] $=$ HAL_ADC_GetValue(&hadc1); Output[j] $=$ KalmanFilter(&kfp[j],Input[j]) * 3.3 / 4096.0;
}
HAL_ADC_Stop(&hadc1);
- 信号滤波模块。由于采集的频率较高,必然会引入干扰,对采集到的值进行合适的滤波处理,使信号达标。由于卡尔曼滤波非常适合不断变化的系统,它的优点还有内存占用较小(只需保留前一个状态)、速度快,所以我们用卡尔曼滤波算法对采集数值进行滤波。滤波函数的主要代码如下:
typedef struct
{float Last_P;//上次估算协方差 不可以为 0float Now_P;//当前估算协方差float out;//卡尔曼滤波器输出float $\mathrm { K g ; / / }$ 卡尔曼增益float Q;//过程噪声协方差float R;//观测噪声协方差}Kalman;Kalman kfp[5];void Kalman_Init(){for(int $\mathrm { i } = 0$ ; $\dot { 1 } < = 4$ ; i++){kfp[i].Last $\mathrm { P } = 1$ ;kfp[i].Now_ ${ \underline { { \boldsymbol { P } } } } = 0$ ;kfp[i].out $= 0$ ;kfp[i]. $. \mathrm { K g } = 0$ ;kfp[i].Q $ \tmspace + \thinmuskip { . 6 7 e m } ) = 0 . 0 5$ ;kfp[i]. $. \mathrm { R } = 0 . 1 0$ ;}}float KalmanFilter(Kalman *kfp,float input){
//预测协方差方程:k时刻系统估算协方差 $= k - I$ 时刻的系统协方差 +
过程噪声协方差kfp- $\mathrm { . > }$ Now_P $=$ kfp- ${ } _ { - > }$ Last_P + kfp->Q;
//卡尔曼增益方程: 卡尔曼增益 $= k$ 时刻系统估算协方差 / $( k$ 时刻
系统估算协方差 $^ +$ 观测噪声协方差)kfp ${ \mathrm { - } } { \mathrm { > K g = } }$ kfp->Now_P / (kfp- $\mathrm { . > }$ Now_P + kfp->R);
//更新最优值方程: $k$ 时刻状态变量的最优值 $=$ 状态变量的预测值+
卡尔曼增益 * (测量值 -状态变量的预测值)kfp- $\mathrm { . > }$ out $=$ kfp->out $^ +$ kfp->Kg * (input -kfp- $\mathrm { . > }$ out);
//因为这一次的预测值就是上一次的输出值
//更新协方差方程: 本次的系统协方差付给 kfp- $\mathrm { . > }$ LastP 威下一次运
算准备。kfp->Last_P $=$ (1-kfp->Kg) * kfp- $\mathrm { > }$ Now_P;return kfp->out;
- 串口通讯模块。用于将采集到模拟量电压值通过串口上发到上位机监控脚底压力状态。主要代码如下:
sprintf(tt,"%6f %6f %6f %6f %6f\n",Output[0],Output[1], Output[2], Output[3], Output[4]); HAL_UART_Transmit(&huart1,(double*)tt,strlen(tt),100);
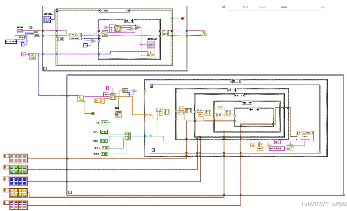
5) 上位机程序编写
使用LabView软件编写上位机程序,使其脚底压力可视化,程序框如下图 7所示:

图7 上位机程序框图。
软件程序界面及显示界面如下图8和图9所示:

图8 上位机程序界面。

图9 上位机显示界面。
作品展示
最终完成作品如图 10所示:

图10 最终完成作品图片。
9. 实验报告要求
需要学生在实验报告中反映的工作(如:实验需求分析、实现方案论证、理论推导计算、设计仿真分析、电路参数选择、实验过程设计、数据测量记录、数据处理分析、实验结果总结等等),如图11所示:
实验报告应反映以下工作:
(1) 实验报告封面,包含:个人、团队成员、课程、专业等基本信息;
(2) 实现基本信息,包含:实验名称、使用设备及仪器、团队分工、实验成绩评定等基本信息;
(3) 实验内容,主要包含:实验目的、自主学习、电路建模与打印、信号采集与放大、信号转换、控制器程序编写、实验结果与总结、个人心得等信息。

图11 实验报告设计
10.考核要求与方法
1)实验过程考核
在实验过程中,考核主要分为课前学习、基本任务和拓展创新三个部分。课前学习主要考查学生实验前的预习情况,对实验背景、目的和基本理论的了解。基本任务考查实验过程中的操作技能、实验规范以及最终成果的展示。拓展创新考查学生创新实践等高阶能力。此外,对于团队协作能力也将进行评估,包括沟通、分工和协调等方面。
2)实验结果考核
实验结果考核根据学生提交的实验报告和组内互评结果进行评分,重点关注实验报告中对于过程记录的情况,考查结论的合理性,对实验结果分析的深度以及报告的规范性等。
3) 综合成绩评定
总成绩为百分制,实验过程考核占比 $60 %$ ,实验结果考核占比 $40 %$ (总分 100分 $\underline { { \underline { { \mathbf { \delta \pi } } } } }$ 实验过程得分 $* 6 0 % +$ 实验结果得分 $\ast 4 0 %$ )。详细考核评价标准如表2所示。
表2 实验考核评价标准
| 考核阶段 | 任务阶段 | 考核内容 | 考核指标 | 等级 | 总分 |
| 免安比程(60%) | 课前学习 | 是否能够完成课前准备阶段的学习要求 | 能够清晰地解释实验的背景和目的,理解实验步骤和原理 | 14-15 | 15 |
| 较好地理解了实验相关理论,能解释实验的基本背景和目的 | 12-13 | ||||
| 完成了部分预习任务,但存在遗漏或不够深入的地方 | 9-11 | ||||
| 预习任务未能完成,缺少对实验步骤和原理的基本理解 | 019 | ||||
| 基本任务 | 是否能够实现实验基本任务要求并进行现场演示 | 准确无误地完成了所有基本任务,完全符要求,功能完备,性能良好 | 29-30 | 30 | |
| 按要求完成大部分任务,操作相对熟练,过程基本顺畅,存在小缺陷 | 25-28 | ||||
| 能够完成部分功能,存在一些明显遗漏或错误,对结果有一定影响 | 19-24 | ||||
| 未能完成实验基本任务,存在严重错误或遗漏,过程混乱 | 0-18 | ||||
| 拓展创新 | 是否能够实现实验拓展任务要求并进行现场演示 | 技术性强,有较大的创新性,可操作性高,有详细准确的分析支持 | 14-15 | 15 | |
| 有一定技术性和创新性,设计较为原创,有较详细的数据分析 | 12-13 | ||||
| 技术性一般,创新性欠佳,缺少深入的分析支撑 | 9-11 | ||||
| 技术深度不足,创新性较差,功能展示存在一定的缺陷 | 0-9 | ||||
| (40%) | 实验报告 | 实验报告是否符合要求:逻辑清晰,完整规范 | 内容全面,分析深入,能够体现出对实验内容的深刻理解和独立思考 | 24-25 | 25 |
| 内容比较完整,数据较为准确,结论较为明确,表达良好,格式规范 | 21-23 | ||||
| 内容基本完整,分析和结论存在不足,报告格式基本规范 | 16-20 | ||||
| 内容全面,分析深入,能够体现出对实验内容的深刻理解和独立思考 | 0-15 | ||||
| 组内互评 | 组内成员互相评分,按排名顺序给分 | 第一名 | 15 | 15 | |
| 第二名 | 10 | ||||
| 第三名 | 7 | ||||
| 第四名 | 5 | ||||
| 总分100分=实验过程得分*60%+实验结墨得分*40% | |||||
11. 项目特色或创新
(1) 方法创新:将传统的印刷电路板制造工艺转变为先进的电子 3D 打印模式,并能将项目主题与电子 3D打印的优势巧妙结合,易于激发学员的学习兴趣;
(2) 内容创新:项目综合了传感器及检测技术、信号放大、模数信号转换、数据显示、反馈控制、滤波算法等相关知识与技术方法。并涉及测量仪器精度、线性度,硬件及软件反馈,仪器设备标定及抗干扰等工程概念与方法。项目内容兼具理论性和工程性。
(3) 理念创新:本次实验教学融入了布鲁姆认知理论、OBE 成果教学导向教育理念等部分教学环节和步骤,围绕教学总目标的达成设计教学子项目的内容,重点关注和评价学员的学习、实践否达到教员预先设计的目标。
(4) 模式创新:本项目为线上线下混合式实验,主要包括线上慕课、微课等教学资源的建设、线下实验环节的实施以及实验报告智能互联信息系统的提交。该模式能加深学员与教员之间的沟通,提高学习效率,并能对加强教学监督和形成性评价。
(5) 创新成果:该实验项目实施后,受到了参课学员的广泛参与与好评。另外,该实验项目通过优中选优的方式,遴选出其中一个学习小组参加“第六届(2023)全国大学生嵌 入式芯片与系统设计竞赛应用赛道全国总决赛”三等奖。
附件1 学习过程作证图片

图S1 自主学习线上资源

图S2 理论学习

图S3 电子 3D打印机的学习及操作

图S4 学员建模建模及控制程序编写

图S5 实验调试

图S6 智能互联系统提交实验报告

图S7 参赛照片及获奖证书