基于进阶式问题驱动的音频功放电路分析与实践
实验题目:基于进阶式问题驱动的音频功放电路分析与实践
1. 课程简要信息
课程名称:电子产品分析与装调综合实训课程学时:48学时(集中实践环节,必修)适用专业:电子信息工程技术、飞机电子设备维修学生年级:二年级第一学期
2. 实验内容与任务(限 500 字,可与“实验过程及要求”合并)
实验内容:
本课程项目要求设计完成一个音频功放,并能够进行实物展示。针对电子信息工程技术低年级学生没有学过单片机编程的特点,采用纯硬件电路设计完成,并采用模块化设计理念,将项目分为电源、双音提示电路和音频选择以及放大电路等三个模块,电路设计中几乎涵盖模拟电路和数字电路中的典型电路,有助于加深学生对电路原理的理解,并有利于把专业知识与工程应用结合起来。
具体设计任务如下:
技术指标任务:
输入电源:18VAC/1A音频线路输入: $\mathrm { f } { = } 1 0 0 \mathrm { H z } { \sim } 1 5 \mathrm { k H z }$ $\bullet$ MIC 话音输入:频率范围: $3 0 0 \mathrm { H z } { \sim } 3 . 4 \mathrm { k H z }$ 信号幅值: $2 0 \mathrm { m V p p - 1 0 V p p }$ 自动增益控制: $\geqslant 5 0 \mathrm { d B }$
双音提示输入:频率:fL=720Hz±50Hz、fH=2840Hz±100Hz双音提示周期: $1 . 3 \mathrm { s } \pm 0 . 1 \mathrm { s }$ 重复次数:3次触发脉冲宽度: $1 . 1 \mathrm { m s } { \pm } 0 . 5 \mathrm { m s }$ 音频输出功率: $\geqslant 5 \mathrm { W }$ (不失真功率、 $\mathrm { R L } { = } 4 \Omega$ )功放效率: $\eta \geqslant 3 5 %$
基本任务:
1)对电源模块相关电路进行参数计算、电路分析和仿真;
2)对音频选择与放大模块相关电路参数进行计算、电路分析和仿真;
3)对双音提示模块相关电路参数进行计算、电路分析和仿真;
4) 根据明细表和装配图等工艺文件,对电路板进行装配和焊接;
5)根据调试说明,对电路板调试测试。
拓展任务:
1) 对于设置了不同故障的电路板,能进行准确排故;
2)对单元电路能进行设计改进,并通过电路仿真或实物改进来验证其有效性。
思政融入点:
本项目是一个模拟飞机驾驶舱话音放大器、提示音以及高铁或地铁中语音提示及播报系统。通过本项目的实施,让学生了解中国高铁、地铁、大飞机的高速发展,诠释家国情怀彰显大国自信。
3. 实验过程及要求(限 300 字)
理论知识:
-
学习掌握整流滤波电路、串联稳压电路、三端集成稳压电路和 555 反相变换电路等电源电路的工作原理;
-
学习掌握定时电路、分频电路等相关数字电路的工作原理;
-
学习掌握 RC 桥式正弦波振荡器(文氏振荡器)、带 AGC 的运放电路、三极管基本放大电路、比较电路和集成功率放大电路的工作原理。
需求分析与资料查询:
查阅相关资料,充分了解项目的技术要求、技术参数和技术指标。结合设计要求、提出初步方案并制定小组工作计划。
方案论证:
- 对电源模块相关电路参数进行计算、电路分析和仿真;
- 对双音提示模块相关电路参数进行计算、电路分析和仿真;
- 对音频选择与放大模块相关电路参数进行计算、电路分析和仿真;
- 通过对以上三大模块中相关电路的参数计算、分析和仿真,对电路设计方案机型论证。
硬件搭建:
- 熟练使用焊接工具并能够根据工艺要求安装印制板;
- 根据调试说明,对电路板进行分级调试;
- 根据电路原理排除电路板故障(拓展1);
- 对单元电路能进行设计改进,并验证其有效性(拓展 2)。
项目验收:
通过分组验收答辩,展示实验成果。
总结报告:
整理设计资料、各类文档,撰写设计总结报告,总结实验过程的经验和感想。
4. 相关知识及背景(限 150 字)
背景:这是一个运用数字和模拟电子技术解决现实生活和工程实际问题的典型案例。主要模拟飞机驾驶舱话音放大器和各种提示音的电路原理与实现,以及车站或地铁站台语音提示及扩音系统。
相关知识:掌握模拟电子技术、数字电子技术的典型电路(如三极管电压放大电路、集成运算放大电路、功率放大电路、串联稳压电路、单稳触发电路、分频电路等);Multisim仿真软件的使用,工艺文件的熟悉和使用,电路的装配、焊接和调试,以及各种测试仪器仪表的使用。
5. 实验环境条件
常用实验仪器设备:
表5-1 实验设备及功能
| 名称 | 信号发生器 | 数字示波器 | 直流稳压电源 | 万用表 | 计算机 | 焊台 | 斜口钳 | 镊子 | 防静电胶垫 |
| 实物 | 二 | 里 | ¥0.00 | ||||||
| 功能 | 根据测试需要,提供相应的输入信号 | 测试电路相关测试点的波形,包括电压纹波的测试等 | 提供电需流稳压电源 | 交直流电压测试、电阻测试、二极管测试、电路通断测试等 | 电路仿真、测试和调试 | 焊接元件及导线 | 切导及印电哈茶插件后过长的引线 | 夹持导线、元件及集成电路引脚等 | 人台的静电产生的干扰 |
设计软件工具:
表5-2 仿真软件
| 名称 | 实物 | 功能 |
| Multisim 14.0 | 三 #D% VariablePower Supply 1.75V-13V xsC2 Select Simulate>>Run to nun an interactive simulation. 0 Hover over the yellow pins to see vrious otes 中中中串 自 T1 D1 E LM3TK S 1V ? v1 3N246 ADJ 10:1 R1 OND 主 C1 200μF LEO1 阳 0 Gupher Ven A PowerSupply Device ParameterSweep 140.0000m 100.0 2000 .0000 | 对单元电路进行仿真,验证电路原 理、参数设置是否正确 |
主要元件:
表5-3 主要元件
| 名称 | 78M05 | 79L05 | LM358 | CD4060 | LM324 | 74HC74 | 74HC02 | CD4053 | NE555 |
| 实物 | 78m05YD1206 | R | 2 | ||||||
| 元件介绍 | 三端□电流正固压器定电稳压 | 三端□电流负固定电压稳压器 | 双运算放大器 | 一振器和位二计数 | 带有真差动输入的四运算放大器 | 单输入端的双D触发器 | 内含四个两输入或非门 | 内含三个2通道数字控制模拟开关 | 定时器,可产种不信号 |
6. 教学目标与目的(限 150 字)
-
使学生掌握电子产品装调的通用工作流程,能够完成电子产品的焊接、调试、故障排除到整机装配、测试的整个过程;
-
使学生能够看懂电路图,了解电路工作原理;能识别常用的电子元器件,并能认真阅读芯片资料并加以应用;
-
使学生能进行电路参数计算,并能够运用 Multisim 软件对单元电路进行仿真分析;
-
将抽象电路知识与具体元件结合起来,使学生进一步理解数模电典型电路;
-
使学生能根据明细表、装配图等工艺文件,对电路板进行装配和焊接,掌握电路焊接、调试的基本技能;
-
使学生能使用常用测试仪器,如万用表、示波器、稳压电源、函数信号发生器和低频毫伏表,并根据调试说明,对电路板进行调试与测试;
-
使学生能自主学习、独立分析和解决实验过程中遇到的电路故障问题,培养学生在电子线路方面分析问题、解决问题的实际工作能力和创新能力;
-
培养学生的方法能力和严谨认真的科学态度,并通过小组合作,培养学生的团队协作能力和职业素质。
7. 教学设计与实施进程
本实验项目是一个贴近生活应用的工程实践项目,在教学设计和实施过程中,贯穿思政线、知识技能线和分层教学线这三条主线。教学设计和实施进程如图7-1 所示。

基于进阶式问题驱动的音频功放电路分析与实践
图7-1 教学设计与实施进程图
“思政线”:从 C919 大飞机驾驶舱话音放大、报警提示音的项目背景引入,进一步拓展到高铁或地铁中语音提示及播报系统,让学生了解中国高铁、地铁、大飞机的高速发展,从而树立学生科技报国的信念,通过对电路板焊接调试等技术技能的训练,厚植工匠精神的情怀。
“知识技能线”:通过“明-析-练-调-评”贯穿整个综合实训的知识技能线。首先明确项目任务,根据该项目的功能和技术指标对项目进行单元电路的分解;接着,对单元电路进行原理分析、参数计算和仿真,从而引导学生从理论走向实践;然后通过各类元器件的焊接,让学生掌握直插元件、贴片元件的焊接技能,了解焊接的相关工艺;按照电路从输入到输出的顺序,对各单元电路依次焊接、依次调试,直至完成整机联调;最后通过测试和总结答辩的过程,对学生进行评价。
“分层教学线”:从知识应用方面,采用“基本分析、应用、改进三进阶”,对学生进行分层教学;在技能培养方面,采用“焊接、测试、排故能力三进阶”,对学生进行分层教学。
在实验教学环节中,教师除了贯穿以上三条主线外,需要在以下几个方面加强对学生的引导:
实验项目实施前:
要求学生查询相关资料,并学习相关电路原理,了解实验工具及仪器。
实验项目实施中:
1) 项目讲解
分析项目的技术要求、技术参数和技术指标,并讲解对工作任务的理解。
2) 制定小组工作计划
2 人一组,指导学生制定工作计划,其中,一人负责大功率电路板(电源和放大电路部分)的焊接,一人负责小功率电路板(信号电路部分)的焊接,两人分工协作,共同完成电路的调试工作,增强团队合作意识。
3) 指导模块电路设计与分析
指导学生对电源、双音提示电路以及音频选择与放大电路这三大电路模块进行参数计算、电路分析和仿真。
4) 指导印制电路板安装
指导学生认识不同器件的焊接方法,指导学生进行合理的布局布线;指导学生根据工艺要求安
装印制板;并按照IPC工艺要求,指导学生对印制板的装焊质量进行检验。
5) 指导电路板调试测试
指导学生认真阅读调试说明,做好产品调试前准备:仪器仪表、图纸和调试元件;根据给定的技术要求和调试说明,指导学生调试与测试电路板使其达到设计要求,并做好测量数据的记录和分析,给出测试结果。
6) 拓展部分
教师对电路板设置不同的故障,学生要能根据电路的原理,准确地排除故障,加深学生对电路的理解。
引导能力较强的学生对单元电路进行改进,并通过仿真或者实物验证其改进结果。
实验项目实施后:
组织学生进行项目总结并制作 PPT,分小组进行答辩演示,汇报电路方案和设计亮点,进行作品的实物展示。
撰写设计报告时,要注意报告的规范性、全文结构的逻辑性。
8. 实验原理及方案
8.1 系统结构框图
基于数模电电路的音频功放框图如图 8-1 所示。输入有 3 个音频信号源:双音提示(TONE)、话音(MIC)和线路音频(LINE),经多路开关选择后,音频信号输入到电压与功率放大电路放大,并用LED显示音频信号幅值。

图8-1 基于数模电电路的音频功放框图
8.2 实现方案
(1)电源模块
电源模块电路框图如图 8-2 所示。

图8-2 电源模块电路框图
a. 整流滤波电路

图8-3 整流滤波电路
整流滤波电路如图8-3所示。电源输入端输入18VAC/1A的交流电,输入端加电源开关和1A/30V保险丝。整流电路采用1N4004 二极管组成的单向桥式整流电路,滤波电路则由 $2 2 0 0 \mathrm { { u F } } / 3 5 \mathrm { { V } }$ 的铝电解电容和 $0 . 1 \mathrm { u F }$ 的电容并联组成,其中 0.1uF 的贴片电容过滤高频噪声信号,2200uF/35V 的铝电解电容过滤低频交流纹波信号。
b. $\mathbf { \mathbf { + 1 2 V } }$ 串联稳压电路

图 $8 { - } 4 + 1 2 \mathrm { V }$ 串联稳压电路
电源电路中的 $+ 1 2 \mathrm { V }$ 稳压电源采用串联型稳压电路拓扑结构,电路如图8-4 所示。稳压电路由4部分组成:调整管、取样电路、比较放大电路和基准电路组成。其中 $\mathrm { { V } _ { 4 } }$ 采用功率管 TIP41, $\mathrm { V } _ { 5 }$ 采用三极管 9013, $\mathrm { V } _ { 4 }$ 和 $\mathrm { V } _ { 5 }$ 组成达林顿管用作调整管;稳压管 $\mathrm { D } _ { 1 7 }$ 采用 1N4735,与 $\mathrm { R } _ { 5 4 }$ 构成基准电路;$\mathrm { R } _ { 5 6 }$ 、 $\mathrm { R } _ { 5 7 }$ 和 $\mathrm { R } _ { \mathrm { P 6 } }$ 组成采样电路; $\mathrm { V } _ { 6 }$ 采用三极管 9013 构成了比较放大电路。在电路工作时,取样电路的比例电压与基准电压在比较放大电路中进行比较、放大,然后以电流控制方式控制调整管的输出电流,从而使负载上的输出电压保持基本不变,实现了电路稳压的效果。由于调整管与负载是串联的,所以该电路称为串联稳压电路。其输出电压为:
$$ U _ { o } = ( 1 + \frac { R _ { 5 6 } + R _ { P 6 - 1 } } { R _ { 5 7 } + R _ { P 6 - 2 } } ) ( U _ { D z } + U _ { B E } ) $$
调节 $R _ { P 6 }$ 可以改变输出电压大小,当 $\mathrm { R } _ { P 6 - 1 } { = } 0$ ,UO最小;当 $\mathrm { R } _ { \mathrm { P 6 - } 2 } { = } 0$ , $\mathrm { U } _ { \mathrm { O } }$ 最大。
根据式(1),可以计算输出电压的范围,稳压管1N4735的 $\mathrm { U D Z } { = } 6 . 2 \mathrm { V }$ ,三极管9013的 $\mathrm { U } _ { \mathrm { B E } } { = } 0 . 7 \mathrm { V }$ ,
$$ U _ { o m i n } = \left( 1 + { \frac { R _ { 5 6 } } { R _ { 5 7 } + R _ { P 6 } } } \right) \left( U _ { D Z } + U _ { B E } \right) = \left( 1 + { \frac { 3 } { 7 . 5 + 5 } } \right) \left( 6 . 2 + 0 . 7 \right) = 8 . 5 5 6 V $$
$$ U _ { o m a x } = \left( 1 + \frac { R _ { 5 6 } + R _ { P 6 } } { R _ { 5 7 } } \right) \left( U _ { D Z } + U _ { B E } \right) = \left( 1 + \frac { 3 + 5 } { 7 . 5 } \right) \left( 6 . 2 + 0 . 7 \right) = 1 4 . 2 6 V $$
通过调节 $R P 6$ 可以使输出电压在 $+ 8 . 5 5 6 \mathrm { V } { \sim } + 1 4 . 2 6 \mathrm { V }$ 范围内变化,将 $R P 6$ 调整到合适位置可保证$+ 1 2 \mathrm { V }$ 输出。输出端采用 $0 . 1 \mathrm { u F }$ 的贴片电容过滤高频噪声信号,1000uF/35V的铝电解电容过滤低频交流纹波信号,并使用发光二极管做电源指示。
Multisim仿真实验效果图如图8-5 所示。晶体管 9013 采用性能相近的 BC547A(或2N2222)代替。

图8-5 串联稳压电路仿真实验图
若仿真时, $\mathrm { D } _ { 1 8 }$ 不亮,可将 $\mathrm { R } _ { 5 8 }$ 设置为 $7 . 5 \mathrm { K } \Omega$ 。
c. $+ 5 \mathbf { V }$ 三端集成稳压电路

图 8-6 78M05 集成稳压电路
电源电路中的 $+ 5 \mathrm { V }$ 稳压输出采用78M05(TO-252 封装)三端固定式集成稳压器,电路如图 6 所示。该电路为 78M05 的典型应用电路。对于该电路来说,由于 78M05 输入端和输出端的电压差较大,功耗较大,需要加一个辅助功率电阻 R来分担稳压器的热功耗,因此采用电阻 $\mathrm { R } _ { 5 2 }$ 对 78M05 进行辅助散热。 $\mathrm { C } _ { 4 1 } { \sim } \mathrm { C } _ { 4 4 }$ 为旁路电容,可保证稳压电路有好的稳定性和瞬态响应,并使用发光二极管 $\mathrm { D } _ { 1 6 }$ 做电源指示。
设输出电流为 $\mathrm { I o } { = } 3 0 \mathrm { m A }$ ,辅助散热电阻 $\mathrm { R } _ { 5 2 }$ 阻值为
$$ R _ { 5 2 } = \frac { U _ { i } - U _ { o } - 3 } { I _ { o } } = \frac { 1 8 - 5 - 3 } { 0 . 0 3 } \approx 3 0 0 \Omega $$
$\mathrm { R } _ { 5 2 }$ 功率为
$$ P _ { R 5 2 } = { I _ { o } } ^ { 2 } R _ { 5 2 } = 0 . 0 0 0 9 \times 3 0 0 = 0 . 2 7 W $$
考虑到电路工作可靠性问题,电阻功率取值要有余量,即电阻标称功率取值 1.5PR 以上,因此$\mathrm { R } _ { 5 2 }$ 我们取 $3 0 0 \Omega / 1 \mathrm { W }$ 的电阻。
Multisim 仿真实验效果图如图 8-7 所示,仿真时用 7805 代替 78M05。

图8-7 7805 三端集成稳压电路仿真实验图
由图7 可以看出,输出电压为 $5 . 0 0 3 \mathrm { V }$ ,符合技术要求。
d. 555 正 12V 变负 5V 反相电路

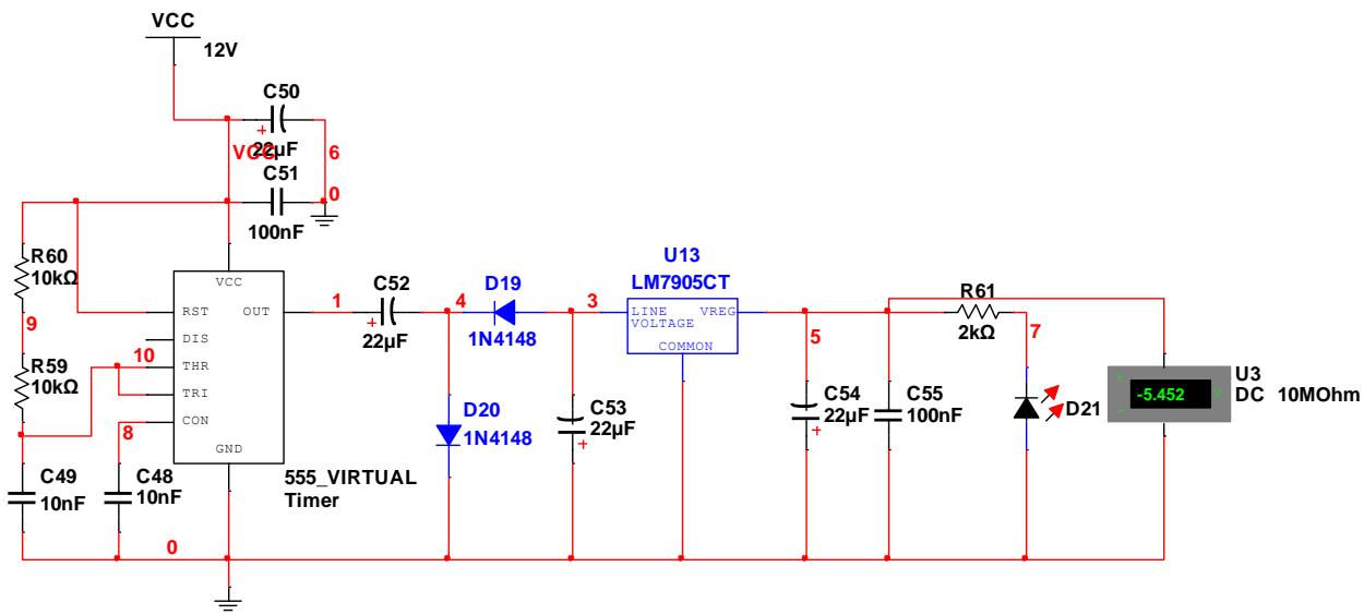
图 8-8 555 正 12V 变负 5V 反相电路
电源电路中的-5V 稳压输出采用 555 电荷泵 DC/DC 反相变换电路,电路如图 8-8 所示。由 555脉冲振荡电路、二极管与电容电平变换电路、LM79L05集成稳压电路组成,并使用发光二极管 D21做电源指示。当555输出为高电平时,输出信号通过 D20向 $\mathrm { C } _ { 5 2 }$ 充电;当555 输出为低电平时,D20截止, $\mathrm { C } _ { 5 2 }$ 通过D19 向C53转移电荷,即 $\mathrm { C } _ { 5 3 }$ 反向充电实现电平反相变换,其输出电压大约-12V,输出负电压经过后续串联的集成稳压器 LM79L05 进行二次稳压,抑制 DC/DC 开关变换的纹波电压,实现-5V稳压输出。
Multisim 仿真实验效果图如图 8-9 所示。

图8-9 555 正12V变负5V反相电路仿真实验图
由图8-9 可以看出,输出电压为-5.452V,符合技术要求。
注:仿真时,555 定时器在菜单栏—工具—电路向导—555 定时器向导。
若无法仿真,则将555 定时器的DIS端断开。
(2)双音提示模块
双音提示模块电路框图如图 8-10 所示。

图8-10 双音提示电路框图
a. 1s 定时电路

图 8-11 1s 定时电路
双音提示电路中的1s定时电路采用CD4060B和电阻、电容组成的RC振荡器电路,电路图如图8-11 所示。1s 输出信号从3 脚,即14分频输出端输出,因此振荡频率 $\mathrm { f o s c } { = } 2 1 4 \mathrm { H z }$ 。电源端采用$0 . 0 1 \mu \mathrm { F }$ 的滤波电容。
图 8-11 中的定时电容 $C _ { 5 }$ 一般取值 $0 . 0 1 \mu \mathrm { F }$ 即 $1 0 \mathrm { n F }$ ,根据 CD4060B 振荡频率公式$f _ { o s c } = \frac { 1 } { 2 . 2 \times R \times C }$ 可以计算出定时电阻 $\mathrm { R } _ { 4 }$ 的值为:
$$ R _ { 4 } = \frac { 1 } { 2 . 2 \times f _ { o s c } \times C _ { 2 } } = \frac { 1 0 ^ { 9 } } { 2 . 2 \times 2 ^ { 1 4 } \times 1 0 } \approx 2 . 7 7 \mathrm { k } \Omega $$
$\mathrm { R } _ { 4 }$ 我们取标称值 $3 \mathrm { k } \Omega$ , $\mathrm { R } _ { 3 }$ 一般取值为2R4~10 R4,在这里我们取值 $2 2 \mathrm { k } \Omega$ 。
b. 文氏振荡器电路

图 8-12 文氏振荡器电路
双音提示电路中采用RC桥式正弦波振荡器(文氏振荡器)电路,产生高、低两个振荡频率音频信号,电路图如图 8-12 所示。主振放大电路采用 LM358 集成运放电路,正反馈 RC 串并联选频网络,通过模拟开关来调整电阻 R 的电阻值,用来产生高、低两个振荡频率;负反馈支路采用二极管稳幅,实现自动增益控制(AGC)功能,当输出电压幅值增大时,二极管 D1/D2 导通,使得反馈支路的等效电阻减少,反馈系数增大,闭环电压增益减小,从而实现稳幅。在信号的输出端采用 LM358的另一个运放构成的电压跟随器,起隔离和提高电路带负载能力的作用。
经过测量,高、低两个提示音的频率分别约为 2954Hz 和 697Hz,其中频率 697Hz 由 $\mathrm { R } _ { 7 } \mathrm { ( R } _ { 8 } \mathrm { ) }$ 产生;频率 $2 9 5 4 \mathrm { H z }$ 由 R7(R8)和 ${ \mathrm { R } } _ { 6 } ( { \mathrm { R } } _ { 9 } )$ 并联产生。取 RC 串并联选频网络中的电容 $\mathrm { C } _ { 6 } ( \mathrm { C } _ { 7 } )$ 值为 $0 . 0 1 \mu \mathrm { F }$ (10nF),根据文氏振荡器的谐振频率公式 fo $f _ { o } = { \frac { 1 } { 2 \pi R C } }$ 计算出对应频率 697Hz 的 $\mathrm { R } _ { 6 } ( \mathrm { R } _ { 7 } )$ 的电阻值为:
$$ R _ { 7 } = \frac { 1 } { 2 \pi f _ { 0 } C } = \frac { 1 } { 2 \pi \times 6 9 7 \times 0 . 0 1 \times 1 0 ^ { - 6 } } \approx 2 2 . 8 \mathrm { k } \Omega $$
$\mathrm { R } _ { 7 } ( \mathrm { R } _ { 8 } )$ 我们取标称值 $2 2 \mathrm { k } \Omega$ 。
对应频率 $2 9 5 4 \mathrm { H z }$ 的 $\mathrm { R _ { 7 } ( R _ { 8 } ) }$ 和 ${ \mathrm { R } } _ { 6 } ( { \mathrm { R } } _ { 9 } )$ 并联后的电阻值为:
$$ R _ { # } = { \frac { 1 } { 2 \pi f _ { 0 } C } } = { \frac { 1 } { 2 \pi \times 2 9 5 4 \times 0 . 0 1 \times 1 0 ^ { - 6 } } } \approx 5 . 3 9 \mathrm { k } \Omega $$
由于 $\mathrm { R } _ { 6 } ( \mathrm { R } _ { 7 } )$ 我们前面计算出来为 $2 2 \mathrm { k } \Omega$ ,根据并联电阻的计算公式,计算出 $\mathrm { R } _ { 6 } ( \mathrm { R } _ { 9 } )$ 为 $7 . 1 4 \mathrm { k } \Omega$ ,取标称值 $7 . 5 \mathrm { k } \Omega$ 。
当 RC 串并联选频网络电阻只连接 $\mathrm { R } _ { 7 }$ 和 $\mathrm { R } _ { 8 }$ 时,Multisim 仿真实验效果图如图 8-13 所示。

图8-13 文氏振荡器电路仿真实验图 1
由图8-13 可以看出,产生的正弦波周期 ${ \mathrm { T } } 1 { = } 1 . 4 1 2 { \mathrm { m s } }$ ,对应的频率 $\mathrm { f 1 { = } 7 0 8 H z }$ ,与 $6 9 7 \mathrm { H z }$ 接近。当 RC 串并联选频网络电阻采用 R7(R8)和 R6(R9)并联时,Multisim 仿真实验效果图如图 8-14 所示。

图8-14 文氏振荡器电路仿真实验图 2
由图 8-14 可以看出,产生的正弦波周期 $T _ { 2 } { = } 3 5 0 . 7 9 7 { \mathrm { { \mu s } } }$ ,对应的频率 $f _ { 2 } { = } 2 8 5 1 \mathrm { H z }$ ,与 $2 9 5 4 \mathrm { H z }$ 接近。
c. 三分频电路

图8-15 三分频电路
双音提示电路中的三分频电路采用74HC74双D触发器组成,电路图如图8-15所示。该电路产生Q1 和Q2两个脉冲信号经过74HC02 或非门得到控制信号/Y,以控制1s 定时电路CD4060B使能端 RST (PIN12),产生三个连续的 1s 脉冲信号 1S_out。
表 8-1 74HC74 真值表
| PR | CLR | CLK | D | Qn+1 | Q |
| 0 | 1 | X | X | 1 | 0 |
| 1 | 0 | X | X | 0 | 1 |
| 0 | 0 | X | X | 1 | 1 |
| 1 | 1 | → | 1 | 1 | 0 |
| 1 | 1 | → | 0 | 0 | 1 |
| 1 | 1 | 0 | X | Hold | Hold |
74HC74 真值表如表 8-1 所示,由真值表可见,当 PR 和 CLR 为高电平,D 触发器只有当 CLK为上升沿的时候才触发,且 $\mathrm { Q } ^ { \mathrm { n + 1 } } { = } \mathrm { D }$ 。
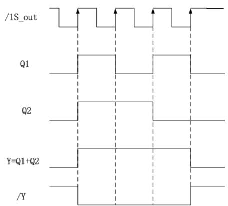
假设第1 个D触发器的CLK端输入的是连续的/1S_out信号,三分频电路的时序关系如图8-16所示。

图8-16 三分频电路时序图
Multisim 仿真实验效果图如图 8-17 所示。仿真时,用 74LS74D 代替 74HC74,为了在虚拟逻辑分析仪上方便观察时序信号,采用 1kHz 的时钟信号代替/1S_out 信号。

图8-17 三分频电路仿真实验图
由图 8-17 可以看出,逻辑分析仪的通道 1 为/1S_out 输入信号,通道 2 为信号 Q1,通道 5 为信号 Q2,通道 6 为信号/Y,通过逻辑分析仪仿真出来的各信号之间的逻辑关系与图 8-16 相符。
d. 双音自动切换电路

图8-18 双音自动切换电路
双音提示电路中采用CD4053A的A、B两路开关来控制高、低音频的频率切换,A、B两路的控制信号均为/1S_out;C开关控制最终的频率输出,C路的控制信号为/Y;VCC和VEE分别接$+ 5 \mathrm { V }$ 和-5V 电源并采用 $0 . 1 \mu \mathrm { F }$ 的电容进行滤波,INH 和 VSS 接地,电路原理图如图 8-18 所示。
表 $8 – 2 \mathrm { C D } 4 0 5 3$ 真值表
| INPUT STATES | "ON" CHANNELS | |||||
| INHIBIT | C | B | A | CD4051B | CD4052B | CD4053B |
| 0 | 0 | 0 | 0 | 0 | OX, OY | cx,bx,axcx,bx,aycx,by,axcx, by, aycy, bx, axcy,bx, aycy, by,ax |
| 0 | 0 | 0 | 1 | 1 | 1X,1Y | |
| 0 | 0 | 1〉 | 0 | 2 | 2X, 2Y | |
| 0 | 0 | 〉 | 1 | 3 | 3X, 3Y | |
| 0 | 1 | 0 | 0 | 4 | ||
| 0 | 1 | 0 | 1 | 5 | ||
| 0 | 1 | 1 | 0 | 6 | ||
| 0 | 1 | 1 | 1 | 7NONE | NONE | cy, by,ayNONE |
| 1 | . | 中 | * | |||
CD4053 真值表见表 8-2。由真值表可见,CD4053 的三个通道在控制信号为 0(低电平)时,X路选通;在控制信号为 1(高电平)时,Y 路选通。因此,当/Y 信号为低电平且/1S_out 信号为低电平时,双音提示电路输出 $2 9 5 4 \mathrm { H z }$ 信号;当/Y信号为低电平且/1S_out 信号为高电平时,双音提示电路输出 $6 9 7 \mathrm { H z }$ 信号;当/Y 信号为高电平,双音提示电路输出关闭,即无信号输出。
(3)音频选择与放大模块
音频选择与放大模块电路框图如图 8-19 所示。

图8-19 音频选择与放大电路框图
a. 带 AGC话音放大电路

图8-20 话音放大电路
音频选择与放大电路中的话音前置放大电路如图8-20 所示。
放大电路采用LM358双运放集成电路,构成同相放大器,采用单电源供电方式。放大器输入端需加偏置电路,直流偏置电压值通常是 VCC/2。图 8-20 中就是通过电阻 $\mathrm { R } _ { 1 6 }$ 和 $\mathrm { R } _ { 1 7 }$ 分压在集成运放的同相端产生一个 VCC/2 的直流偏置。在信号的输出端采用 LM358 的另一个运放构成的电压跟随器,起隔离和提高电路带负载能力的作用。话音输入的信号大约为 $2 0 \mathrm { m V p p }$ 左右,设计要求话音前置放大电路输出信号为 $1 \mathrm { V p p }$ ,所以放大电路的电压放大倍数 $A _ { \nu }$ 大约为50 左右,根据同相比例运算电路的电压放大倍数公式,本电路中的放大倍数为
$$ A _ { \nu } = 1 + { \frac { R _ { 1 8 } } { R _ { 1 9 } } } $$
为了方便计算,我们取 $R _ { 1 9 } = 1 k \Omega$ $A _ { \nu } = 5 1$ ,由 $A _ { \nu } = 1 + { \frac { R _ { 1 8 } } { R _ { 1 9 } } }$ 可求得
$$ R _ { 1 8 } = ( A _ { \nu } - 1 ) \times R _ { 1 9 } = 5 0 \mathrm { k } \Omega $$
因此, $R _ { 1 8 }$ 取标称值 $5 1 \mathrm { k } \Omega$ 。电位器 ${ \mathsf { R P } } _ { 3 }$ 用来调节电路输出电平。
自动增益控制电路(AGC)的作用,是在输入信号幅度变化的情况下,能够自动保持输出信号幅度在很小范围内变化的一种自动控制电路。由于话音输入时,输入幅度有大有小,为了保持输出信号的稳定,所以本话音放大电路采用场效应管 J176 和晶体管 9013 构成的自动增益控制电路。J176为 P 沟道结型场效应管,根据 P 沟道结型场效应管的特性,当栅源电压 uGS增大时,沟道电阻 rDS增大,因此场效应管 $\mathrm { V } _ { 1 }$ 在这里相当于一个可变电阻,可通过查阅 J176 数据手册了解其工作原理。系统上电后,电源 VCC 给电容 $\mathrm { C } _ { 2 0 }$ 充电,充满后电容 $\mathrm { C } _ { 2 0 }$ 上的电压就等于场效应管 $\mathrm { V } _ { 1 }$ 的栅源电压$\mathrm { \Delta u _ { G S } = V C C }$ ,此时由于栅源电压 $\mathbf { u } _ { \mathrm { G S } }$ 很大,沟道电阻 $\mathrm { r _ { D S } }$ 也很大,场效应管 D 极和 S 极之间相当于开路,由麦克风输入的信号由 $\mathrm { R } _ { 1 4 }$ 全部送入运放 U7A 的同相输入端; $\mathrm { V } _ { 2 }$ 为 NPN 型三极管 9013,运放U7A 输出的正弦波信号经过电容 $\mathrm { C } _ { 2 2 }$ 将直流分量去掉后送给 $\mathrm { V } _ { 2 }$ ,当麦克风输入的信号增大时,运放U7A 输出的正弦波信号也随之增大,当增大到一定值时,三极管 $\mathrm { V } _ { 2 }$ 导通,电容 $\mathrm { C } _ { 2 0 }$ 放电,场效应管$\mathrm { V } _ { 1 }$ 的栅源电压 $\mathrm { \ u G S }$ 减小,沟道电阻 $\mathrm { r } _ { \mathrm { D S } }$ 减小,此时沟道电阻 rDS和电阻 $\mathrm { R } _ { 1 4 }$ 对输入信号进行分压,使得送入运放 U7A 的同相输入端的信号减小,从而达到稳定输出的作用。
Multisim仿真实验效果图如图8-21所示。仿真时不含自动增益控制电路(AGC)。

图8-21 话音放大电路仿真实验图
由图 8-21 中模拟示波器仿真出来的波形可以看出,输入给 U7A 同相端得输入信号幅度$\mathrm { V i p } { = } 9 . 9 9 4 \mathrm { m v }$ ,电压跟随器 U7B 的输出信号幅度 $\mathrm { V o p } { = } 5 1 8 . 5 4 9 \mathrm { m v }$ ,可以计算出增益为
$$ A _ { \nu } = { \frac { V _ { o p } } { V _ { i p } } } = { \frac { 5 1 8 . 5 4 9 m \nu } { 9 . 9 9 4 m \nu } } \approx 5 1 . 9 $$
与理论计算值相符。
b. 三极管基本放大电路

图8-22 三极管基本放大电路
音频选择与放大电路里的三极管基本放大电路如图8-22所示。采用的NPN型三极管9013 构成的共发射极分压偏置放大电路, $\mathrm { R } _ { 3 2 }$ 、 $\mathrm { R } _ { 3 3 }$ 和 $\mathrm { C } _ { 2 6 }$ 构成直流反馈电路和交流反馈电路。该电路利用( $\mathrm { R } _ { \mathrm { P 4 } } \mathrm { + R } _ { 2 9 } ,$ )和 $\mathrm { R } _ { 3 0 }$ 的串联分压原理来固定基极电位,并利用发射极电阻( $\mathrm { R } _ { 3 2 } \mathrm { + R } _ { 3 3 } $ )上的电压调节 $\mathrm { U } _ { \mathrm { B E } }$ 的大小从而抑制 $\mathrm { I _ { c } }$ 的变化,从而达到稳定工作点的目的。输出端采用电位器 $\mathrm { R } _ { \mathrm { P 5 } }$ 作为音量调节电位器。
通过调节 $\mathrm { R } _ { \mathrm { P 4 } }$ 的值来设置相应的电压放大倍数。设 $\mathrm { R } _ { \mathrm { P 4 } }$ 在 $65 %$ 的位置,即 $\mathrm { R } _ { \mathrm { P } 4 } { = } 3 2 . 5 \mathrm { k } \Omega$ ,可以计算出静态工作点为:
$$ V _ { \mathrm { B } } = { \frac { R _ { 3 0 } } { R P _ { 4 } + R _ { 2 9 } + R _ { 3 0 } } } \times 1 5 = { \frac { 1 0 } { 3 2 . 5 + 2 2 + 1 0 } } \times 1 5 \approx 2 . 3 2 6 V $$
$$ I _ { \mathrm { E } } \approx { \frac { V _ { \mathrm { B } } } { R _ { 3 2 } + R _ { 3 3 } } } = { \frac { 2 . 3 2 6 } { 1 0 0 0 + 1 5 0 } } \approx 2 m A $$
$r _ { b e } = 3 0 0 + { \frac { ( 1 + \beta ) 2 6 ( m V ) } { I _ { E } } } \approx 1 . 6 \mathrm { k } \Omega$
设 $\beta { = } 1 0 0$ ,可计算出电压放大倍数
$$ A _ { \nu } = { \frac { - \beta R _ { \mathrm { L } } ^ { \prime } } { r _ { \mathrm { b e } } + ( 1 + \beta ) R _ { \mathrm { E } } } } = - { \frac { 1 0 0 \times 1 0 / / 1 0 } { 1 . 6 + 1 5 } } \approx - 3 0 $$
Multisim仿真实验效果图如图8-23所示。仿真时,三极管 $\mathrm { V } _ { 3 }$ 的放大倍数(BF值)设置为100,将 $\mathrm { R } _ { \mathrm { P 4 } }$ 设置在 $65 %$ 的位置,即 $\mathrm { R } _ { \mathrm { P } 4 } { = } 3 2 . 5 \mathrm { k } \Omega$ , $\mathrm { R } _ { \mathrm { P 5 } }$ 设置在 $100 %$ 的位置,即 $\mathrm { R } _ { \mathrm { P 5 } } { = } 1 0 \mathrm { k } \Omega$ 。

图8-23 三极管基本放大电路仿真实验图
由图 8-23 中模拟示波器仿真出来的波形可以看出,该放大电路输入信号幅度 $\mathrm { V i p } { = } 9 . 9 9 0 \mathrm { m v }$ ,输出信号幅度 $\mathrm { V o p } { = } { - } 2 8 8 . 3 3 4 \mathrm { m v }$ ,可以计算出增益为
$$ A _ { \nu } = \frac { V _ { o p } } { V _ { i p } } = \frac { - 2 8 8 . 3 3 4 m \nu } { 9 . 9 9 0 m \nu } \approx - 2 8 . 8 6 $$
与理论计算值相符。
c. 集成功率放大电路

图8-24 集成功率放大电路
音频选择与放大电路末级输出端的功率放大电路如图 8-24 所示。采用 TDA2003 单电源供电的集成功放电路。 $\mathrm { R } _ { 3 4 }$ 、 $\mathrm { R } _ { 3 5 }$ 、 $\mathrm { C } _ { 2 9 }$ 、 $\mathrm { C } _ { 3 0 }$ 为输入电路,可调整电平配置及高频噪声抑制; $\mathrm { C } _ { 3 2 }$ 和 $\mathrm { R } _ { 3 6 }$ 用来改变电路的频率响应以滤除高频干扰噪声; $\mathrm { R } _ { 3 9 }$ 、 $\mathrm { C } _ { 3 6 }$ 防止功放电路自激振荡; $\mathrm { C } _ { 3 3 }$ 为输出电容,随着设计输出功率的增大,电容量也要相应增大,其理论依据是: $\mathrm { X c = 1 / j \omega C }$ ,电容取得太小,功放电路的效率会减低; $\mathrm { C } _ { 3 4 }$ 、 $\mathrm { C } _ { 3 5 }$ 为电源滤波电路。 $\mathrm { R } _ { 3 7 }$ 和 $\mathrm { R } _ { 3 8 }$ 为电压串联负反馈电阻,决定功放电路的电压放大倍数:
$$ A _ { v } = 1 + \frac { R _ { 3 7 } } { R _ { 3 8 } } = 1 + \frac { 3 0 0 } { 1 5 } = 2 1 $$
功率放大器必须用散热器辅助散热。
d. 音量显示电路

图8-25 音量显示电路
音频选择与放大电路中的音量显示电路如图8-25 所示。由有源半波整流电路和比较显示电路组成。首先,通过二极管 $\mathrm { D } _ { 6 }$ 的钳位作用对输入信号进行半波整流,整流后的信号经过 LM358 双运放集成电路 $\mathrm { U } _ { 9 \mathrm { A } }$ 组成的电压跟随器进行电流放大送给后面的比较显示电路。比较显示电路由 U9B 与LM324 四运放集成电路 $\mathrm { U } _ { 1 0 }$ 构成的 5 个电压比较器组成,用发光二极管作为音量等级显示。每级
$0 . 2 \mathrm { V p p }$ ,线性递增,最大显示值为 $1 \mathrm { V p p }$ 。通过调节三极管电压放大电路输出端的音量电位器 $\mathrm { R P } _ { 5 }$ 使音量显示电路的输入信号从 0V 开始增大,信号幅值每增大 $0 . 2 \mathrm { V }$ ,LED 指示灯从 $\mathrm { D } _ { 1 1 }$ 、 $\mathrm { D } _ { 1 0 } , \mathrm { D } _ { 9 } ,$ 、 $\mathrm { D } _ { 8 }$ 、$\mathrm { D } _ { 7 }$ 逐渐点亮,信号幅值超过1V就停止操作。
8.3 实验实物图
实验最终实物图如图8-26所示,要求学生先对电源模块中的电路逐一进行装配和调试、再对双音提示模块的相关电路逐一进行装配和调试,最后对音频选择与放大模块中的相关电路逐一进行装配和调试,确保每个工作电路正常后,再进行下一个电路的装配和调试。

图8-26 实验实物图
电路板调试和测试平台如图8-27 所示。

图8-27 电路板调试和测试平台
9 实验报告要求
实验报告需要反映以下工作:
1) 实验需求分析
2) 实现方案论证
3) 电路参数选择与分析
4) 电路仿真结果
5) 焊接、调试与测试结果记录分析
6) 验收与答辩总结实验报告部分模板如下图所示。
学习工作单1
学习情境:基于数模电电路的音频功放电路分析
记录编号No
任务单元项目任务书解读
姓名 班级 学号 日期
组员姓名
第页共页
仔细阅读产品技术要求,通过查阅资料回答以下问题。
举例说明项目产品的日常应用场合?
2,项目产品技术指标对产品设计与制造起什么作用?对用户又有何作用?
3、项目有几个主模块组成?电路模块化设计的优点是什么?
在项目设计中,什么模块是不可缺少的?
学习工作单3
记录编号No
学习领域电子产品装调与工艺综合实训
学习情境:基于数模电电路的音频功放电路分析
姓名 班级 学号 日期
组员姓名
第页共页
给出双音提示电路框图,电路中采用了哪两类IC?
2.双音提示周期 $\tau = 6 5 0 \pm 5 0 m s$ ,如图所示P3-1所示。计算时基电路CD4060B 振荡器频率为多少?计算定时R、C值并给出其标称值?图中f为低音频;fn为高音频。

图P3-1
8.典型的三极管电压放大器电路如图P4-2所示。图中负载电阻Rr(10K),回答如下问题:

图P4-2
(1)为了使放大器稳定工作,放大器必须引入负反馈电路,现电路中有哪两个反馈及组成反馈的元件?
(2)通过调整RP4使三极管直流工作点 $\scriptstyle { \mathsf { U } } _ { \mathfrak { c } } = { \pmb { 4 } } { \pmb { \nu } }$ ,如 $\beta = 1 0 0$ ,计算 ${ \mathsf { R P } } _ { 4 }$ 是多少?并判定100kΩ是否设计要求?如设置 $u _ { 0 } = 8 v$ ,对 $\pmb { \nu } _ { 3 }$ 会造成什么不良后果?
基于数模电电路的音频功放测试记录表
(1)电源模块测试表
| 测试条件与指标 | 测量数据 | 结论 | |
| +15VDC/0.8A | 指示灯D18 | ||
| 精度≤±3% | |||
| 电压调整率 S≤3% | Uol= :Uo2= ; | ||
| 负载调整率S≤3% | Uo1= ;U2= ; | ||
| 纹波:≤150mVpp | |||
| 电源效率η | Ui= ; I= ;η= | ||
| 5VDC/0.2A | 指示灯D16 | ||
| 精度≤±5% | |||
| -5VDC/0.05A | 指示灯D21 | ||
| 精度≤±5% | |||
| 纹波:≤20mVpp | |||
(2)双音提示电路测试表
| 测试条件与指标 | 测量数据 | 结论 | |
| 双音提示 | 周期T:1.3s±0.1s | ||
| 1S测试 | 3T(3分频) | ||
| 文氏振荡器 | fL=720Hz±50Hz | f= Hz;幅度: | |
| fH=2840Hz±100Hz | f= Hz;幅度: | ||
| 双音输出AUD1 | 1Vpp±5% | ||
(3)音频选择与放大电路测试表
| 测试条件与指标 | 测量数据 | 结论 | |
| 话音AUD2 | 1Vpp±5% | ||
| 话音AGC动态范围 | Ui:20mVpp-10Vpp(≥50dB) | Uimax= ; Uimin= ; | |
| 音频选择 | TONE/指示灯D3 | D3: ;UAol= ; | |
| MIC/ D4 | D4: ;UAoI= ; | ||
| LINE/ D5 | D5: ;UAol= ; | ||
| 三极管电压放大电路 | U3-c工作点:4V±0.1V | V3-c= ;V3.B= ; V3-E= ; | |
| 放大器输出:≥2Vpp | UAol= | ||
| 放大器增益Kv:W26dB | U= ;U= ; | ||
| 音频功率 | TDA2003(U8)工作点测量 | U1 U2 U3 U4 U5 | |
| 放大器 | P。(不失真):≥12.8Vpp (P≥5W) | 电平指示:0.2V 线性增量,D、D10`D9、Dg、D7依次点亮 | |
| 音量显示 | 有源半波整流UL:≥1Vpp | ||
| 电平指示:0.2V线性增量;DI0、Dg、D8、D7依次点亮 | D11D10D9D8D7 | ||
(4)整机测试表
| 测试条件与指标 | 测量数据 | 结论 | |
| 输出功率P。 | P≥5W(不失真),RL=4Ω | Uomax= ; Po= ; | |
| 功放效率η | n ≥35% | U= ;E= ;η= | |
| 线路放大频率响应 | 测试条件U=2V;100Hz~15kHz(3dB带宽) | 100300 1k3k10k 15k峰谷比 | |
| 话音放大器频率响应 | 测试条件U=2V;300Hz~3.4kHz(3dB 带宽) | 3001k3k3.4k 峰谷比 | |
| 信噪比 S/N | S/N:≤75dB | Uomax= ;U= ;S/N= | |
| 失真度 | 测试条件U=2V;失真度≤1% | ||
整机测试结果:
测试人:
日期:
10 考核要求与方法(限 300 字)
10.1. 过程考核
项目教学每一阶段根据每位学生参与完成任务的工作表现情况和完成的作业文件和记录,综合考核每一阶段学生参与工作的热情、工作的态度、与人沟通、独立思考、协作意识,综合分析问题和解决问题的能力以及学生安全意识、卫生状态、出勤率等给予每一阶段过程考核成绩。
10.2. 结果考核
根据学生提交的作业文件、电路装调情况、项目答辩思路是否清晰、语言表达是否准确等给出结果考核成绩。
10.3. 综合成绩评定
过程考核占 $60 %$ ,结果考核占 $40 %$ 。
10.4. 具体考核标准
具体考核标准如表 10-1 所示。
表 10-1 考核标准
| 考核阶段 | 任务阶段 | 考核内容 | 考核指标 | 考核分数 |
| 过“ | 项目解读 | 按小组分析项目的技术要求、技术参数和技术指标,查阅相关资料,并讲解对工作任务的理解,完成相应学习工作单。 | 以小组为单位进行任务讲解,能够正确理解和表述项目任务要求 (5分) | 5 |
| 电路分析与仿真 | 对各单元电路进行电路分析、参数计算和仿真,并完成相应学习工作单。 | 1.电源模块各电路分析仿真分析正确 (5分)2.双音提示模块各电路分析仿真分析正确(5分)3.音频选择与放大模块各电路分析仿真分析正确(5分) | 15 | |
| 印制板安装和焊接 | 根据工艺要求安装印制板并按照 IPC 工艺要求对印制板的装焊质量进行检验,并完成相关学习工作单。 | 1.根据工艺文件,正确安装和焊接电路板(5分)2.焊接符合工艺规范要求 (5分) | 10 | |
| 电路调试与测试 | 根据调试说明以及项目的技术要求,调试与测试电路板使其达到设计要求,并做好测量数据的记录和分析,填写测试记录表。 | 1.能够根据调试说明,分部对各单元电路进行调试,得到正确输出信号 (10分)2.数据记录与分析完整,测试表记录完整(10分) | 20 | |
| 拓展 | 功能拓展。 | 1.准确排故 (5分)2.电路改进 (5分) | 10 | |
| 中 | 项目验收 | 项目功能验收。 | 1.电源电路和功放电路工作正常 (5分)2.双音输出正常 (5分)3.音频输出正常 (5分)4.麦克风输出正常 (5分) | 20 |
| 项目答辩 | 总结与答辩。 | 1.项目总结和作业文件完整 (10分)2.答辩思路清晰 (10分) | 20 | |
| 总分 | 100 | |||
11 、项目特色或创新(可空缺,限 150 字)
1. 教学设计三进阶
本项目选题来源日常生活,以实际应用为背景,围绕典型模拟电路和典型数字电路的应用,整体教学设计以“课程模块进阶、应用情境进阶、技术技能(或方法能力)进阶”为目标,注重对学生电子线路方面分析问题、解决问题的实际工作能力和创新能力的培养,同时培养学生严谨认真的科学态度和为国家科技进步创新的精神。
- 打造“进阶式问题驱动”新型课堂
在本课程学习中,一方面各模块的理论和实验复杂程度进阶式设计,按照“电路设计 电路仿真 分析调整 焊接调试”依次递增的排故逻辑开展教学;另一方面,将传统的数模电教学由理论实验为主的教学方式,改为将应用情境前置,形成“应用情境 理论 模拟 真实产品实践”相结合的教学方式。在各环节中融入电路应用和设计能力的培养:如典型电路的实际应用、电子元器件的手册查询、各种焊接工具和调试设备使用、实验规范等,环环相扣、平滑过渡、由浅入深。
- 虚实结合的教学方式,教学信息化技术手段融合创新
通过虚拟仿真与真实电路搭建相结合的教学方式,可以增强学生对电路学习的兴趣,加深学生对电路的理解,高度实现理论和实验的贯通。并运用中国大学MOOC平台等进行辅助教学,综合利用扩音实际产品电路展示、分析拆解视频、微课视频等,既可对照实物,增强直观认识,又能反复观摩分析,加深理解。