声控LED流水灯
实验题目:声控 LED 流水灯
1. 课程简要信息
课程名称:电子设计基础训练
课程学时:8个理论学时 $+ 4 8$ 个实验学时
项目学时:8个实验学时
适用专业:信息类
学生年级:大学一年级、第 2学期
2. 实验内容与任务(限 500 字,可与“实验过程及要求”合并)
声控LED流水灯是一个比较完整的实践类典型案例,实验内容分为四个部分,分别是音频信号的获取、小信号放大、信号处理、结果显示。这四部分内容既相对独立又相互关联,学生可以依次对这四部分实验内容进行电路设计和电路调试,四部分电路调试完成后组合成完整的实验系统。

图 1 实验内容
具体的实验任务包括
1)设计声电转化电路:学习驻极体传声器的内部结构及其工作原理,了解驻极体传声器的分类已经各自的应用场景。以驻极体电容传声器为声音传感器,设计一个声电转化的电路,将实验环境中的声音信号转换为电信号,分析声音传感器的灵敏度;
2)设计放大电路:声电转换后的电信号幅度非常小,利用三极管设计一个小信号共射放大电路,将声电转换后的电信号幅度进一步放大,分析三极管的放大倍数;
3)设计信号计数电路:学习 CD4017 译码计数器的工作原理以及引脚说明,基于CD4017设计一个 10进制的计数器,对输入的音频信号进行计数;
4)设计发光二级管显示电路:学习发光二极管的工作原理和使用方法,利用发光二极管设计一个10位显示电路,对计数器的计数结果进行显示。
3. 实验过程及要求(限 300字)
1)领取实验器材,学习面包板的内部结构和各个元器件的电气参数;
2)利用实验器件中的驻极体传声器、电容和电阻等元器件设计声电转换电路,在面包板上搭建电路,使用示波器观察转换后的电信号波形;
3)利用三极管等元器件设计共射放大电路,将声电转换后的电信号幅度进行放大,在面包板上搭建电路,使用示波器测量三极管放大之后的信号幅度;
4)利用CD4017等元器件设计10进制的计数器,在面包板上搭建并调试电路;
5)利用发光二极管等元器件设计10位显示电路,在面包板上搭建并调试电路
6)将上述四个部分的电路组合在一起,测试声控 LED 流水灯实验现象;
7)现场汇报答辩,简述实验原理并回答老师提问;
8)撰写实验报告。
4. 相关知识及背景(限 150 字)
本实验通过一个实验案例将电路设计和电路调试等基本概念综合在一起,实验过程中运用了信号获取、信号放大、信号处理、数据显示等相关知识和技术方法,涉及到电路供电设计、信号传输计算、元器件工作参数计算、任务分解等方面。学生通过实验操作和观察实验现象可以由浅入深地建立电子电路的概念。
5. 实验环境条件
实验套件一套(包括实验用到的面包板、电子元器件、杜邦线、USB 供电线),数字电源一台、示波器一台、信号源一台、万用表一台。

图 2 实验套件
6. 教学目标与目的(限 150 字)
知识方面:
1)掌握数字电源、信号源、示波器、万用表等仪器的使用
2)理解驻极体传声器、三极管、计数器的工作原理;
3)掌握电路设计与电路调试的基本方法;
能力方面
1)解决工程问题的综合能力
2)工程科学基础知识应用于分析电子信息系统的能力
7. 教学设计与实施进程
本实验是一个比较完整的实践类典型案例,涉及多个知识点,需要经历学习研究、电路方案论证、实现调试、设计总结等过程。在教学设计上采用工程分解的方法,将工程分解为四个功能相对独立的部分,在实验指导中采用分阶段设置目标,循序渐进,引导学生自主调研、搜索,解决问题。在实验教学中,应在以下几个环节加强对学生的引导:
1)预习自学
给定参考资料并鼓励学生自查资料学习了解电阻、电容、电感、二极管、三极管、声音传感器、计数器等元器件的特点和应用场景。
2) 讲解仪器的使用和实验注意事项
实验开始前给学生讲解数字电源、信号源、示波器、万用表等仪器的使用方法,以及实验室防疫、安全规范等注意事项。
3) 讲解实验内容
在实验之前通过网络平台发布实验指导书,实验内容划分为四个部分,分别是音频信号的获取、信号放大、信号处理、结果显示,这四部分内容既相对独立又相互关联,依次给学生讲解这四个部分电路设计的思路,学生可以观测到实验过程中的阶段性成果,这样能够很好地激发学生的实验兴趣,帮助学生不知不觉中逐步提高能力,并不断加深对相关知识、概念的理解。
4) 实验原理要讲透
本实验主要涉及到声电转换电路、放大电路、计数电路和显示电路四个部分,针对四个部分电路用到的元器件和电路设计思路要进行详细的讲解,力争让每一位同学都能理解这些电路的工作原理。
5) 实验成果演示,少走弯路
为了让学生有直观的认识,通过短视频向学生展示最终的电路实物和实验现象,这样可以让学生快速掌握各部分电路的功能,便于学生建立明确的实验目标,少走弯路。
6) 提供必要参考电路,增强信心
本实验是面向大一学生,电路方面的知识相对较少,要求学生从零开始完成本实验并不现实,另外,阅读理解参考电路也是提高电路设计能力的一种方法,所以,给学生提供了实现本实验任务的部分参考电路,通过参考电路,学生可以快速学到一些电路设计的技巧,逐渐建立起完成实验任务的信心。
7) 现场汇报答辩,考查知识理解与掌握
汇报答辩采取简单口头汇报与回答问题形式,主要考查学生是否认真完成了实验各项任务,无需制作ppt,此环节分数占本实验总分的 $60 %$ (实验报告占本实验总分的 $40 %$ ),依据打分表评分:
表格 1 汇报答辩打分表
| 序号 | 检查项目 | 要求 | 分数 |
| 1 | 介绍实验原理 | 能够讲清楚驻极体传声器、共射放大电路、计数器电路、发光二极管的工作原理 | 10 |
| 2 | 实验效果 | 声控LED 流水灯是否能够正常工作,以及对声音的检测是否足够灵敏。 | 20 |
| 3 | 介绍自己设计的电路 | 讲解自己的设计思路,必要情况下要求讲解部分电路 | 20 |
| 4 | 回答问题 | 老师会随机提出几个问题,视学生的回答情况给出分数 | 10 |
8) 课后探讨
在实验完成后,组织学生以项目演讲、答辩、评讲的形式进行交流,了解不同解决方案及其特点,拓宽知识面。
8. 实验原理及方案
1) 声电转换工作原理
驻极体电容传声器的静态内部结构示意图如下所示,主要由金属层、驻极体薄膜、空气间隙、铜板组成。

图 3 驻极体电容传声器静态示意图
驻极体薄膜在生产时就注入了一定的永久电荷,由于没有放电回路,这个电荷量是不变的,在声波的作用下,驻极体薄膜随着声音震动,因此驻极体薄膜和铜板的距离也跟着变化,也就是驻极体薄膜和铜板间的电容是随声波变化。电容上电荷的公式是 $\scriptstyle 0 = 0 \ast \lor$ ,反之 $\mathtt { V } = \mathtt { Q } / \mathtt { C }$ 也是成立的。驻极体总的电荷量是不变,当驻极体薄膜在声波压力下后退时,电容量减小,电容两极间的电压就会成反比的升高,反之电容量增加时电容两极间的电压就会成反比的降低。最后再通过阻抗非常高的场效应将电容两端的电压取出来,同时进行放大,我们就可以得到和声音对应的电压了。由于场效应管时有源器件,需要一定的偏置和电流才可以工作在放大状态,因此,驻极体话筒都要加一个直流偏置才能工作。

图 4 驻极体电容传声器动态示意图
由于驻极体薄膜上分布有一定的永久电荷。当声波引起驻极体薄膜振动而产生位移时;改变了电容两极版之间的距离,从而引起电容的容量发生变化,由于驻极体上的电荷数始终保持恒定,根据公式: $0 \ { = } 0 0$ 所以当C变化时必然引起电容器两端电压U的变化,从而输出电信号,实现声电的变换。
2) 放大器工作原理
三极管是一种电流控制电流的器件,具有对电流信号的放大作用,三极管可以用来放大信号。三极管具有三个电极,内部是由两个PN结构成,共用的一个电极成为三极管的基极(用字母 b表示),其他的两个电极是集电极(用字母 c表示)和发射极(用字母e表示)。极管有三个不同的区,分别是截止区,放大器和饱和区。
截至区:当发射结电压 Ube 小于 0.6—0.7V 的导通电压,发射结没有导通集电结处于反向偏置,没有放大作用。
放大区:三极管的发射极加正向电压,集电极加反向电压导通后,Ib 控制 Ic,Ic 与 Ib 近似于线性关系,在基极加上一个小信号电流,引起集电极大的信号电流
输出。
饱和区:当三极管的集电结电流 IC 增大到一定程度时,再增大 Ib,Ic 也不会增大,超出了放大区,进入了饱和区。饱和时,Ic最大,集电极和发射之间的内阻最小,电压Uce只有 $0 . 1 \check { \mathsf { V } } ^ { \sim } 0 . 3 \mathsf { V }$ ,Uce<Ube,发射结和集电结均处于正向电压。三极管没有放大作用,集电极和发射极相当于短路,常与截止配合于开关电路。

图 5 三极管伏安特性曲线
共射放大电路是应用最广泛的三极管放大电路,信号由三极管基极和发射极输入,从集电极和发射极输出。由于发射极为共同接地端,故命名共射极放大电路。

图 6 共射放大电路示意图
上图为共射极放大电路,输入回路与输出回路以三极管的发射极为公共端。输入信号 ui通过电容 c1 加到三极管的基极,引起基极电流 Ib的变化,Ib的变化又使集电极电流 Ic 发生变化,且 Ic 的变化量是 Ib 变化量的 $\beta$ 倍。由于有集电极电压,Uce=Ucc-IcRc,Uce 中的变化量经耦合电容传送到输出端,从而得到输出电压uo。通过调整电路中的器件参数,使得三极管工作在合适静态工作点,便可得到比输入信号大得多的输出电压,以达到放大的目的。
3) 计数器工作原理
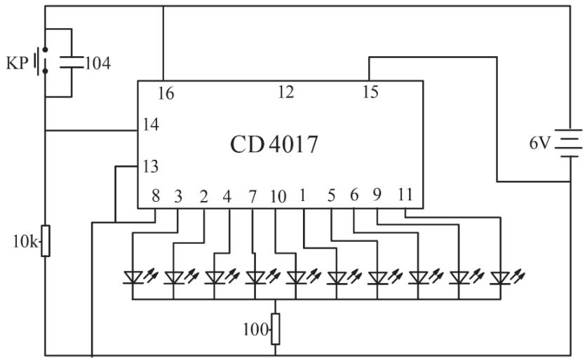
计数器电路如图 7 所示,核心元器件是 CD4017,CD4017 芯片引脚功能如表格 2所示。CD4017 具有计数功能和译码功能,共有 10 个译码输出端,CD4017 的显示控制端直接与 LED 数码管连接,当显示控制端引脚为高电平时,对应的 LED 点亮,在触发信号的作用下,LED 交替点亮,从而实现流水灯的效果。15 引脚为复位端,复位端引脚为高电平时立即使计数器清零,本实验可以接低电平。13引脚为禁止输入端,本实验可以接低电平。
表格 2 CD4017 引脚功能表
| 序号 | 引脚号 | 功能描述 |
| 1 | 14 | 计数输入端 |
| 2 | 15 | 复位端 |
| 3 | 13 | 禁止输入端 |
| 4 | 12 | 进位输出端 |
| 5 | 3、2、4、7、10、1、5、6、9、11 | 显示控制端 |
| 6 | 8 | 地 |
| 7 | 16 | 电源 |

图 7 计数器电路示意图
图 7 中的 KP 为自恢复按键,用于模拟声电转换后的电信号。KP 按下一次可以产生一个脉冲信号给到 CD4017 的计数输入端,CD4017 的显示控制端输出的高电平移动1位,点亮对应的发光二极管。连续按下 KP可以模拟环境中的声音信号经过声电转换后的电信号,CD4017的显示控制端输出的高电平依次移动 1 位,从而产生流水的效果,图8为计数器工作时序示意图。

图 8 计数器工作时序示意图
4) 整体方案

图 9 系统整体方案电路图
上图电路中的 X1 为驻极体电容传声器,电阻 R1 为驻极体电容传声器的偏置电阻,X1与R1构成声电转换电路。声电转换之后的电信号经过电容 C1耦合到三极管Q1 进行放大,电阻 R2 是三极管 Q1 的偏置电阻,用于调节 Q1 的静态工作点,放大之后的信号送到三极管 Q2的基级,在 Q2 集电极形成高低变化的电压信号,幅度足够的电压送到计数器 CD4017的计数输入端,每到来 1 个脉冲,计数器的 Q0-9 输出的高电平依次移动 1 位,点亮对应的发光二极管 L1-L10,从而产生流水的效果。
9. 实验报告要求
实验报告需要反映以下工作:
1)实验需求分析:明确实验目的、实验内容、实验任务以及最终需要达到的实验效果;
2)实验原理分析:结合实验需求分析,阐述驻极体传声器、共射放大电路、计数器电路、发光二极管的工作原理;
3)设计方案介绍:结合实验原理分析,描述设计方案,给出电路设计思路和电路设计功能框图;
4)实验过程及结果记录:记录每个实验部分的实验步骤和实验现象;
5)实验结果总结:结合实验过程中遇到的问题和解决方法,总结实验,进一步加深对实验的理解,锻炼独立思考的能力,并回答课后思考题,学生之间进行充分的交流讨论。
10.考核要求与方法(限 300 字)
1)知识点掌握情况,检查实验之前跟学生交流实验中用到的各个知识点,此环节占总分的 $10 %$ ;
2)实验结果检查:实验操作规范,声控LED 流水灯是否能够正常工作,以及对声音的检测是否足够灵敏,此环节占总分的 $20 %$ ;
3)现场汇报答辩:讲解自己的设计思路,实验过程中遇到了什么问题,怎么解决的,必要情况下要求讲解部分设计电路,此环节占总分的 $20 %$ ;
4)现场提问:对照学生的实验结果,对实验现象、实验原理等环节进行提问,学生须现场验证或回答,此环节占总分的 $10 %$ ;
5)实验报告:实验报告是否具有规范性与完整性,实验原理的理解是否透彻,是否能根据实验现象独立思考做出总结,此环节占总分的 $40 %$ 。
11.项目特色或创新(可空缺,限 150 字)
1)本实验内容涵盖了电路设计的完整流程,包括信号获取、信号放大、信号处理、结果显示,通过这个实验可以让学生快速建立工程意识,为以后科研做铺垫;
2)直观的实验效果和实验过程中的阶段性成果能够循序渐进地激发学生的实验兴趣;
3)电路结构简单,成本低、易于推广。