多级RC耦合放大电路工作特性研究
实验题目:多级 RC 耦合放大电路工作特性研究
1. 课程简要信息
课程名称:电子技术实验Ⅱ
课程学时: 32 学时
项目学时:课内 4 学时
适用专业:自动化类、电子科学与技术类
学生年级:大二下学期
2. 实验内容与任务(限 500 字,可与“实验过程及要求”合并)
实验内容:
由三极管构成多级放大电路是“模拟电路”课程教学中重要内容之一,本实验对影响多级放大电路工作特性的诸多因素进行了深入研究,包括
1、级间放大倍数分配关系对电路整体放大效果的影响,在电路整体放大倍数固定的情况下,通过对比不同倍数分配方法,即在前级放大倍数高于/等于/小于后级放大倍数三种情况下,观察电路放大效果;
2、 电路级间反馈电阻的引入对电路放大结果稳定性的影响,比较加入级间反馈电阻前后放大电路信号失真变化状况,电路放大倍数变化情形;
3、级间耦合电容容值对两级放大电路输出信号的相位影响,改变电容容值,在同一坐标系下比较输入信号、一级放大输出信号、及二级放大输出信号,观察并记录实验结果;
4、 观察放大电路上、下限频率,使用软件手段得到电路频率响应特性曲线,记录上、下限频率;
5、研究电路放大倍数与带宽之间相互的影响,观察现象,记录实验效果。
实验任务:
1、熟练掌握Tina 仿真软件;
2、掌握放大电路动态指标—电压增益、输入电阻和输出电阻测试方法;
3、研究电路参数对放大电路工作特性影响。
3. 实验过程及要求(限 300 字)
课前预习:
1、查阅相关资料,熟悉 Tina软件;
2、设计电路,满足实验要求条件下,确定电路中未给参数值的电阻大小。
课上软件仿真与调试:
1、熟练使用Tina 进行电路仿真;
2、调试电路参数例如电阻、电容,获得符合实验要求的实验结果。
思考讨论:
级间放大倍数分配、级间反馈电阻、级间耦合电容、信号频率对工作性能有哪些影响?
课上搭建环境音量指示电路:
1、 得到实验结果—LED 灯亮的数量随着外部环境音量的升高而增多,降低而减少;
2、 分别提高和降低电路增益,直观感受由增益带来的电路灵敏度变化;
3、通过软件仿真,体会增益与带宽之间微妙关系。
实验总结:
总结实验过程,撰写实验报告。
4. 相关知识及背景(限 150 字)
这是一个运用模拟电路知识进行多级 RC 耦合放大电路设计,研究不同电路参数对信号放大效果的影响进而调节参数达到优化电路的典型案例,实验根据设计指标和理论计算完成初步设计,再利用仿真软件来实现电路并调试优化,通过本实验能够培养学生查阅资料、发现问题和解决问题能力,提高学生工程实践素养。
5. 实验环境条件
设计软件工具:
Tina 仿真软件;
实验仪器设备:
直流稳压电源、示波器、信号发生器、万用表;
主要电子元器件:
面包板、二极管、三极管、电阻、电容、驻极器、发光二极管、杜邦线若干。
6. 教学目标与目的(限 150 字)
在较为完整的实验项目实现过程中,引导学生根据设计指标和理论计算完成目标放大倍数的多级放大器电路设计,学会利用仿真软件进行电路调试与优化,能够正确搭建电子电路实物,整个过程既有理论思考又有工程性实践探索,锻炼了学生动手能力,培养了创新精神。
7. 教学设计与实施进程
本实验是一个比较完整的工程应用类实验,实验以“声音线索”为暗线,将影响多级放大电路工作特性的诸多影响因素巧妙地穿插起来,实验设计生动有趣,激发学生学习热情,引导学生深入思考。实验设计与实施进程如图 1 所示,可分为 Tina 仿真实验和环境音量指示电路实验,4 学时内完成。

图 1 实验设计与实施进程
实验教学设计与实施进程具体如下:
Tina 仿真实验
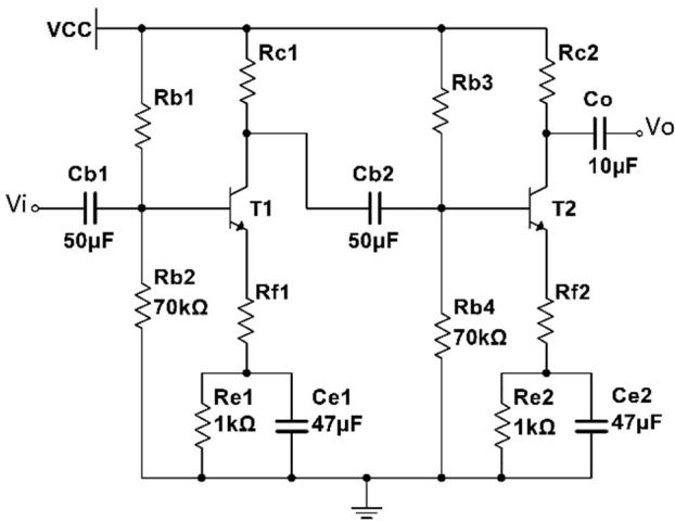
请设计如图 2 所示多级 RC 耦合放大电路。要求:
1、输入信号??在频率为 $2 \mathrm { k H } z$ 、幅值为 $1 0 \mathrm { m V }$ 的情况下,放大倍数不小于300(49.5dB)且信号无明显失真,通过计算确定图 2 中未给出的元件参数,并使用 Tina 搭建运行得到结果。
2、在分配各级放大倍数时,请尝试:
1)前级放大倍数比后级放大倍数大;
2)前级放大倍数与后级放大倍数相当;
以上三种方案,并比较三种方案的不同(提示:可以从前后级之间的影响,比如通过测试输入输出电阻等方面)。
3、如果从第二级的集电极输出向第一级的输入加一个反馈电阻,情况会怎么样?请修改电路结构,运行仿真软件,观察实验现象。

图2 多级RC耦合放大电路
4、使用仿真软件运行正常波形应当如图3所示,红色曲线是放大电路的输入波形,频率为$2 0 \mathrm { H z }$ ,峰峰值为 $2 0 \mathrm { m V }$ ,绿色曲线是第一级放大器的输出波形,蓝色曲线是第二级的输出波形。按照共射放大电路的特点,第一级放大电路的输出与输入应当是相位之间差 $\pi$ ,第二级放大电路的输出与输入之间的相位应该相同,仔细观察图 3,该结论是否满足,并说明理由,改变电容 cb2容值为 $0 . 4 7 \mathrm { u f }$ ,观察实验现象。

图3 多级放大电路放大波形
5、图 2 所示电路的频率响应曲线如图 4 所示(黑色曲线为响应曲线,红色直线为标尺),曲线的最大值为XdB,在(X-3)dB 处的频率为 $1 1 1 . 3 2 2 \mathrm { H z }$ ,请分析:
1)要特别关注(X-3)dB处的频率的原因;
2)如果想让(X-3)dB处的频率减小至 $2 0 \mathrm { H z }$ 以下,在不改变电路结构的情况下应该如何操作;
3)当(X-3)dB 处的频率减小至 $2 0 \mathrm { H z }$ 以下后,当输入信号为 $2 0 \mathrm { H z }$ 时,各级输出与输入之间的相位关系是否还跟之前一样,请分析原因;
4)由图4可知该电路是一个高通的模型,试着解释原因。

图4多级放大电路频率响应曲线
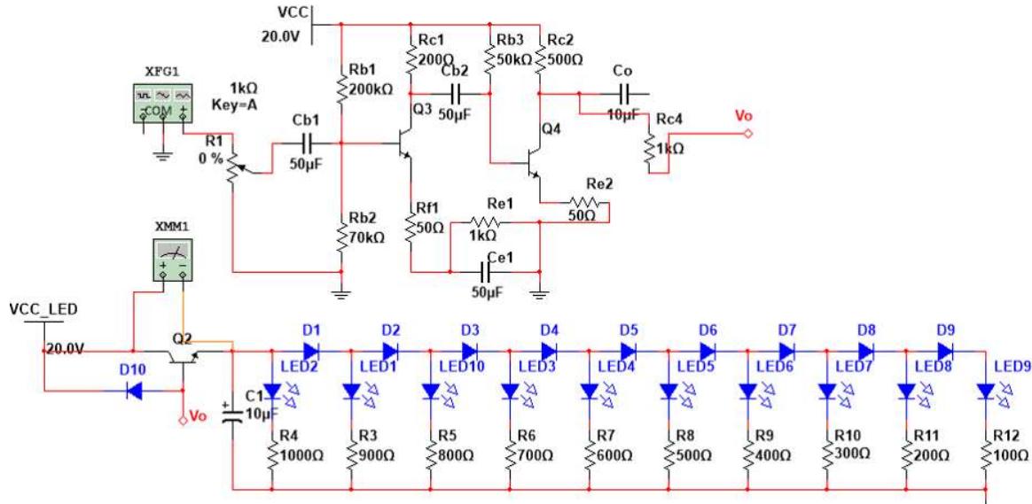
应用与设计—环境音量指示电路实验
该实验电路是由驻极器(话筒拾音器)、三极管、发光二极管、电阻、电容等元器件组成,驻极器的电路组成如图 5 所示。周围环境的声音通过驻极器转换为电信号,输入到图 2 组成的两级放大电路中。图 2 的两级放大的输出再接一个 LED 驱动电路,驱动 LED 显示,并且当环境声音小时,所亮的 LED 少,当环境声音大时,所亮的 LED 多,LED 驱动电路如图 6 所示。

图 5
图 6 LED 驱动电路
实验要求:
1、针对环境音量指示电路,使用Tina 进行仿真(利用信号源模拟柱极体); 按照前面叙述的电路原理调试电路;
2、 请思考 LED 驱动电路中,三极管 T 的作用,以及射级电解电容的作用;
3、离话筒大约一本书的距离,对着驻极器用中等音量说话或用手机对着驻极器播放音乐,LED 会随话音而闪烁,且 LED 闪烁的个数随说话或者音乐音量的大小不同而不同。如需大声说话时才有 LED 闪烁,说明电路灵敏度太低,需适当增大两级放大电路的放大倍数,使灵敏度增加。如果没有声音时,LED 也闪烁,说明电路灵敏度太高,需要适当减小两级放大电路的放大倍数,降低灵敏度;
4、在 Tina 软件中用信号源频率与幅度调整模拟上述过程。信号源频率应尽量覆盖可听频率范围( $2 0 \mathrm { H z } { - } 2 0 \mathrm { k H z }$ ),请记录所实现电路正常工作时最大的频率范围与最大输入幅值。
8. 实验原理及方案
在电子电路中,输入信号通常很微弱,由于单级放大电路的放大倍数较低,仅靠单级放大电路常常不能满足实际需要,因此常把两级或两级以上的单级放大电路连接起来,组成多级放大电路,以便获得更好的性能。本实验主要以两个基极分压式射极偏置电路构成的多级RC 耦合放大电路为代表,讨论在电路内部参数及外部条件变化时三极管放大性能情况。
实验原理及依据
1、基极分压式射极偏置电路
如图2所示,本实验采用了分立元件电路中最常用的稳定静态工作点的共射极放大电路,两级放大电路元件设计相同,以第一级放大电路为例,由图 7所示直流通路计算Q 点的值:
$$ V _ { B Q } \approx { \frac { R b 2 } { R b 1 + R b 2 } } V _ { C C } $$
$$ I _ { E Q } = \frac { V _ { B Q } - V _ { B E Q } } { R e 1 + R f 1 } \approx I _ { C Q } $$
$$ \begin{array} { c } { { V _ { C E Q } \approx V _ { C C } - I _ { C Q } ( R _ { C 1 } + R _ { f 1 } + R _ { e 1 } ) } } \ { { { } } } \ { { I _ { B Q } \approx \displaystyle \frac { I _ { C Q } } { \beta } } } \ { { { } } } \ { { r _ { b e } \approx r _ { b b \prime } + ( 1 + \beta ) \displaystyle \frac { V _ { T } ( m V ) } { I _ { E } ( m A ) } } } \end{array} $$

图7 直流通路

图8小信号等效电路
如图 8 所示电路小信号等效电路,由此求得电压增益 Av 为:
$$ v _ { i } = i _ { b } r _ { b e } + i _ { b } ( 1 + \beta ) R _ { f 1 } $$
$$ v _ { o } = - \beta R _ { C 1 } i _ { b } $$
$$ A _ { V } = { \frac { v _ { o } } { v _ { i } } } = { \frac { - \beta R _ { C 1 } } { r _ { b e } + ( 1 + \beta ) R _ { f 1 } } } $$
通过上式可以得出电压增益 Av与电路中的电阻阻值相关,设计合适的电阻参数值可以得到实验所要求的放大倍数。
2、环境音量指示电路实验工作原理
如图5、6所示,拾音器是由驻极话筒MIC实现,电阻 R1为它提供偏置电压(有源驻极体需要偏置电压才可以正常工作),它可以将附近环境的声音信号转换为对应变化的电信号,经电容送到三极管T1 的基极,通过T1、T2 进行放大。三极管T1和T2 组成阻容耦合放大电路,将电信号放大至合适的大小,通过LED 驱动电路驱动LED发光。两级放大电路的放大倍数要合适,使得在没有声音输入时,LED 均不亮,声音稍微加强时,LED 开始逐个点亮,声音越大,LED点亮的个数越多。
电路参考实验方案
如图 9 所示给出本实验一种实验方案可供参考。

图9实验方案参考电路
电路实物连线图
如图 10 所示,为环境音量指示电路实验实际接线图。

图10电路实物连线图
9. 实验报告要求
实验报告需要反映以下工作:
1、实验任务及要求:明确实验目的,清楚实验任务要求;
2、 实现原理:阐述双级二极管放大电路工作原理;
3、 电路设计与参数选择:设计合适电路元件参数,体现计算静态工作点及放大倍数过程;
4、 实验数据记录与分析:保存并记录 Tina 仿真实验调试过程中电路参数及其对应实验结
果,记录环境音量指示电路实验的实验现象;
5、 实验结果总结:分析数据,得出正确结论,撰写实验报告。
10.考核要求与方法(限 300 字)
实验成绩满分 10 分
表1 成绩分配表
| 项目 | 考核内容 | 考核方法 | 满分 |
| 预习 | 熟悉 Tina 使用方法,实验电路中未给定实验参数已设计完成 | 雨课堂抽查说明所设计的参数值的理由 | 2 |
| 仿真调试及结果 | 熟练掌握Tina 使用方法,调试电路参数,结果拍照上传雨课堂 | 实验结果正确学生对教师提出的质询能够正确解答 | 3 |
| 实物搭建 | 电路搭建无误,得到正确现象 | 现场检查现象正确 | 2 |
| 安全、节能意识 | 实验过程操作规范,安全无误 | 操作无错误保持卫生节省成本 | 1 |
| 实验报告 | 实验课结束后一周提交实验报告报告格式规范、内容清晰、过程分析正确、结论科学严谨 | 按时提交报告数据完整有心得体会 | 2 |
| 创新拓展 | 加分项,鼓励学生课下对本次实验拓展与创新,例如制作PCB 板 | 完成后与教师沟通 | 2 |
11.项目特色或创新(可空缺,限 150 字)
本实验项目选择模拟电子电路中经典的两级三极管放大电路实验进行设计,将可能影响放大效果的诸多因素进行整合与对比,比较全面支撑了三极管放大电路课程理论,有助于学生加深知识点理解;实验采用驻极器与发光二极管配合方式使课堂教学更加生动,激发学生学习兴趣,引导学生辩证思考,达到了培养学生综合应用能力的目的。