学号显示电路的设计及多方法分层次实现
实验题目:学号显示电路的设计及多方法分层次实现
1. 课程简要信息
课程名称:数字电子技术
课程学时:64学时(含实验 16学时)
适用专业:自动化、通信工程、电子信息工程、智能科学与技术等(详见附录大纲)
学生年级:大二下或大三上
2. 实验内容与任务(限 500 字,可与“实验过程及要求”合并)
结合所学数字电子技术理论知识,每位同学设计自己学号的显示电路,考虑其动手能力的差异,设计分层次的教学形式,采用 Multisim 仿真、基于数电实验箱的硬件搭建、基于FPGA的DE2开发板和含有键盘及动态显示模块的拓展板等多种方法实现。
基本要求:
1)掌握中规模集成计数器的功能特点及使用方法;
2)掌握译码器的原理及使用方法;
3)掌握数码显示电路的设计方法;
4)组合计数、译码、显示电路,并基于 Multisim 仿真实现两位学号的显示;
提高要求:
1)发放74LS160等耗材,在数电实验箱上搭建完成学号的显示;
2)书写VHDL代码实现八位学号显示,在基于 FPGA的DE2开发板、含有键盘及动态显示模块的拓展板上观察、记录实验结果。
扩展要求:
选择合适的芯片和外围电路自行设计学号显示电路、制作PCB板,完成焊接与调试。
3. 实验过程及要求(限 300 字)
实验每人 1 组,实验分为三个阶段,具体要求如下:
实验课前准备阶段
(1)在本实验开始前两周,结合理论知识,引导学生详细分析自己学号显示电路的设计要求;
(2)要求学生复习 Multisim,学会建模计数、译码、显示模块,有能力的同学连通这三个模块并实现数码管显示学号;
(3)预习Quartus II 仿真软件,学会利用 VHDL代码新建工程;初步写出学号静态显示所对应的代码。
$\spadesuit$ 实验课上
(1)在上实验课时,讲解、演示、验收Multisim 仿真自己学号后两位的实现情况,
(2)软件仿真验收通过的同学,领取 74LS160 等耗材,基于数电实验箱,搭建完成硬件电路,并进行简单的提问答辩验收。
(3)要求学生在 DE2 开发板及拓展板上完成电路的调试和功能测试,记录实验结果。
$\spadesuit$ 实验课后
(1)撰写设计总结报告,总结实验设计思路、设计实现过程中遇到的问题及解决方法,总结实验心得;
(2)对于焊接完成硬件调试学号显示电路的扩展要求不安排课内实验学时,鼓励有兴趣、能力强的同学在课外选做,学生完成扩展实验,教师做好相应的验收工作,并记录实验结果纳入实验平时成绩。
4. 相关知识及背景(限 150字)
随着电子技术的飞速发展,数字电子技术中传统器件、FPGA 器件、EDA 技术、仿真环境均已相当成熟。学号显示电路是最贴近学生生活的典型实验项目,该题目一方面可以将计数、译码、显示等模块进行有机的结合,另一方面也可以体现学生的差异性。且该题目适合安排软件仿真、实验箱搭建、FPGA实现等分层次多方法的教学过程。
5. 实验环境条件
北京信息科技大学电子信息与控制国家级实验教学中心建筑面积 $1 5 3 2 . 6 1 ~ \mathsf { m } ^ { 2 }$ ,设备总值2955.79万元,设备台数 3763台,实验环境见下图1。
数电实验室见下图 2,每个实验室平均使用面积约 120 平方米,共有 35 个实验台。每个实验台上都配有稳压电源、信号发生器、数字示波器和万用表等仪器设备,也配备了数电实验箱;同时实验室也具备搭建电路、焊接等操作的条件;每个实验台也都配备了一台电脑,供学生进行仿真和编程等操作。
中心也负责提供全校电子设计竞赛的场地,组织参加北京市大学生电子设计大赛、全国机器人大赛、华北五省机器人大赛、华为杯中国大学生智能设计竞赛等学科竞赛参赛学生的培训,并为参赛学生提供教师指导、场地、设备以及元器件。

图 5.1 实验环境

图 5.2 数电实验室
6. 教学目标与目的(限 150 字)
通过该实验的训练,学习中规模集成计数器的工作原理,设计任意进制计数器电路;学习BCD码-七段译码驱动器和七段显示器的工作原理及使用方法;使学生掌握组合逻辑电路、时序逻辑电路、可编程逻辑器件的综合使用;掌握基于 Multisim、FPGA 的小型数字系统的设计、仿真、调试及故障排除方法;掌握硬件学号显示电路的搭建、调试及故障排除方法。
7. 教学设计与实施进程
教学设计的学号显示电路,综合了组合电路与时序电路,体现了基于固定芯片的“自底向上”及基于FPGA的“自顶向下”的两种不同方法。
本实验首先采用 Multisim 仿真连通计数、译码、显示模块,数码管显示的最大值为其两位学号;然后在数电实验箱上安插相关芯片连线完成硬件电路的搭建;最后基于FPGA 的 DE2 开发板及本中心自制含有键盘模块的拓展板实现八位学号的输入及动态显示。多种方法分层次实现的学号显示电路较完整的体现了数字电路的基本知识和相应的FPGA 知识。
在实验实施进程中,将思考贯穿于整个过程,在以下几方面加强对学生的引导:
1)学号显示电路与学生息息相关且因人而异,激发他们的设计兴趣,推荐三种实现方法:Multisim 仿真、硬件搭建、FPGA 编程,根据学生的实现情况体现成绩的层次性。
2)帮助学生分析实验要求与设计思路,给出系统的总体设计框图,说明系统中各个模块实现的功能,让学生知道要怎么做。预习阶段尽可能的引导学生去自己查阅资料,而不是对各模块的具体设计做详细说明。
3) 在学生设计电路的过程中,引导提出多种实现方案,并且在模块电路设计时,引导用不同的器件去实现,扩宽学生的知识面。如:译码模块采用 7474或4511;基于FPGA实现八位学号动态显示时,学号输入方法可采用代码写入或键盘输入。
4)在每个模块电路设计前提出一些问题来引导学生,如设计计数电路时,提出分频器,引出分频器与计数器的相关性,让学生明白用具有计数功能的芯片是可以实现时钟分频的,从而引导学生去思考所学的器件哪些具有计数功能,用这些芯片如何实现分频,进一步在不同的实现方法中权衡利弊,找出适合的方法。
5)学生明确了实验任务后在课余时间利用 Multisim 软件、EDA 工具对电路进行仿真,仿真正确显示学号后可以提前线上、线下找老师检查电路。
6)在实验课课堂过程中,鼓励学生之间互相讨论,完成实验较快的同学去帮助有困难的同学排查问题,教师负责引导学生去查找问题,而不是直接指出解决问题的方法。
7)在实验完成后,组织学生以演示、答辩、互动提问等形式进行交流,大家互相学习,并深刻理解实现途径的多样化及层次性。
8. 实验原理及方案
实验原理
本实验采用的含计数、译码、显示三个模块的学号显示电路原路如下:
1)计数模块原理
采用清零法或置数法,在74160芯片外添加与非门可实现任意模(N)计数器。
(1)清零法:利用清零端 构成电路。
举例:若需要实现 $0 { \sim } 8$ (即 $0 0 0 0 { \sim } 1 0 0 0 $ )循环计数的功能,当计数输出为 $Q _ { D } Q _ { c } Q _ { B } Q _ { A }$ $= 1 0 0 1$ 时,通过反馈逻辑使 ${ = } 0$ ,强制计数器输出异步清零,由于 $Q _ { D } Q _ { C } Q _ { B } Q _ { A } { = } 0 1 0 1$ 状态只是瞬间出现,故可实现 $0 0 0 0 { \sim } 1 0 0 0$ 循环计数的效果。
(2)置数法:利用预置数端 构成电路。
举例:若需要实现 $0 { \sim } 8$ (即 $0 0 0 0 { \sim } 1 0 0 0$ )循环计数的功能,把计数器输入端 DCBA预置一个数据,如 $\mathtt { D C B A = } 0 0 0 0$ 。当计数器计到 1000 时,通过反馈逻辑使 $\overline { { \mathrm { L O A D } } } = 0$ ,则当下一个脉冲到来时,计数器输出端会同步置数为 $Q _ { D } Q _ { C } Q _ { B } Q _ { A } { = } 0 0 0 0$ ,实现 $0 0 0 0 { \sim } 1 0 0 0$ 循
环的要求。
(3)两片74LS160 扩展实现模制大于十进制的计数器
由于 74LS160 是十进制计数器,按照上述异步清零法和同步预置法,可以用一片74LS160 实现十进制以内的任意进制计数器,当欲实现的计数器模制超过 10 时,就需要用两片74LS160扩展实现 100进制以内的任意进制计数器,见图3。

图3 采用并行进位方式实现 100进制计数器
在两片接成 100 进制计数器的基础上,采取清零法或置数法,实现 37 进制计数器见下图 4。

图 4 清零法实现 37 进制计数器
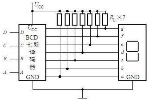
2)译码模块原理
BCD码/数码管译码原理见图5,实现译码功能的常用芯片有74LS47、74LS48、4511等,其中 4511 引脚如图 6。

图 5 BCD 码/数码管译码原理图

图6 BCD码/7段数码管译码器
3)显示模块原理(含动态显示原理)
七段显示器又称 LED 数码管,一个 LED 数码管可用来显示一位 $0 { \sim } 9$ 十进制数和一个小数点。下图 7 为共阴管和共阳管的电路和两种不同出线形式的引出脚功能图。
一个四位的 BCD 码(或二进制码)经过七段译码电路后,可以在一个数码管上显示出$0 { \sim } 9$ (或 $0 { \sim } 9$ ,A~F)的数字。多位七段数码管可以显示多位十进制(或十六进制)数字,其显示驱动分静态驱动或动态驱动。

(c)引脚功能
图 7 LED 数码管
基于 FPGA 实现的数码管静态显示电路原理如下图 8。

图 8 基于 FPGA 的学号静态显示电路
本实验除了学号静态显示外,还基于本中心自制的含有输入模块的拓展板设计了基于FPGA的学号动态显示,其结构框图见图9.

图 9 含拓展板的学号电路动态显示
在多位七段数码管显示驱动电路设计时,为了简化硬件电路,通常将所有位的各个相同段选线对应并接在一起,形成段选线的多路复用。而各位数码管的共阳极或共阴极分别由各自独立的位选信号控制,顺序循环地选通(即点亮)每位数码管,这样的数码管驱动方式就称为“动态扫描”。在这种方式中,虽然每一短暂时间段只选通一位数码管,但由于人眼具有一定的“视觉残留”,只要延时时间设置恰当,实际感觉到的会是多位数码管同时被点亮。
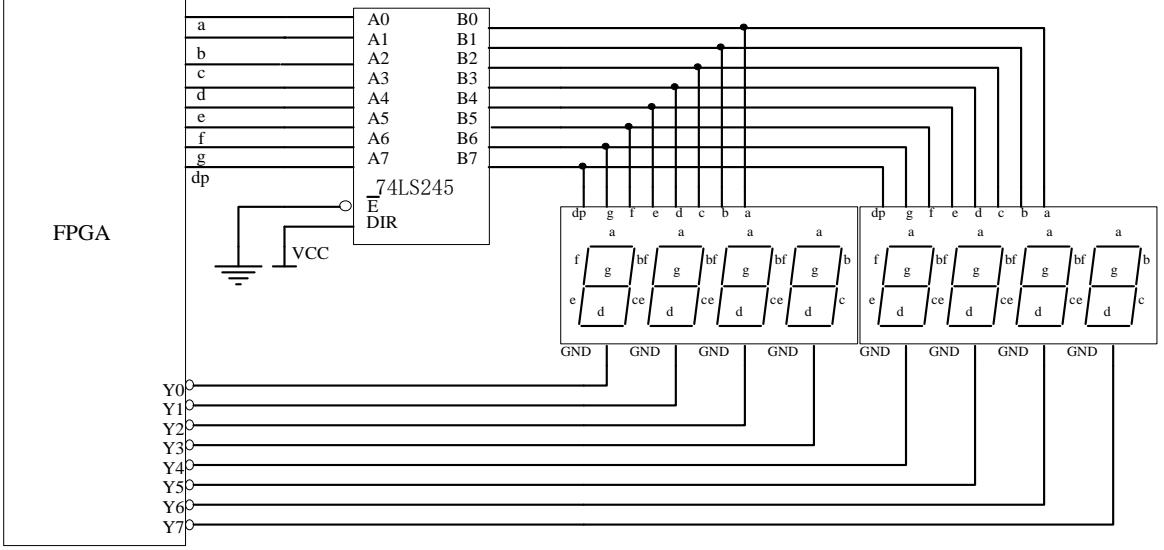
8 位七段(含 dp 小数点位则八段)LED 动态显示原理图如下图 10 所示。

图 10 8 位七段 LED 动态显示原理
其中段选线(a~g,dp)占用 8 位 I/O 口,位选线( $\mathsf { Y } 0 \sim \mathsf { Y } 7$ )占用 8 位 $1 / 0 ~ \sqcap$ 。由于各位的段选线并联,段选码的输出对各位来说都是相同的。因此,同一时刻,如果各位位选线都处于选通状态的话,8 位 LED 将显示相同的字符。若要各位 LED 能够显示出与本位相对应的字符,就必须采用扫描显示方式,即在某一位的位选线处于选通状态时,其它各位的位选线处于关闭状态,这样,8 位 LED 中只有选通的那一位显示出字符,而其它位则是熄灭的。同样,在下一时刻,只让下一位的位选线处于选通状态,而其他的位选线处于关闭状态。如此循环下去,就可以使各位“同时”显示出将要显示的字符。由于人眼有视觉暂留现象,只要每位显示间隔足够短,则可造成多位同时亮的“景”象,达到完整显示的目的。
$\bullet$ 实验方案
1)Multisim仿真计数、译码、显示模块
Multisim 仿真环境中分别选择计数芯片 160、译码芯片 7447 及显示数码管搭建的学号19显示电路见下图 10。

图10 基于Multisim 仿真实现学号显示电路(最大显示 19)若实现 0-19 计数,使用一片 7410 即可实现,见上图 10。
2)实验箱硬件搭建计数、显示模块
课堂上硬件搭建 Multisim仿真电路的过程中,比较清零法、置数法两种连接,图示为利用两种方法搭建的 0-19 及 0-18 的显示电路,便于学生清晰直观的进行对比。

图11 置数法实现的学号显示(最大19)

图 12 清零法实现的学号显示(最大 18)
3)DE2开发板及拓展板实现学号输入、数码管的动态显示

DE2 开发板、拓展板、两者连接方法见下图 13、14、15。
图 13 DE2 开发板

图 14 拓展板

图15 DE2开发板及拓展板的连接方式
基于DE2及拓展板实现的学号动态显示电路框图见上图10,根据动态显示电路的原理分析,在FPGA中完成以下五个模块电路:
(1)输入数据控制选通电路
基于 VHDL 语言设计一个数据分配器,电路框图如图 16 所示。A 为数据地址输入端,dout7、out6、……dout0 为4位总线数据输出端,EN为使能信号输入端,Enter为输入信号确认键。电路功能如表 1所示。

图 16 数据分配器框图
表 1数据分配器功能表
| 输入 | 输出 | ||||||||||
| 地址A(2downto0 | 数据Din(3downto0 | 健EN | 确认Enter | Dout7(3downto0 | Dout6(3downto0 | Dout5(3downto0 | Dout4(3downto0 | Dout3(3downto | Dout2(3downto0 | Dout1(3downto0 | Dout0(3downto0 |
| XXX | XXX | 0 | X | 保持 | 保持 | 保持 | 保持 | 保持 | 保持 | 保持 | 保持 |
| 000 | Din | 1 | → | Din | 保持 | 保持 | 保持 | 保持 | 保持 | 保持 | 保持 |
| 001 | Din | 1 | → | 保持 | Din | 保持 | 保持 | 保持 | 保持 | 保持 | 保持 |
| 010 | Din | 1 | → | 保持 | 保持 | Din | 保持 | 保持 | 保持 | 保持 | 保持 |
| … | … | … | … | … | … | : | … | … | … | … | … |
| 111 | Din | 1 | → | 保持 | 保持 | 保持 | 保持 | 保持 | 保持 | 保持 | Din |
(2)数据选择器电路
扫描控制电路输出的信号(模 8 加法计数器输出)作为地址数据输入端,将已经锁存的待显示的数据分别传送到 7段译码电路的输入端。完成数据选择输出功能。即当地址 CBA 为 000,把 DO[3..0]传给 DOUT[3..0], 当地址 CBA 为 001,把 D1[3..0]传给DOUT[3..0],……循环往复。
(3)扫描控制电路(加法计数器)
目的是给位选电路及数据选择电路提供控制信号,用模 8 加法计数器实现。为了使位选信号和段选信号能一一对应,加法计数器输出要同时传给位选电路及数据选择电路。
(4)位置译码器
通过扫描控制电路传输来的信号,完成三八译码器功能,输出信号低电平有效,用于位选控制。
(5)七段译码电路

将数据选择器传送给七段译码器的输入信号进行七段译码,输出高电平有效。
图 17 基于FPGA及拓展板实现的 8位学号动态显示原理图
利用 DE2 实验板上自带的 50MHz 时钟进行分频,合理设置数码管的动态显示。经过分频,在拓展板数码管上动态显示的八位学号见下图 17.

图18 基于 FPGA及拓展板实现的8位学号动态显示(学号11981018)
9 实验报告要求
实验报告需要反映以下工作:
1)实验需求分析
2) 实现方案论证电路设计与参数选择电路的硬件搭建图及学号显示的结果
5) 电路的仿真图及下载验证的实物图
6) 实验结果总结
7) 实验过程中遇到的为题及解决方法
8)实验结束后的收获和心得体会
10 考核要求与方法(限 300 字)
3)实物验收:将设计电路在 Multisim、实验箱硬件、DE2 实验板进行功能验证。
4)自主创新:功能构思、电路设计的创新性,自主思考与独立实践能力。
5)实验数据:实验的电路图及仿真图。
6)实验报告:实验报告的规范性与完整性。
11 项目特色或创新(可空缺,限 150 字)
实验项目学号的显示电路设计贴近学生生活,具有很强的实用性及差异性,能激发学生的学习兴趣。
将数字电子技术课程中的常用集成电路及EDA 相关知识结合起来,体现了综合性、设计系。
该实验项目体现了分模块、分层次的设计方法,通过要求学生进行多种方案的比较和设计,体现了实验方法的多样性。
实验项目由简单到复杂、由基础到综合,循序渐进,培养学生的实践动手能力和创新能力。
参赛信息表
| 案例提供单位 | 北京信息科技大学电子信息与控制国家级实验教学中心 | 相关专业 | 自动化、通信工程、电子信息工程等 | |||
| 设计者姓名 | 杨慧春 | 电子邮箱 | 52009222@qq.com | |||
| 移动电话 | 18910180797 | 通讯地址(含邮编) | 北京市海淀区清河小营东路 12号院北京信息科技大学100192 | |||
| 设计者姓名 | 王丽霞 | 电子邮箱 | wanglixia@bistu.edu. cn | |||
| 移动电话 | 15801667336 | 通讯地址(含邮编) | 北京市海淀区清河小营东路 12号院北京信息科技大学100192 | |||
| 设计者姓名 | 周素华 | 电子邮箱 | Zhousuhua@bistu. edu.cn | |||
| 移动电话 | 13161971821 | 通讯地址(含邮编) | 北京市海淀区清河小营东路 12号院北京信息科技大学 100192 | |||
| 相关课程名称 | 数字电子技术 | 学生年级 | 大二下、大三上 | 学时(课内+课外) | 6学时 | |
| 支撑条件 | 仪器设备 | 电脑、数电实验箱、基于FPGA的DE2开发板、含有输入模块及动态显示模块的拓展板 | ||||
| 软件工具 | Multisim、Quartus Il | |||||
| 主要器件 | 74160、7400、7410、7420、7447、数码管 | |||||
附件 1 部分代码
(1)分频模块
LIBRARY IEEE;
USE IEEE.STD_LOGIC_1164.ALL;
USE IEEE.STD_LOGIC_UNSIGNED.ALL;
USE IEEE.STD_LOGIC_ARITH.ALL;
ENTITY fenpinqi IS generic(N:integer: $\mathord { : } = 5 0 0$ );
PORT ( Clkin:IN std_logic; Clkout:OUT std_logic);
END;
ARCHITECTURE Behaviour OF fenpinqi IS SIGNAL cnt:integer range 0 TO N/2-1; SIGNAL TEMP:std_logic;
BEGIN PROCESS(Clkin) BEGIN if(rising_edge(Clkin))THEN if(cnt=N/2-1)THEN cnt ${ < } \mathrm { = } 0$ ; TEMP $< =$ NOT TEMP; else cnt $ =$ cnt+1; END IF; END IF; Clkout $< =$ TEMP; END PROCESS; END;
(2)数码管动态显示 8 位学号模块LIBRARY IEEE;USE IEEE.STD_LOGIC_1164.ALL;
ENTITY shumaguan IS
PORT (
CLK: IN STD_LOGIC;
numA: IN integer RANGE 0 TO 9;
segout: OUT STD_LOGIC_VECTOR(0 TO 6); selout: OUT STD_LOGIC_VECTOR(0 TO 7)); END;
ARCHITECTURE Behaviour OF shumaguan IS SIGNAL Counter:integer RANGE 0 TO 7;
BEGIN
PROCESS(CLK) variable Num:integer RANGE 0 TO 9;
BEGIN IF(rising_edge(CLK))THEN IF (Counter $= 7$ ) THEN Counter ${ < } \mathrm { = } 0$ ;
ELSE Counter $< =$ Counte $+ 1$ ;
END IF;
CASE Counter IS WHEN $0 { = } >$ selout< $\varXi ^ { \prime }$ "01111111";
Num: $^ { = 8 }$ ;
WHEN $1 { = } { > }$ selout< "10111111";
Num: $^ { = 1 }$ ;
WHEN $2 { = } >$ selout< $ =$ "11011111";
Num: ${ } = 0$ ;
WHEN $3 { = } >$ selout< "11101111";
Num: $^ { = 1 }$ ;
WHEN $4 { = } >$ selout< $\equiv$ "11110111";
Num: $^ { = 8 }$ ;
WHEN $5 { = } >$ selout< "11111011";
Num: $^ { - 9 }$ ;
WHEN $6 { = } >$ selout< "11111101";
Num: $^ { = 1 }$ ;
WHEN $7 { = } >$ selout< "11111110";
Num: $^ { = 1 }$ ;
WHEN OTHERS $\Rightarrow$ selout<="00000000";
Num: ${ } = 0$ ;
END CASE;
CASE Num IS WHEN $0 { = } >$ segout< "1000000";
WHEN $1 { = } { > }$ segout< "1111001";
WHEN $2 { = } >$ segout $< =$ "0100100";
WHEN $3 { = } >$ segout< "0110000";
WHEN $4 { = } >$ segout< "0011001";
WHEN $5 { = } >$ segout< "0010010";
WHEN $6 { = } >$ segout< "0000010";
WHEN $7 { = } >$ segout< "1111000";
WHEN $8 \mathrm { = } \mathrm { > }$ segout< "0000000";
WHEN $9 \mathrm { = } \mathrm { > }$ segout< "0010000";
WHEN OTHERS $\Rightarrow$ segout< $\varXi$ "0000000";
END CASE;
END IF;
END PROCESS;
END;
数字电子技术课程教学大纲
| 课程编号 | 0BH20021 | 学分 | 4 |
| 课程名称 | 数字电子技术 | 英文名称 | Digital Electronic Technique |
| 课程类别 | ■必修口选修 | 总学时 | 64 |
| 理论学时 | 48 | 实验学时 | 16 |
| 执笔人 | 柴海莉 | 审核人 | 魏英 |
| 适用专业 | 自动化、通信工程、电子信息工程、智能科学与技术、电子信息科学与技术、电气工程及其自动化、机器人工程 | ||
| 先修课程 | 大学物理、电路分析 | ||
一、课程地位与作用
本课程是自动化、电气工程及其自动化、智能科学与技术、电子信息工程、通信工程、电子信息科学与技术等专业的本科生在电子技术方面入门性质的专业基础课。课程系统地讲述了数字电子技术的基本概念、基本理论、基本的分析和设计方法。内容包括数字逻辑基础、组合逻辑电路的分析和设计方法、时序逻辑电路的分析和设计方法、常用电子器件的使用等。数字电子技术课程理论严密,逻辑性强,有广阔的工程背景。学习数字电子技术课程,对培养学生的科学辨证思维能力,树立理论联系实际的科学观点和提高学生分析问题、解决问题的能力,培养科学素养,都有重要的作用。
通过本课程的学习,应使学生掌握数字电子电路的基本分析方法和设计方法,具备进行实验的基本技能,并为后续课程准备必要的理论知识。
Digital Electronic Technique is an important fundamental course on circuits and electronics for undergraduates with major on automation, intelligent science and technology electronic, engineering and communication engineering. Basic circuit concepts, fundamental circuit theories and preliminary analysis and design methods are introduced in this course. The contents of Digital Electronic Technique include: digital logic foundation, combinational logic circuit analysis and design method, sequential logic circuit analysis and design method, the use of common electronic devices, etc. This course is based on engineering knowledge, which requires strong logic and thorough theory analysis capability. This course will empower the students with capability on-training the intellect ability, establishing the view of theory and practice integration, improving the ability to analysis and solve problems in a scientific way. Through this course, basic analysis and design methods and basic experimental techniques of digital circuit will be grasped by the students. All of the principles and techniques of digital circuit will provide a necessary preparation for the continuing study of successive specialized courses.
二、课程目标
课程目标1:掌握数字电子技术的基本理论、基本知识和基本技能,能够分析和设计常用组合逻辑电路和时序逻辑电路;能够分析和设计由 555定时器构成的脉冲发生电路;了解CMOS 门电路和TTL门电路的电气特性,能够实现二者的相互连接;能够分析数-模和模-数转换电路。
课程目标 2:熟悉当前通用数字集成芯片的使用方法,能独立完成一定复杂程度的电路设计和调试。能通过网络或手册,快速查找到所需信息,具有一定的获取信息、拓展知识领域和继续学习的能力。
课程目标3:掌握典型数字电路安装和测试技能,掌握EDA仿真软件和常规仪器仪表等设计工具的使用方法,具有利用逻辑思维方式进行实验现象的分析和实验故障排除的能力。
表 1 课程目标与毕业要求对应关系表
| 专业毕业要求 | 课程教学目标 |
| 毕业要求1工程知识:能够将数学、自然科学、工程基础和电子信息工程专业知识用于描述、推演、分析、解决信号与信息处理方向的复杂工程问题。 | 课程教学目标1 |
| 毕业要求2问题分析:能够应用数学、自然科学和工程科学的基本原理,识别、表达、并通过文献研究分析信号与信息处理、计算机网络方向的复杂工程问题,以获得有效结论。 | 课程教学目标2 |
| 毕业要求5使用现代工具:能够针对电子信息领域复杂工程问题,开发、选择与使用恰当的技术、资源、现代工程工具和信息技术工具,包括对复杂工程问题的预测与模拟,并能够理解其局限性。 | 课程教学目标3 |
三、课程思政内容
1、逻辑代数基础:从逻辑函数的五种描述方法去理解辩证法中事物的多样性与统一性,并学会从多样性的统一中紧抓事物的本质,引导学生将大学中所获得的知识、思想、方法和动机的多样性融合于创新能力的培养中,激发和提高创新意识。
2、门电路:用辩证法的否定观来分析半导体器件在数字电路中的作用,引导学生正确看待事物发展的新方向,坚持量变与质变相统一,做到创新从基础做起,一步一个脚印。
3、组合逻辑电路:在组合电路中每个门电路实现一个功能,只有所有功能加在一起,才能构成一套完整的逻辑,引导学生正确看待个体与整体的辩证关系,充分发挥个人在创新团队中的作用,在提高团队凝聚力和综合性创新能力的同时实现个人创造力和核心力,进而引导学生正确看待“整体与部分”的关系,由此引申出“家与国”“个人与团队”等关系问题,让学生树立全局观念,培养学生的团队意识。
4、半导体存储电路:介绍半导体芯片的设计技术和发展历程,引出我国目前半导体芯片的骄傲,华为麒麟960等手机芯片,实现高性能和长续航的突破;结合我校近年来举办和参与的各类专业竞赛,鼓励学生勇于打开创新的大门。
5、时序逻辑电路:引导学生要从辩证唯物主义角度认识学习过程,通过书本所学,掌握自然历史的规律,利用自然规律进行创新改造,提高自主创新能力;引导学生思考“时序”的重要性,时序信号就像是总指挥、总命令,如果时序乱了套,电路将不能正常工作,从而引申出听党指挥的重要性。
6、脉冲波形的产生和整形电路:综合本课程所学,构建复杂的数字系统。“纸上得来终觉浅,绝知此事要躬行。”理论知识不能只停留在原理性内容上,做到知行合一,就要有实践,正所谓“知者行之始,行者知之成”。要在实践中不断总结创新经验,深入学习,迎难而上。
四、课程教学内容提要与基本要求
| 理论部分 | |||||
| 房 | 教学内容提要 | 基本教学要求 | 学 | 对应课程目标 | 备注 |
| 一、数制和码制1.1概述1.2 几种常用的数制1.3 不同数制间的转换1.4 二进制算术运算1.5 几种常用的编码 | 理解二进制、十六进制数的构成,掌握其和十进制数之间的转换方法,掌握8421BCD码的构成,了解其它常用二进制码。重难点说明:不同数制之间的转换;8421BCD码。 | 2 | 1 | ||
| 2 | 二、逻辑代数基础2.1概述2.2 逻辑代数中的三种基本运算2.3 逻辑代数的基本公式和常用公式2.4 逻辑函数的基本定理2.5 逻辑函数及其描述方法2.6 逻辑函数的化简方法2.7具有无关项的逻辑函数化简2.8 多输出逻辑函数的化简2.9 逻辑函数形式的变换 | 理解逻辑代数中的基本知识,掌握逻辑函数的表示方法及其相互转换方法,熟练掌握逻辑函数的化简方法。重难点说明:逻辑函数的基本公式和常用公式;逻辑函数的描述方法及其相互转换;最小项的性质及其性质;逻辑函数的化简方法。 | 6 | 1 | |
| 3 | 三、门电路3.1概述3.2半导体二极管门电路3.3 CMOS 门电路3.4 TTL 门电路3.5 不同类型数字基成电路间的接口 | 了解半导体二极管、三极管、MOS 管的开关特性,了解TTL、CMOS门电路的组成和工作原理,理解典型 TTL、CMOS 门电路的逻辑功能、特性、主要参数和使用方法。重难点说明:CMOS 反相器的电路结构和工作原理;TTL反相器的电路结构和工作原理;TTL 反相器的电压传输特性、静态输入特性和输出特性、输入端负载特性。 | 6 | 1 | |
| 4 | 四、组合逻辑电路4.1概述4.2 组合逻辑电路的分析方法4.3 组合逻辑电路的基本设计方法4.4 常用组合逻辑模块(编码器、译码器、数据选择器、全加器、比较器)4.5 层次化和模块化的设计方法4.6可编程逻辑器件4.9 组合逻辑电路的竞争-冒险 | 理解组合电路的特点,掌握组合电路的分析方法和设计方法,理解编码器、译码器、数据选择器、全加器、比较器等常用组合电路的逻辑功能和使用方法,掌握其实现组合电路的方法,了解可编程逻辑器件的基本特征和编程原理,了解PAL、GAL、FPGA 和CPLD 的特点及电路结构,了解EDA软件的使用方法。了解组合电路的竞争-冒险现象及其消除方法。重难点说明:组合逻辑电路的设计方法和步骤,使用小规模集成门电路和使用常用中规模集成组合逻辑电路模块进行设计的区别;几种常见的中规模集成组合逻辑电路的逻辑功能和使用方法。 | 10 | 1、2、3 | |
| 5 | 五 半导体存储器 | 理解 SR 锁存器、电平触发方式的触发器、 | 6 | 1,2 | |
实验部分
| 5.1概述5.2 SR锁存器5.3触发器5.4 寄存器5.5存储器 | 脉冲触发方式的触发器、边沿触发方式的触发器的动作特点,了解各种触发器的电路结构,理解各类触发器的逻辑功能并掌握其描述方法。了解半导体存储器的电路结构和工作原理,掌握用半导体存储器实现组合逻辑函数的方法及扩展存储容量的方法。重难点说明:触发器的工作原理和主要特性;存储器设计组合逻辑电路的基本原理和方法。 | ||||
| 6 | 六 时序逻辑电路6.1概述6.2 时序逻辑电路的分析方法6.3若干常用时序逻辑电路6.4同步时序逻辑电路的设计方法 | 理解时序逻辑电路的特点、分类和描述方法,掌握时序逻辑电路的分析方法,理解计数器、寄存器等常用时序电路的工作原理、逻辑功能,掌握其使用方法,了解同步时序逻辑电路的设计方法。重难点说明:同步时序逻辑电路的分析方法和设计方法;常见中规模集成时序逻辑电路的逻辑功能和使用方法。 | 10 | 1,2,3 | |
| 7 | 七脉冲波形的产生和整形7.1概述7.2 施密特触发电路7.3单稳态电路7.4多谐振荡电路7.5 555定时器及其应用 | 了解脉冲信号参数的定义,理解施密特触发电路、单稳态触发电路和多谐振荡电路的工作原理、主要参数和分析方法,了解555定时器的电路结构和工作原理,掌握555定时器的应用。重难点说明:555 定时器的应用。 | 4 | 1,2、3 | |
| 8 | 八数-模和模-数转换8.1概述8.2D/A转换器的电路结构和工作原理8.3D/A转换器的转换精度和转换速度8.4 A/D 转换的基本原理8.5 取样保持电路8.6A/D转换器的电路结构和工作原理8.7A/D转换器的转换精度和转换速度 | 理解权电阻网络D/A转换器、倒T形电阻网络D/A转换器的电路组成及工作原理,掌握D/A转换器的应用,理解A/D转换器的工作过程,了解并行比较型A/D转换器、逐次比较型A/D 转换器、双积分型A/D 转换器的工作原理,了解D/A和A/D 转换器的主要技术要参数。重难点说明:权电阻型、倒T形D/A转换器的工作原理,输出电压的定量计算。A/D转换器的主要类型,基本工作原理和性能的比较。 | 4 | 1,2 | |
| 实哈部公 | |||||
| 序号 | 实验项目名称 | 实验内容、要求及时间安排、仪器要求 | 学 | GE | 中 | 必开/选开 |
| 1 | 门电路的功能测试 | 熟悉数字电路实验装置的使用,加深理解TTL门电路和CMOS门电路的原理以及不同;测试与门、或门、与非门、异或门等门电路的逻辑功能。掌握OC门、三态门的特点和应用;熟悉数字集成电路手册的使用。时间安排:3.3 CMOS门电路授课后; | 2 | 3 | 验证 | 心开 |
| 仪器要求:数字电路实验箱、万用表 | 2 | |||
| 2 | 组合逻辑 电路的设 计 | 掌握组合逻辑电路的设计方法、测试方法;熟悉数字电路实验装置 的使用。 2 时间安排:4.5层次化和模块化的设计方法授课后; 仪器要求:数字电路实验箱、万用表 | 设必 计开 | |
| 3 | 计数、译 码、显示 电路的设 计 基于FPGA | 3 学习中规模集成计数器的工作原理,设计任意进制计数器电路。学 习BCD码一七段译码驱动器和七段显示器的工作原理及使用方法。 4 时间安排:6.3若干常用时序逻辑电路授课后; 仪器要求:PC机、Multisim 软件、数字电路实验箱、万用表 熟悉 EDA 软件工具在电路设计和仿真方面的使用。在 EDA 软件开 | 2 、 3 | 综 必 合 开 |
| 4 | 的分频器 的设计 基于FPGA | 发环境中完成分频器的电路设计,进行仿真分析。 时间安排:6.3若干常用时序逻辑电路授课后; 仪器要求:PC机、Quartus I软件 学习 FPGA 芯片的电路设计,用数字系统层次化设计思想完成 | 2 3 2 | 验必 证开 |
| 5 | 的跑马灯 的设计 | FPGA芯片上跑马灯电路的设计并仿真。 4 时间安排:6.3若干常用时序逻辑电路授课后; 仪器要求:PC 机、Quartus II软件、EDA 实验装置 掌握时序逻辑电路的设计方法、测试方法。熟悉数字电路实验装置 | 、 3 2 | 设必 计开 |
| 6 | 555定时器 及双踪示波器的使用。 电路设计 | 2 ) 时间安排:7.5555 定时器及其应用授课后; 3 仪器要求:数字电路实验箱、双踪示波器、万用表 | 计 | 设必 开 |
五、课程考核方式及成绩构成比例
期末闭卷考试( $6 0 %$ ) $+$ 平时成绩( $2 0 %$ ) $^ +$ 实验成绩( $2 0 %$ )。
数字电子技术课程的考核以考核学生能力培养目标的达成为主要目的,以检查学生对各知识点的掌握程度为重要内容。能力目标达成评价与考核总成绩中,期末书面考试成绩占 $6 0 %$ ,平时学习情况占 $2 0 %$ ,实验成绩占 $2 0 %$ 。
| 成绩组成 | 考核/评价环节 | 考核/评价细则 | 成绩比例 | 备注 |
| 平时成绩 | 平时作业、上课出勤 | 主要考核学生对每节课知识点的复习、理解和掌握程度,考核学生的上课情况,计算全部作业的平均成绩和出勤情况,再按20%计入总成绩。 | 20% | |
| 实验成绩 | 预习情况、实验操作、实验报告 | 根据每个实验的预习情况、实验操作和实验报告质量每次单独评分,其中预习情况占10%,实验操作占 60%,实验报告占30%,再按全部实验的成绩求平均值,最后按20%计入课程总成绩。 | 20% | |
| 期末考试 | 期末考试卷面成绩 | 以卷面成绩的60%计入课程总成绩。 | 60% | ■闭卷□开卷 |
六、建议教材与参考书
建议教材:1.阎石,数字电子技术基础(第六版),高等教育出版社,2016.4。2.数字电路课程组,数字电子技术实验讲义,自编,2019。
参考书:1.康华光,电子技术基础(数字部分)(第六版),高等教育出版社,2014.1。
2.侯建军编,数字电子技术基础(第三版),高等教育出版社,2015.6。
- 阎石,王红,数字电子技术基础(第六版)学习辅导与习题解答,2016.4。
七、其他
数字电子技术课程是实践性很强的技术基础课,理论教学和实践教学应紧密结合。先修课程电路分析,为数字电子技术课程打下了物理分析与设计的基础,模拟电子技术课程中的半导体器件的基本知识、放大电路理论和各种集成电路知识为数字电子技术课程打下了进行数字电路分析的基础。数字电子技术应在先修电路分析课程之后开设,与模拟电子技术课程在同学期开设,但要注意两门课在时间上的配合。作为专业基础课,数字电子技术课程主要讲授常用组合逻辑电路和时序逻辑电路的基本原理、分析方法、设计方法,为后续专业课的学习打下坚实的基础。