宽带BPF语音放大器的设计与实现
实验题目:宽带 BPF 语音放大器的设计与实现
1. 课程简要信息
课程名称:模拟电子技术实验
课程学时: $8 + 1 6 ($ (课内 $^ +$ 课外)课时
适用专业:电子信息工程、电气工程及其自动化
学生年级:二年级
2. 实验内容与任务(限 500 字)
利用模拟电子技术知识设计并制作一个宽带 BPF 语音放大器,可实现对指定频率范围的语音信号进行放大。该放大器的至少包含信号源、前置放大、BPF滤波器和功率放大器等单元电路,并能用扬声器将处理后的语音信号播放出来,并且达到以下性能指标:
1)输入信号源:可采用信号发生器输出的信号进行调试,作品调试完成后可输入语音信号作为信号源。
2)前置放大器:输入信号 $\mathrm { u _ { i } } \mathrm { { \leqslant } 1 0 m V }$ 。输入阻抗: $\mathrm { R } _ { \mathrm { i } } \mathrm { \gtrsim } 1 0 0 \mathrm { k } \Omega$ 。共模抑制比: $\mathrm { K } _ { \mathrm { C M R 1 } } { \gtrsim } 6 0 \mathrm { d B }$ 。
3) BPF 带通频率范围: $3 0 0 \mathrm { H z } { \sim } 3 \mathrm { k H z }$ ,放大倍数 $\mathbf { A } \mathbf { u } { = } 1$ 。
4)功率放大器:当电源供电电压为±12V,负载阻抗 $\mathrm { R } \mathrm { = } 8 \Omega$ 时,功率放大器最大不失真功率: $\mathrm { P o m } { \geqslant } 5 \mathbb { W }$ ,并能驱动扬声器正常发声。
5) 输出功率连续可调:直流输出电压: $\mathrm { U } _ { 0 } { \leqslant } 5 0 \mathrm { m V }$ (输入短路时)。静态电源电流: $\mathrm { I _ { O } { \leqslant } 1 0 0 m A }$ (输入短路时)。
6)合理调整电路参数,尽量提高功放的效率。
3. 实验过程及要求(限 300 字)
1)根据实验内容和任务,查阅相关的技术资料,论证前置放大器、BPF滤波电路和功率放大电路的设计方案,最后选取最佳的设计方案,计算和选取单元电路的元件参数,完成整体电路的设计并运用 Multisim或Proteus仿真软件进行仿真。
2)选用满足设计指标要求的前置放大器并完成组装和调试,设计实验数据记录表格,测试前置放大器的共模抑制比 $\mathrm { K } _ { \mathrm { C M R 1 } }$ 、放大倍数 $\mathrm { A u _ { 1 } }$ 、输入电阻 Ri 等各项指标。
3)分析BPF滤波电路的实现方案和元器件参数值的选择依据,完成该单元电路的组装和调试,设计实验数据记录表格,测量BPF滤波电路的带宽BW1并与设计要求比较。
4)采用分立元件设计OCL互补对称功率放大电路,完成电路的组装与调试,设计实验数据记录表格,测量功率放大电路的最大不失真输出功率 Pom、电源供给功率 Pv、输出效率η、直流输出电压、静态电源电流等技术指标并与设计要求比较。
5)逐级级联各单元电路,构建测试环境,并输入语音信号进行试听。
6)撰写设计总结报告,总结并通过答辩的形式分享电路的设计方案、设计经验和调试技巧。
4. 相关知识及背景(限 150 字)
这是一个综合运用模拟电子技术解决现实生活和工程实际问题的典型案例之一。实验设计内容涉及前置放大、BPF 滤波电路和功率放大等单元电路的设计,元器件的选择及运用、参数的计算与设定、电路的调试和性能指标的测试等知识。通过实验可培养学生查阅资料、创新能力、团队协作、发现问题和解决实际问题的能力,提高学生的工程实践素养。
5. 教学目标与目的(限 100 字)
通过项目式实验教学设计,使学生明确电路的设计任务和要求,并据此进行系统方案的单元电路的比较、选择,然后对各部分单元电路的设计、参数计算和元器件的选择,再利用仿真软件对电路进行仿真,最后将各单元电路进行链接和调试,完成一个完整的项目设计,掌握工程设计的方法,提高学生理论联系实际的工程实践能力。
6. 教学设计与引导
本实验的过程是一个比较完整的工程实践项目,主要包含文献资料的查阅、设计方案的分析与设计、参数的计算、元器件的选择、系统的调试以及报告的撰写等内容。在实验教学中,应在以下几个方面加强对学生的引导:
1)实验前以一个简单的电子系统设计项目为例,向学生详细讲解项目设计的方法和过程,让学生对系统设计有初步的了解。
2) 在课堂上布置本次实验的设计任务和要求,明确实验的考核要求和评分标准。
3) 布置学生实验前利用课余时间预习,主要查找资料进行归纳总结,对电路各单元电路的设计方案进行论证,明确参数的计算方法和元器件的选择,再利用仿真软件对单元电路进行仿真,看看能否满足要求。
4) 各单元电路的设计方案确定后,再设计实际电路并进行安装和调试。
5)各单元电路调试完成,用标准仪器对电路进行数据测试,通过数据整理和分析,判断各单元电路是否满足设计要求。
6)在确定单元电路满足要求的情况下,再将各单元电路链接起来进行统调,完成系统功能测试。
7) 学生需要查找相关集成块的 PDF 资料时,可上网查找(如:http://www.ic-on-line.net/),查看厂家的数据手册。
8)撰写实验报告应包含:设计的任务和要求分析、设计方案的论证及选择、制作及调试过程、性能指标的测试及实验总结等几方面的内容。
7. 实验原理及方案
1) 系统结构

图 1 系统结构方框图
2) 实现方案
$\textcircled{1}$ 前置放大电路:在测量用的放大电路中,一般传感器送来的直流或低频信号,经放大后多用单端方式传输。一般来说,信号的最大幅度约有 10 毫伏左右,共模噪声可能高达几伏。放大器输入漂移和噪声等因素对于总的精度至关重要,因此前置放大电路应该是一个高输入阻抗、高共模抑制比、低漂移的小信号放大电路。
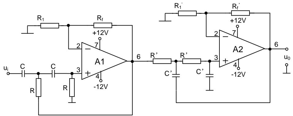
$\textcircled{2}$ BPF滤波电路:BPF的电路形式较多,可以采用文氏桥式BPF,也可采用宽带BPF。在满足 LPF 的通带截止频率高于 HPF 的通带截止频率的条件下,把 LPF 和 HPF 串接起来可以实现 Butteworth 通带响应,参考电路如图 2 所示。用该方法构成的 BPF 通带较宽,可满足滤波抑制低于 $3 0 0 \mathrm { H z }$ 和高于 $3 \mathrm { k H z }$ 的信号,电路的低通和高通参数类似,可根据通带增益、截止频率和品质因数的公式求得:
$\mathrm { A } _ { \mathrm { u P } } = 1 + { \frac { \mathrm { R } _ { \mathrm { f } } } { \mathrm { R } _ { 1 } } }$ 通带增益$\mathrm { f _ { o } } = { \frac { 1 } { 2 \pi \mathrm { R C } } }$ 截止频率${ \mathsf Q } = \frac { 1 } { 3 - { \mathsf A } _ { \mathrm { u P } } }$ 品质因数

图 2 宽带 BPF 滤波电路
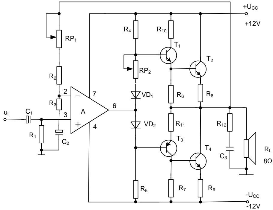
$\textcircled{3}$ 功率放大电路:功率放大的主要作用是向负载提供功率,要求输出功率尽可能大,转换功率尽可能高,非线性失真尽可能小。按题目要求,采用分立元件设计 OCL 互补对称功放电路,采用采用集成运放驱动的OCL功放电路,参考电路如图3所示。

图 3 典型的 OCL 功率放大电路
$\textcircled{4}$ 电源电路:可以采用工频变压器、整流桥堆、滤波电容和三端稳压集成块组成。变压器把 $2 2 0 \mathrm { v }$ , $5 0 \mathrm { H z }$ 的交流电变换成双 12V 的交流电,然后经过整流桥堆、滤波电容、三端稳压集成 LM7812 和 LM7912 后,得到 $\pm 1 2 \mathrm { V }$ 的电压。
8. 教学实施进程
为使整个实验教学顺利进行,制订了详细的教学计划,教学实施进程见表 1。
表1 教学实施进程表:
岭南师范学院信息工程学院
项目教学实施进度表
项目名称:宽带 BPF语音放大器的设计与实现
| 序号 | 实施环节 | 课内 | 课外 | 分工 | 备注 |
| 1 | 案例分析和讲解、布置任务 | 2 | 2 | 教师上课 | 集中 |
| 2 | 查找资料、确定设计方案并完成预习报告 | 4 | 学生自学 | 分散 | |
| 3 | 现场制作并完成安装调试、性能指标测试 | 4 | 6 | 教师学生 | 集中(教师指导4课时) |
| 4 | 项目验收及答辩 | 2 | 2 | 教师学生 | 集中 |
| 5 | 撰写实验报告 | 2 | 学生 | 分散 | |
| 6 | 实验报告的批改和成绩评定 | 老师 | 分散 | ||
| 合计 | 8 | 16 | |||
9. 实验报告要求
实验报告是培养和锻炼学生以书面的形式进行数据处理和分析的能力,教师可从批改实验报告的过程中看出学生的实验数据是否真实,实验结论是否符合要求,从而反映出学生对实验的掌握情况。报告主要包含以下内容:
1) 设计的任务和要求分析
2)设计方案的论证及选择
$\textcircled{1}$ 各单元电路的参数计算
$\textcircled{2}$ 元器件的选择
$\textcircled{3}$ 具体电路的设计
3) 制作及调试过程
$\textcircled{1}$ 焊接调试流程$\textcircled{2}$ 调试时发现的问题及解决办法。
4) 性能指标的测试
$\textcircled{1}$ 测试仪器$\textcircled{2}$ 测试的数据$\textcircled{3}$ 数据分析及讨论
5) 实验总结
$\textcircled{1}$ 实验的心得及体会$\textcircled{2}$ 对本课程的建议
6)参考文献
10.考核要求与方法(限 300 字)
1) 考核方式:课前预习报告 $^ +$ 实物测试 $^ +$ 实验答辩 $^ +$ 实验报告
$\textcircled{1}$ 课前预习报告——满分为100分,占总成绩评定的 $2 0 %$ 。
$\textcircled{2}$ 实物测试——满分为 100 分,占总成绩评定的 $5 0 %$ 。
$\textcircled{3}$ 实验答辩——满分为 100 分,占总成绩评定的 $1 0 %$ 。
$\textcircled{4}$ 实验报告——满分为 100 分,占总成绩评定的 $2 0 %$ 。
2)评分表(见表 2和表3)
11.项目特色或创新(可空缺,限 150 字)
项目的特色在于:
1)基础性:以项目作为牵引,将项目分成几个单元模块,是项目研究的基础。
2)综合性和设计性:各模块单独完成后,再级联成一个整体的系统,实现指定的功能,
培养学生的系统设计方法。
3) 实验内容以工程项目为背景进行设计,更能培养学生的工程实践能力和创新能力。
4)实验过程循序渐进、不断提高、分层培养和注重创新。
岭南师范学院电工电子实验教学中心
项目作品评分表(实物部分)
项目名称:宽带 BPF 语音放大器的设计与实现
任课教师: 验收时间: 年 月 日 作品成绩:组员 1:姓名: 学号: 专业: 班别:组员 2:姓名: 学号: 专业: 班别:
| 序号 | 测试内容 | 评分标准 | 测试结果 | 得分 |
| 1 | 前置放大器(共30分) | ①输入信号ui≤10mV②输入阻抗:Ri≥100kΩ③共模抑制比:KcMR1≥60dB达到基本要求(20 分),超出基本要求10%的(30 分),其他基于基本要求的,酌情加减分。 | ①输入信号:②输入阻抗:③共模抑制比: | |
| 2 | BPF 滤波器(共20分) | ①带通频率范围:300Hz~3k Hz达到基本要求(20分),其他基于基本要求的,酌情加减分。 | ①带通频率范围: | |
| 3 | 功率放大器(共30分) | ①最大不失真功率Pom≥5W②电源提供的直流功率Pv≥6.5W③效率大于60%④直流输出电压:Uo≤50mV(输入短路时)③静态电源电流:Io≤100mA(输入短路时)达到基本要求(20分),超出基本要求10%的(30分),其他基于基本要求的,酌情加减分。 | ①最大不失真功率②电源提供的直流功率③效率大于④直流输出电压③静态电源电流 | |
| 4 | 电源(共5分) | ①电源整流滤波输出:+12V②电源整流滤波输出:-12V达到基本要求(5 分),其他基于基本要求的,酌情加减分。 | ①电源整流滤波输出②电源整流滤波输出 | |
| 5 | 正确使用仪器(共5分) | 正确使用信号发生器、示波器和万用表等仪器设备(5分),不规范使用仪器的,酌情扣分。 | ||
| 6 | 布局和焊接(共5分) | 电路布局合理,条理清楚,焊接工艺良好的(5分);其他的,酌情扣分。 | ||
| 7 | 试听(共5分) | 声音清晰,效果好的(5分),其他的,酌情扣分。 |
岭南师范学院电工电子实验教学中心
项目作品评分表(报告和答辩)
项目名称:宽带BPF语音放大器的设计与实现任课教师: 验收时间: 年 月 日 作品成绩:
| 组员1:姓名: 学号: 专业: 班别: | ||
| 实验预习报告评分 预习成绩(满分100分)):_分 | ||
| 预习报告内容 | 评分 | 备注 |
| 1.前置放大电路原理图及仿真(15分) | ||
| 2.BPF 滤波电路原理图及仿真25分) | ||
| 3.功率放大电路原理图及仿真(30分) | ||
| 4.电源电路原理图(10分) | ||
| 5.各单元电路级联后总电路及仿真结果(20分) | ||
| 实验答辩评分 答辩成绩(满分100分):分 | ||
| 答辩主要内容 | 评分 | 备注 |
| 1.系统电路的设计思路及工作原理(30 分) | ||
| 2.电路参数的计算(20分) | ||
| 3.元器件的选择(10分) | ||
| 4.电路的安装与调试遇到问题及解决办法(30分) | ||
| 5.性能指标的测试(10分) | ||
| 实验设计报告评分 实验报告成绩(满分100分):分 | ||
| 报告内容 | 评分 | 备注 |
| 1.设计的任务和要求分析(5分) | ||
| 2.设计方案的论证及选择(30分) | ||
| ①各单元电路的参数计算(10分) | ||
| ②元器件的选择(10分) | ||
| ③具体电路的设计(10分) | ||
| 3.制作及调试过程(20分) | ||
| ①焊接调试过程(5分) | ||
| ②调试时发现的问题及解决办法。(15分) | ||
| 4.性能指标的测试(25 分) | ||
| ①测试仪器(5分) | ||
| ②测试的数据(10分) | ||
| ③数据分析及讨论(10分) |
| 5.实验总结(15分) |
| ①实验的心得及体会(10分) |
| ②对本课程的建议(5分) |
| 6.参考文献(5分) |
实验案例信息表
| 案例提供单位 | 岭南师范学院 | 相关专业 | 电子信息工程 | |||
| 设计者姓名 | 梁启文 | 电子邮箱 | zjlqw09@126.com | |||
| 移动电话 | 13659786292 | 通讯地址(含邮编) | 广东省湛江市赤坎区寸金路 29号岭南师范学院 (524048) | |||
| 设计者姓名 | 龙世瑜 | 电子邮箱 | 861355362@qq.com | |||
| 移动电话 | 13828240063 | 通讯地址(含邮编) | 广东省湛江市赤坎区寸金路 29号岭南师范学院 (524048) | |||
| 设计者姓名 | 林汉 | 电子邮箱 | Linh2001@163.com | |||
| 移动电话 | 13802825837 | 通讯地址(含邮编) | 广东省湛江市赤坎区寸金路 29号岭南师范学院 (524048) | |||
| 相关课程名称 | 模拟电子技术 | 学生年级 | 二年级 | 学时(课内+课外) | 8+16 | |
| 支撑条件 | 仪器设备 | 信号发生器、示波器、万用表 | ||||
| 软件工具 | Multisim、Proteus | |||||
| 主要器件 | 电源变压器、三端稳压集成、运算放大器、三极管、二极管及电阻电容等 | |||||