小车循迹系统设计
第十届全国高校电工电子基础课程实验教学案例设计竞赛(鼎阳杯)
“小车循迹系统设计”实验项目设计报告
目录
- 课程简要信息.
- 实验内容与任务.
- 实验过程及要求.
- 相关知识及背景. 4
- 实验环境条件.. 4
- 教学目标与目的.. . 6
- 教学设计与实施进程. . 6
- 实验原理及方案. . 8
- 实验报告要求... . 16
- 考核要求与方法. . 17
- 项目特色或创新... . 18
附件 1:实验报告评阅参考标准. 19
附件 2:《微处理器与接口技术》教学大纲. ..20
实验题目:小车循迹系统设计
1. 课程简要信息
课程名称:微处理器与接口技术(省级线上线下混合一流课程、省级创新创业示范课、课程入选国家级和省级高等教育智慧教育平台,课程案例入选“高校在线开放课程联盟联席会”“慕课十年典型案例”)
课程学时:40(理论) $+ 2 0$ (实践),教学大纲见附件2
项目学时:课内 4学时,课前约3学时,课后约2学时,实验室现场实验
适用专业:电子信息工程
学生年级:大二下期

图 1 课程建设主要成果
2. 实验内容与任务(限500 字,可与“实验过程及要求”合并)
项目需要完成的任务(如需要观察的现象,分析某种现象的成因、需要解决的问题等);是否设计有不同层次的任务。
基于自研实验小车板载资源、自选扩展资源,整合前5个实验项目成果,实现小车循迹运行一周。其中单片机P4口工作在输入模式,其高3位连接3路红外循迹传感器;单片机P2口工作在输出模式,其高6位通过双路电机驱动芯片TB6612FNG 驱动2路直流电机;P7为LED 数码管段码输出, ${ \mathrm { P 6 . 0 { \sim } P 6 . 5 } }$ 为LED数码管位选输出,P6.6 控制蜂鸣器,P6 口输出经ULN2803 后,驱动数据管的位和蜂鸣器。
观察小车运行过程中的出轨现象,深入分析影响小车循迹行进速度的相互制约因素,试编程实现以下任务。
1) 基本任务
(1)编写程序,正确读取红外循迹传感器的状态;
(2)编写 PWM 程序,驱动电机按不同速度前行和转向;
(3)编写循线逻辑程序,实现小车运行状态控制;
(4)编写程序,使小车按既定轨道循迹运行;
2)高阶任务
(5)利用LED流水灯,指示小车行进状态;
(6)加快小车运行速度,完成此项任务的同学参与竞速评奖;
(7)在数码管上分别显示两个电机PWM 的占空比;
(8)其他自选功能。
3)竞速评奖
完成第6项高阶任务的同学,将程序下载到100号小车,对小车沿指定轨道循迹一周用时进行排名,每位同学只有一次机会。
小组排名第一:视同完成一项高阶任务;
班级排名第一:视同完成一项高阶任务;
年级排名第一:作为年级纪录,迎接下一届同学的挑战。
3. 实验过程及要求(限300字)
如对学生在实验过程中在需求分析、资料查询、自学预习、思考讨论、方法设计、进程规划、软件仿真、平台构建、器件选择、表格设计、现象观察、数据测试、问题分析、总结报告、验收答辩、演讲交流等各方面的要求。
实验过程包括三个环节:课前、课中和课后,具体要求如下:
1)第一环节:课前任务
(1)在学习通平台自主学习在线视频11.6节
(2)完成小车循迹运行基本任务
(3)自主完成高阶实验任务
2)第二环节:课中任务
(1)学生优化高阶任务,老师答疑
(2)学生汇报演示成果,接受老师质询
(3)老师讲解共性突出问题
(4)竞速比赛
3)第三环节:课后任务(1)撰写图文并茂的实验报告
学生在 $5 \sim 8$ 页篇幅内,尽可能完美地展现自己的实验成果,采用三明治评价法,反思实验过程。
(2)开展生生互评
学生依据互评指标,匿名评价5位同学实验报告。
(3)经验交流
小组冠军和班级冠军,分别在本班课堂上分享解决问题的思路、方法,调试过程中的经验和教训。
(4)教师点评
教师点评解决问题的思路和方法。
(5)学生持续改进学生自行持续改进,不再参与考核。


图 2实验过程照片
4. 相关知识及背景(限150字)
项目涉及所需的知识方法、实践技能、应用背景、工程案例。
这是单片机技术在测控领域解决工程实际问题的典型应用。跨学科融合单片机、传感器和电机控制等技术,提升解决复杂工程问题的能力。理解小车运行原理,分析影响小车行进速度的因素,设计程序,改变红外传感器状态的采样频率,调整PWM 占空比,实时修正电机转速差来改变行进速度和方向,在保证循迹的前提下,减少单周运行时间。
5. 实验环境条件
项目实施需要实验资源,包括实验装置功能、实验仪器设备、设计软件工具、主要电子元器件等。
本项目依托全要素校本化教学资源——120 台自研实验小车、科学出版社出版的自编实验教材和学银在线发布的自建线上微课资源,开展线上线下混合式教学(省级线上线下混合式一流课程),硬件实体实验也能突破时空限制。
实验仪器:微型计算机、自研实验小车(校级优秀自制实验教学仪器)、示波器、数字万用表等。
实验小车在学期之初,按 1 生 1 台配置,发放给学生,结课后收回,配合学生电脑,
开展个性化学习。
在线资源:超星MOOC 自建实验教学微课资源(省级创新创业示范课程),“循迹小车系统实验”
实验教材:单片机与 FPGA 实验教程(科学出版社,2017),自编教材
软件工具:KEIL、STC-ISP、立创 EDA
自选元件:学生可根据自选高阶任务的需要,设计实施方案和电路,选择相应传感器模块,如红外循迹模块、超声波测距模块、OLED显示模块等。

图 3自编教材

图 4 自研实验小车
图 5 线上资源门户截图
图 6 课程主要资源截图
课程资源统计
| 课程数据基础 | 授课视频总数量 | 139个 | 视频总时长 | 1621分钟 | 课程资源总数 | 430个 |
| 测验和作业的习题总数 | 1106道 | 考试题库总数 | 1120道 | |||
| 课程课外学习资料 | 非视频资源总数 | 87个 | 课程公告总数 | 20次 | ||

图 7 线上微课资源目录截图和小车循迹竞速比赛现场照片
6. 教学目标与目的(限150字)
如学习、运用知识、技术、方法等;培养、提升技能、能力、素质等。
- 知识目标:能描述、解释 GPIO、定时器、PWM 和红外循迹原理和方法;
- 能力目标:能够运用KEIL,调试小车在循迹过程中遇到的定时器、GPIO、PWM
调速等工程实践中的相关问题。 - 素质目标:分析影响小车循迹速度的要素,修改系统设计以追求更快循迹速度。
- 价值目标:在失败与成功的交替中超越自我,提升工程素养,崇尚工匠精神。
7. 教学设计与实施进程
课堂知识讲解、方法引导、背景解释;实验中的方法指导,问题设置、思路引导等。教学模式、实验渠道、研讨主题、观察节点、验收重点、质询问题等方面设计等。实验实施进程的各个环节(如任务安排、预习自学、现场教学、分组研讨、现场操作、结果验收、总结演讲、报告批改等)中教学设计的思路、目的,教师、学生各自需要完成的工作任务,需要关注的重点与细节。
1) 学情分析
本实验是《微处理器与接口技术》课程的实践环节,与理论课教学同步进行。
本实验是 6 个实验项目中的最后一个,经过理论课学习和前5个实验项目的训练,学生已经掌握了小车基本资源的工作原理、程序设计方法、软硬件协同调试的基本方法和技巧,具备了本实验顺利开展的基本条件。
2) 教学设计思路
在最近发展区理论指导下,结合新工科对学科融合和学生综合素养提升的要求,我们对课程实验内容进行重塑,利用第三代自研实验教学平台“单片机实验小车”,开设综合设计型实验,开展线上线下混合式教学。采用项目驱动方式,将小车循迹运行项目分拆为6个实验子项目,环环相扣积木式项目设置,层层递进进阶式任务设计,点面结合辐射式学科融合,极限挑战浸润式思政融入,6 个子项目有机组合后完成小车竞速实验,在精益求精、不断超越自我的过程中,崇尚工匠精神。
表 1 环环相扣的积木的实验项目设置表
| 编号 | 项目名称 | 学 | 实验类型 | 两性一度 |
| 1 | 温度数据排序程序设计 | 4 | 综合型 | 采用线上线下混合式教学模式,学生课前预习所有项目设置基本任务、高阶任务、自行拓展任务项目积木式项目设置,进阶式任务设计,组合后完成小车竞速比赛学生逐项汇报任务完成情况,教师现场评定操作成绩课后撰写图文并茂的实验报告,分析实验结果,反思实验心得寓学于乐,通过高阶任务和自选任务的有机结合,提升了项目的高阶性和创新性,最后的竞速环节有效提升了项目的挑战度。 |
| 2 | 小车驱动控制模块设计 | 4 | 综合型 | |
| 3 | 数码管动态扫描显示模块设计 | 4 | 设计型 | |
| 4 | 电脑钟模块设计 | 4 | 设计型 | |
| 5 | PROTEUS 虚拟仿真模拟量转换模块设计 | 4 | 综合型 | |
| 6小车循迹系统设计 | 4 | 设计型 |
本实验是第6个子项目,是一个充满快乐和挑战的实践工程,学生需要理解单片机GPIO、定时/计数器、数码管显示等知识,跨学科掌握红外循迹传感器、直流电机转速控制等技术原理,并综合运用在小车循迹并竞速的实验项目中。实验过程需要经历方案设计与论证、硬件和软件分工协作、程序设计、软硬件协同调试、循迹运行、速度提升等过程。在实验教学中,需从以下方面加强对学生的引导,提升发现问题、分析问题和解决问题的能力。
- 实验过程中,通过巡回检查,对学生开展个性化指导
针对不同学生的表现,提出引导性问题,协助学生积极开展分析思考,寻求解决方案。
(1)影响小车行进速度的因素(2)直道和弯道判断方法(3)直路行进策略(4)弯道行进策略(5)速度过快问题(6)红外传感器状态采样频率问题(7)转弯差速问题
-
理解红外循迹传感器的工作原理,照射不同颜色时的输出状态。分析多个循迹传感器组合后的输出状态,以及与小车运行状态间的对应关系。并能通过程序设计,准确读取并识别小车运行状态。
-
掌握 PWM 模块编程方法,掌握通过 PWM 控制电机转速从而改变小车行进速度和转向的能力。
-
分析影响小车行进速度关键因素,发现行车速度与转向的矛盾冲突、速度与循迹传感器状态采样频率间的关系,寻求解决矛盾对立面间平衡关系的方案。
-
理解数码动态显示的原理,通过程序设计,在数码管或OLED 上实时显示PWM数据,呈现小车即时运行状态。
-
学生向老师汇报并演示实验任务完成情况,回答老师的提问。
-
通过竞速比赛,决出小组冠军、班级冠军及年级冠军。
-
分组实验完成后,在班级课堂上,小组冠军及班级冠军,在本班以演讲方式分享自己在实验中发现问题的过程、分析问题的思路及解决问题的办法,及实验过程的心得体会。
-
分组实验完成后,完成图文并茂的实验报告,反思实验过程。

图 8 小车竞速比赛结果公布截图
8. 实验原理及方案
实验的基本原理、设计依据、完成任务的思路方法,可能采用的方法、技术、电路、器件。
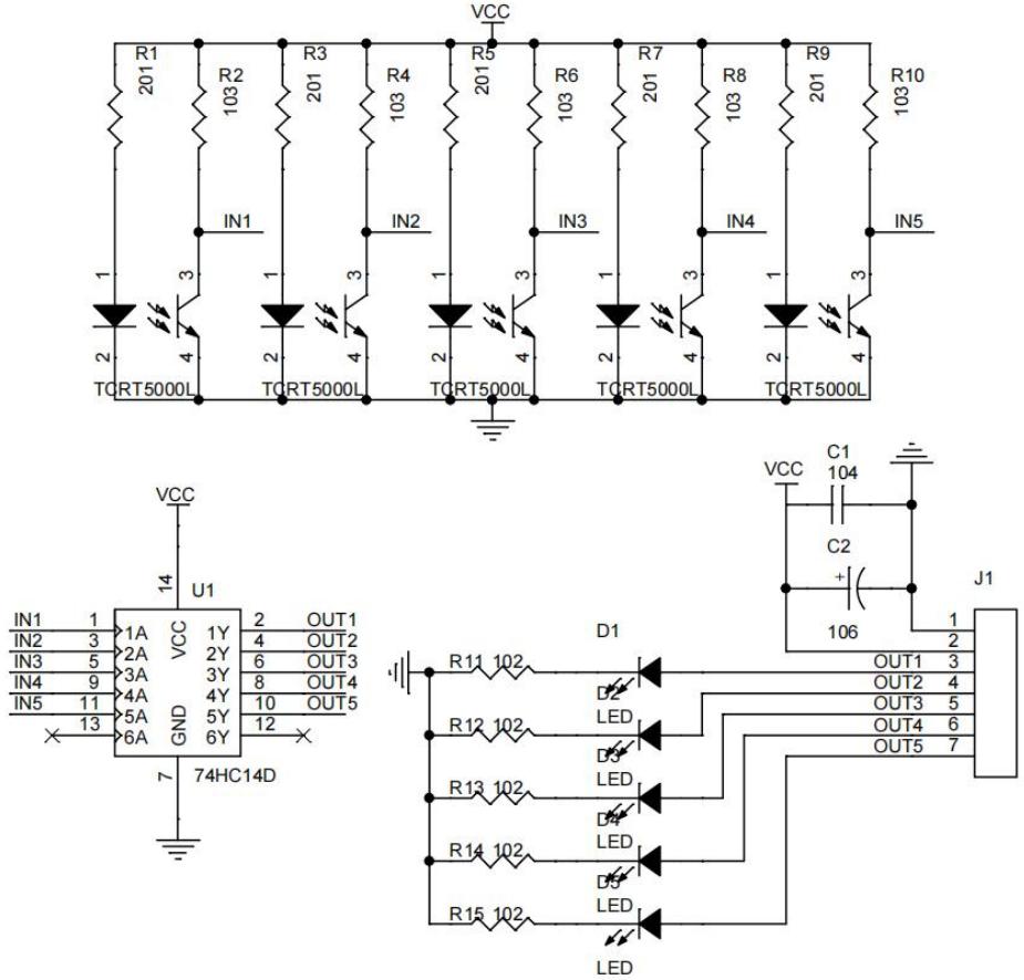
在小车控制应用中,经常需要让小车按既定线路巡游。为此,经常用黑线来代表小车行进轨迹,小车在红外循迹传感器的辅助下,按照既定黑线巡游。本实验利用单片机获取红外循迹传感器的状态,实现小车自动循迹运行。
1) 寻迹传感器工作原理
TCRT5000L 是一种反射式传感器,常用于小车循迹应用中。它由一个红外发射管和一个光敏三极管构成。其中在左边红外发射管通电后,就持续发射红外线;当 $1 5 \mathrm { m m }$ 内有非黑色障碍物时,反射红外线被光敏三极管接收,光敏三极管集电极与发射极导通;反之,当在有效距离内没有障碍物或障碍物是黑色时,无红外线反射,光敏三极管不能接收到红外线,光敏三极管集电极与发射极截止。
如图 9 所示,5 路 TCRT5000L传感器构成了循迹传感器组,R1、R3、R5、R7、R9为红外发射管提供直流偏置,R2、R4、R6、R8、R10 为光敏三极管提供集电极偏置。

图 9 5路循迹传感器电路原理图
当 $1 5 \mathrm { m m }$ 内有非黑色障碍物时,即传感器不在黑色轨迹线上,反射红外线被光敏三极管接收,光敏三极管集电极与发射极导通,光敏三极管集电极输出低电平;反之,当在有效距离内没有障碍物或障碍物是黑色时,即传感器处于黑色轨迹线上,无红外线反射,光敏三极管不能接收到红外线,光敏三极管集电极与发射极截止,光敏三极管集电极输出高电平。TCRT5000L 输出再经 74HC14D 施密特整形并反向输出;再将 74HC14D输出端连接到MCU的输入端口,通过读取输入端口的状态,即可获知传感器组的位置,从而为循迹提供依据。
本实验选用由三路 TCRT5000L 构成的循迹传感器组,其三路输出分别标识为OTL2、
OTL1 和 OTLC,依次连接至 IAP15W4K61S4 单片机的 P4.7、P4.6 和 P4.5,这三个端口应设置为准双向口状态,如图10所示。

图 10 循迹传感器组与单片机连接电路原理图
当循迹传感器组与轨迹线呈图 11状态时,中间循迹传感器处于黑色轨迹线上,左、右两个循迹传感器均未在黑色轨迹线上,其输出状态如表2 所示。当循迹传感器组与轨迹线呈图 12 状态时,右边循迹传感器处于黑色轨迹线上,左、中两个循迹传感器均未在黑色轨迹线上。当循迹传感器组与轨迹线呈图 13 状态时,左边循迹传感器处于黑色轨迹线上,右、中两个循迹传感器均未在黑色轨迹线上。

图 11 中路传感器压线图

图 12 右路传感器压线图

图 13 左路传感器压线图
表 2 循迹传感器输出状态表
| 图号 | P4.7 | P4.6 | P4.5 |
| 图11 | 1 | 0 | 1 |
| 图12 | 1 | 1 | 0 |
| 图13 | 0 | 1 | 1 |
小车工作状态如表 3所示,循迹传感器在不同状态时,小车工作在不同的状态。合
理设置检测循迹传感器状态的时间间隔和两个电机的转速差,可以实现小车自动循迹运行。表中的路径策略,可根据实际情况,灵活调整。
表 3 小车工作状态表
| P4.7 | P4.6 | P4.5 | 循迹传感器状态 | 转速设置 | 运行状态 |
| 0 | 0 | 0 | 传感器均在轨迹线上,无反射 | 左右转速相等 | 直行 |
| 0 | 0 | 1 | 左边两个传感器在线上 | 右边转速大于左边转速 | 左转 |
| 0 | 1 | 0 | 中间一个不在轨迹线上,一般不出现 | 左右转速相等 | 直行 |
| 0 | 1 | 1 | 左边1个在轨迹线上 | 右边转速大于左边转速 | 左转 |
| 1 | 0 | 0 | 右边2个在轨迹线上 | 右边转速小于左边转速 | 右转 |
| 1 | 0 | 1 | 中间1个在轨迹线上 | 左右转速相等 | 直行 |
| 1 | 1 | 0 | 右边一个在轨迹线上 | 右边转速小于左边转速 | 右转 |
| 1 | 1 | 1 | 都在轨迹线上 | 保持当前转速 | 保持状态 |
支持资源模块
witch(P4&0xe0) //V2 有反射,灯亮,输出1;无反射,灯灭,输出0case $0 \mathrm { { x } 0 0 }$ : //000,均在线上,均无反射,应直行$\mathrm { R I N } 1 = 1$ ;$\mathrm { R I N } 2 = 0$ ;LIN1 $= 0$ ;LIN2 $= 1$ ;$\mathrm { P } 2 \left| \mathrm { = } 0 \mathrm { X } 8 8 \right{ $ ; //左右电机同步启动valR $\circleddash$ MEDIUM; //前进valL MEDIUM;arry3[4]=0x30;arry3[5]=0x30;arry3[6]=0x30;forwordCn ${ \boldsymbol { \mathbf { \mathit { \sigma } } } } = 0$ ;break;
default: $\begin{array} { r } { { \tt R I N 1 } = 1 ; } \ { { \tt R I N 2 } = 0 ; } \end{array}$
LIN1 $= 0$ ; LIN2 $= 1$ ; $\mathrm { P } 2 | { = } 0 \mathrm { X } 8 8$ ; //左右电机同步启动 forwordCn ${ \boldsymbol { \mathbf { \mathit { \sigma } } } } = 0$ ; break; //前进直走 }
- 电机驱动芯片工作原理
TB6612FNG 是基于 MOSFET 的 H 桥电机驱动集成电路,效率远高于晶体管 H 桥驱动器;相较于 L298N,TB6612FNG 无需外加散热片,外围电路简单,只需外接电源滤波电容。TB6612FNG 的工作原理及内部结构见实验一。
我们将 P2 端口的 ${ \mathrm { P } } 2 . 2 { \mathrm { \sim } } { \mathrm { P } } 2 . 7$ 连接电机驱动芯片 TB6612FNG,用于控制小车两个电机正转或反转,从而控制小车运动状态;甚至还可通过PWM 输出,改变电机转速。电机驱动模块电路原理如图14所示。

图 14 电机驱动模块电路原理图
图14中,电机驱动电源VM1、VM2和VM3直接采用两节18650三元锂电池串联供电,供电电压为8.4V;VM1经三端集成稳压集成电路AMS1086CD稳压至5V,为ISP15W4K61S4单片机VCC和TB6612FNG提供电源并共地;C8、C9、C10和C11是TB6612FNG的滤波电容;P2.5、P2.6和P2.7控制右边电机,其中P2.5、P2.6用于控制电机的旋转方向,P2.7用于改变占空比,从而改变电机的转速;P2.4、P2.2和P2.3控制左边电机,其中P2.4、P2.2用于控制电机的工作旋转方向,P2.3用于改变占空比,从而改变电机的转速。TB6612FNG可以同时驱动两路电机,实现两轮独立驱动。J3是一个短路插座,当我们需要另外扩展电路,改变P2口的功能时,可以取掉短路帽,采用杜邦线从J3左边引出P2,用于连接其他电路。F2和F3是自恢复保险丝,当电机负载过重造成电流过大时,保险丝开路,以保护TB6612FNG;当电机负载变轻时,保险丝自动恢复导通,电机正常受控。P7和P8分别是右电机和左电机的插座,方便快速连接电机。
如表4所示,各引脚状态控制左右电机运行状态改变,可以实现电机正转、反转和停转,从而实现小车前进、后退和停止。实验中,我们可以通过改变PWM占空比来调整电机转速,从而控制小车运行速度;还可以改变红外循迹传感器的采样时间,或者调整左右电机转速差,来实现小车转向角度、灵敏度等参数改变,从而实现小车循迹运行。
表 4 电机控制与运行状态表
| 右电机 | 左电机 | 电机运行状态 | ||||
| P2.7 | P2.6 | P2.5 | P2.3 | P2.4 | P2.2 | |
| PWM | 方向控制 | PWM | 方向控制 | |||
| 1 | 0 | 1 | 1 | 1 | 0 | 正转 |
| 1 | 1 | 0 | 1 | 0 | 1 | 反转 |
| 0 | × | X | 0 | X | × | 停止 |
支持资源模块
P_PWMMR $\scriptstyle = 0$ ; //右电机同步停止 P_PWMML ${ } _ { , = 0 }$ ; //左电机同步停止 $\mathrm { R I N } 1 = 1$ ; //右电机正转
$\mathrm { R I N } 2 = 0$ ;
LIN1 $= 0$ ; //左电机正转
LIN2 $= 1$ ;
P_PWMMR $= 1$ ; //右电机启动
P_PWMML $_ { , = 1 }$ ; //左电机启动
- PWM 模块工作原理
STC15W4K32S4系列单片机集成了彼此独立的6路增强型的PWM波形发生器。PWM波形发生器内部有一个15位的PWM计数器供6路PWM使用,用户可以设置每路PWM的初始电平。另外,PWM波形发生器为每路PWM又设计了两个用于控制波形翻转的计数器T1/T2,可以非常灵活的每路PWM的高低电平宽度,从而达到对PWM的占空比以及PWM的输出延迟进行控制的目的。
本实验利用PWM2和PWM5,产生两路PWM信号,驱动TB6612FNG。实现对左、右两路电机的转速和方向控制。PWM波形发生框图如图15所示。PWMCH、PWMCL是一个15位的寄存器,其值是PWM的周期。
PWM波形发生器内部的计数器从0开始计数,每个PWM时钟周期,计数器加1,当内部计数器的计数值达到[PWMCH,PWMCL]所设定的PWM周期时,PWM波形发生器内部的计数器将会从0重新开始开始计数,前一个PWM周期结束,开启新的PWM周期,如此循环往复。

图 15PWM波形发生器结构框图
计数器的计数频率由SYSclk分频后提供,其分频比由寄存器PWMCKS设置,其各位含义如表5所示。本实验选用系统时钟作为计数脉冲源。
表 5 PWMCKS寄存器位功能表
| SFR name | Address | bit | B7 | B6 | B5 | B4 | B3 | B2 | B1 | B0 | Reset Value |
| PWMCKS | FFF2HXSFR | name | - | - | - | SELT2 | PS[3:0] | 0000,0000B | |||
SELT2:PWM 时钟源选择
0:PWM 时钟源为系统时钟经分频器分频之后的时钟。
1:PWM 时钟源为定时器2的溢出脉冲。
PS[3:0] :系统时钟预分频参数。
当SELT2 $\scriptstyle \longmapsto = 0$ 时,PWM时钟为系统时钟 $' ( \mathrm { P S } [ 3 { : } 0 ] { + } 1 )$ 。
PWM波形发生器内部的计数器从0开始计数后,PWM2引脚输出由PWMCFG定义的初始电平,本实验初始电平为低电平;计数过程中,计数器不断与PWM2T1H、PWM2T1L比较,当二者相等时,PWM2输出发生第一次翻转,由初始的低电平翻转为高电平;然后,计数器不断与PWM2T2H、PWM2T2L比较,当二者相等时,PWM2输出发生第二次翻转,由高电平翻转为低电平;当计数器与PWMCH、PWMCL相等时,结束一个PWM周期并开启新的PWM周期,周而复始。
PWM5的工作原理与PWM2相同,仅将相应的特殊功能寄存器名置换即可。
需要注意的是,所有与PWM相关的端口,在上电后均为高阻输入态,必须在程序中将这些口设置为双向口或强推挽模式才可正常输出波形。
访问位于扩展RAM区的特殊功能寄存器PWMCFG,须将EAXSFR位置为1。
增强型PWM波形发生器PWM2、PWM5相关的特殊功能寄存器如表6所示。
表 6 与 PWM2、PWM5 相关的特殊功能寄存器表
| 符号 | 描述 | 地址 | 位址及符号 | 初始值 | |||||||
| B7 | B6 | B5 | B4 | B3 | B2 | B1 | B0 | ||||
| P_SW2 | 端口配置寄存器 | BAH | EAXSFRDBLPWR | EAXSFRDBLPWR | P31PU | P30PU | : | S4_S | S3_S | S2_S | 0000,0000 |
| PWMCFG | PWM配置 | F1H | - | CBTADC | C7INI | C6INI | C5INI | C4INI | C3INI | C2INI | 0000,0000 |
| PWMCR | PWM控制 | F5H | ENPWM | ECBI | ENC70 | ENC60 | ENC50 | ENC40 | ENC30 | ENC20 | 0000,0000 |
| PWMCH | PWM 计数器高位 | FFF0H | PWMCH[14:8] | x000,0000 | |||||||
| PWMCL | PWM计数器低位 | FFF1H | PWMCL[7:0] | 0000,0000 | |||||||
| PWMCKS | PWM时钟选择 | FFF2H | - | SELT2 | PS[3:0] | xxx0,0000 | |||||
| PWM2T1H | PWM2T1计数高位 | FF00H | PWM2T1H[14:8] | x000,0000 | |||||||
| PWM2T1L | PWM2T1计数低位 | FF01H | PWM2T1L[7:0] | 0000,000 | |||||||
| PWM2T2H | PWM2T2计数高位 | FF02H | PWM2T2H[14:8] | x000,0000 | |||||||
| PWM2T2L | PWM2T2计数低位 | FF03H | PWM2T2L[7:0] | 0000,000 | |||||||
| PWM2CR | PWM2控制 | FF04H | = | ■ | PWM2_PS | EPWM2I | EC2T2SI | EC2T1Sxxxx,0000 | EC2T1Sxxxx,0000 | ||
| PWM5T1H | PWM5T1计数高位 | FF30H | PWM5T1H[14:8] | x000,0000 | |||||||
| PWM5T1L | PWM5T1计数低位 | FF31H | PWM5T1L[7:0] | 0000,0000 | |||||||
| PWM5T2H | PWM5T2计数高位 | FF32H | PWM5T2H[14:8] | x000,0000 | |||||||
| PWM5T2L | PWM5T2计数低位 | FF33H | PWM5T2L[7:0] | 0000,0000 | |||||||
| PWM5CR | PWM5控制 | FF34H | 1 | - | PWM5_PSEPWM5I | PWM5_PSEPWM5I | EC5T2SI | EC5T1ST | xxxx,0000 | ||
上表中所列特殊功能寄存器,与PWM2、PWM5相关,其功能描述,请参见STC15系列单片机数据手册。
- PWM 模块编程方法
PWM模块的使用初始化步骤:
(1)设置P2M1、P2M0,确定PWM输出端口引脚的工作模式
(2)设置P_SW2寄存器,将EAXSFR置1,允许访问扩展SFR
(3)设置PWMCFG,配置PWM输出的初始电平
(4)设置PWMCKS,确定PWM的计数时钟频率
(5)设置PWMC,确定PWM的计数周期
(6)设置PWMnT1,确定PWMn第一次翻转的计数器初值
(7)设置PWMnT2,确定PWMn第二次翻转的计数器初值
(8)设置PWMnCR,确定PWMn的输出引脚和初始化PWMn中断使能位
(9)设置PWMCR寄存器,允许PWM波形输出(10)设置P_SW2寄存器,将EAXSFR置0,禁止访问扩展SFR
初始化完成后,PWM对应输出引脚按设定参数周期性输出PWM脉冲;当需要改变PWM占空比时,重复步骤2、7、10即可。
PWM 支持资源模块
void PwmInit(void) {
$\mathrm { P } _ \mathrm { S W } 2 \vert = 0 \mathrm { x } 8 0 $ ; //访问位于扩展RAM区的SFR,须将EAXSFR位置为1
$\mathrm { P W M C F G } = 0 \mathrm { x } 0 0 $ ; //配置PWM的输出初始电平为0,在PWM2T1处第1次翻转,//在PWM2T2处第2次翻转
PWMCKS = 0x00; //选择PWM的时钟为系统时钟
$\mathrm { P W M C } = \mathrm { C Y C L E }$ ; //设置PWM计数器周期
$\mathrm { P W M } 2 \mathrm { T } 1 = 0 \mathrm { x } 0 0 1 0$ ; //设置PWM2第1次反转的PWM计数
PWM2T2 $=$ CYCLE *valR/100+0x0010;//设置PWM2第2次反转的PWM计数
$\mathrm { P W M } 5 \mathrm { T } 1 = 0 \mathrm { x } 0 0 1 0$ ; //设置PWM5第1次反转的PWM计数
$\mathrm { P W M 5 T 2 } = \mathrm { C Y C L E } ^ { * } \mathrm { v a l L } / 1 0 0 + 0 \mathrm { x } 0 0 1 0 ;$ //设置PWM2第2次反转的PWM计数//占空比为(PWM2T2-PWM2T1)/PWMC
PWM2CR = 0x08; //选择PWM2输出到P2.7,不使能PWM2中断
$\mathrm { P W M S C R } = 0 \mathrm { x } 0 0 $ //选择PWM5输出到P2.3,不使能PWM5中断
$\mathrm { P W M C R } \mid = 0 \mathrm { x } 0 1$ ; //使能PWM2信号输出
$\mathrm { P W M C R } \mathrel { \lvert } = 0 \mathrm { x } 0 8$ ; //使能PWM5信号输出
$\mathrm { P W M C R } \mid = 0 \mathrm { x } 8 0$ ; //使能PWM模块,PWM计数器开始计数
$\mathrm { P } _ { \mathrm { S W } 2 } & = \sim 0 \mathrm { x } 8 0 $ //更新位于扩展RAM区的SFR后,禁止访问XSFR
上述程序模块中,修改valL、valR可分别调节左右轮电机占空比,从而调整转速及小车行进速度。
9. 实验报告要求
需要学生在实验报告中反映的工作(如:实验需求分析、实现方案论证、理论推导计算、设计仿真分析、电路参数选择、实验过程设计、数据测量记录、数据处理分析、实验结果总结等等),如:
本实验采用电子版实验报告,在学习通系统中提交,方便开展生生互评。至少应包括以下内容:
- 实验目的
- 实验任务仅撰写自己已完成的任务。
- 实验原理用自己的语言,简明扼要的阐述实验原理。
- 实验程序画出对应已完成任务的程序流程图,并给出关键代码。
- 实验总结与反思本部分主要包含两部分内容:实验结果及分析、实验心得体会。实验结果及分析应简述实验结果,图文并茂展示实验结果,分析原因。
实验心得体会应简述在实验过程中遇到过的困难,如何解决?通过本实验,有哪些收获?本实验经过修改后,可用于什么场合?
实验报告篇幅宜介于 5~8 页区间,在满足基本框架要求的前提下,允许学生根据实际情况增加要点,强调图文并茂,以最佳方式呈现实验过程、实验结果和实验心得,评分时不会因为长篇幅而得分更高。
10.考核要求与方法(限300字)
考核的节点、时间、标准及考核方法。
实验考核分为实验操作和实验报告两大部分,各占 $50 %$ ,采用定量与定性相结合的评价方法,由教师评价与学生互评相结合。
1) 实验操作
实验操作采用过程化评价方式,评价项目包括以下5项。在实验截止时完成记录,并向学生公开,力求公正、公平、公开。
(1)线上视频学习: $20 %$ (2)基本任务完成情况: $30 %$ (3)基本任务汇报表现: $10 %$
(4)高阶任务完成情况:每完成一个高阶任务,或自选任务,经检查确认后,计$10 %$ 。
(5)竞速比赛成绩:小组冠军加 $10 %$ 、班级冠军加 $10 %$ ,部分超过 100 分的,在实验总评中,额外加 1分。
- 实验报告
实验报告得分由两部分构成,教师评价占 $60 %$ ,生生互评占 $40 %$ 。
(1)实验报告结构完整性: $20 %$ (2)实验原理阐述条理性: $20 %$ (3)实验程序的规范性: $20 %$ (4)结果展示的规范性: $20 %$ (5)实验心得体会的质量: $20 %$
| 班级: | 202007 | 学号: | 2020070742 | 姓名: | 熊钱红 |
| 专业:电子信息工程 | 专业:电子信息工程 | 实验地点: | 第一实验楼北315 | 实验日期: | 20220525 |
| 实验时段: | 13:00-16:00 | 实验成绩: | 95 | 指导老师: |
实验五小车循迹系统设计
一、实验目的
掌握红外循迹传感器状态读取原理:掌握循线逻辑编程方法:掌提电机驱动原理和编程方法:掌握PWM调速原理和编程方法
二、实验任务
1、任务一描述:编写程序,正确读取红外循迹传感器的状态。
2、任务二描述:编写PM程序,驱动电机按不同速度运行。
3、任务三描述:编写循线逻辑程序,实现小车运行状态控制。
4、任务四描述:编写程序,让小车按既定轨道运行。
5、任务五描述:利用1ed流水灯指示小车行进状态。
6、任务六描述:给小车做加速并且能够正常运行在线圈上。
7、任务七描述:在数码管上分别显示两个电机的占空比。
三、实验原理
1、循迹传感器组:TCRT5000L是一种反射式传感器,常用于小车循迹应用中。它由一个红外发射管和一个光敏三极管构成。其中在左边红外发射管通电后,就持续发射红外线:当15mm内有非黑色障碍物时,反射红外线被光敏三极管接收,光敏三极管集电极与发射极导通:反之,当在有效距离内没有障碍物或障碍物是黑色时,无红外线反射,光敏三极管不能接收到红外线,光敏三极管集电极与发射极截止。
如图1所示,5路TCRT5000L传感器构成了循迹传感器组,R1、R3、R5、R7、R9为红外发射管提供直流偏置,R2、R4、R6、R8、R10为光敏三极管提供集电极偏置。当15m内有非黑色障碍物时,即传感器不在黑色轨迹线上,反射红外线被光敏三极管接收,光敏三极管集电极与发射极导通,光敏三极管集电极输出低电平:反之,当在有效距离内设有障碍物或障碍物是黑色时,即传感器处于黑色轨迹线上,无红外线反射,光敏三极管不能接收到红外线,光敏三极管集电极与发射极截止,光敏三极管集电极输出高电平。TCRT5000L输出再经74HC14D施密特整形并反向输出:再将74HC14D输出端连接到MCU的输入端口,通过读取输入端口的状态,即可获知传感器组的位置,从而为循迹提供依据。
实验总结
1、实验结果
基本任务:全部完成
高阶任务:数码管显示占空比,LED显示左右转,通过适当提高采样率,与PWM协同,提高的小车行进速度,测试为9.67S。

2、实验心得
简述在实验过程中遇到过的困难,如何解决?
实验中遇到的第一个困难就是老师学习通给的基础代码有错,有些函数定义没给,是通过观看视频以及kei1的编译警告提示将其更正过来的;
第二个就是老师给的代码给的占空比特别小,所以需要自己调节占空比才能有更好的速度,我发现把占空比调到99小车就不能动了,还有转弯的转速差,太小就转不过来出界,太大由于传感器不能敏锐判别是否在弯道,所以在直走的情况下会出现多走的情况,然后我想调节时钟,提高红外传感读取速度,起先跳的时钟很短,电机直接不动了,老师告诉我说是时间太短,电机反应不过来。虽然调时钟调的我最后跑出了跑道,但是我觉得这个方法是能行的,勇于尝试才是面对生活的态度。
通过本实验,有哪些收获?
这次小车实验,结合了许多我们这个学期学到的知识,其中有状态机的实现,时间中断函数的使用,人机交互中数码管的显示等,将这些结合在一起加上原有的硬件最终实现了小车的红外循迹驱动,原理基本就是通过红外循迹读取状态,然后控制小车的左右电机进行加速减速,从而实现了左右转弯、直行。这个实验也教会了我们实际工程中代码的写法,就是通过多个文件进行互联,这样完成一个工程才能分工去做,实践是学好这门课的关键,只有实操,才能更好理解单片机。
本实验经过修改后,可用于什么场合?
答:这种循迹系统经过优化可广泛运用于人工智能,比如无人驾驶,扫地机器人,同样在货物运输方面也具有巨大优势,能实现货物的自动搬运,将极大地减少人力成本,但是我觉得类似这样的东西一定要定期检修,和设定智能停止自动控制,要不然会产生比较大的影响。
图 16 电子版实验报告首尾截图
11. 项目特色或创新(可空缺,限 150字)
项目的特色在于:项目背景的工程性,知识应用的综合性,实现方法的多样性。
-
解决真实工程问题,提升学生解决复杂工程问题的能力
-
采用校本化教学资源开展线上线下混合式教学,小车配发学生,实验教学突破时空限制,充分满足个性化学习需求
-
采用项目驱动、注重学科融合,阶梯性任务设计,有利于提升两性一度
-
科学评价,多元化、多维度、定量与定性评价相结合,竞速比赛充分激发学生不断超越自我,突破极限
附件1:实验报告评阅参考标准
| 项目序号 | 评价内容 | 百分比 | 评分标准 |
| 1 | 实验报告结构完整性 | 20% | 参考实验报告模板,结构完整:20分;每缺1项,扣2分,扣完为止;抄袭或未交报告,0分 |
| 2 | 实验原理阐述条理性 | 20% | 详细完整、图文并茂阐述实验原理,18-20分;比较详细和完整、图文并茂阐述实验原理,有细微不足,16-18分;基本详细和完整、图文并茂阐述实验原理,14-16 分;基本照抄教材内容,12-14分抄袭或未交报告,0分 |
| 3 | 实验程序的合理性 | 20% | 实验程序结构合理、格式规范且正确,18-20分;实验步骤和调试方法基本正确合理,16-18分;实验步骤和调试方法有较小错误,14-16分;实验步骤和调试方法有不多于3处错误,12-14分;抄袭、或未交报告,0分 |
| 4 | 结果展示的规范性 | 20% | 结果正确且图文并茂展示规范,18-20分;结果基本正确且图文并茂展示欠规范,16-18分;结果基本正确无规范图文实证,14-16分;仅有实验结果阐述,12-14;抄袭或未交报告,0分 |
| 5 | 实验心得体会的质量 | 20% | 实验过程反思体会深刻,有较好的示范和分享价值,18-20分;实验过程反思体会较深刻,有一定的示范和分享价值,16-18分;实验过程反思体会阐述较粗略,示范和分享价值不大,14-16分;泛泛而谈,针对性不强,12-14分;抄袭或未交报告,0分。 |
附件2:
课程基本信息
| 课程编码 | 学分 | 4 | 考核方式 | 考试 | |||
| 课程名称(中) | 微处理器与接口技术 | 总学时 | 64 | 考核比例 | 平时考核 | 60% | |
| 学时分配 | 讲授 | 40 | 期末考核 | 40% | |||
| 课程名称(英) | Microprocessor Principle and Interface Technology | 实验 | 24 | 课程主管单位 | |||
| 实习 | 课程负责人(执笔人) | ||||||
| 授课语言 | 中文 | 上机 | 审核人 | ||||
| 适用专业 | 电子信息工程 | ||||||
课程介绍
《微处理器与接口技术》是电子信息工程专业的专业发展必修课。
单片机自20世纪问世以来,已对人类社会产生了巨大影响,在物联网技术飞速发展的今天,被 广泛的应用于感知层的各种测量和控制任务。它具有集成度高、处理能力强、可靠性高、系统结构简单、价格低廉、易于系统化等优点,在工业控制、智能仪器仪表、办公室自动化、家用电器等诸多领域得到广泛的应用。它的出现,给现代化工业测控领域带来了一次新的技术革命。目前,单片机技术的开发和应用水平已逐渐成为衡量一个国家工业化发展水平的标志之一。因此,作为电子信息工程专业的本科生,很有必要掌握这样一门新型的工程应用技术,更好的服务于中国式现代化建设。
本课程的先修课程包括《模拟电子技术》、《数字电子技术》、《计算机基础及高级语言程序设计》等。
教学目标
课程教学目标如下:
能说明微处理器的结构和工作原理,描述汇编语言和C51语言的基本语法及编程方法,合理选择串行口的工作方式,解释外设资源的工作原理及接口技术,改写。
能根据突发事件的实时需求,编写中断服务程序,计算不同工作方式下的波特率,设计模拟量与数字量相互转换电路;在调测应用系统过程中,能准确发现故障成因,制定解决方案,优化系统设计。
(三)素质目标:分析系统信号处理需求,运用系统设计方法,合理分配存储器和I/O资源,设计单片机应用系统,形成解决测控领域复杂工程问题的能力和创新思维。
(四)价值目标:在应用系统设计中,能合理选择工具,虚实结合,精益求精,强化为智造强国奋斗终身的担当意识。
程具体教学目标与对所支撑的毕业要求的支撑关系如下:
| 支撑的毕业要求一级指标二级指标 | ★1、(工程知识)能够将数学、自然科学、工程基础和电子信息专业知识用于解决电子信息领域复杂工程问题 | ★2、(问题分析)能够应用数学、自然科学和工程科学的基本原理,识别、表达并通过文献研究分析电子信息工程领域的电路系统、信号处理方向的复杂工程问题,以获得有效结论 | ★3、(设计/开发解决方案)能够设计针对电子信息领域电路系统、信号处理方向的复杂工程问题的解决方案,设计满足信息获取、传输处理和应用等需求的系统、单元(部件)或工艺流程,并能够在设计环节中体现创新创业意识,考虑社会、健康、安全、法律、文化以及环境等因素。 | ★5、 (使用现代工具)能能够针对电子信息领域电路系统、信号处理方向的复杂工程问题,开发、选择与使用恰当的技术、资源、现代工程工具和信息技术工具,包括对电子信息工程领域复杂工程问题的预测与模拟,并能够理解其局限性。 |
教学内容及安排(课程为第三批省级线上线下混合式一流课程,线上资源为自建省级创新创业示范课程)
| 课程教学目标 | ★1.4 能够运用工程基础知识对解决电子信息工程领域的工程问题解决方案进行比较与综合。 | ★2.1能够采用数学物理基本方法,认识与判断电子信息工程领域的电路系统、信号处理方向的复杂工程问题中的关键环节。 | ★3.2能够应用电子信息领域专业知识,针对电路系统、信号处理产品的特定需求,包括信息采集、存储和处理等,完成系统单元(部件)的方案设计。 | ★5.2能够合理选择并使用电子信息工程领域的电路系统、信号处理方向的所需的软硬件设计与仿真平台,对复杂工程问题进行分析、计算与设计。 | |
| ★1 | 掌握单片机的基本概念,理解单片机的硬件结构和工作原理,能运用汇编语言指令系统和C51编程语言编写程序,控制单片机内部基本资源 | 25% | |||
| ★2 | 掌握中断系统工作原理、定时/计数器的工作原理,串行口的工作原理和模拟量模块的工作原理,运用汇编语言或C51编写相关应用程序 | 40% | |||
| ★3 | 掌握人机交互接口等硬件资源的的结构、工作原理、主要性能指标及编程方法等,能识别系统的关键技术指标、并将系统需求转换为对应技术指标的能力,并具备单片机应用系统设计的初步能九 | 15% | |||
| ★4 | 利用汇编语言指令系统和C51编程语言,结合硬件电路系统,通过编程和软硬件调试训练,实现基本输入/输出端口的控制、并行扩展端口控制LED、动态扫描控制数码管、结合定时/计数器实现电脑钟、虚拟仿真等,培养软件和硬件调试能力,发现问题分析问题和解决问题的能力 | 20% | |||
| 章节标题 | 主要内容(知识点) | 学时 | 教学方法与教学手段 | 课程目标 | 备注 |
| 第1章 | 1.微型计算机发展概况 | 1 | 在线学习翻转课堂 | 1 | 本章重点单片机的其础知识 |
| 讲授课堂练习 | |||||
| 1.平月仇的圣础以2.理解单片机的应用领域 | |||||
| 微型计算机概述 | 2.微型计算机的应用 | 1 | |||
| 第2章单片机的硬件结构 | 1.模型机的结构及工作过程 | 2 | 在线学习翻转课堂讲授课堂练习实验 | 1 | 本章重点1.单片机的存储器的组织结构2.I/0口的基本工作原理3.单片机的引脚及其功能 |
| 2.单片机的内部结构 | 2 | ||||
| 3.单片机的存储器 | 2 | ||||
| 4.单片机的引脚 | 1 | ||||
| 5.单片机应用系统的典型构成 | 1 | ||||
| 第3章指令系统及汇编语言程序设计 | 1.编程语言简介 | 1 | 在线学习翻转课堂讲授课堂练习实验 | 1 | 本章重点1.指令系统的寻址方式2.指令系统 |
| 2.指令及伪指令 | 2 | ||||
| 3.汇编语言程序设计 | 1 | ||||
| 第4章C51语言及程序设计 | 1.C51程序的基本语法 | 1 | 在线学习翻转课堂讲授课堂练习实验 | 1 | 本章重点1.C51变量定义方法2.C51存储器分配原则和定义方法3.C51编程方法和程序调试方法 |
| 2.KEIL C51程序的语句 | 1 | ||||
| 3.函数 | 1 | ||||
| 4.KEIL C51库函数5.预处理命令6.单片机的C语言程序框架 | 1 | ||||
| 半期测试 | 半期开卷测试 | 0 | 在线考试 | 2 | |
| 第5章中断 | 1.中断的概念 | 1 | 在线学习翻转课堂讲授课堂练习实验 | 2 | 本章重点1.中断的概念2.中断向量入口地址3.中断的控制4.外部中断源的扩展方法 |
| 2.单片机的中断系统 | 1 | ||||
| 3.单片机的中断响应过程 | 1 | ||||
| 4.中断编程举例 | 1 | ||||
| 第6章定时/计数器 | 1.定时/计数器的结构和工作原理 | 2 | 在线学习翻转课堂讲授课堂练习实验 | 2 | 本章重点1.定时/计数器的结构和工作原理2.定时/计数器的控制、工作方式的设置3.定时/计数器的基本应用 |
| 2.定时/计数器的工作方式 | 1 | ||||
| 3.定时/计数器应用举例 | 1 |
实验项目(采用自研小车实验平台、自编实验教材、自建实验课线上资源开展线上线下混合式实验教学)
| 第7章数据通信 | 1.通信的基本概念2.单片机的串行接口 | 2 | 在线学习翻转课堂讲授课堂练习 | 2 | 本章重点1.单片机串行接口的结构、工作原理2.串行接口的工作方式及设置3.串行通信接口的方法 |
| 3.串行口的工作方式 | 1 | ||||
| 4.串行口的应用举例5.其他串行通信接□ | 1 | ||||
| 第8章模拟量接口 | 1.模数转换器接口电路的工作原理及性能指标 | 1 | 在线学习翻转课堂讲授课堂练习实验 | 2 | 本章重点1.MCS-51单片机集成的A/D模块结构及应用2.D/A转换器接口技术及应用编程 |
| 2.A/D模块结构及应用编程 | 1 | ||||
| 3.数模转换器接口电路的工作原理及性能指标 | 1 | ||||
| 4.D/A转换电路及应用编程 | 1 | ||||
| 第9章人机交互接口 | 1.键盘接口技术 | 2 | 在线学习翻转课堂讲授课堂练习实验 | 3 | 本章重点1.键盘扫描方法和编程方法2.显示的扩展方法及编程方法 |
| 2.显示器接口技术 | 2 | ||||
| 第10章单片机应用系统设计 | 1.单片机应用系统设计方法 | 2 | 在线学习翻转课堂讲授课堂练习 | 3 | 本章重点1.单片机应用系统设计方法2.单片机应用系统设计步骤 |
| 序号 | 项目名称 | 实验内容与要求 在一个温度测控系统中,系统连续采集了16个单字节无符号温度数 | 实验学时 | 课程目标 | 实验类型 | 每组人数 | 备注 |
| 1 | 温度数据排序程序设计 | 据,我们需要对这批数据作如下处理。该批温度数据存储于单片机内 部RAM从40H单元开始的连续16个单元中,试编程完成以下功能。 基本任务: 1.试编写程序,将温度数据按从小到大的顺序排列; 2.存储区域保持不变; 高阶任务: 3.试编写程序,将温度数据按从大到小的顺序排列; 4.试编写程序,找出温度数据最大值,存储在30H单元中; | 4 | 4 | 综合性实验 | 1人 |
| 2 | 小车驱动控制模块设计 | 单片机P4口工作在输入模式,其高3位连接3路红外循迹传感器;P5口工作在输出模式,其低4位驱动4个发光二极管;P2口工作在输出模式,其高6位通过TB6612FNG驱动2路直流电机,编程实现以下任务。基本任务:1.编写程序使流水灯状态循环左移点亮;2.编写程序读取IR状态并点亮流水灯,使流水灯状态与IR状态对应;3.编写程序使左右电机正转,实现前进和停止;4.编写程序,使电机根据红外传感器的状态运行或停止。高阶任务:5.编写程序实现LED与电机配合,分别显示左右电机正反转状态;6.编程控制蜂鸣器BEEP1,使之与电机运转状态配合变化,方式可自由组合;7.采用延时程序实现PWM,改变左右电机驱动脉冲占空比,从而改变电机转速;8.其他功能。 | 4 | 4 | 综合性实验 | 1人 |
| 3 | 数码管动态扫描显示模块设计 | 根据多位数码管动态显示扫描原理,编写程序,实现如下功能。基本任务:1.编写LED数码管显示代码译码程序;2.编写动态显示扫描程序,将1~6的数值从右至左显示在6位LED数码管上;3.修改程序将数值顺序显示,即将1~6的数值从左至右显示在6位LED数码管上;4.修改延时时间,观察动态显示的变化;5.将P7口工作模式由推挽模式修改为准双向口模式,观察数码管亮度变化;高阶任务:6.编写程序,读取循迹传感器状态信息;7.将红外循迹传感器的状态显示在LED数码管上,显示方式可自行设定;8.其他功能如电机状态显示等。 | 4 | 4 | 综合性实验 | 1人 |
| 4 | 电脑钟模块设计 | 利用定时/计数器中断技术和多位数码管动态显示扫描原理,编写程 序,实现如下功能。 基本任务: 1.T0工作在方式0,采用中断方式,编写具有时、分、秒的时钟程序; 2.编写LED数码管显示代码译码程序; 3.编写动态显示程序,将时、分、秒的数值在6位LED数码管上动态显 示; 4.开机即显示初始时钟。 | 4 | 4 | 设计研究性 实验 | 1人 |
| 高阶任务: 5.增加整点报时功能; 6.增加年、月、日,并与时、分、秒交替显示; 7.扫描时间间隔不用delay(函数,改用定时器中断实现; 8.将扫描时间间隔和秒定时,共用同一个定时器; 9.其他功能,如实现秒闪、秒响、闹钟、校时等功能。 利用IAP15W4K61S4单片机内置A/D转换模块和利用三总线扩展DAC扩展 | ||||||
| 5 | PROTEUS虚拟仿真模拟量转换模 块设计 | 芯片DAC0832,完成如下任务。 基本任务: 1.编写程序,用中断方式读取内置A/D转换器通道0的转换结果; 2.编写程序,将A/D转换结果直接通过D/A转换输出模拟电压; 高阶任务: 3.利用定时器中断产生采样信号,采样频率为2KHz时,输入信号为 2.49V/100Hz正弦波(叠加2.49V直流偏移,使输入为单极性正弦信 号),并将A/D转换结果直接输出,观察输出波形; 4.编写程序,使D/A器件输出三角波、锯齿波和方波,输出信号频率 自行设定。 5.设计一个数字电压表; 6. 修改电路,设计数字电压表电路; 7. 编写程序,设计数字电压表,测量输入电压; 8.其他功能。 | 4 | 4 | 综合性实验 | 1人 |
教材与参考书目
| 6 | 小车循迹系统设计 | 基本任务: 1.编写程序,正确读取红外循迹传感器的状态; 2.编写PWM程序,驱动电机按不同速度运行; 3.编写循线逻辑程序,实现小车运行状态控制; | 设计研究性 | 1人 | ||
| 高阶任务: 5.利用LED流水灯,指示小车行进状态; 6.加快小车运行速度,完成此项任务的同学参与竞速评奖; 7.在数码管上分别显示两个电机的占空比; 8.其他功能。 竞速评奖: 完成第二项拓展任务的同学,将程序下载到No.100号小车,对小车沿 指定轨道循迹一周用时进行排名,每位同学只有一次机会。 小组排名第一,视同完成一项拓展任务; | 4 | 实验 |
| 序号 | 书名 | 主编 | 出版社 | 出版年度 |
| 1 | 单片机微型计算机原理及接口技术(第二版) | 陈桂友 | 高等教育出版社 | 2017 |
| 2 | 单片机与FPGA实验教程 | 廖磊、本课程负责人、周晓林 | 科学出版社 | 2017 |
| 3 | 单片机原理与开发 | 毋茂盛 | 高等教育出版社 | 2015 |
| 4 | 单片机原理及接口技术(第4版) | 李朝青、刘艳玲 | 北京航空航天大学出版社 | 2013 |
| 5 | STC15增强型8051单片机C语言编程与应用 | 徐爱钧 | 电子工业出版社 | 2014 |
主讲教师背景与水平要求
| 学历学位 | 专业技术职称 | 专业/学科背景 | 工程背景/行业背景 | 是否双师型 | 教学基本能力要求 | 备注 |
| 硕士及以上 | 中级及以上 | 通信与电子工程/电子科学与技术 | 具有高校教师资格证 |
课程考核
| 对应的考核环节教学目标 | 1 | 2 | 3 | 4 | 5 | 6 | 7 | 8 | 9 | 10 | ||
| 章节测验 | 线上学习 | 课堂讨论 | 半期测验 | 实验操作 | 实验报告 | 卷面考核 | 项目答辩 | 项目文档 | 项目作品 | |||
| ★目标1 | 掌握单片机的基本概念,理解单片机的硬件结构和工作原理,能运用汇编语言指令系统和C51编程语言编写程序,控制单片机内部基本资源 | 10% | 20% | 10% | 10% | 10% | 40% | |||||
| ★目标2 | 掌握中断系统工作原理、定时/计数器的工作原理,串行口的工作原理和模拟量模块的工作原理,运用汇编语言或C51编写相关应用程序 | 10% | 20% | 10% | 10% | 10% | 40% | |||||
| ★目标3 | 掌握人机交互接口等硬件资源的的结构、工作原理、主要性能指标及编程方法等,能识别系统的关键技术指标、并将系统需求转换为对应技术指标的能力,并具备单片机应用系统设计的初步能力 | 10% | 20% | 10% | 10% | 10% | 40% | |||||
| ★目标4 | 利用汇编语言指令系统和C51编程语言,结合硬件电路系统,通过编程和软硬件调试训练,实现基本输入/输出端口的控制、并行扩展端口控制LED、动态扫描控制数码管、结合定时/计数器实现电脑钟、虚拟仿真等,培养软件和硬件调试能力,发现问题、分析问题和解决问题的能力 | 50% | 50% | |||||||||
| 课程评价 | 考核要求/评价细则 | 考核对象及其分值比例(%) | 考核对象及其分值比例(%) | |||||||||
| 学生个体 | 团队/小组 | 小计 (%) | 总评 (%) | |||||||||
| 平时考核 | 线上学习 | 线上学习成绩,含视频学习、课堂互动、线上讨论等各种线上活动 | 10% | 20% | 60% | |||||||
| 翻转课堂 | 翻转课堂、分组任务完成情况 | 5% | 5% | |||||||||
| 课堂测验 | 课堂即时互动,由学习通在线计分 | 5% | 5% | |||||||||
| 章节测试 | 9次,平均得分加权处理,学习通在线计分 | 10% | 10% | |||||||||
| 半期测试 | 线上开卷考试,学习通在线计分 | 10% | 10% | |||||||||
| 实 验 | 含实验操作和实验报告,根据实验任务完成情况、实验报告的完整性和质量综合评分 | 20% | 10% | |||||||||
| 终结性考核 | 期末统一组织考试,试题A、B卷各一套,卷面满分100分,闭卷考试。 | 40% | 40% | 40% | ||||||||
| 合计 | 100% | 100% | 100% | |||||||||