忆阻蔡氏混沌电路系统的设计与实现
实验题目:忆阻蔡氏混沌电路系统的设计与实现
1. 课程简要信息
1)实验课程名称:电路原理(本科生)、非线性电路(研究生)、创新设计课程;
2)实验案例名称: 忆阻蔡氏混沌电路系统的设计与实现;
3)实验学时安排(课内/课外):本科生2/2、研究生 4/4;
4)学生专业/年级:电气工程及其自动化/二年级本科生 、电气工程/一年级研究生。
2. 实验内容与任务(限 500 字)
本实验以经典蔡氏电路为基本研究对象,进行改进并添加不同的忆阻模型,设计成一个具有层次性、创新性的综合性实验,结合了电路、模拟电子和信号与系统等,利用软件仿真和硬件调试相验证。具体为:
1)根据蔡氏系统的电路模型,利用 Multisim 软件模拟电路,搭建硬件电路,完成实验测试,并比较硬件测试图与软件仿真结果;
2) 硬件电路中调节电感难,应如何设计等效的无感蔡氏电路?根据电路数学模型,设计模块化电路,完成无感等效蔡氏电路的软件仿真和硬件实验,对比测试图形与(1)中的结果,让学生更加感性的认识到非线性电路的特征及其设计理念;
3) 利用磁控忆阻模型与改进蔡氏电路,构建含有磁控忆阻器的四维混沌电路,推导出电路数学模型并设计模块化的电路图,利用 Multisim 软件搭建电路与测试,重点观察共存现象;
4)构造荷控忆阻器模型,结合另一个变型蔡氏电路共同构建五维荷控忆阻混沌电路,同样进行模块化设计并完成电路仿真,比较实验结果与(3)中图形,观察系统丰富的动力学行为,可将共存现象应用于混沌保密通信,提高科研创新能力。
注明:本科生完成任务(1)和(2),研究生完成任务(1)、(2)和(3),任务(4)作为拓展选做实验。所有任务可作为一项本科生创新实践训练项目。
3. 实验过程及要求(限 300 字)
实验预习:
1)分析经典蔡氏电路系统,掌握混沌电路模块化设计,学习使用 Multisim模拟仿真软件;
2)查阅相关资料,学习忆阻器相关知识,学会构建忆阻混沌电路系统;
软件实验:
3)完成Multisim软件下的经典蔡氏电路与无感的等效蔡氏电路模拟,保存实验图形;
4)模块化设计四维磁控忆阻混沌电路,完成电路软件模拟实验;
5)模块化设计五维荷控忆阻混沌电路,完成电路模拟实验;
硬件实验:
6)完成经典的蔡氏电路搭建,调节电阻、电容、电感,从示波器观察系统时序图与李莎育图;
7)搭建模块化的无感蔡氏电路系统,并比较该电路与经典蔡氏电路的不同。
实验要求:
提交实验设计的总结报告一份,硬件实验电路板;创新实践项目需要 PPT 演讲汇报。
注明:本科生完成(1)、(3)、(6)、(7);研究生完成(1)、(2)、(3)、(4)、(6)、(7);选做内容为(5)。
4. 相关知识及背景(限 150 字)
非线性电路系统具有复杂的非线性运动,可以产生不同的周期和混沌行为,在保密通信等领域具有广泛的应用。在电路课程中,选用蔡氏电路作为一种典型的非线性电路实验教学,其结构简单,易于电路实验和改建;熟悉前沿知识,增加忆阻环节,忆阻混沌系统的动力学行为更为丰富,便于观察到吸引子共存现象,综合了学生运用知识的能力。
5. 教学目标与目的(限 100 字)
实验教学环节是贯彻创新能力培养的有效切入点,结合蔡氏电路与忆阻器进行电路改建、软件仿真、硬件实验,提高学生电路设计和动手操作的实践能力;通过观测实验结果,让学生建立空间观察概念,培养创新思维的能力。
6. 教学设计与引导
本实验是一个具有实践性的创新性电路系统实验,经历学习研究、电路方案设计、软件模拟仿真、硬件调试、总结报告、答辩交流等环节。在实验教学中,主要从以下几点加强对学生的引导:
1)重点学习经典的非线性蔡氏电路图,讲解电路模型的推导,分析非线性电阻的作用;学习忆阻器相关知识,构建忆阻数学模型,推导出忆阻混沌电路的状态方程。
2)自学 Multisim 电路软件,完成电路模拟图;学习 Matlab 软件,利用龙格库塔算法,完成数值仿真。
3)掌握电路实验仪器、示波器、万用表、直流稳压电源等使用。
4)简介电路设计的要点,了解硬件电路图调试的注意事项。
5)学习非线性动力学的基础知识,比如:混沌的特征和判别方法;周期运动与混沌运动的区别。
6)实验完成后,指导报告的写法,并组织学生以 PPT 演讲,进行答辩交流。
6.1 蔡氏电路
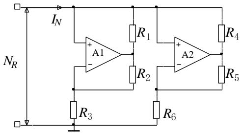
1983年,美国加州大学蔡少棠教授研究发现蔡氏电路,如图 1所示。电路的线性部分由两个电容 C1、C2,一个电阻 $R$ 一个电感 L1 组成;非线性部分包含有压控电阻 $N _ { \mathrm { R } }$ ,通常称为蔡氏二极管,非线性环节是运动轨迹发生振荡的主要原因,也是电路设计的难点。实现蔡氏二极管这样一个非线性电阻部分的方法有很多,本实验采用由两个运算放大器及六个线性电阻组成的方案,如图 2所示。

图 1 经典三阶蔡氏电路

图 2 蔡氏二极管 NR
6.2 忆阻器
由电路理论可知,三个传统的二端口电路元件电阻 $( R )$ 、电容(C)和电感 $( L )$ 建立了四个电路变量电压 $( \nu )$ 、电流 $( i )$ 、磁通量 $( \varphi )$ 和电量 $( q )$ 间的联系。上述四个电路变量两两之间可以建立六个数学关系式,其中五对关系式已经为大家所熟知——分别来自 R、C、L、 $q$ 的定义和法拉第电磁感应定律,但 $\varphi$ 和 $q$ 间的关系却一直没被揭示。1971 年,蔡少棠教授从电路理论的对称性和完整性,揭示了 $\varphi$ 和 $q$ 之间的关系,为后续忆阻的发展提供了理论基础,四个基本变量之间的关系如图 3 所示。

图 3 电路基本变量与四个基本元件
忆阻元件是从实际忆阻器中抽象出来的一个电路模型。它可以记忆流经它的电荷数量,并通过改变流经它的电流来改变其阻值。忆阻元件分为荷控型和磁控型。其定义为:若一个二端元件,在任意时刻的磁通量 $\varphi ( t )$ 和电荷量 $q ( t )$ 之间存在的关系为
$$ f ( \varphi , q ) = 0 $$
即这一关系可由 $\varphi - q$ 平面上的一条曲线所表示,则此二端口元件可称为忆阻元件。
当式(1)由电荷的单值函数表示时,称为荷控型忆阻元件;相应地,当式(1)由磁通的单值函数表示时,称为磁控型忆阻元件。荷控忆阻和磁控忆阻的符号表示分别如图 4(a)和图 4(b)所示,描述它们的特性曲线是一条通过原点的非线性曲线,分别如下图 5(a)和图 5(b)所示。

图 4 忆阻元件的符号

图 5 忆阻元件的特性曲线
图 5(a)中 $q - \varphi$ 平面上的特性曲线 $\varphi = \varphi ( q )$ 来描述图 4(a)中的荷控忆阻元件,其特性曲线的斜率即磁通量就是电荷的改变率
$$ M ( q ) = d \varphi ( q ) / d q $$
称为忆阻, $M ( q )$ 是关于 $q ( t )$ 的非线性函数,具有与电阻相同的量纲,其单位为 $\Omega$ 。对于荷控忆阻元件,流过它的电流 $i ( t )$ 和它两端的电压 $\nu ( t )$ ( $i ( t )$ 和 $\nu ( t )$ 选取关联方向)之间的伏安关系为:
$$ \nu ( \varphi ) = M ( q ) i ( t ) $$
图 5(b)中 $\varphi - q$ 平面上的特性曲线 $q = q ( \varphi )$ 来描述图 4(b)中的荷控忆阻元件,其特性曲线的斜率即电荷量就是磁通的改变率
$$ W ( \varphi ) = d q ( \varphi ) / d \varphi $$
称为忆导, $W ( \varphi )$ 是关于 $\varphi ( t )$ 的非线性函数,具有与电导相同的量纲,其单位为S。对于磁控忆阻元件,流过它的电流 $i ( t )$ 和它两端的电压 $\nu ( t ) \left( i ( t )\right)$ 和 $\nu ( t )$ 选取关联方向)之间的伏安关系
$$ i ( \varphi ) = W ( \varphi ) \nu ( t ) $$
若流过它的电流 $i ( t )$ 和它两端的电压 $\nu ( t )$ 为非关联方向,则式(3)和式(5)的右侧应加上负号。式(3)中的内部状态变量是电荷 $q ( t )$ ,它是电流 $i ( t )$ 的积分;式(5)中的内部状态变量是磁通 $\varphi ( t )$ ,它是电压$\nu ( t )$ 的积分。典型荷控忆阻和磁控忆阻的伏安关系分别如下图 6(a)和图 6(b)所示。从图 6可以看出,忆阻元件的伏安关系具有典型的斜体“8”字形的紧滞回线特性,除原点以外,荷控忆阻的两端电压$\nu ( t )$ 为流过它电流 $i ( t )$ 的双值函数;相应地,流过磁控忆阻电流 $i ( t )$ 为它两端电压 $\nu ( t )$ 的双值函数。

图 6 忆阻元件的伏安关系
从忆阻模型来看,忆阻的模型种类繁多,大致可以分为两类:物理器件模型和数学理论模型。物理器件模型主要是基于金属或金属氧化物构成的器件,研究最为广泛的物理器件模型为 HP TiO2线性杂质漂移忆阻模型和HP TiO2非线性窗函数忆阻模型。数学理论模型是研究者提出的由分段线性函数、二次和三次非线性函数等描述的忆阻模型。由于忆阻材料获取较难和制作工艺水平有限等条件的限制,目前国内对忆阻器方面的探索研究主要集中在数学模型建立和电路仿真等,在物理器件模型方面的研究并不多。本实验案例中也主要针对忆阻器的数学模型进行研究与设计。
7. 实验原理及方案
注明:以下共计 4 个实验方案,本科生实验完成(1)和(2);研究生完成(1)(2)(3);拓展选做(4)。
1) 搭建经典蔡氏电路图,从示波器观测实验图并记录
根据图1 和图 2 的蔡氏系统电路图,在预习时根据 KVL和 KCL原理,推导出图 1蔡氏电路图的数学模型。利用Multisim软件完成其电路模拟仿真,电路图如图7所示,保存电容 $C _ { 1 } , C _ { 2 }$ 的端电压$V _ { C _ { 1 } } , V _ { C _ { 2 } }$ 的运行轨迹,时序图如图 8(a)所示,相位图如图 8(b)所示。
关于在实验室硬件电路的搭建,首先在 FD-NCE-II 非线性电路混沌实验仪连接电路图,分别从电容 $C _ { 1 } , C _ { 2 }$ 两端引出两根导线接入示波器XY 端,如图 9所示。从零开始逐渐增大可调电阻 $R$ 的阻值,观察示波器的 XY 端的相平面图(即李沙育图形)的变化情况,检验电路是否正常运行,检验仿真结果是否与实验结果一致。分析 LC 谐振电路与RC移相电路的作用。其次,利用电阻、电容、电感和运放等元器件,在面包板上搭建实物图并焊接电路板,观测以上同样结果,并比较。电路板如图10所示,调节电阻 $R$ 的阻值,系统将依次出现单倍周期二倍周期单涡卷三倍周期单涡卷双涡卷,XY端的李沙育图形如图11所示。

图 7 蔡氏电路硬件仿真电路图

图 8 蔡氏电路硬件仿真图

图 9 非线性电路混沌实验仪接线图

图 10 蔡氏电路电路焊接板

图 11 X-Y 端的李沙育图形
2) 设计模块化无感蔡氏电路,同样观测实验图并与实验(1)的结果进行对比
在实际硬件电路的调试过程中,蔡氏电路对电感元件的取值非常敏感,且对电感精度要求较高,因而图 1 的硬件电路稳定性不好。在实际市场中,购买的独立电感元件可选感值较少,无法满足电路对电感光滑调节的要求。
为了增强学生的动手能力,考虑从典型蔡氏系统的数学模型入手,对蔡氏电路进行模块化设计,设计出一个等效无感蔡氏电路。模块化设计基于混沌电路的无量纲状态方程,主要由变量比例压缩、微分——积分转换以及时间尺度变换三个部分构成,该设计方法可能需要用到大量的电路元器件。同学们可以设计不同的等效无感电路,下面的设计作为参考。
经典蔡氏电路数学模型为
$$ \left{ \begin{array} { l l } { \dot { x } = \alpha [ y - h ( x ) ] } \ { \dot { y } = x - y + z } \ { \dot { z } = - \beta y } \end{array} \right. $$
其中, $h ( x ) = b x + 0 . 5 ( a - b ) ( \mid x + 1 \mid - \mid x - 1 \mid ) \circ \alpha , \ \beta , \ a \mid$ 和 $^ b$ 为决定混沌电路运动状态的系统参数。对蔡氏电路的无量纲状态方程进行逆推,得到不含电感的等效蔡氏电路。将式(6)改写成如下形式:
$$ \left{ \begin{array} { l l } { \dot { x } = \alpha y - \alpha b x y + \alpha [ a - b ] f ( x ) } \ { \dot { y } = x - y + z } \ { \dot { z } = - \beta y } \end{array} \right. $$
其中, $f ( x ) = 0 . 5 ( \mid x + 1 \mid - \mid x - 1 \mid )$ ,即:
$$ f ( x ) = \left{ { \begin{array} { l l } { + 1 , } & { x > 1 } \ { x , } & { \left| x \right| \leq 1 } \ { - 1 , } & { x < - 1 } \end{array} } \right. $$
分段函数 $f ( x )$ 的最大值不大于 1,最小值不小于-1,具有限幅功能,确保了电路中的混沌吸引子能够维持在局部区域内稳定运行。这里可以考虑利用运算放大器的限幅特性,实现非线性的不连续特性。
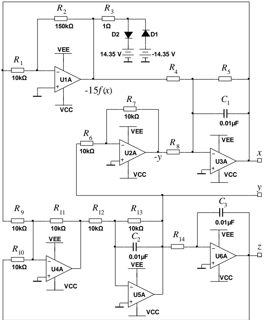
a) 限幅电路设计
针对具有限幅功能的非线性环节,电路实验中拟采用单向二极管和正负工作电源来设计实现。如图 12 所示,电路中运算放大器均选用芯片 TL082CD,单向二极管 D1 和 D2 选用型号 1N5712。二极管自身导通电压约为 $0 . 6 5 \mathrm { V }$ ,与 $\pm 1 4 . 3 5 \mathrm { V }$ 的工作电压及 1的电阻连接后,加在运算放大器的输出端,使得输出电压钳制在 $\pm 1 5 \mathrm { V }$ 之间,实现了限幅电路的功能。若运算放大器输入端为 $x$ ,那么输出端Vo为:
$$ \begin{array} { r } { \mathsf { V } _ { 0 } = \left{ \begin{array} { l l } { + 1 5 , \quad } & { x < - 1 5 ( R _ { 1 } / R _ { 2 } ) } \ { - ( R _ { 2 } / R _ { 1 } ) x , } & { \left| x \right| \leq + 1 5 ( R _ { 1 } / R _ { 2 } ) } \ { - 1 5 , } & { x > + 1 5 ( R _ { 1 } / R _ { 2 } ) } \end{array} \right. } \end{array} $$
选取电阻 $R _ { 1 } = 1 0 \mathrm { k } \Omega$ , $R _ { 2 } = 1 5 0 \mathrm { k } \Omega$ ,上式简化为:
$$ \begin{array} { r } { \mathsf { V o } = - 1 5 f ( x ) = \left{ \begin{array} { l l } { + 1 5 , \quad x < - 1 } \ { - 1 5 x , \ : \ : \left| x \right| \le 1 } \ { - 1 5 , \quad x > 1 } \end{array} \right. . } \end{array} $$

图 12 实现限幅函数功能的电路设计
b) 整体等效蔡氏电路的设计实现
根据方程(7),利用反相比例积分电路、加法电路和反相放大电路等常见的模拟电子电路,对蔡氏电路中三个状态变量之间的代数运算关系进行反推设计,如图13所示。为了方便电路参数取值,可将系统整体成比例缩放 $1 0 ^ { - 4 }$ 倍,缩放后系统的频率加快,运动状态不发生改变。电路中各元器件参数与系统状态变量的关系推导如下:
$$ \left{ \begin{array} { l } { { \dot { x } = \displaystyle \frac { R _ { 7 } y } { C _ { 1 } R _ { 6 } R _ { 8 } } - \frac { x } { C _ { 1 } R _ { 5 } } - \frac { 1 5 } { C _ { 1 } R _ { 4 } } f ( x ) } } \ { { \dot { y } = - \displaystyle \frac { R _ { 1 1 } } { C _ { 2 } R _ { 1 2 } R _ { 9 } } x - \frac { 1 } { C _ { 2 } R _ { 1 3 } } y + \frac { R _ { 1 1 } } { C _ { 2 } R _ { 1 2 } R _ { 1 0 } } z } } \ { { \dot { z } = - \displaystyle \frac { 1 } { C _ { 3 } R _ { 1 4 } } y } } \end{array} \right. $$
结合方程组(7)、(11),可得电路中主要元器件的取值依据:
$$ \frac { R _ { 1 1 } } { C _ { 2 } R _ { 1 2 } R _ { 9 } } { = } \frac { 1 } { C _ { 2 } R _ { 1 3 } } { = } \frac { R _ { 1 1 } } { C _ { 2 } R _ { 1 2 } R _ { 1 0 } } { = } 1 $$
$$ \left{ \begin{array} { l l } { { R _ { 4 } = \displaystyle \frac { 1 5 } { \alpha ( m _ { 1 } - m _ { 0 } ) C _ { 1 } } \times 1 0 ^ { - 4 } , ~ R _ { 5 } = \displaystyle \frac { 1 } { \alpha m _ { 1 } C _ { 1 } } \times 1 0 ^ { - 4 } , } } \ { { R _ { 8 } = \displaystyle \frac { R _ { 7 } } { \alpha R _ { 6 } C _ { 1 } } \times 1 0 ^ { - 4 } , ~ R _ { 1 4 } = \displaystyle \frac { 1 } { \beta C _ { 3 } } \times 1 0 ^ { - 4 } . } } \end{array} \right. $$
可见,决定混沌电路运动状态的系统参数 $m _ { 0 } \cdot \textit { m } _ { 1 } .$ 、 $\alpha$ 和 $\beta$ 发生改变时,随之而发生改变的只有电阻 $R _ { 4 }$ 、 $R _ { 5 }$ 、 $R _ { 8 }$ 和 $R _ { 1 4 }$ 。换句话说,这四个电阻参数值大小直接决定了系统的运动轨迹。

图 13 等效无感蔡氏电路图
选择误差范围为 $\pm 1 %$ 的精密电阻元件: $R _ { 6 } = R _ { 7 } = R _ { 9 } = R _ { 1 0 } = R _ { 1 1 } = R _ { 1 2 } = R _ { 1 3 } = 1 0 \mathrm { k } \Omega$ , $R _ { 1 4 } = 6 6 6 . 6 7 \Omega$ ;利用 3 只阻值可调的精密电位器实现电阻 $R _ { 4 }$ 、 $R _ { 5 }$ 和 $R _ { 8 }$ ;电容 $C _ { 1 }$ 、 $C _ { 2 }$ 和 $C _ { 3 }$ 由 3 只精度较高的瓷片电容来实现,电容值均为 $0 . 0 1 \mu \mathrm { F }$ 。固定电阻 $R _ { 4 } = 3 5 \mathrm { k } \Omega$ , $R _ { 8 } = 1 \mathrm { k } \Omega$ ,在 $0 { \sim } 1 0 \mathrm { k } \Omega$ 范围内,调节电阻 $R _ { 5 }$ 的大小,利用型号为UTD4062C 的示波器观察系统运动的变化情况。无感蔡氏电路硬件焊接板如图14所示,列举部分实验结果(大卷芯单涡卷和双涡卷)如图 15所示。

图 14 等效无感蔡氏电路焊接板

图 15 无感蔡氏电路的李沙育图形
3) 设计含有磁控忆阻器的四维混沌电路,进行模块化设计,重点观测吸引子多稳态共存现象
蔡氏电路系统是混沌电路中最有代表性的系统,因其结构简单,已被广泛用于高校的物理学和电路课程的实验教学中。目前已经有很多学者将蔡氏电路进行了变形,且有部分学者在蔡氏电路的基础上加入忆阻模型进行了研究,可以构建出多个忆阻混沌电路。同学们可以构建不用的含有磁控忆阻器的四维忆阻混沌电路,下面的设计作为参考。
a) 构建含有磁控忆阻器的四维混沌电路
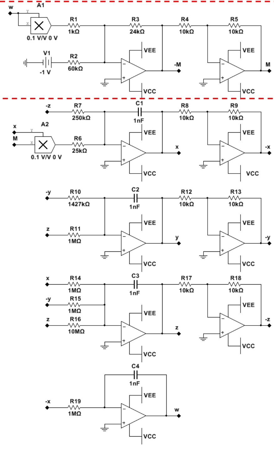
本设计采用的变形蔡氏电路 1 如图16(a)所示,可见变形蔡氏电路1和经典蔡氏电路中电路元件一样,但是电路结构不同。将变形蔡氏电路 1 中的非线性项换为三次磁控忆阻模型且并联一个负电导,构成忆阻混沌电路模型,如图 16(b)所示。

图16 电路模型
选取的三次非线性磁控忆阻器的数学模型为
$$ q \left( \varphi \right) = a \varphi + b \varphi ^ { 3 } , W \left( \varphi \right) = \frac { d q \left( \varphi \right) } { d \varphi } $$
$$ \left{ \begin{array} { l } { i = W \left( \varphi \right) \nu } \ { W \left( \varphi \right) = a + 3 b \varphi ^ { 2 } } \ { d \varphi / d t = \nu } \end{array} \right. $$
根据图 16(b)磁控忆阻混沌电路并运用基尔霍夫定律可得其系统方程为:
$$ \begin{array} { l } { \lceil \frac { d \nu _ { 1 } } { d t } = \frac { 1 } { C _ { 1 } } \bigl ( i - W ( \varphi ) \nu _ { 1 } \bigr ) } \ { \lfloor \frac { d \nu _ { 2 } } { d t } = \frac { 1 } { C _ { 2 } } \bigl ( G \nu _ { 2 } - i \bigr ) } \ { \lfloor \frac { d i } { d t } = \frac { 1 } { L _ { 1 } } \bigl ( \nu _ { 2 } - \nu _ { 1 } - R i \bigr ) } \ { \ . { d \varphi } { d t } = \nu _ { 1 } } \end{array} $$
设 $x = \nu _ { 1 } , y = \nu _ { 2 } , z = i , w = \phi , \alpha = 1 / C _ { 1 } , \beta = G , C _ { 2 } = 1 , L _ { 1 } = 1 , \xi = R$ ,并根据式(14)和(15)定义的三次磁控忆阻器非线性函数,则系统(16)可以表示为下述的状态方程:
$$ \scriptstyle { \left{ \begin{array} { l l } { \dot { x } = \alpha ( z - W ( w ) x ) } \ { \dot { y } = \beta y - z } \ { \dot { z } = y - x - \xi z } \ { \dot { w } = x } \end{array} \right. } $$
式中 $W ( w ) = a + 3 b w ^ { 2 }$ , $a = - 0 . 4$ , $b = 0 . 8$ , $\alpha = 4$ , $\beta = 0 . 7$ , $\xi = 0 . 1$ 。
b) 模块化设计四维磁控忆阻混沌电路,并观察实验结果
基于 Multisim 软件对系统(17)进行电路设计,如图 17 所示,所运用到的基本元器件主要有电阻、电容、运算放大器 TL082CP 和乘法器 AD633 的等。其中, $x , y , z , w$ 分别代表 4 个积分电路通道的状态变量, $R C$ 为积分时间常数,利用基本元器件对忆阻进行等效,如图17中的红色虚框所示。根据系统电路原理及电路理论,得到磁控忆阻混沌系统电路实现方程为
$$ \begin{array} { l } { \displaystyle ( \frac { d x } { d t } = - \frac { 1 } { 1 0 R _ { \mathrm { s } } C _ { 1 } } x M ( q ) - \frac { 1 } { R _ { \mathrm { f } } C _ { 1 } } ( - z ) } \ { \displaystyle ( \frac { d y } { d t } = - \frac { 1 } { R _ { \mathrm { t 0 } } C _ { 2 } } ( - y ) - \frac { 1 } { R _ { \mathrm { t 1 } } C _ { 2 } } z } \ { \displaystyle \frac { d z } { d t } = - \frac { 1 } { R _ { \mathrm { t 4 } } C _ { 3 } } x - \frac { 1 } { R _ { \mathrm { t 5 } } C _ { 3 } } ( - y ) - \frac { 1 } { R _ { \mathrm { t 6 } } C _ { 3 } } z } \ { \displaystyle ( \frac { d w } { d t } = - \frac { 1 } { R _ { \mathrm { t 0 } } C _ { 4 } } ( - x ) } \end{array} $$
比较式(17)和式(18),可得各参数的表达式为
$$ \left{ \begin{array} { l l } { \alpha = \displaystyle \frac { 1 } { 1 0 R _ { 6 } C _ { 1 } } = \displaystyle \frac { 1 } { R _ { 7 } C _ { 1 } } , \beta = \displaystyle \frac { 1 } { R _ { 1 0 } C _ { 2 } } , \xi = \displaystyle \frac { 1 } { R _ { 1 6 } C _ { 3 } } } \ { \displaystyle \frac { 1 } { R _ { 1 1 } C _ { 2 } } = \displaystyle \frac { 1 } { R _ { 1 4 } C _ { 3 } } = \displaystyle \frac { 1 } { R _ { 1 5 } C _ { 3 } } = \displaystyle \frac { 1 } { R _ { 1 9 } C _ { 4 } } = 1 } \end{array} \right. $$
依据方程组(17)、(18)和(19),可以计算出原理图 17 中所有模拟器件的取值,如表 1 所示。
表 1 四维磁控忆阻混沌电路参数取值
| 电路参数 | 值 | 电路参数 | 值 |
| 电阻器R | 10kΩ | 电阻器R (i = 11,14,15,19) | 1MΩ |
| (i = 4,5,8,9,12,13,17,18) 电阻器R | 1kΩ | 电阻器R | 250kΩ |
| 电阻器R | 60kΩ | 电阻器R16 | 10MΩ |
| 电阻器R | 24kΩ | 电容器C,(i=1,2,3,4) | 1μF |
| 电阻器R6 | 25kΩ | 直流电源V | -1V |
为了在示波器中观察到混沌波形,因此将四个电容的值统一缩小为原来的1 1000 ,由理论值1F置换成 $1 n F$ 。系统参数 $\beta$ 的值由电阻 $R _ { 1 0 }$ 决定,电阻 $R _ { 1 0 }$ 为可变电阻,调节其阻值系统可以出现不同的运动状态。当 $R _ { 1 0 } = 1 4 2 7 k \Omega$ 时对应的系统参数 $\beta = 0 . 7$ ,此时电路仿真结果如图18所示。
采用模拟电路验证吸引子多稳态共存现象的数值仿真结果,改变系统参数时,系统参数 $\beta = 0 . 6 4 9$ 时对应的 $R _ { 1 0 } = 1 5 4 0 . 8 k \Omega$ ,先取电容的初始状态为 $C _ { 1 } = 0 . 0 1 , C _ { 2 } = C _ { 3 } = C _ { 4 } = 0$ 并保存实验结果,再取电容初始状态为 $C _ { 1 } = - 0 . 2 0 4 6 , C _ { 2 } = - 0 . 6 7 0 1 , C _ { 3 } = - 0 . 7 4 7 7 , C _ { 4 } = 1 . 2 6 2 8$ ,两者实验结果可得到非对称共存的相图如图19(a)所示;当固定系统参数 $\beta = 0 . 7$ 时,即对应的电阻 $R _ { 1 0 }$ 取值为 $R _ { 1 0 } = 1 4 2 7 k \Omega$ ,取电容初始状态为 $C _ { 1 } = \pm 0 . 0 1 , C _ { 2 } = C _ { 3 } = C _ { 4 } = 0$ ,则可以得到对称共存的相图如图19(b)所示。在固定系统参数 $\beta = 0 . 7$ 的情况下,固定电容 $C _ { 1 }$ 、 $C _ { 2 }$ 、 $C _ { 3 }$ 的初始条件为 $C _ { 1 } = 0 . 0 1$ , $C _ { 2 } = C _ { 3 } = 0$ ,只改变电容 $C _ { 4 }$ 的初始条件,系 统 多 稳 态 的 相 图 如 图 20 所 示 。 此 处 只 列 出 10 种 电 路 仿 真 共 存 相 图 , 5 种 混 沌$( C _ { 4 } = - 1 . 4 , - 0 . 3 5 , - 0 . 1 , 0 , 0 . 1 5 ,$ ) 共存如图20(a),5种周期 $( C _ { 4 } = 0 . 3 , 1 , 1 . 0 6 6 , 1 . 0 7 5 , 1 . 4 5 )$ 共存如图20(b)所示。

图17 四维磁控忆阻混沌电路原理图

图18 四维磁控忆阻混沌电路仿真图

图19 共存电路仿真图

图20 多种周期运动与混沌吸引子共存仿真图
4) 设计含有荷控忆阻器的五维混沌电路,同样进行模块化设计,观测多稳态吸引子的共存现象并与实验(3)结果进行对比与分析
蔡氏电路结构最简单且运动行为丰富,被视为混沌理论和实验研究的典范,在研究中发现存在多种变形蔡氏电路,实验(3)只是设计了其中一种形式的变形蔡氏电路,同学们可以自由发挥进行设计。忆阻器具有丰富的非线性,使得系统的动力学行为更为复杂。实现(3)选择的是三次非线线性磁控忆阻模型进行四维忆阻混沌电路的构建。
考虑若采用其他变形蔡氏电路与忆阻模型搭建更高维的忆阻混沌电路会产生怎样效果?本实验案例设计一种不同于实验(3)变形蔡氏电路1,且用三次非线性荷控忆阻模型替换变形蔡氏电路2中的非线性项,构成含有荷控忆阻器的五维忆阻混沌电路。以下设计过程作为参考。
a)构建含有荷控忆阻器的五维混沌电路
这里采用有源荷控忆阻模型为研究对象,其数学模型表示为
$$ \varphi \left( q \right) = m q + n q ^ { 3 } , M \left( q \right) = \frac { d \varphi \left( q \right) } { d q } $$
$$ \left{ \begin{array} { l } { { \nu = M \left( q \right) i } } \ { { { \cal M } \left( q \right) = m + 3 n q ^ { 2 } } } \ { { { \cal d } q / d t = i } } \end{array} \right. $$
式中,参数 $m$ 和 $n$ 是常量,且参数 $m < 0$ 。
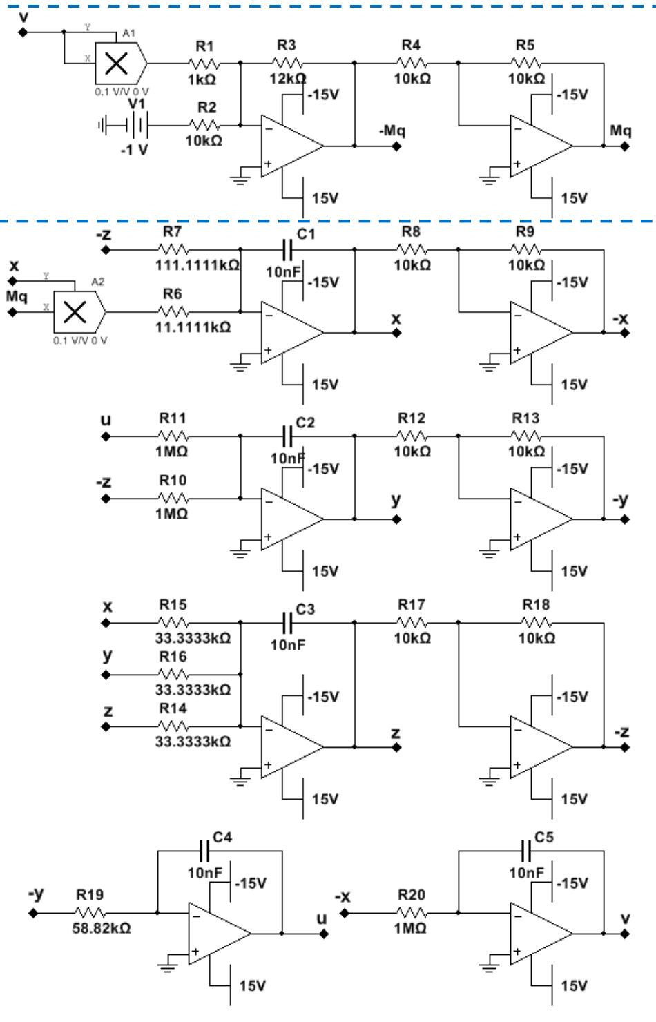
变形蔡氏电路 2 如图 21(a)所示,电路主要由两个电容,两个电感和一个电阻组成,其与经典蔡氏电路相比,电路元件增加了一个电感,且电路结构发生了改变。电感 $L _ { 1 }$ 串联一个荷控忆阻模型构成荷控忆阻混沌电路如图21(b)所示,电路主要由两个电容,两个电感和一个忆阻等五个动态元件组成的,它们所对应的五个状态变量分别是 $\nu _ { { } _ { 1 } } , \nu _ { { } _ { 2 } } , i _ { { \cal L } 1 } , i _ { { \cal L } 2 } , q$ ,其中 $q$ 是荷控忆阻的状态变量。

图 21 电路模型
依据元件的伏安特性以及基尔霍夫电压和电流定律,可以列写出图 21(b)电路的状态方程为:
$$ \left{ \begin{array} { l l } { d i _ { L 1 } / d t = \left[ \nu _ { 1 } - i _ { L 1 } M \left( q \right) \right] / L _ { 1 } } \ { d i _ { L 2 } / d t = \left( \nu _ { 1 } - \nu _ { 2 } \right) / L _ { 2 } } \ { d \nu _ { 1 } / d t = - \left( i _ { L 1 } + i _ { L 2 } + \nu _ { 1 } / R \right) / C _ { 1 } } \ { d \nu _ { 2 } / d t = i _ { L 2 } / C _ { 2 } } \ { d q / d t = i _ { L 1 } } \end{array} \right. $$
令 $x = i _ { _ { L 1 } } , y = i _ { _ { L 2 } } , z = \nu _ { 1 } , u = \nu _ { 2 } , \nu = q , a = 1 / L _ { 1 } , b = 1 / C _ { 1 } , c = 1 / C _ { 2 } , L _ { 2 } = 1 , R = 1 / C _ { 2 } , b = 1 / C _ { 2 } , c = 1 / C _ { 3 } , a = 1$ ,非线性函数 $M \left( \nu \right) = - m + 3 n \nu ^ { 2 }$ 表示忆阻的数学模型,则(22)式可以表示为
$$ \left{ \begin{array} { l l } { \dot { x } = a \big ( z - x M \big ( \nu \big ) \big ) } \ { \dot { y } = z - u } \ { \dot { z } = - b \big ( y + x + z \big ) } \ { \dot { u } = c y } \ { \dot { \nu } = x } \end{array} \right. $$
式中, $x , y , z , u$ 和 $\nu$ 是系统的状态变量; $^ { a , b , c }$ 和 $m , n$ 分别表示系统参数和荷控忆阻模型的参数。
b)模块化设计五维荷控忆阻混沌电路,观察实验结果并与实验(3)结果进行比较
利用运算放大器TL082CP和模拟乘法器AD633的纯模拟电路可实现(23)式所描述的非线性动力学系统,如图 22 所示, $x , y , z , u , \nu$ 分别代表 5 个积分电路通道的电容电压状态变量,RC 为积分时间常数,蓝色虚框部分是实现荷控忆阻 $M$ ,并且与运算放大器反向输入端连接,即可实现本文提出的新型忆阻自激振荡系统。依据图 22 所设计的忆阻电路原图,同时需要注意到乘法器 AD633 的增益系数为0.1,可以得到新型忆阻振荡系统的电路方程为:
$$ \begin{array} { r l } & { [ \cfrac { d x } { d \tau } = \cfrac { 1 } { R _ { \nu } C _ { \ast } } z - \cfrac { 1 } { 1 0 R _ { \nu } C _ { \ast } } ( \cfrac { R _ { \lambda } } { R _ { \lambda } } \mathrm { V _ { i } } + \cfrac { R _ { \lambda } } { 1 0 R _ { \nu } } v ^ { \prime } ) } \ & { \cfrac { d y } { d \tau } = \cfrac { 1 } { R _ { 0 } C _ { \ast } } z - \cfrac { 1 } { R _ { \mathrm { l i } } C _ { \ast } } u } \ & { \cfrac { d z } { d \tau } = - \cfrac { 1 } { R _ { \mathrm { l i } } C _ { \ast } } z - \cfrac { 1 } { R _ { \mathrm { l i } } C _ { \ast } } x - \cfrac { 1 } { R _ { \mathrm { l i } } C _ { \ast } } y } \ & { \cfrac { d u } { d \tau } = \cfrac { 1 } { R _ { \nu } C _ { \ast } } y } \ & { \cfrac { d \nu } { d \tau } = \cfrac { 1 } { R _ { \lambda } C _ { \ast } } x } \end{array} $$
通过先设定电容值以及相关器件的取值,并依据方程组(24),可以计算出原理图 22 中所有电阻的取值。电路中各个模拟器件的参数取值如下表2所示。
表 2 五维荷控忆阻混沌电路的参数取值
| 电路参数 | 值 | 电路参数 | 值 |
| 电阻器Ri | 10kΩ | 电阻器R | 33.33kΩ |
| (i = 2,4,5,8,9,12,13,17,18) | (i =14,15,16) 电容器Ci | ||
| 电阻器R (i =10,11,20) | 1MΩ | ( = 1,2,3,4,5) | 10nf |
| 电阻器R | 1kΩ | 电阻器R | 111.11kΩ |
| 电阻器R | 12kΩ | 电阻器R19 | 58.82kΩ |
| 电阻器R6 | 11.11kΩ | 直流电源V | -1V |
在模拟电路仿真中,调节电路中电阻器 $R _ { \mathrm { 1 9 } }$ 可以改变忆阻混沌系统的参数 $c$ ,而电路中电容初始值的设定则表示给定系统运动的初始状态。采用模拟电路验证共存现象的数值仿真结果,设定$R _ { _ { 1 9 } } = 5 5 . 8 7 k \Omega$ 即参数 $c = 1 7 . 9$ ,电容初始状态分别为 $C _ { 1 } = \pm 1 0 ^ { - 4 }$ , $C _ { 2 } = C _ { 3 } = C _ { 4 } = C _ { 5 } = 0$ ,得到如图 23(a)所示的单涡卷共存;当电阻器 $R _ { 1 9 } = 5 8 . 8 2 k \Omega$ ,然后分别设定电容值为 $C _ { 1 } = \pm 0 . 7 2$ ,其余电容值为零,所得的共存波形如图 23(b)所示;若 $C _ { 1 } = \pm 1 0 ^ { - 4 }$ , $C _ { 5 } = \mp 0 . 2 2$ ,其余电容为 0,得到的拟周期共存如图 23(c)所示;而取电容值为 $C _ { 1 } = \pm 0 . 5 , C _ { 5 } = \pm 0 . 1 4$ ,剩余电容仍为 0,非平衡点集处的不对称吸引子共存如图23(d)所示。
可见,在不同系统参数 $c$ 条件下,系统出现混沌、周期、拟周期等运动状态,由此验证模拟电路实现该荷控忆阻混沌系统的可行性。为进一步探究实际硬件电路实现该忆阻混沌系统奠定了基础。

图 22 五维荷控忆阻混沌电路原理图

(a) 单涡卷共存

(b) 周期 2 共存

图 23 Multisim 仿真共存相轨图
8. 教学实施进程
-
任务安排:指明实验的目的性与方向性;教师明确并细化任务,确保任务的提前传达;学生需尽快熟知任务安排并着手预习;
-
预习自学:预习准备关系到实验能否顺利进行和收到预期效果的重要前提;在实验开始之前,教师对学生的预习情况进行检查,不了解实验内容和无预习报告者不能参加实验;学生需要充分预习,完成预习报告;
-
现场教学:提升学生的感性认识与学习兴趣;教师重点讲授实验要求及注意事项,确保安全的前提下完成实验操作,学生仔细聆听进行相关记录;
-
分组研讨:锻炼学生的合作与交流能力;教师负责督促与解决学生提出的问题,学生充分讨论与交流,为实验做充足的准备;
-
现场操作:加强学生对知识的学习,提高学生的动手能力;教师来回巡查重点关注实验的安全问题,学生确保实验安全认真完成实验,并进行实验测试与结果记录;
-
结果验收:学生在实验测试与结果记录完成后送教师处检查签字,在教师签字验收实验结果后,拆除实验电路,清理实验桌面,经教师同意后方可离开教师。
-
总结演讲:提高学生的总结与表述能力;学生根据实验结果进行总结并以 PPT 的形式进行汇报演讲,教师提出问题与改进建议。
-
报告批改:实验报告是对实验工作的全面总结,培养学生严谨的科学态度;学生的实验报告要求文理通顺、简明扼要、字迹端正、图表清晰、结论正确、分析合理、讨论深入,教师按照以上标准进行批改,确保公平公正。
9. 实验报告要求
-
根据KVL和KCL原理,推导出蔡氏电路图的数学模型,给出附加电路图的推导方程;
-
根据蔡氏电路系统,给出 Multisim软件的电路原理图以及各种仿真图;
-
将蔡氏电路硬件图的实验波形,包括时序图、相位图、功率谱图,放到实验报告里,并用实验图与仿真图比较验证;列数据表,记录对应系统的不同运动的电阻值的大小;
-
推导出无感等效电路图的完整设计过程;绘出此时 Multisim 软件的电路原理图以及仿真波形;分析无感等效电路硬件实验的波形图;
-
设计一个改进蔡氏电路,增加磁控忆阻器构建四维磁控忆阻混沌电路并推导出数学模型;模块化设计四维忆阻混沌电路,绘制原理图并利用 Multisim 软件仿真,记录仿真结果,重点观察共存现象并分析;(研究生必写内容)
6)设计另一个改进蔡氏电路,结合荷控忆阻器构建五维荷控忆阻混沌电路;推导出此混沌电路的数学模型并进行模块化设计,同样绘制原理图并利用 Multisim 软件仿真,记录各种仿真图形;重点对比与分析此实验结果与(5)中图形的异同;(选写内容)
7)说明实验中遇到的问题以及解决办法,并总结实验的心得体会与收获。
实验思考题:
1)本实验中,非线性负阻元件的作用?LC 谐振电路以及RC 移相器的作用各是什么?
2)根据实验结果,讨论蔡氏电路中电阻值对系统运动行为的影响?
3)比较经典蔡氏电路与等效无感蔡氏电路,说明各有什么优点和缺点?
4)在设计无感蔡氏电路的过程中,分段函数的处理主要利用了什么方法?还能采用哪些方法?
5)阐述限幅电路的原理?
6)忆阻器有哪些特点?忆阻器可以怎样分类?
7)忆阻混沌电路与一般混沌电路有哪些异同?
8)忆阻混沌电路中的多稳态共存想象如何观测?有哪些特点?忆阻混沌电路有哪些应用领域?
10.考核要求与方法(限 300 字)
考核要素:
1)评分标准:预习报告 $2 0 %$ ,实验操作 $3 0 %$ ,演讲答辩 $2 0 %$ ,实验报告 $3 0 %$
2)电路图形的设计合理性监测,是否有自主设计的创新型电路图;
3)硬件电路实验面包板或者其焊接板,能够正常调试出输出波形;
4)硬件实验波形与电路模拟仿真图形是否一致,并分析参数影响;
5)实验报告是否规范性与完整。
报告要求:
1)实验报告的内容:实验报告应包括实验名称、目的、原理、步骤、现象与结果(包括实验结果分析、实验过程遇到的问题及体会)、讨论等内容。2)实验报告的要求:认真填写实验报告,文字精练,画图准确,讨论认真。实验步骤完整。在实验前要做好预习报告,完成电路模拟仿真过程。鼓励创新型的实验电路设计和内容的呈现。
11.项目特色或创新(可空缺,限 150 字)
1)内容新颖:运用到线性与非线性电路、电子学以及非线性动力学学科知识,综合性强,从简单电路拓展到忆阻混沌电路,属于前沿研究领域;
2)灵活性强:针对本科生和研究生课程分层次教学,实验方法多样性,兼顾课内外学时;
3)软硬件相结合:锻炼学生编程能力和实践动手操作能力;
4)教学科研相结合:培养学生的科研素养。
附录:(已获得与本实验相关的研究成果)
1. 发表论文
- 闵富红, 彭光娅, 叶彪明, 王恩荣. 无感蔡氏电路混沌同步控制实验[J]. 实验技术与管理,2017, 34(2): 43-46.
- 马美玲, 闵富红, 邵书义, 黄苗玉. 基于符号函数的注入反馈式蔡氏电路同步控制[J]. 物理学报, 2014, 63(1): 010507.
- 闵富红, 马美玲. 基于二极管的限幅蔡氏电路实验研究[J]. 电气电子教学学报, 2014, 36(4):$4 8 \substack { - 5 1 + 5 8 }$ .
- 马美玲, 闵富红, 邵书义, 黄苗玉. 蔡氏电路系统的非线性反馈同步电路实现[J]. 南京师范大学学报, 2013, 13(3): 1-8.
2. 国家专利
- 彭光娅, 闵富红, 王耀达, 王珠林. 一种含有三次项的三维混沌电路, 实用新型, 授权公告号:CN205792619U, 授权公告日: 2016.12.07.
- 王珠林, 闵富红, 王耀达, 彭光娅等. 一种四维忆阻器混沌电路, 实用新型, 授权公告号:CN205490587U, 授权公告日: 2016.08.17.
- 闵富红, 王珠林, 彭光娅, 王耀达. 含有忆阻器的四维分数阶混沌系统电路, 发明专利, 申请公告号: CN105490801A,公布日: 2016.04.13.
- 闵富红, 马美玲, 邵书义, 黄苗玉等. 一种基于反馈电流设计的蔡氏混沌系统同步控制电路,发明专利, 授权公告号: CN103414548A, 授权公告日: 2016.02.24.
3. 获奖
1)2012 年,江苏省普通高校本科团队优秀毕业设计,非线性混沌电路的同步控制与电路实验研究,学生:马美玲,黄苗玉,指导老师:闵富红,王恩荣
2)2012 年,江苏省普通高校本科优秀毕业设计三等奖,非光滑变形蔡氏电路的投影同步与硬件实现,学生:黄苗玉,指导老师:闵富红,王恩荣
实验案例信息表
| 案例提供单位 | 南京师范大学电气与自动化工程学院 | 相关专业 | 电气工程及其自动化 | |||
| 设计者姓名 | 闵富红 | 电子邮箱 | minfuhong@n jnu. edu.cn | |||
| 移动电话 | 13915982987 | 通讯地址(含邮编) | 南京市玄武区板仓街78号46信箱(210042) | |||
| 设计者姓名 | 彭光娅 | 电子邮箱 | 151802012@stu. njnu.edu. cn | |||
| 移动电话 | 18805162886 | 通讯地址(含邮编) | 南京市玄武区板仓街78号46信箱(210042) | |||
| 设计者姓名 | 叶彪明 | 电子邮箱 | 61049@n jnu. edu.cn | |||
| 移动电话 | 13951926574 | 通讯地址(含邮编) | 南京市玄武区板仓街78号46信箱(210042) | |||
| 相关课程名称 | 电路原理,模拟电路,非线性电路 | 学生年级 | 本科生研究生 | 学时(课内+课外) | 2/24/4 | |
| 支撑条件 | 仪器设备 | 直流稳压电源±15V,双踪示波器UTD4062C,FD-NCE-II非线性电路混沌实验仪,万用表,函数信号发生器 | ||||
| 软件工具 | Matlab 软件,Multisim 软件 | |||||
| 主要器件 | 若干电阻,电容,电感;30个运算放大器 TL082CD;10个二级管1N5712,导线若干等 | |||||