拔河游戏电路设计
实验题目:拔河游戏电路设计
1. 课程简要信息
课程名称:数字电子技术
课程学时:60
项目学时:2
适用专业:船舶电气工程技术
学生年级:大二上学期
2. 实验内容与任务(限 500字,可与“实验过程及要求”合并)
1)拔河游戏需要 9 个发光二极管排成一行组成电子拔河绳,开机后只有中间一个点亮,以此作为拔河的中心线;
2)游戏开始,双方各持一个按键,迅速不断地按动产生脉冲,哪一方按得快,亮点向哪一方移动,每按一次,亮点移动一次;
3)亮点移到任一方终端二极管点亮,此方获胜,此时双方按键无作用,输出保持,复位后亮点恢复到中心线;显示器显示胜利者盘数。
3. 实验过程及要求(限 300 字)
1)设计拔河游戏机的逻辑电路 ;
2)逻辑电路中使用的 9个发光二极管作为电子拔河绳,开始时,只有中间位置发光二极管亮;
3) 比赛双发各持一个按键,快速按按键,产生脉冲,发光二极管向按键快的一方移动,每按一次发光二极管移动一位;
4) 发光二极管移动到一方一端该方获胜,此时双方按钮被锁,操作无应答,状态保持,裁判按动复位键,中间二极管再次点亮;
5)七段数码管用于显示双方获胜盘数;
4. 相关知识及背景(限 150 字)
此实验运用数字电子技术模拟出生活中的场景,需要掌握基本 RS触发器、计数器、4线-16线译码器、显示译码器、七段数码管等多个单元电路的综合应用。分析设计拔河游戏机的组成以及个单元的功能原理。掌握各芯片引脚排列以及功能。
5. 实验环境条件
电子实训室; $+ 5 \mathrm { V }$ 直流电源、译码显示器、逻辑电平开关、CC4514 4 线-16线译码器、CC40193同步加/减计数器、CC4518十进制计数器、CC4081 与门、CC4011 与非门、CC4030 异或门、电阻。
6. 教学目标与目的(限 150 字)
在较为完整的综合实验项目实现过程中引导学生了解基本 RS 触发器以及译码器和计数器的基本知识;引导学生根据需要设计电路,选择元器件,设计优化,并通过实验结果对实验项目作出评价。
7. 教学设计与实施进程
本实验的过程是一个比较完整的综合性数字电路实验,需要经历学习研究、框图设计、电路设计、电路调试、设计总结等过程。在实验教学中,应在以下几个方面加强对学生的引导:
1)实验设计主要是控制发光二极管发亮由中心向速度快的一方移动,采用可预置数的加/减计数器作为控制器件,计数器的输出经译码器对发光二极管控制。当脉冲加输入时,做加运算而发亮的二极管向增大一方移动,相反,当脉冲减输入时,发亮二极管向相反方向移动。
2) 当发光的二极管移动到一方一端时,由点亮终点二极管的信号将加/减脉冲信号封锁,电路自锁,电路自动加分。
3) 控制电路由振动器产生脉冲信号输入到计数器中。在设计中,要注意学生设计的规范性,电路的可执行。
8. 实验原理及方案
1)拔河游戏机线路框图

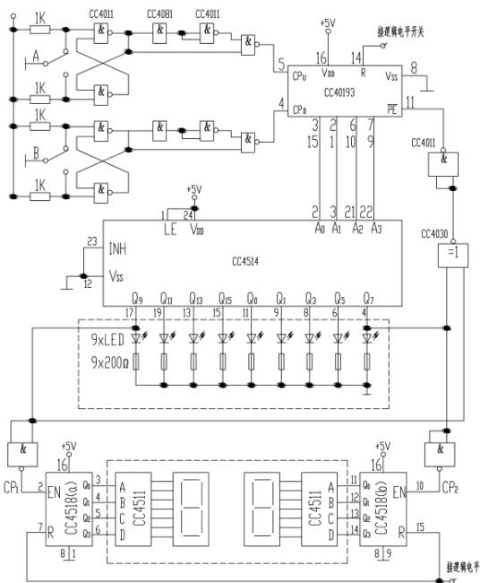
2) 实现方案电路图

可逆计数器 CC40193原始状态输出为 0000,经过译码器点亮中间位二极管。按动 A、B按键时,产生两组脉冲信号,经过整形电路分别加到可逆计数器,输出后经译码器译码驱动发光二极管点亮并产生移位,当发光的二极管移动到一方终点时,控制电路将状态锁定,按动复位键,中间位二极管发光,比赛重新开始。将双方二极管分别经过两个与非门接到两个十进制计数器CC4518 的允许控制端 EN,任一方取胜,二极管亮,产生一个下降沿使其对应的计数器计数。显示器显示取胜盘数。
译码器两个输入端四个输出端,进行加/减计数,选用 CC40192 双时钟二进制同步加/减计数器完成。
CC40193是可逆计数器,控制加减 CP脉冲分别加至 5、4 引脚,当电路要求加法计数,减法输入的 $\mathrm { C P _ { D } }$ 必须接高电平;进行减法计数时,加法输入端也必须接高电平。若不使用整形电路,A、B 产生的脉冲直接加到引脚上,就有很多时候进行计数输入时另一计数输入段为低电平,不能计数,双方按键失灵。加整形电路后,有效解决这一问题,整形电路由与门和与非门实现。
CC4514 位 4-16 线译码器,输出 $\mathsf { Q } _ { 0 } ^ { \sim } \mathsf { Q } _ { 1 4 }$ 分别接 9 个发光二极管,二极管负端接地,正端接译码器,输出高电平二极管点亮。比赛开始前,译码器输入 0000, $\mathrm { Q } _ { 0 }$ 输出为“1”,中心二极管亮,当编码器进行加法计数时,亮点右移,反之左移。
控制电路是指示出胜负,亮点移动到一端时,该方胜,按键无效。用异或门和非门实现。
胜负显示,将双方终端二极管正极经与非门后的输出分别接到 2个计数器的 EN 端,输出接显示译码器 ABCD,当一方取胜,终端二极管亮,产生上升沿,相应计数器加一。
复位,为能进行多次比赛进行复位操作,亮点返回中心点,CC40193 清零端实现。
9. 实验报告要求
1)根据实验要求设计电路,画出电路设计框图,及电路接线图。
2)选用合适的芯片,并绘出其功能表;
3)记录实验结果,分析故障原因,进行实验结果总结。
10.考核要求与方法(限 300 字)
实验预习,要求在实验课前完胜预习报告,对实验内容、目的、实验设备、仪器、质疑事项等均应明确,未完成预习报告,不能进行实验;电路设计的可执行性,电路连接后是否能实现拔河设计要求;
实验过程,实验元器件的选择以及检查,接线的正误,仪器仪表的正确使用,故障排除等,打分满分为 40分,由实验指导教师在实验结束时打分。学生未在规定时间内完成实验,择期重做;
实验报告,全面评价实验报告,包括实验现象及结论,纠错分析,结论,思考与建议。满分 60分。
实验占整个课程成绩的 $2 0 %$ ,且实验成绩是数字电子技术这门课程成绩获得的必要条件。
11.项目特色或创新(可空缺,限 150 字)
项目的特色在于:项目背景的工程性,知识应用的综合性,实现方法的多样性。
佐证材料
(1) 课程标准(大纲)
《数字电子技术》课程标准
一、制定课程标准的依据
本课程标准依据船舶电气类专业人才培养目标和培养规格以及对《数字电子技术》课程教育目标要求而制定,主要用于指导《数字电子技术》的课程教学与课程
二、课程的性质与作用←
《数字电子技术》是船舶电气技术专业的支撑课程,是一门理论与实践相结合的专业基础课程。它由维修电工、船舶电工、无线电调试工、电子电气员等职业
(2) 实验报告书

(3)
教学现场
