数控函数信号发生器
实验题目:数控函数信号发生器
1. 课程简要信息
课程名称:电子电路课程设计;学时:48 学时(2 周实训周);专业:电子科学与技术、通信工程、自动化等专业课题;开课时间:三年级上学期。
2. 实验内容与任务(限 500 字)
数控函数信号发生器的功能是,用数字电路技术产生几组函数信号,输出信号的频率和电压幅度均由数字式开关控制。
1.基本任务
1)输出正弦波波信号频率范围: $1 0 \mathsf { H z } \sim 1 . 2 5 \mathsf { K H z }$
2)输出正弦波信号最大电压:5V(峰峰值)。
3)输出频率最小步长:5Hz
4)幅度选择档位:64档
I.扩展任务
1)实现三角波、脉冲波及锯齿波信号的产生。
2)输出频率变化最小步长:1Hz
3. 实验过程及要求(限 300 字)
1)了解数控函数信号发生器电路的工作方式和工作原理;
2)根据指标要求结合整体电路考虑,合理选择锁相电路、晶振、各种计数器、D/A转换器,存储器等元器件。
3)根据电路整体结构要求,设计各单元电路:锁相环电路、频率控制电路、波形产生电路、幅度控制电路等,最后画出整体电路图。
4)撰写预习报告,分组讨论设计难点和疑点,比较各种设计方案特点,确定具体设计电路;并仿真该电路。
5)根据设计,合理布线,在面包板上实现整体电路功能;
6)撰写设计总结报告,交流实现情况,总结设计心得。
4. 相关知识及背景(限 150 字)
数字信号源是目前发展较快的领域, 用途很广。这种采用数字合成技术的信号源的一个明显的优点是:通过改变读取信号的速度,或者通过改变样点的读取,它的输出频率可以方便的进行控制,还可以实现调频,扫频等其它功能。再者,这种信号源可以由计算机控制,实现多种波形的函数信号发生器。
5. 教学目标与目的(限 100 字)
实验中经过资料的查阅,设计方案的选择,电路的绘制、仿真和实现,设计报告的撰写这一系列的训练过程,提高了学生排除故障解决问题的能力,培养了工程设计的科学素质。
6. 教学设计与引导
本实验是一个比较完整的内容,需提前给学生一些设计思路的引导,设计过程中适当进行指导,实验完成后帮助学生作出总结和改进。教学过程中主要在以下几个方面加强指导:
1)引导学生主动去了解一些关于频率合成器、波形产生电路的工作原理和过程。
2)要求学生查阅锁相电路、D/A转换器和存储器的相关器件知识。
3)为了达到题目的频率范围要求,提示学生如何选择合适的晶振,产生多少频率的时基信号。
4)存储器的地址单元中存放正弦信号的幅度量化值,量化后的正弦函数表计算方法有多种,结果也不唯一,请同学自行分析正弦函数表的算法。需要注意的是,函数表中的量化值必须是 8位。为了后续电路设计方便,量化值应是整数形式。
5)本课题中各个电源电路之间的关系基本是串补连接,前后两个电路互为因果,所以调测时先逐个调测各个单元电路,然后再由前到后不断接入单元电路,扩大联测范围。
6)调测过程中要认真分析相互信号频率值和电压幅度值,不可只看波形不计量值。整个实验过程中注意学生设计的规范性,包括设计方法、电路绘制、电路搭建和调测等方面;注意方式方法的指导,引导学生观察工作电源、元件参数等对系统指
标的影响,对电路稳定性和可靠性的影响。
7. 实验原理及方案
1)系统结构

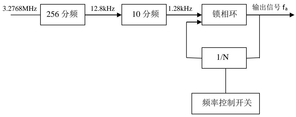
图 1 数控函数发生器参考系统框图
图 1 可作为参考系统框图。频率控制开关控制数字频率控制电路的输出信号频率,由此改变计数器的循环计数速度。计数器作为存储器的地址发生器,依次存储器中取出正弦信号的样值,该样值经 D/A 变换后产生正弦波信号。幅度控制开关控制幅度控制电路,使输出信号的电压幅度变化。
2)实现方案
(1)频率控制电路
频率控制电路包含时基电路、频率控制开关和锁相环(PPL)电路。PLL 的VCO输出波形为 TTL 脉冲波。若要求输出正弦信号频率为 $1 0 \mathsf { H z } \sim 1 . 2 5 \mathsf { K H z }$ ,则要求模 256计数器输入时钟信号的频率范围为 $2 . 5 6 \mathsf { K H z } \sim 3 2 0 \mathsf { K H z }$ ,即频率控制电路产生的脉冲波频率范围的下限应为 2.56KHz,上限应为 $3 2 0 1 / 1 2$ 。为此,将选定的 3.2768MHz 晶振经过2560分频产生 1.28KHz时基信号,PLL 电路中的程序分频器为8 位二进制计数器,频率控制开关也是8位,控制程序分频器的分频比为 $2 \sim 2 5 0$ ,利用锁相环倍频功能,产生 2.56KHz 至 320KHz 频率的 TTL 脉冲波,频率步进为 1.28KHz,再经过256个地址计数器的分频可以得到最小 5Hz频率。
PLL 电路可以采用常用的集成锁相环芯片 CD4046 实现,学生根据芯片的参考资料,可以自行设计 PLL 电路中的环路滤波器,环路滤波器的相关理论知识可参考有关教科书。

图2 频率控制电路
(2)存储器及正弦函数表
EEPROM存储器的0-255个地址单元中存放正弦信号的幅度量化值。字长为8位,EEPROM存储器的0-255 个地址单元中存放正弦信号的幅度量化值。量化后的正弦函数表计算方法有多种,结果也不唯一。需要注意的是,函数表中的量化值必须是 8位。为了后续电路设计方便,量化值应是整数形式。
下面给出一个正弦函数表的算法设计例子,用C语言进行如下编程:
#include<stdio.h>
#include<math.h>
#define pi 3.1415926
void main()
{ int n,I; float m; for( $\mathrm { \Delta } \cdot \mathrm { n } { = } 0$ ;n<256; $\mathrm { n } { + } { + } ,$ ) { m=(255+255*sin(2*pi/255*n))*0.5 $\mathrm { i } =$ int(m); if $( \mathrm { m - 1 } ) { = } 0 . 5$ )
print(“﹪5x”, $\mathrm { i } + 1 \mathrm { \ i }$ ); else
print (“﹪5x”,i); }
}
输出数据作为 EEPROM 里面输入的正弦函数表:
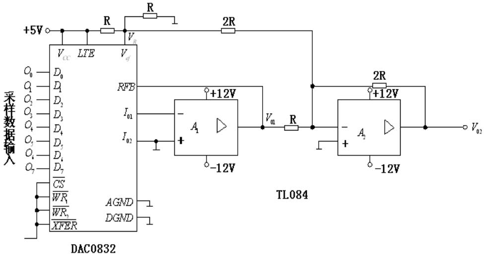
(3) 正弦波产生电路
模拟正弦波产生电路采用 D/A 变换器实现,参考电路如图 3 所示。设计时应注意, $\mathsf { V } _ { 0 1 }$ 是一单极性电压,其电压值由下面的公式得出。为了使正弦信号的输出不含直流分量,需要产生 $\mathsf { V } _ { 0 2 }$ 作为输出信号,实现双极性输出。这里 $V _ { R } = 2 . 5 V$ ,Vopp $\mathtt { \Pi } = 5 \mathtt { V }$ 。
$$ V _ { 0 1 } = - \frac { V _ { R } } { 2 } \sin \omega t - \frac { V _ { R } } { 2 } $$
$$ V _ { 0 2 } = - ( 2 V _ { 0 1 } + V _ { R } ) = V _ { R } \sin \omega t $$

图3 正弦波产生电路
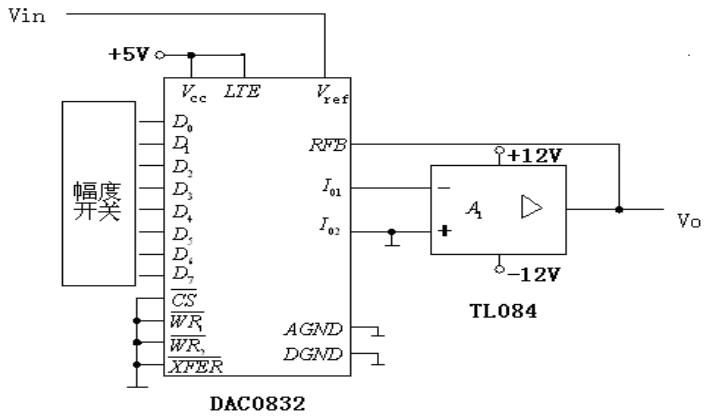
(4)幅度控制电路
幅度控制电路如图 4所示,由D/A电路构成。正弦信号从 Vref输入,利用 DAC0832内部的R-2R电阻网络构成衰减器,实现幅度的程控放大。幅度开关有6 位(相当于64个档位),分别接入 ${ \mathsf { D } } _ { 2 } { \sim } { \mathsf { D } } _ { 7 }$ ,在这6位开关的组合下,输出信号的幅度控制范围可以从 $0 \sim 5 \mathsf { V }$ ,步进大约为 $7 8 \mathsf { m } \mathsf { V }$ ( $\scriptstyle \langle 5 / 6 4 = 0 . 0 7 8 1 2 5 \rangle$ )

图 4 数字幅度控制电路
(5)实现函数发生器
将 EEPROM 存储器的其它地址单元存放各种函数信号的幅度量化值(例如三角波、脉冲波及锯齿波信号)。字长为 8 位,增加几个波形选择开关(接入 EEPROM 存储器的高位地址),就可以方便的输出包括正弦波的各种函数波形。
(6)提高频率分辨率
通过降低PLL电路的参考频率(即频率步进)和提高程序分频器的最大分频比,可以提高输出信号的频率分辨率。将 3.2768MHz 晶振经过 12800 分频产生 $2 5 6 \mathsf { H } z$ 时基信号,PLL电路中的程序分频器为 11位二进制计数器,其最大分频比为 2048,频率控制开关也是 11 位,控制程序分频器的分频比为 $1 0 { \sim } 1 2 5 0$ ,利用锁相环倍频功能,产生2.56KHz至 320KHz频率的方波,频率步进为 $2 5 6 \mathsf { H } z$ ,相当于输出信号的频率步进为 1Hz(256/256)。
(7)器件的选择与输出频率关系
本课题的最高输出频率受器件的最高工作速度的影响,主要是 EEPROM 存储器的读取时间和波形 D/A 变换器的转换时间。为了方便学生的实验,我们采用的是速度比较低的 EEPROM 存储器(28C64)和波形 D/A 变换器(DAC0832)。前者的读取时间约为250ns,后者的转换时间约为 1us。可以看出 D/A变换器的速度更低,影响也更大。为此,我们将产生波形的点时钟(即 PLL 的输出频率)设计为最高 320KHz,从而降低了对器件速度的要求。
(8)本实验的延伸与创新
本实验提供学生一套以上所描述的基本器件外,鼓励学生利用单片机实现频率和幅度步进,也可以使用 DDS 技术实现函数,或者用实验箱上 FPGA XC3S50TQ144 实现各种数字电路功能。在学生充分理解函数信号发生器基本原理的基础上,对其实现的手段不限,充分发挥学生主观能动性和创造性。
8. 教学实施进程
1)设计要求和提示(2 学时)
2)查阅资料、设计电路(同学独立完成,1 天半)。
3)讲述装配方法和调测要求(2 学时)。
4)面包板装配和调测(同学独立完成,一人一组)。
5)验收
6)撰写报告、讲评、收尾
9. 实验报告要求
实验报告需要反映以下工作:
1)课题概述
2)整体方案论证
3)单元电路设计与参数选择
4)单元电路调测与故障处理过程
5)整体电路 CAD 电路图
6)实验数据记录
7)数据处理分析
8)实验结果总结
10.考核要求与方法(限 300 字)
1)实验预习:实验方案的选择和论证,实验电路初稿绘制。
2)实验操作:电路搭建和调测的规范性,仪器仪表的使用,调测方法的正确性。
3)实物质量:电路摆布的合理性,搭建质量。
4)实物验收:功能与性能指标的完成程度,完成时间。
5)自主创新:功能构思、电路设计的创新性,自主思考与独立实践能力。
6)实验报告:实验报告的规范性与完整性,测试数据和测量误差。
11.项目特色或创新(可空缺,限 150 字)
函数信号发生器是仪器仪表中的基本电路,原理简单,但实现方法多样,涉及到较多的相关模拟电路、数字电路知识以及 C 语言知识。对于学生来说设计思路明确,容易理解。对于教学来说,也可以方便的进行变化,根据学生的能力强弱确定不同的实现要求,适应不同的教学要求。教学中采用引导式教学方法,充分调动学生学习的主动性,获得更好的教学效果
实验案例信息表
| 案例提供单位 | 南京邮电大学 | 相关专业 | 电子科学与技术、通信工程、自动化等专业 | |||
| 设计者姓名 | 张瑛 | 电子邮箱 | zhangy5@njupt.edu.cn | |||
| 移动电话 | 13851698913 | 通讯地址(含邮编) | 江苏省南京市栖霞区文苑路9号京邮电大学电子学院,210023 | |||
| 设计者姓名 | 孙广辉 | 电子邮箱 | sunguanghuisun@126. com | |||
| 移动电话 | 15952723845 | 通讯地址(含邮编) | 扬州市润扬南路 33 号南京邮电大学通达学院 | |||
| 设计者姓名 | 徐兆青 | 电子邮箱 | xu_zhaoqing@126.com | |||
| 移动电话 | 13615250893 | 通讯地址(含邮编) | 扬州市润扬南路 33 号南京邮电大学通达学院 | |||
| 相关课程名称 | 电子电路课程设计 | 学生年级 | 三年级 | 学时(课内+课外) | 48 | |
| 支撑条件 | 仪器设备 | 直流稳压电源、万用表、数字示波器 | ||||
| 软件工具 | MULTISIM、ISE等 | |||||
| 主要器件 | DAC0832、XC3S50TQ144、74LS393、EEPR0M、CD4046、TL084 等 | |||||