晶体管特性测试仪的设计与实现
实验题目:晶体管特性测试仪的设计与实现
1.课程简要信息
课程名称:电子技能综合实训
课程学时:课内 50学时,课外20学时
项目学时:课内 20学时,课外设置答疑时间
适用专业:电子信息类专业
学时年级:三年制大专第三学期
2.实验内容与任务
晶体管是组成各种电子线路最基本的元件,其特性参数直接影响着电路性能。设计便携式晶体管特性测试仪,能够实现晶体管基本的输入输出特性测试功能,可应用于基础实验课程教学和实验室常规晶体管的筛选使用。
1) 基本要求
(1) 设计的晶体管特性测试仪可进行晶体管类别选定、输入输出特性测试、测试结果保存等操作;
(2) 设计模拟电路并绘制电路原理图,包括:阶梯电流源电路、扫描电压源电路、微控制器单元电路、采样电路和供电电路。
(3) 设计实现微控制器单元模块软件功能,负责信号采集、传输、数据存储与处理,并发送控制命令,产生测试电路所需要的电流源和电压源。
(4) 实物电路焊接,硬件电路与软件功能联合调试,测试系统功能。
2) 提高内容
(1) 设计可调阶梯电压源电路测试场效应管特性参数,以扩展测试仪功能;
(2) 整合利用电路板空间,自行绘制扩展功能的印制电路板,优化设计软件功能,实现场效应管特性测试。
3.实验过程及要求
自学预习:
(1) 复习晶体管(二极管、三极管和场效应管)输入输出特性;(2) 查阅资料,了解已有晶体管特性测试仪工作原理及单元电路构成,确定自制晶体管特性测试仪设计方案;
思考讨论与设计优化电路:
(3) 根据实验要求和设计方案,选择元器件并设计电路,采用 Multisim软件进行电路仿真,针对仿真中出现的问题进一步优化参数;
搭建平台熟悉开发环境:
(4) 学习微控制器应用方案及软件开发环境,设计程序流程,编写代码;
实物电路焊接与测试:
(5) 元器件焊接,实物电路制作并进行调试;
(6) 示波器测试实物电路各模块参数是否满足设计要求;
(7) 测试晶体管特性,并将测试结果与实验室已有仪器测试结果对比;
总结验收:
(8) 撰写设计总结报告,交流总结经验和收获。
4.相关知识及背景
晶体管是一种影响整个电子行业发展的重要电子元器件,晶体管特性图示仪作为测量测试仪器,在晶体管的筛选使用过程中发挥着重要作用。随着电子技术的飞速发展与应用,晶体管特性测试仪的发展也日趋数字化和智能化。
本实验围绕晶体管特性测试仪的设计制作展开,涉及模拟电子技术、电路仿真和程序开发应用等知识,学员需要掌握电路设计与仿真方法,具备编程基本技能,并能熟练使用示波器、万用表等常用电路调试工具。
5.实验环境条件
(1)硬件资源主要包括万用表、示波器、信号发生器、直流稳压电源、晶体管图示仪、常用电子元器件(电阻、电容、开关、插座等)、集成电路(三端稳压器、电流源芯片、运算放大器、DC-DC 等)、电烙铁等。
(2)软件设计工具:Altium Designer(电路原理图绘制)、Multisim(电路仿真)、Keil(软件开发平台)。
6.教学目标与目的
以完整的电子电路系统设计为牵引,引导学员将理论知识的学习应用到具体实践中,整个实验以原理电路设计、参数仿真优化、实物电路制作、软件编写调试、系统联合运行环环相扣,一方面提高学员动手实践和解决实际问题的能力,同时增强思考探索的兴趣和动手操作的热情,培养探究精神。
7.教学设计与实施进程
1)教学设计引导
本实验是一个比较系统的工程实践,需要经历查阅资料、方案论证、系统设计、电路仿真、程序编写、实物电路焊接和调试、设计总结等过程。在实验教学中,应在以下几方面对学员加以引导:
(1)晶体管特性测试仪在半导体器件研发、生产与制造中广泛使用,涉及教育、科研及工农业生产各个环节,了解其电路原理与构造是电子类专业学生应掌握的基本技能;
(2)学习电路系统设计的基本方法,掌握在实际应用中,如何根据具体要求设计实现功能电路,并采用软件仿真检验电路性能,根据出现的问题进行优化;
(3)实验采用半开放式设计,只对需要实现的电路模块功能作出要求,对采用何种器件、何种形式电路没有具体要求,学员可利用所学知识或自行查阅资料进行自主设计,但教员要对设计过程中需要考虑的一些共性问题进行引导;
(4)在信号发生电路的设计过程中,要考虑测试仪对不同类别晶体管的适应性,即基极阶梯电流源的方向;集电极连续可调的扫描电压应实现 0V 起调,可通过软件仿真优化电路参数;
(5)硬件电路设计中不同元器件各个参数指标不同,引导学员在实际选取的时候综合考虑性能、成本等因素;
(6)软件设计要实现集电极电压源与基极阶梯电流源保持同步,基极阶梯电流源阶跃周期即集电极电压扫描周期;
(7)一个完整的系统,还需要考虑各个模块之间信号传输、驱动能力以及抗干扰能力;
(8)实验过程中引导学员思考所用到的知识,针对实验过程出现的问题分析可能的原因并改进;
(9)实验完成后,引导学员扩展系统功能,给出可行的设计方案。
2)实施进程
教学实施进程分五个阶段进行,课内 20 学时,课外设置答疑时间。教学实施进程安排如下:
第一阶段(2 学时):教员介绍项目工程背景,引出晶体管特性测试仪的设计制作,简要介绍现有测试仪的基本原理、构成;说明整个实验内容和要求;讲解资料文献查阅途径和方法;学员查阅文献资料,加深对整个项目内容的理解,明确实验需要完成的任务,熟练使用电路设计和仿真软件。
第二阶段(6 学时):教员验收检查学员对晶体管测试仪了解程度,根据晶体管测试仪功能模块,引导学员设计硬件方案,自行选择芯片和其他关键元器件,对各模块硬件电路进行设计并仿真优化参数,完成整个测试仪硬件电路设计部分。
第三阶段(4 学时):硬件电路方案优化完成后制板,由学员进行元器件焊接,逐个模块调试,注意各模块电路参数是否满足设计要求,各部分调试通过后进行整体连接。
第四阶段(6 学时):学员熟悉软件编程调试环境,教员引导学员根据系统功能要求进行软件设计,包括驱动信号控制模块、数据采集与处理模块、信号传输模块等,注意在实现系统功能的基础上要增强系统可靠性和稳定性。
第五阶段(2 学时):硬件电路与软件系统联合调试优化,实物晶体管测试并对比现有测试仪器结果,整理记录测试数据;教员组织学员交流讨论目前所设计系统的优劣,综合考虑电路性能、成本、元器件选择等因素。
8.实验原理及方案
1) 系统结构
系统硬件结构采用模块化方案设计,分为微控制器单元、受控电源模块、测量电路模块、信号采集调理模块和显示模块几个部分,具体结构如图 1所示。

图 1 晶体管特性测试仪功能模块框图
晶体管特性测试仪根据晶体管共射极电路测试原理,采用微控制器作为核心数据处理单元进行输入、输出特性测试。微控制器单元负责信号采集模块传输数据的存储与处理,作为系统控制单元发送控制命令,产生测试电路所需要的电流源和电压源,将测试结果传输至显示模块;受控电源模块包括电流源和电压源两个部分,电流源模块是三极管基极驱动电源,微控制器单元通过控制数字电位器产生阶梯电流,电压源模块是三极管集电极扫描电源,微控制器单元通过控制数模转换输出至电压源模块实现连续可调的扫描电压;测量电路模块使晶体管以共发射极方式接入,通过基极电流源驱动;信号采集和调理模块主要是将从测量电路采集到的待测晶体管电压信号进行处理,基极弱电流信号通过仪表放大器对精密采样电阻端电压的放大处理来实现;显示模块将待测晶体管各种测试参数和曲线显示于液晶显示屏上。
2) 实现方案
实验采用半开放形式,要求设计的测试仪必须包含图 1中所示各个电路模块,各模块独立实现,学员可根据已有知识储备或查阅相关资料自行选择符合要求的元器件,只需要满足模块的输入/输出要求,所设计电路必须经过仿真验证。如图2所示是一套完整的硬件设计方案,各个电路模块输入输出节点可进行测试。

图 2 晶体管特性测试仪硬件电路设计方案
信号发生电路的输出作为驱动源加在待测管的基极、集电极等控制极,驱动信号源主要有阶梯波信号和扫描信号两种,其中阶梯波信号发生电路主要是在集电极扫描信号产生并改变方向一次时,将阶梯波信号通过阶梯放大器施加到待测晶体管控制极,阶梯波信号和扫描信号通过软件设置保持同步如图 3 所示。

图3 阶梯波信号与扫描信号
晶体管测试仪需要为待测三极管基极提供恒定且精度较高的阶梯电流源,可选用精密单片恒流源芯片作为三端可调器件,不需要其他元器件仅仅外接一个电阻就能建立恒流源如图 4所示,图中恒流源设置电阻为 $\mathrm { R } _ { \mathrm { S E T } }$ ,流过它的电流 $\mathrm { I } _ { \mathrm { R } }$ 与芯片本身的偏置电流 $\mathrm { { I _ { B I A S } } }$ 之和就是总电流 $\mathrm { I } _ { \mathrm { S E T } }$ ,于是有:
$$ I _ { s E T } = I _ { R } + I _ { B I A S } = \frac { V _ { R } } { R s _ { E T } } + I _ { B I A S } $$

图4 恒流源电路示意图
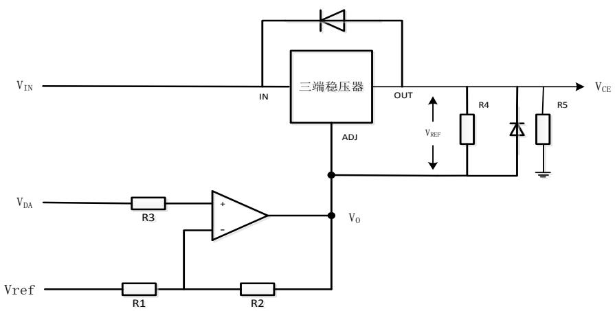
集电极扫描电压源采用可调节三端稳压器,同时在可调节端增加补偿电压以抵消三端稳压器最小输出基准电压,如图 5 所示,从而实现输出电压 0V 起调:
$$ V _ { C E } = V _ { R E F } + V _ { o } $$
其中 $\mathrm { V } _ { \mathrm { R E F } }$ 是三端稳压器的基准电压, $\mathrm { v _ { o } }$ 为微控制器数模转换输出的控制电压与参考电压运算的结果。

图 5 集电极电压电路示意图
数据采集电路包括电压和电流采集,其中对于电流的采集主要运用电流-电压变换法,其实质是在电路中接入采样电阻,利用采样电阻将通过它的电流转换成电压来间接进行测量。由于电流微弱必须保证测量精度,一方面采样电阻的取值精度要高,另一方面可采用仪表放大器对弱信号进行精密放大。
测试仪各电路模块正常工作电压为低压直流电源,可采用低压差线性稳压器和DC-DC 开关稳压器,两者各有优缺点,但是线性稳压器稳定性更好,负载响应快,而且输出纹波小,更有利于硬件电路工作的稳定。
微控制器单元通过完善的软件设计可实现测试仪功能,并保证系统的可靠性和稳定性。系统软件同样采用模块化设计,包括待测晶体管驱动信号控制模块、数据采集与处理模块和输出显示模块三个部分,每个模块包含多个子功能模块,通过调用子函数编写子程序实现。微控制器单元通过 SPI接口和D/A 数模转换器输出控制驱动信号的产生,待测晶体管在驱动信号作用下, $\mathrm { A } / \mathrm { D }$ 模数转换器将输入和输出特性参数通过采样送至微控制器单元进行处理,处理后的数据通过存储控制器的作用提供所有 LCD控制信号,将测试结果显示于 LCD,系统软件实现框图如图6所示。

图 6 系统软件实现框图
3) 学员成果展示
在此方案基础上学员设计出晶体管测试仪系统硬件电路,制板后进行相关元器件的焊接,按照设计思路进行模块化调试,各部分调试通过后进行整体连接,如图 7 所示是晶体管特性测试仪实物图。

图7 晶体管特性测试仪实物展示
晶体管测试仪制作完成主要用于待测晶体管输入输出特性曲线和放大倍数测试。选择 8050 三极管测试输入输出特性曲线如图 8 所示,相同条件下采用实训室现有模拟晶体管图示仪对比测试同一个三极管,当基极电流 $\mathsf { I b } { = } 1 0 0 \mu \mathsf { A }$ ,$\mathsf { V c e } { = } 5 \mathsf { V }$ 时, $\mathsf { l c } { = } 3 5 \mathsf { m A }$ ,其直流放大倍数为 $h \mathsf { f e } = 3 5 0$ ,对比本项目所设计测试仪误差小、精度高。

图8 三极管输入、输出特性曲线图
9.实验报告要求
实验报告需要包含以下内容:
(1) 实验需求分析:包括各个电路模块所需元器件,实验测试工具和仪器设备,电路图绘制和仿真软件选择;(2) 设计方案论证:电路模块设计分析论证,相互之间连接关系,程序流程设计等;(3) 电路设计与参数选择:产生阶梯电流信号的精密电流源、0V起调扫描电压源及其补偿电路参数设计,匹配电阻、滤波电容、线性稳压器的选择等;(4) 电路仿真:模拟电路仿真,参数优化;(5) 基本实验步骤:各电路模块测试过程、整体连接调试方式、软件流程验证等;(6) 实验测试记录:各电路模块仿真结果、实物电路各模块测试数据、晶体管输入输出波形等实验数据完整记录;(7) 实验结果分析总结:所设计的测试仪对晶体管的测试结果与现有仪器测试结果对比分析,计算误差,分析造成误差的原因,提出改进方案,对于扩展部分功能如何实现进行思考。
10.考核要求与方法
(1) 方案设计:芯片选型合理、电路设计正确、程序流程设计稳定可靠等;
(2) 实物验收:系统功能实现,性能稳定(能进行晶体输入输出特性测试并显示波形曲线,误差不大于 $5 %$ );
(3) 实验质量:电路方案合理,实物电路焊接工艺美观,装配良好;
(4) 自主创新:系统功能构思、电路设计的创新性,独立设计电路模块并整体测试,遇到问题自主思考;
(5) 实验成本:是否充分利用实验室现有元件和材料,对元器件的选择是否合理,其性能利用是否最大化,以及实验过程元器件损耗度。
(6) 实验数据分析:测试数据、波形完整记录,对比已有仪器测试结果,进行误差分析,总结经验。
(7) 实验报告:实验报告书写规范,图表清晰完整。
10.项目特色或创新
(1) 项目的特色在于背景的工程性,基于所学知识综合运用,针对理工科学生熟悉的电路基本元件晶体管,设计一个测试仪器能激发学生兴趣;
(2) 实验项目是涉及模拟电子电路和软件开发的综合电子系统,理论设计、仿真与硬件实现相结合,综合性较强,实现方法多样;
(3) 实验项目与现实需求紧密相连,所设计的测试仪能用于后续实验教学和项目开发,实用性强。
参考文献:
[1]石静苑,栾爽,李井泉.晶体三极管输入/输出特性曲线的测试方法[J].电子测试,2020(450):54-56.
[2]童诗白,华成英.模拟电子技术基础(第五版)[M].北京:高等教育出版社,2015:455-457.
[3]刘卫玲,孔丽媛,康明,常晓明. 基于 LabVIEW 和MCU的简易晶体管图示仪的设计与实现[J]. 仪表技术,2019(357):21-24.
[4]江天亮.基于万用表测试晶体三极管好坏的方法及步骤[J].电子测试,2019,416(66):102-103.
[5]荣军,何飞,张国云,丁跃浇. 简易数字控制晶体管测试仪的设计[J]. 电子器件, 2015(38):151-155.
[6] 刘士兴,刘宏银,赵博,鲁迎春,易茂祥. 基于 STM32 的晶体管特性曲线测试仪[J].实验技术与管理,2015,32(230):94-98.
[7]康实,林曦博. 基于单片机控制电路 $+$ 示波器的简易晶体管图示仪的设计、仿真与实现[J].电子测试, 2018(403):718-20.
参赛选手信息表
| 案例提供单位 | 空军通信士官学校 | 相关专业 | 电子信息类专业 | ||||
| 设计者姓名 | 冯婷婷 | 电子邮箱 | 939079422@qq.com | ||||
| 移动电话 | 15196265826 | 通讯地址(含邮编) | 辽宁省大连市,金州区,双兴路20号,空军通信士官学校,基础部电子技术实验训练中心,116600 | ||||
| 设计者姓名 | 孙庆儒 | 电子邮箱 | 304493125@qq.com | ||||
| 移动电话 | 13332270895 | 通讯地址(含邮编) | 辽宁省大连市,金州区,双兴路 20号,空军通信士官学校,基础部电子技术实验训练中心,116600 | ||||
| 设计者姓名 | 闫明洋 | 电子邮箱 | yanmingyang02@163.com | ||||
| 移动电话 | 18041556880 | 通讯地址(含邮编) | 辽宁省大连市,金州区,双兴路20号,空军通信士官学校,基础部电子技术实验训练中心,116600 | ||||
| 相关课程名称 | 电子技能综合实训 | 学生年级 | 三年制大专第三学期 | 学时 | 课内50课外20 | ||
| 支撑条件 | 仪器设备 | 数字示波器、信号发生器、直流稳压电源、万用表、电烙铁 | 数字示波器、信号发生器、直流稳压电源、万用表、电烙铁 | ||||
| 软件工具 | Multisim、Altium Designer、Keil | ||||||
| 主要器件 | 集成电路、二极管、三极管、电阻、电容、导线、电烙铁、焊锡丝等 | ||||||