智力抢答器的设计
实验题目:智力抢答器的设计
1. 实验内容与任务(限 500 字)
设计一个可供选手比赛抢答的 8 路智力抢答器,主要包括基本功能和扩展功能两部分,如表 1 为抢答器基本功能和扩展功能的具体设计要求。
表 1 实验功能及要求
| 功能名称 | 设计要求 | |
| 无老 | 选手按键功能 | 可供8名选手抢答,所有选手分别对应0到7号相应编号,当抢答开始后,选手即可以按下对应按钮,从而完成抢答操作。 |
| 选手编号锁存和显示功能 | 某选手抢答成功后,先将其编号锁存,再在数码管上显示其选手编号。 | |
| 主持人控制功能 | 当某选手结束回答,主持人控制电路清零,包括锁存器清零和数码管灭零显示。新一轮抢答开始。 | |
| 打拓能 | 倒计时功能 | 每轮抢答时间可以提前设定(如30s)。当主持人按下“开始”按钮,30s倒计时立即开始,并实时显示倒计时时间,在30s结束后,蜂鸣器报警提示抢答结束。 |
| 主持人控制功能 | 若抢答时间,无选手抢答,主持人控制倒计时显示区重置30s,控制系统复位,重新一轮抢答。 |
2. 实验过程及要求(限 300 字)
本实验采用项目驱动实验教学方法,即将项目引导模型融入于实验中,把实验当作工程项目处理,按照项目构思、项目设计、项目实施和项目运行等环节完成实验。
-
项目构思:教师讲解整体项目功能并组织学生针对整体项目划分和各子项目实现方法分组讨论,包括任务讨论和方案可行性分析,教师点评实现方案并确定最终方案;
-
项目设计:要求学生完成各子项目电路设计和参数估算以及实现各子项目级联,完成整体项目设计,并通过 Multisim13 仿真软件测试;
-
项目实施:先在面包板上实现子项目电路连接及测试,再在万能电路板上完成整体项目电路焊接和调试;
-
项目运行:学生采用全英文或双语完成报告撰写、项目展示和答辩。
3. 相关知识及背景(限 150 字)
1) 理论知识背景
主要涉及理论知识包括逻辑电路基础、组合逻辑电路分析设计方法、触发器构建锁存电路方法、时序逻辑电路分析和设计方法以及秒脉冲电路设计方法等内容。
2) 相关实验电路调试知识背景
Multisim 13 仿真软件工具的使用方法、在面包板上连接和调试电路方法、万能电路板的焊接与调试方法。
4. 教学目的(限 100 字)
培养学生工程项目构思设计能力;夯实学生理论知识,完成学生理论知识模型的构建;提高学生仿真软件使用能力和硬件电路连接、调试能力;提高学生报告撰写能力和表达能力,同时也提高了学生的英语水平。
5. 实验教学与指导
实验项目教学与指导过程遵从项目构思、项目设计、项目实施和项目运行四个教学活动环节来完成。此外,由于我校是国内外合作办学的教学模式,精通英语已经成为学生未来发展的重要素质,学生的科研工作、获取信息、出国深造都离不开高超的英语水平。双语的教学目的旨在外语教学课程之外,尝试外语工具的实践应用,消除借助第二语言进行交流学习的陌生感。 因此,在本实验项目中教师引导、学生讨论、学生实验报告撰写、成果展示、答辩等阶段均采用双语完成,最终达到项目驱动式实验双语教学目标。
1) 项目构思
智力抢答器功能包括基本功能和扩展功能两部分。基本功能要求:可同时供8名选手或8个代表队参加比赛,当某选手或代表队按键后,在显示器上显示其编号。此外,给节目主持人设置一个控制开关,用来控制系统的清零,当系统清零后,开始新一轮抢答;扩展功能要求:抢答器具有定时抢答的功能,且一次抢答的时间可以由主持人设定(如 30s)。当节目主持人按下“开始”按钮后,要求定时器立即倒计时,并在显示器上显示,。参赛选手在设定的时间内抢答,抢答有效,扬声器发出短暂的声响,定时器停止工作,显示器上显示选手的编号和抢答时刻,并保持到主持人将系统清零为止。如果定时抢答的时间已到,却没有选手抢答,则本次抢答无效,系统短暂报警,并封锁输入电路,禁止选手超时后抢答。
通过教师双语启发、引导的方式,让学生构思该项目设计方案。经过学生主动思考、归纳得出智力抢答器实验项目划分方法。例如整体项目可以划分为抢答按键子项目、编码锁存子项目、译码显示子项目、定时电路子项目、报警电路子项目和控制电路子项目等,从而完成整体项目功能性划分。此外,教师还应引导学生确立各个子项目的具体功能。
2) 项目设计
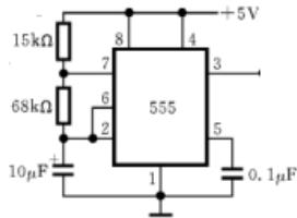
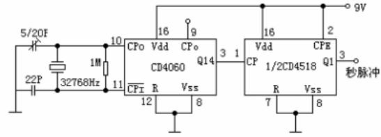
依据项目构思阶段确立的项目划分方案以及各子项目的具体功能,教师采用双语引导学生逐一完成各子项目电路设计,提示学生部分子项目电路的多种设计方法。在此,以定时子项目中的秒脉冲产生电路多种设计方案为例加以说明。秒脉冲产生电路方案一:可将 555 定时器芯片集成连接成多谐振荡器电路,产生周期为 1S的脉冲波形,如图 1(a)所示,3 管脚为秒脉冲输出端;方案二:利用 CD4060 组成两部分电路。一部分是 14 级分频器,另一部分是由外接电子表用石英晶体、电阻及电容构成振荡频率为 $3 2 7 6 8 \mathrm { H z }$ 的振荡器。该震荡器输出经 14 级分频后在输出端 Q14 上得到 1/2秒脉冲并送入由 1/2 CD4518 构成的二分频器,二次分频后在输出端 Q1 上得到秒基准脉冲,如图 1(b)所示。学生可以通过硬件实际条件和设计要求选择合适电路设计方案。例如,学生在秒脉冲设计电路过程中可以选择上述方案一作为最终的秒脉冲产生电路。

图 1(a)基于 555 定时器设计秒脉冲电路

图 1(b)基于 CD4060 设计秒脉冲电路
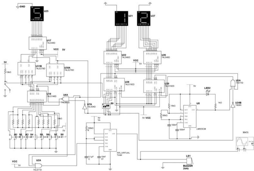
完成上述各子项目电路设计后,引导学生利用 Multisim 13仿真软件对各子项目设计电路逐一仿真。当各个独立子项目仿真成功后,完成子项目到整体项目整合,并用 Multisim 13 软件对整体项目进行电路仿真。学生对整体项目电路仿真如图 2(a)所示,图中显示在倒计时为 12S 时,5 号选手抢答成功。Multisim 13 是美国国家仪器有限公司推出的以 Windows 为基础的仿真工具,学生可以使用 Multisim 13 交互式地搭建电路原理图,并对电路进行仿真。此外,Multisim13 提炼了 SPICE仿真的复杂内容,这样学生可以很快地进行捕获、仿真和分析新的设计。如图 2(b)所示为学生利用Multisim 13中的虚拟示波器分析报警电路输出波形,图中蓝色直线表示报警电路输出从低电平跳变到高电平,在此上升沿瞬间驱动蜂鸣器报警,从而完成报警电路报警功能。

图 2(a)整体项目 Multisim 13 软件仿真图

图 2(b)报警电路 Multisim 13 示波器输出波形图
可见,Multisim13 的使用使学生更好的理解子项目和整体项目的电路设计思想,更好的找到电路设计中存在的问题。
3)项目实施

图 3 学生在面包板上连接的各个子项目电路
在项目实施阶段,需要学生完成智力抢答器硬件实物设计。在此阶段若采用传统直接焊接整体硬件电路的方法,由于元器件数目、线路众多,即使学生完成了总体电路的焊接工作,也常常会出现电路不稳、抗干扰能力差、电路故障诊断与调试困难等问题。

图 4 学生在万能电路板上完成的整体项目焊接电路
由于面包板插拔导线、元器件简单,使用灵活。因此,在本次实验中,首先采用面包板将上述子项目电路逐一连接与测试。面包板变身成为子项目电路测试板,如图 3 所示,学生在面包板上将抢答按键子项目、编码锁存子项目、译码显示子项目、定时电路子项目、报警电路子项目以及控制电路子项目连接并通过测试。再利用万能电路板进行整体项目电路的焊接与调试如图 4 所示。对比学生在面包板上连接的各个子项目电路(图 3)和用万能电路板焊接的整体项目电路(图 4),可见,子项目电路单独调试比整体项目电路焊接、调试更加容易。采用先用面包板实现子项目电路的方式提高了电路的可靠性,使学生更好的理解子项目电路功能及设计方法,学生的实验成功率提高,提升了学生的自信心和实验热情。通过前期在面包板上的电路连接、测试,学生具备了整体项目电路设计能力,在此基础上,在万能板上焊接整体项目电路自然水到渠成。同时,通过面包板、万能电路板的二次电路连接与测试,提高了学生的电路硬件连接、焊接和调试能力。
4)项目运行
在项目运行阶段,学生首先采用双语完成项目报告撰写,报告包括项目分析、方案构思论证、电路设计、电路原理比对分析、Multisim 13 软件仿真结果分析以及报告总结几部分内容。然后进入学生项目答辩阶段,学生使用英语完成项目描述以及项目电路仿真功能展示,教师用英语向学生提出问题,学生用英语回答教师提问,智力抢答器项目运行完成。
6. 实验原理及方案
6.1 实验原理
⑴用分立元器件设计组合逻辑电路
根据给定事件的因果关系列出真值表;由真值表写出函数式;对函数式进行化简或变换;画出逻辑图,并测试逻辑能。
⑵计数器的级联使用
一个十进制计数器只能表示 $0 { \sim } 9$ 十个数,为了扩大计数器范围,常用多个十进制计数器级联使用。同步计数器往往设有进位(或借位)输出端,故可选用其进位(或借位)输出信号驱动下一级计数器。
⑶数字编码原理
将 0-7 数字输入信号转换成一组二进制代码(范围从 000 到 111)。
⑷二进制代码译码显示七段发光二极管(LED)数码管
LED数码管是目前最常用的数字显示器,分为共阴管和共阳管两种电路。数码管每段都是由发光二极管构成,当点亮不同组合二极管就可点亮不同数字字形。
BCD码七段译码驱动器
二进制编码通过 BCD 码七段译码驱动器驱动点亮 LED 数码管。
⑸秒脉冲产生原理
555 定时器是一种中规模集成电路,外形为双列直插 8 脚结构,体积很小,使用起来方便。只要在外部配上几个适当的阻容元件,即可连接成多谐振荡器电路。多谐振荡器又称自激振荡器,可以对外产生连续脉冲信号。先计算好要选用的电阻、电容参数,然后按照 555 定时器芯片连接为多谐振荡器方法连接电路即可输出所需的周期为 1S的脉冲信号。
6.2 实验方案

图 5 项目主体框架及子项目划分
如图 5 为项目主体框架及各子项目划分,包括抢答按键子项目、编码锁存子项目、译码显示子项目、定时电路子项目、报警电路子项目、控制电路子项目等。
抢答按键子项目:抢答开始后,完成选手按键抢答;
编码锁存子项目;某选手抢答成功后,选手编号通过八线——三线编码器编码,编码结果由锁存器锁存;
译码显示子项目:七段数码显示器上显示选手编号;
定时电路子项目:选手抢答时间为 30s,选手抢答开始后,30s 倒计时开始,当 30s 时间结束后,显示时间为 00;
报警电路子项目:扬声器发声报警,提示本轮抢答结束。
控制电路子项目:无论抢答时间 30s 已到或者某选手抢答并回答问题结束后,主持人都要将系统信息清除与重置,包括选手编码清除、锁存器内容清除以及 30s 时间重置等,等待下一轮抢答。
完成子项目整体项目电路设计后,完成下列仿真及设计:
$\textcircled{1}$ 利用 Multisim13 仿真软件对各子项目分别仿真分析并将子项目连接为整体项目后进行整体项目系统仿真;
$\textcircled{2}$ 在面包板上实现子项目电路硬件连接调试;
$\textcircled{3}$ 在万能电路板上实现整体项目的电路焊接、调试。
元器件清单:
74LS148 2 片 74LS279 2 片 74LS48 4 片74LS192 2 片 NE555 2 片 74LS00 1 片发光二极管 2 只 共阴极显示器 4 只 74LS121 4 片
7. 实验报告要求
实验报告应包括以下内容:
1) 任务分析
详细描述抢答器基本功能和扩展功能,明确抢答器实现的目标要求以及确定抢答器电路设计任务内容。
2) 方案论证分析
描述抢答器整体项目划分为若干子项目的划分方式,解释该种划分方式的原因、依据和优势。逐一论述各个子项目的多种设计方法、对每种方法进行可行性分析,并确立子项目最终设计方案。
3) 主体项目和子项目电路设计
包括各子项目的设计思路和方法,子项目电路设计结构分析描述。并详细描述子项目级联为整体项目的设计思想以及整体项目的电路结构。
4) 主要参数估算
估算电路中出现的电阻、电容等器件参数数值并陈述其原因。
5) Multisim 13 软件仿真及结果分析
逐一描述各子项目独立软件仿真结果以及结果产生的原因,描述错误电路的修改方法。将独立仿真的各子项目连接为整体项目,进行整体仿真描述并解释结果产生原因。
6)硬件电路连接调试及结果分析
首先描述子项目在测试面包板上逐一搭建的情况以及其测试的结果,总结某个子项目测试出错的原因以及修改的思路和修改后的结果。接着依据已通过面包板上测试的子项目在万能电路板上焊接整体项目电路,写出其电路焊接方法、电路调试方法和电路测试结果。
7) 实验总结
总结本次实验学习到哪些知识,包括理论知识和实际动手技能。总结仿真电路、面包板测试电路和万能电路板电路连接、调试等情况。找出本次设计中的不足和对未来学习、工作的展望。
附录 1:元器件清单附录 2:手绘硬件电路设计图纸附录 3:实际硬件电路连接图附录 4:软件仿真打印图
为了提高学生英文的表达和组织能力,鼓励学生实验报告撰写可以用全英文或双语完成。
8. 考核要求与方法(限 300 字)
考核方式采用多维度考核机制,实验成绩将从子项目评价、整体项目评价、报告撰写评价以及答辩评价四个方面设定,各部分所占实验成绩比例如下表。
| 子项目部分 | 整体项目部分 | 报告撰写 | 答辩 | ||||
| 编码锁存子项目 | 显示译码子项目 | 定时电路子项目 | 抢答按键、控制电路、 | 报警电路子项目 | 30% | 30% | 10% |
| 5% | 5% | 10% | 5% | 5% | |||
子项目主要衡量实验预习、软件仿真结果以及硬件调试等方面内容;整体项目考查包括整体硬件电路设计图纸绘制、整体软件仿真结果以及硬件电路连接,实物成品完成情况等方面;报告撰写应包括任务分析、方案论证分析、主要电路设计、主要参数估算、软件仿真分析、硬件电路调试结果分析以及报告总结等部分;答辩环节考查学生表达准确性、对整体项目原理的理解程度、对整体项目的划分能力以及各子项目的设计原理的理解程度等内容,并查看学生的硬件实物演示。
9. 项目特色或创新(可空缺,限 150 字)
1) 采用项目模型驱动实验教学方法,培养学生用工程项目思想解决实验问题的能力;
2)通过先在面包板上测试各子项目电路,再利用万能电路板焊接整体项目的实验方式,降低了电路复杂度,提高了学生硬件电路调试能力和实验成功率;3) 教师教学环节、学生报告撰写和项目答辩期间都采用双语完成,提高学生的英语能力。
实验案例信息表
| 案例提供单位 | 山东科技大学 | 相关专业 | 电气信息 | ||||
| 设计者姓名 | 李滢潞 | 电子邮箱 | yinglul@163.com | ||||
| 移动电话 | 18754169025 | 通讯地址(含邮编) | 山东省济南市天桥区胜利庄路17号电气信息系(250031) | ||||
| 设计者姓名 | 电子邮箱 | ||||||
| 移动电话 | 通讯地址(含邮编) | ||||||
| 设计者姓名 | 电子邮箱 | ||||||
| 移动电话 | 通讯地址(含邮编) | ||||||
| 相关课程名称 | 数字逻辑电路 | 学生年级 | 二年级 | 学时(课 | 16课内+20课外 | ||
| 支撑条件 | 仪器设备 | 示波器、万用表、电烙铁、偏口钳、尖嘴钳 | |||||
| 软件工具 | Multisim 13 | ||||||
| 主要器件 | 面包板、万能电路板、电子元器件 | ||||||