枪口火光探测电路设计
实验题目:枪口火焰探测电路设计
1. 课程简要信息
1)课程名称:兵器电子技术实验。
2)课程学时:32学时。
3)适用专业:自动化、电气工程及其自动化、通信工程、电子信息科学与技术、电子信息工
程。
4)学生年级:本科二年级。
2. 实验内容与任务(限500字)
5)以枪口火光为探测对象,设计一个能够探测枪口火光、在不同环境噪声中降低干扰、以窄脉冲的形式显示击发次数的探测电路;
6)使用 PBS 火光传感器进行火光信号捕捉,按照传感器说明书设计驱动电路;
7) 提高在不同环境噪声中的抗干扰能力,设计抗干扰电路。
3. 实验过程及要求(限300字)
1) 预习背景资料《不同口径武器系统要求下测量动态目标的方法》;
2)与实验指导老师共同分析枪口火焰探测电路;
3) 了解 PBS 火光传感器,注意传感器的类型、测量范围和测量精度、输出信号形式等关键的特征参数;
4)根据传感器类型选择放大器类型,设计放大电路,注意放大电路的输入阻抗和增益;
5)选择将模拟信号转换为数字信号的方法,并将其以窄脉冲的形式显示出来;
6)设计滤波电路处理环境噪声问题;
7)构建一个简易的测试环境,以电子火光模拟器为信号源,在室温范围内,测定输出信号波形。
8)考察不同火光强度下输出信号波形;
9)撰写设计总结报告,并通过分组演讲,学习交流不同的探测电路和接线方法。
4. 相关知识及背景(限150字)
为了解决靶场战术靶比赛中的比赛结果自动化评定的问题,需要对比赛时连续击发的枪弹数进行统计。因为枪口火焰具有红外光谱特性,学会应用 PBS 探测器探测枪口火焰信号,并完成信号采集电路和相应信号处理电路的设计,最后采用单片机对击发的枪弹进行计数(本次实验只使用示波器观察输出的窄脉冲信号)。
5. 教学目标与目的(限100字)
本实验课程是为了更好地满足国防工业人才需求,突出西安工业大学兵器工业服务特色,增强学生对具有兵工特色的电子信息实验系统的认知而开设。实验教学以兵器系统中简单的电子与控制系统为对象,重点体会兵器设计、试验、生产和应用中所涉及的动态目标探测、军用通信电子、电子控制等方面的问题,为培养高素质的国防技术人才提供实验教学平台。
6. 教学设计与引导
本实验项目是一个模拟电路的综合应用,需要了解武器系统测试背景、火光传感器应用、信号放大和调理、信号滤波和环境噪声处理等环节。在实验教学中,应在以下几个方面加强对学生的引导:
1)了解武器系统动态目标探测的常用方法,了解随着轻武器口径与测量精度要求的不同,在传感器选择、测量方法等方面不同的处理方法。
2) 理解不同火光传感器输出信号的形式、幅度、探测光谱范围、线性度都存在很大的差异,后续的信号调理和放大电路要根据信号的特征来设计;可根据传感器的使用说明设计电路。
3) 实验要求的精度稍高,因为火光传感器敏感度高;传感器输出端驱动电路需要参数合适,因此要求细致地按照实验要求逐步去完成每一个单元电路的搭建和调试。
4) 可以简略地介绍如何通过理论推导确定各单元电路参数。
5) 在电路设计、接线、调试完成后,必须要用电子火光模拟器和示波器进行实际测量,按照表 1 标定所完成的探测电路。
6) 在实验完成后,可以组织学生以项目演讲、答辩、评讲的形式进行交流,了解不同解决方案及其特点,拓宽电路设计思路。
在设计中,要注意学生设计的规范性;如系统结构与模块构成,模块间的接口参数要求;在调试中,要注意工作电源、参考电源品质对系统指标的影响,传感器驱动的稳定性与可靠性;在测试分析中,要分析系统的误差来源并尽力减小。
7. 实验原理及方案
1)探测系统结构

图 1 枪口火光探测系统框图
2)实现方案

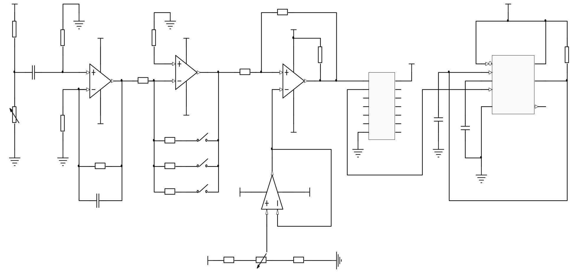
图 2 枪口火光信号处理电路
由图 2 可知,当探测器的分压电阻 R1与探测器没有捕获红外信号时的电阻相等时,A点电压变化最大,在试验环境是常温 $2 5 \mathrm { { ^ \circ C } }$ 时,探测器的暗电阻大约是 220K,电路中选择 220K的分压电阻。选择 12 V 的恒压电压,所以探测器的分压在 $3 , 7 5 \small { \sim } 1 1 . 1 8 \mathrm { ~ V ~ }$ 之间。根据捕获的红外辐射量的多少,探测器将其转化为 $3 , 7 5 ^ { \sim } 1 1 . 1 8 \mathrm { ~ V ~ }$ 区间的任一电压值,从而实现将红外信号转变为电信号的目的。
当探测器采集到枪口火焰信号时,其内阻瞬间减小之后又恢复正常,那么 A 点的电压会瞬间减小再恢复正常,所以 A点会产生短时的负的交流信号,经过 RC 组成的高通滤波电路处理之后进入两级模拟放大电路。第一级放大电路倍数是 $1 { + } \mathrm { R } 4 / \mathrm { R } 3$ ,输出端输出的是一个负的电压信号。为了防止输出信号受到放大电路的自激震荡的影响,在电路的反相输入端和输出端加一电容 C2。第二级放大采用反相放大,经反相放大后输出为正的电压,放大倍数可选,可以是-R6/R5、-R7/R5 、-R8/R5。两级放大倍数之积为整个放大电路的倍数。
虽然高通滤波电路可以滤出一部分高频信号, 但是背景环境中时刻存在着红外辐射,产生背景噪声,探测系统会被噪声误触发。为防止误触发的发生,电路设计中将放大电路输出的信号送至比较器的正向输入端,并与反相输入端的电压进行比较,比较电压为可变电位器分压输出,系统可以根据不同的测试要求来改变比较电压的值,其变化范围为 $1 , 5 { \sim } 9$ V 。当同相输入端电压大于反相输入端电压时,比较器输出高电平。
在战术靶训练及比赛的项目中,由于任务需求需要对枪弹连续击发,据资料显示枪弹连发的最短时间间隔小于 10ms,为了将连发的信号分离开来而不产生混叠,电路设计中将比较电路输出的信号进行整形,整形电路采用 555定时器组成单稳态触发电路,单稳态持续时间为 $4 \sim$ 6ms。因 555单稳态触发电路是下降沿触发,因此比较电路输出的高电平信号经反相器反相后触发整形电路。
8. 教学实施进程
1)兵器电子技术实验实施进程各环节内容如下:
2)任务安排:相关专业学生通过网站选报该课程,并查看实验教学排课表。
3)预习自学:在网站的实验课程附件中下载该实验课程预习说明文档并认真预习。
4)现场教学:兵器电子实验室指导教师会在上课时间进行 1 学时的实验讲解。
5)分组研讨:根据实验电路原理图在实验箱上总结出接线图并送指导教师检查。
6)现场操作:按分组安排领取器件和接线。
7) 结果验收:使用电子火光模拟器和示波器查看电路功能。
8)总结演讲:鼓励使用不同器件和思路的学生将其总结为小论文。
9)批改报告:及时批阅兵器电子技术实验报告册,严格按照评分标准给分。
9. 实验报告要求
实验报告需要反映以下工作:
1)实验需求分析:介绍武器系统动态目标检测背景
2)实现方案论证:国内外目前靶场测试所应用的技术
3)理论推导计算:选定探测系统方案后,理论推导计算如何配置,才能使输出信号最强。
4)电路设计与参数选择:根据参考电路图在实验箱上总结出接线图。
5)电路测试方法:使用电子火光模拟器和示波器查看电路功能。
6) 实验数据记录:存储并打印当传感器端出现火光时示波器上的波形。
7)数据处理分析:列表描述不同强度火光下输出信号的准确性。
8)实验结果总结:总结实验所应用到的模拟电路知识及实验中遇到的问题和解决方法。
10.考核要求与方法(限300字)
1) 实物验收:根据图 1 中电路各部分的完成情况验收并打分。
2)实验质量:根据示波器接收到的波形(如图 3)情况评判实验质量。

图 3 探测器探测到的火光脉冲信号
3)自主创新:能够在实验中改进已有电路或者设计出不同的电路时,酌情加分。
4)实验成本:本实验充分利用兵器电子技术实验室已有条件进行实验。
5)实验数据:实验测试数按表 1 格式填写。
表 1 枪口火光不同强度下的输出波形对比
| 电子火光模拟器档位 | 示波器上观察到的窄脉冲(峰峰值)单位:V |
| 1X | |
| 2X | |
| 3X | |
| 4X |
6)实验报告:实验报告严格按照指导教师要求填写实验数据和结论。
11. 项目特色或创新(可空缺,限 150字)
项目的特色在于:兵器项目背景的实际需求,模拟电子系统知识的综合应用。
实验案例信息表
| 案例提供单位 | 西安工业大学 | 相关专业 | 自动化、电子信息工程、通信工程 | |||
| 设计者姓名 | 马超 | 电子邮箱 | 416927752@qq.com | |||
| 移动电话 | 18710576154 | 通讯地址(含邮编) | 陕西省西安市未央区学府中路2号西安工业大学(710021) | |||
| 设计者姓名 | 杨建华 | 电子邮箱 | 35385699@qq.com | |||
| 移动电话 | 18729099428 | 通讯地址(含邮编) | 陕西省西安市未央区学府中路2号西安工业大学(710021) | |||
| 相关课程名称 | 兵器电子技术实验 | 学生年级 | 本科二年级 | 学时(课内+课外) | 4 | |
| 支撑条件 | 仪器设备 | 函数信号发生器,双通道数字示波器,台式数字万用表 | ||||
| 软件工具 | Multisim12 | |||||
| 主要器件 | LF353N、LM393M、74LS04、NE555D |