模拟声响电路
实验题目:模拟声响电路
1. 实验内容与任务(限 500 字)
本项目属于知识综合型实验,需要完成的任务是设计并制作电子电路,要求自动控制扬声器实现不同的模拟声响。
项目的实现力求达到三个不同层次的要求。
1)基础要求:
门铃声响电路:发出“叮”、“咚”两个频率声音的门铃声响。
温控报警电路:用扬声器发声报警,可用于火警或热水温度报警。
2)扩展要求:
间歇声响电路:发出 “呜——呜”的间歇声响。
双频声响电路:发出“嘟、嘟……”救护车的双频交替声响。
警车声响电路:产生频率变化的"呜、呜"警车的声响效果。
3)创新要求:利用可编程逻辑器件或单片机, 实现多种模拟音响的控制。
2. 实验过程及要求(限 300 字)
1)学习了解中规模集成电路实现模拟声响电路的方法;
2)查找资料,了解各种模拟声响的特点、巧妙利用器件的特点实现“间歇控制”、“双频控制”、“频率控制”;
3) 掌握“555 定时器”、“多谐振荡器”、“单管放大电路”与“运算放大器”的构成原理与特点;
4)进行理论计算和元器件的型号规格选择;
5)完成电路设计;
6) 对设计电路用 Multisim10 软件进行仿真;
7)针对仿真中出现的问题,进一步对电路参数做出调整;
8) 完成印刷电路板设计,制作硬件电路,优化系统参数,整体调试;
9) 撰写设计报告,阐明电路设计、结果分析等;
10) 制作PPT,分组演讲,总结经验,交流心得。
3. 相关知识及背景(限 150 字)
模拟声响电路能发出各种模拟声响。由 555 多谐振荡器组成的模拟声响集成电路,是一个综合运用理论知识解决实际应用问题的典型案例。学生运用模拟和数字电子技术知识可以完成基本要求和层次提升部分。选作扩展要求部分,还需综合运用可编程控制器或单片机的相关知识。学生须熟练使用示波器,频率计,数字万用表等常用电工仪器仪表;须熟悉一般电子电路的设计、安装、调试的方法;须掌握电子技术常用的故障检测和排除方法。
4. 教学目的(限 100 字)
综合考察学生对模拟电路、数字电路、单片机等相关知识的掌握,引导学生夯实基础的同时拓展知识视野,解决实际应用问题。通过设计不同的解决方案及根据需求比较选择技术方案,引导学生根据需要设计电路、选择元器件,并进行仿真测试。通过测试与分析对项目做出技术
评价。鼓励拔尖学生自主学习,拓宽知识面。
5. 实验教学与指导
1)理论知识点。有“555定时器构成的多谐振荡器电路”、“晶体管”、“单管放大电路”、“运算放大器”等。
2)方案比较。设计的途径不是唯一的,满足要求的方案可能有多个,设计过程中应查阅大量资料,反复论证,力求达到最佳效果。实验中为了使同学们更好的掌握理论知识,选择了不同声响设计,根据声响选择不同的电路设计。实际应用电路中还需要对设计电路进行调整。
3) 元器件选择。本实验所用到的元器件主要有 555 定时器芯片,晶体管 3AX31、3AX81,运算放大器,电阻,电容等。
4)电阻在选择。为了使电阻安全运行,其额定功率应该大于电阻器运行中实际功率的一倍以上,在一般的电子电路中,对电阻要求不高,可选用碳膜电阻,在低噪声和耐热性、稳定性要求较高的电路中,可选择金属膜电阻。其阻值尽可能选择在 1MΩ以内,最大不得超过$1 0 \mathbb { M } \Omega$ ,阻值在通用标称值以内。;
5)电容的选择。根据电路中的作用及工作环境来选择。在该实验中电容主要用于耦合、旁路、电源滤波等场合,对电容的要求不高,因而可选择价格相对较低误差不是太大的普通电容即可。且非电解电容尽可能选在 $1 0 0 \mathrm { p F } { - } 0 . \mathrm { ~ } 1 \mathrm { ~ \textmu ~ } \mathrm { F }$ 之内。
6)晶体管讨论。组织学生讨论分析热稳定性参数穿透电流 $\mathrm { I _ { C E 0 } }$ 特点,启发学生思考电路的温控报警。
7)复位端讨论。针对门铃电路的特点,组织学生讨论分析如何利用自复式开关,结合电容充放电控制复位端和定时电路来实现。
8)间歇声响讨论。组织学生讨论分析间歇声响的工作波形,启发学生思考间歇声响的控制,如何利用一个振荡器控制另一个振荡器的间歇工作。
9)电压控制输入端讨论,组织学生讨论分析电压控制输入端的作用,启发学生思考电路实现双频交替声响,如何用一个振荡器控制另一个振荡器产生两种频率信号;如何用一个振荡器对另一个振荡器调制使其产生不断变化的频率信号,实现警车的声响效果。
10) 仿真调试。通过 Multisim软件对设计电路进行仿真,并在仿真环境对电路组成和元器件参数进行调试。
11) 电路制作。介绍焊接方法,电路板的使用方法,焊接布线技巧等。焊接的好坏会直接影响电路最后能否调试出想要的结果。
12) 整体调试。整体调试时需要介绍示波器,频率计等仪器的用法以及在调试的过程中如何解决遇到的问题等。
13) 总结与交流。在实验完成后,可以组织学生以项目演讲、答辩、评讲的形式进行交流,了解不同花型显示的彩灯控制电路及其特点,拓宽知识面,深化学生对知识的理解,加强学生的综合能力。
14) 扩展要求。对扩展部分内容做简要介绍,扩大学生知识面。
6. 实验原理及方案
1) 系统结构$\textcircled{1}$ 检测模块

给报警控制电路设置实时监测功能,如设置温控报警电路控温点、水位监测、过压监测等,给报警控制模块提供采集信号。可以采用热电阻、晶体管实现,也可采用集成模拟传感器、数字式传感器实现。本实验采用晶体管的热稳定性参数 $\mathrm { I _ { C E 0 } }$ 来实现实时监测功能。
$\textcircled{2}$ 报警控制模块
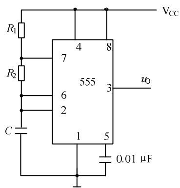
采用自激多谐振荡器,在检测信号的控制下,让振荡器工作,产生的输出驱动蜂鸣器发声,或发光二极管发光报警。可以采用集成运算放大器实现,也可采用数字集成器件实现,对于层次较高的要求,可以考虑用可编程逻辑器件或单片机实现模拟声响控制。本实验采用 555 定时器构成的自激多谐振荡器实现报警控制功能。
555定时器构成的多谐振荡器,通过调节R1、R2及C的值来改变振荡器频率,控制报警声音,其中:

$$ T _ { 1 } \approx 0 . 7 ( R _ { 1 } + R _ { 2 } ) C \qquad T _ { 2 } \approx 0 . 7 R _ { 2 } C $$
$$ f = { \frac { 1 } { T } } = { \frac { 1 } { 0 . 7 ( R _ { 1 } + 2 R _ { 2 } ) C } } $$
$\textcircled{3}$ 报警方式控制模块
对于同一个报警控制电路,其输出的报警信号声响的效果是多样的。这就需要采用不同的控制方法来实现,如复位端控制、电压控制输入端控制、选用单个或两个振荡器、定时电路参数改变等方法。
门铃声响电路:
利用自复式开关,结合电容充放电控制振荡器的复位端和定时电路,使电路发出“叮” 1 “咚”两个频率声音的声响。
温控报警电路:
利用晶体管的热稳定性参数IcEo来控制振荡器的复位端,在有火警或温度升高到一定值时,振荡器振荡,扬声器发声报警,构成可控音频振荡电路。
间歇声响电路:
利用低频振荡器的输出去控制高频振荡器的复位端,低频振荡器输出高电平时,高频振荡器振荡,低频振荡器输出低电平时,高频振荡器停振,使电路发出间歇声响。
双频声响电路:
利用前一级振荡器的输出去控制后一级振荡器的电压控制输入端,前级振荡器输出高电平时,后级振荡器频率较低,前级振荡器输出低电平时,后级振荡器振荡频率较高,使振荡器输出两种频率信号,扬声器发出“嘟、嘟·” 的类似救护车的双频声响。
警车声响电路:
由低频振荡器A的输入引出电容充放电波形(类似线性扫描波形),通过运算放大器接至高频振荡器B电压控制输入端上,对其进行调制,则电路输出波形的频率是变化的,产生连续不断的"呜、呜"类似警车的音响效果。
$\textcircled{4}$ 输出与驱动模块
给蜂鸣器前加一个三极管作驱动,三极管基极串一电阻做基极限流;给 LED 串一个限流电阻,因为振荡器输出信号为 TTL 电平,超过了 LED 的正向偏置电压。
2) 实现方案

7. 实验报告要求
实验报告需要反映以下工作:
1)实验需求分析
2) 实现方案论证
3) 理论推导计算
4) 电路设计与参数选择
5) 设计仿真分析
6) 波形数据记录
7) 数据处理分析
8) 实验结果总结与心得体会
9)
8. 考核要求与方法(限 300 字)
1) 实物验收:功能与性能指标的完成程度,完成时间。
2) 实验质量:电路方案的合理性,仿真调试过程的完整性,焊接质量、组装工艺。
3) 自主创新:功能构思、电路设计的创新性,自主思考与独立实践能力。
4) 实验成本:是否充分利用实验室已有条件,材料与元器件选择合理性,成本核算与损耗。
5) 实验数据:测试数据和测量误差,设计表格的合理性。
6) 实验报告:实验报告的规范性与完整性。
7)
9. 项目特色或创新(可空缺,限 150 字)
本项目综合应用了模拟电子技术和数字电子技术等理论课程基础知识,运用多种现代电子技术手段,围绕一个设计主题展开,要求学生从系统角度思考,设计总体方案及实施方法。让学生从理论课学习的思维模式中走出来,认识实际工程问题从提出、分析、设计、实现到测试完成的全过程。项目实验内容并不是太难,各实验目标经过一番努力都能实现,完成后有一定的成就感,能够调动学生的主观能动性和创新积极性。
实验案例信息表
| 案例提供单位 | 兰州交通大学 | 相关专业 | 电类相关专业 | |||
| 设计者姓名 | 王全宇 | 电子邮箱 | 1971491345@qq.com | |||
| 移动电话 | 13919339589 | 通讯地址(含邮编) | 甘肃省兰州市安宁区 88 号兰州交通大学电子与信息工程学院(730070) | |||
| 设计者姓名 | 喻俊淇 | 电子邮箱 | 304063001@qq.com | |||
| 移动电话 | 13893316336 | 通讯地址(含邮编) | 甘肃省兰州市安宁区 88 号兰州交通大学电子与信息工程学院 | |||
| 设计者姓名 | 蒋占军 | 电子邮箱 | jiangzhan jun@mai1. lzjtu. cn | |||
| 移动电话 | 13909311106 | 通讯地址(含邮编) | 甘肃省兰州市安宁区 88号兰州交通大学704信箱(730070) | |||
| 相关课程名称 | 模拟电子技术、数字电子技术、单片机等 | 学生年级 | 大三 | 学时(课内+课外) | 8+20 | |
| 支撑条件 | 仪器设备 | 计算机、电源、示波器、信号发生器等 | ||||
| 软件工具 | Multisim仿真软件 | |||||
| 主要器件 | 555芯片、集成运算放大器、晶体管、电阻、电容、LED、单片机等 | |||||