泵房自动排水系统的设计与装调

实验题目:泵房自动排水系统的设计与装调
课程名称:《电工技术实训》授课专业:机电一体化专业项目学时:8学时 $+ 4$ 学时
实验题目:泵房自动排水系统的设计与装调
1.课程简要信息
课程名称:电工技术实训
课程学时:24学时
项目学时:课内8学时 $+ 4$ 学时
适用专业:机电一体化、电气自动化
学生年级:一年级第二学期
2.实验内容与任务
已知某企业中央排水泵房正常排水量为 $\mathrm { 7 5 m ^ { 3 } / h }$ ,最大排水量为 $1 3 5 \mathrm { { m } ^ { 3 } / h }$ ,要求设计自动排水系统,需满足以下功能:
基本要求:
(1)选用的合适的三相电机带动负载排水泵;
(2)设计电气控制电路满足中央排水泵房的自动排水需求;
(3)完成自动排水系统的仿真实现及功能验证;
(4)完成排水系统的电气装调及故障排查。
拓展要求:
(1)设计多机控制功能,满足节约减排要求;
(2)设计备用电机自动切换功能(当运行电机故障时,自动启动备用电机)。
3.实验过程及要求
(1)绘制三相电机控制排水系统的电气原理图;(2)根据排水要求选择适当型号的三相电机;(3)学习浮球液位开关的工作原理及在排水系统中的使用方法;(4)理解备用电机与正常工作电机之间的电气控制关系;(5)选择合适的液位开关以获取水位信号,并根据任务要求选择液位开关个数,设计自动排水控制电路,注意液位开关常闭、常开触点的选择;(6)在电路优化的基础上实现水位信号采集及排水系统的仿真实现;(7)进行自动排水系统工程的安装、调试及故障排查;(8)撰写实验总结报告,并通过分组汇报,学习交流各组实验心得体会。
4.相关知识及背景
本实训在大一第二学期开设,学生通过《电工技术》课程的学习,已经掌握了断路器、继电器等低压电器的选型和使用;已具有根据三相异步电动机的铭牌数据选择不同类型电机的能力;掌握了三相电机基本控制方法;具备根据电机控制电路原理图调试相应电路的能力。
本项目是电工和电气控制技术解决工程实际问题的典型案例,需要运用传感器及检测技术、电气控制、电机选型、电路设计及调试排故等相关知识与技术方法。并涉及速度继电器、液位传感器等工程应用的新技术、新方法。
5.实验环境条件
(1)电机与电气虚拟仿真平台

图1电机与电气控制虚拟仿真平台
(2)泵房自动排水系统示教模型

图2泵房自动排水系统示教模型
(3)电机与电气控制智能检测实训平台

图3电机与电气控制智能检测实训平台
6.教学目标与目的
(1)知识目标:
1)掌握浮球液位开关的工作原理及在排水系统中的使用方法;
2)理解备用电机与正常工作电机之间的电气控制关系;
3)掌握自动排水系统工程的安装和调试流程。
(2)能力目标:
1)能根据自动排水系统控制电路原理图进行安装接线与调试;
2)能够在排水系统中正确使用浮球液位开关;
3)能够对自动排水系统进行调试运行,对出现的问题可以自主解决。
(3)素质目标:
1)养成自主思考,协作分享的学习态度;
2)能根据矿井维修电工职业标准要求,正确使用基本电工仪表及工具。
7.教学设计与实施进程
采用“精讲理论-虚拟操练-实践提升”的“理虚实”一体化教学过程(见图4):以维修电工职业技能鉴定标准为“理”,以“电机与电气控制仿真软件”为“虚”,以国家示范校重点建设实训基地一电机与电气控制一体化实训中心为“实”,虚实结合,优化资源,理论学习奠基础,虚拟仿真避风险,实操训练强技能。“理、虚、实”三个环节,环环相扣,互相支撑,突破教学重难点,提升教学效果。

图4“理虚实”一体化教学过程
本项目以智能化改造真实案例为依托,根据学生认知规律,对接维修电工岗位能力要求,对接企业真实工作过程,全面融入《维修电工职业技能标准》,将教学内容进行梳理、筛选和重构,采用“导 $\twoheadrightarrow$ 析 $\twoheadrightarrow$ 仿 $\twoheadrightarrow$ 训 $\twoheadrightarrow$ 评 $\twoheadrightarrow$ 研”的教学流程(见图5)。

图5“导 析 仿 训 评 研”教学流程
【导】:以煤矿真实的涌水事故案例为导入,强化学生安全意识,提升职业认知。
【析】:利用泵房自动排水系统示教模型分析讲解自动排水系统工作原理,该模型使用12V人体安全电压,学生可直接上手操作,还原真实工作任务,有效解决380V 用电危险等痛点问题,帮助学生理解泵房排水系统工作原理、电气互锁等教学难点。
【仿】:利用“电机与电气控制仿真软件”,学生对泵房自动排水控制系统,按规范的操作步骤进行反复模拟练习,有效解决了电机控制通电实操中高风险、难以反复规范操作等痛点问题,突破教学重点。
【训】:基于“四真教学情境”将煤矿智能化发展中的5G技术引入教学,利用自主研发基于 5G 通信技术的“电机与电气控制智能检测实训平台”,实现“多人、多地”协同控制,使得因疫情无法返校的同学在家中即可控制实训室中电机设备的运行。
【评】:引入“维修电工”职业技能考核标准,采用边学边评、以评促学、学评同步的“过程性考评”,对学生理论知识、仿真模拟、实操训练、职业素养及团队协作五个维度的评价数据进行实时采集与统计分析。
【研】:实操后组内、组间汇报分享实操心得,做到互通有无、精益求精。
8.实验原理及方案
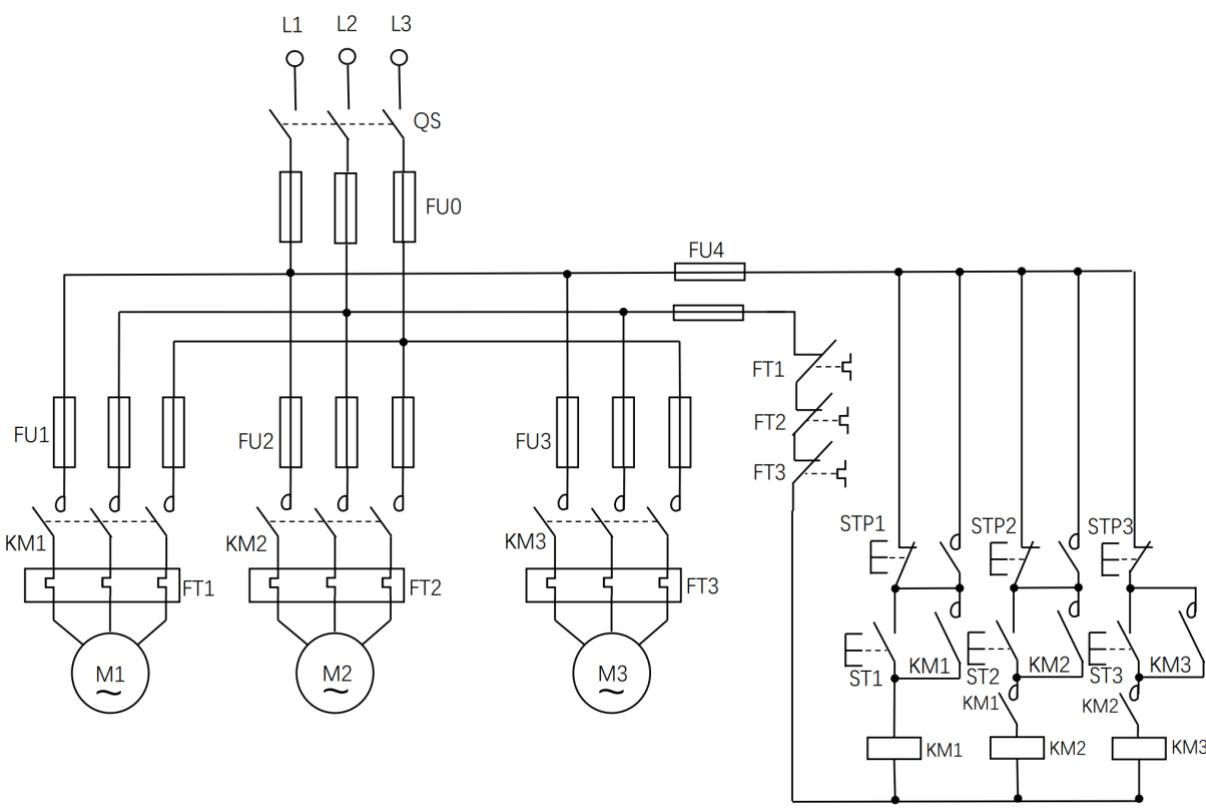
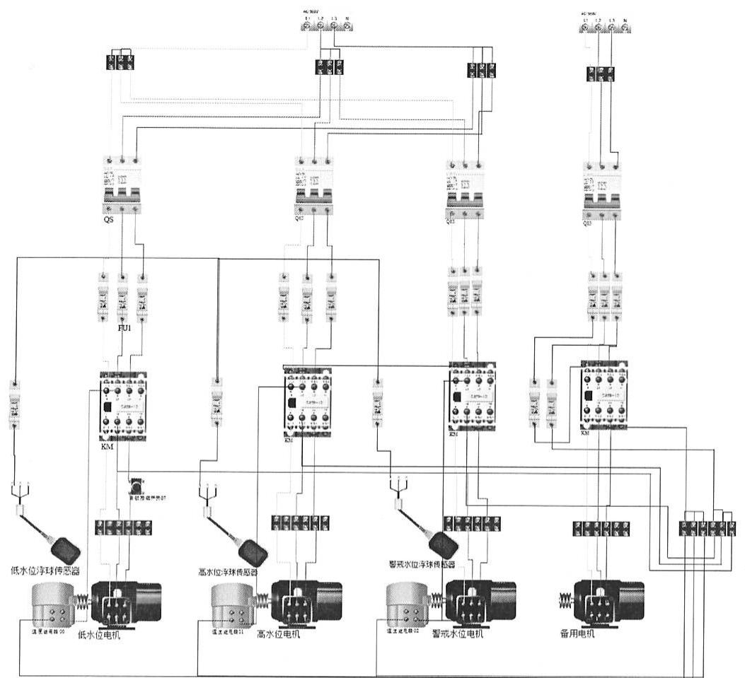
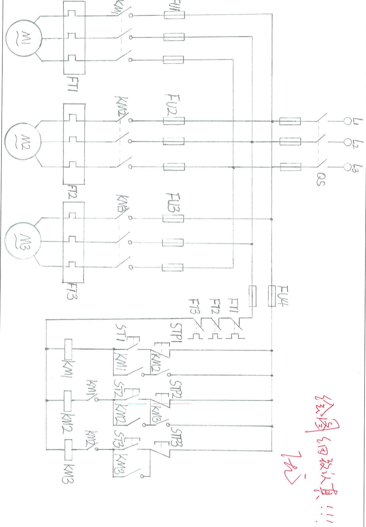
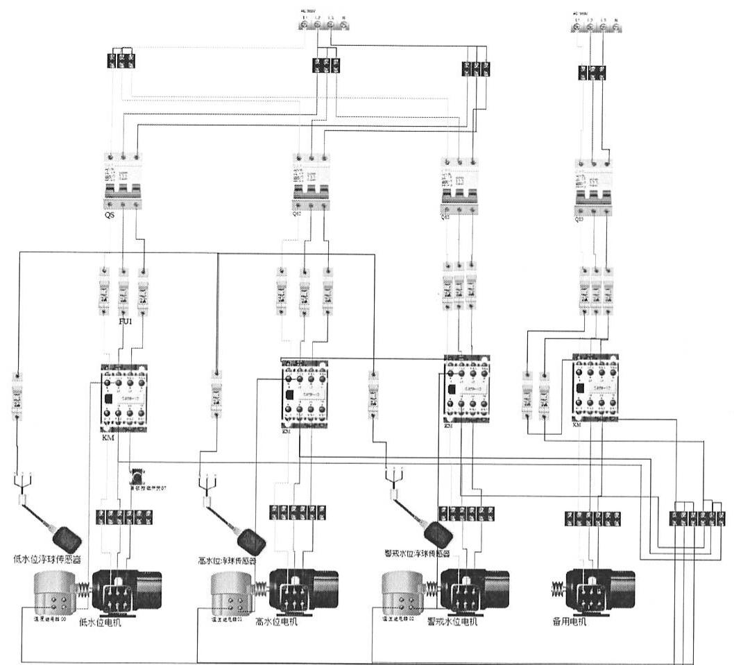
(1)自动排水系统结构原理图

图6自动排水系统原理图
(2)自动排水系统仿真实现方案

图7自动排水系统仿真图
【任务导入】采用实物结合浮球液位开关的动画,讲解其内部构造及工作原理;使用万用表的蜂鸣档测量浮球液位开关三根导线之间的关系;通过演示动画、四句口诀,总结浮球液位开关在排水系统中的应用。

图8浮球液位开关原理讲解
【任务分析】通过操作演示自动排水系统示教模型并观察现象,讲解备用电机在整个排水系统中的作用以及工作原理,了解备用电机在排水系统中的使用方法。备用电机自动切换要用到速度继电器原理,其原理就是定子转动时带动杠杆,杠杆推动触点,使之闭合与分断;当电机旋转方向改变时,继电器转子与定子的转向改变,定子触动另外一组触点,使之分断与闭合;当电动机停止时,继电器的触点即恢复原来的静止状态。

图9泵房自动排水系统示教模型
【仿真实现】各小组绘制自动排水系统方案图,在仿真软件中搜索并添加排水系统中用到的元器件,并在仿真软件中练习接线,根据相关国家标准按照电气原理图规范接线。注意:线路连接横平竖直,导线尽量减少交叉。
【实操训练】按照自动排水系统“主回路”、“控制回路”原理图在“电机与电气控制智能检测实训平台”上进行实操接线;并使用智能线路检测系统进行不通电测试的初步排查,根据系统提示使用万用表进行故障点检测和排查,并且完成线路修改。

图10 学生利用电机与电气控制智能检测实训平台进行实操
【任务评定】组织学生小组内自评和小组间互评,同时记录并打分,结合学生评价及教师评价,对学生的表现进行点评。

图11评价考核要求
班级: 自评小组名称: 小组成员姓名: 评价时间:项日 评分点 配分 评分标准 实际情况 得分按照要求穿工作服得1.5分:1人未穿扣0.5分,扣宗为止:按照要求佩戴安全幅得1.5分:1人未戴扣0.5分,扣完为止:安全意识 10 按照要求穿绝缘幢得1.5分:1人未穿扣0.5分,扣完为止:按照要求穿绝缘手套得1.5分:1人未戴扣0.5分,扣完为止:
职业素养与 未有其他危险用电情况加4分,如有违规操作根据情况扣2-4分。
安全意识 工具仪表准备充分得5分:缺1件工具扣1分,扣完为止;40分 操作规范 20 具分,扣为:实操结束后卫生清扫十净得5分:如有不整洁视情况扣2-5分。实操过程中,组间司学积极配合操作,1次1分,满分3分;团队协作 10 积极参与职教云讨论、交流、答疑,1次0.5分,分3分;方案设计中有浮球液位开关和速度心器,1次1分,满分4分。正确识读电气原理图,按线正确得10分:1处错设扣5分:电路接线 40 正合、分定:
【深研熟虑】教师进行重难点的梳理和总结,组织学生分享心得体会;点评各小组训练中的亮点与需要改进的地方,总结本次任务重难点完成情况。

图12学生分享心得体会
9.实验报告要求
实验报告需要反映以下工作:
(1)实验原理图绘制(2)实现方案仿真论证(3)实操训练步骤(4)不通电测试记录(5)调试排故记录(6)实验结果总结
学生完成的实验报告范例见附件。
10.考核要求与方法
【方案设计】:自动排水系统电路方案的合理性、电气元件标注的规范性。
【仿真实现】:功能与性能指标的完成程度(如液位控制、备用电机的自动切换)。
【实操训练】:线路连接的规范性、准确性。
【自主创新】:功能构思、电路设计的创新性,自主思考与独立实践能力。
【调试操作】:调试排故步骤的准确性。
【实验报告】:实验报告的规范性与完整性。
11.项目特色或创新
(1)研发检测系统,直击实操“痛点”
学生入校以来第一次接触到380V“强电”设备,以往学生在实操中对线路检测、调试无从下手,为保障通电安全需要教师耗费大量时间、精力辅助学生逐一进行线路检测,往往是“线路连接10分钟,等待检测1小时”,实操效率非常低,后续 380V通电试车的通过率极低。为此,自主研发“电机与电气控制智能检测系统”(见图13),辅助学生快速、精准对电机接线进行不通电测试,当检测到接线错误时,显示屏会标记出错误线路并语音提示检测及修改建议,在保证安全的同时节省大量时间,让学生在有限的时间内可以进行多次反复电路接线实操训练,达到熟记操作流程、巩固操作规范的教学目标。

图13智能电气线路检测系统
(2)线上线下同步教学,有效重构“战役课堂”
为保证疫情期间教学质量,提升教学效果,针对无法返校学生及时调整教学策略,构建“两课堂 $+$ 三平台 $^ +$ 四情境”双向联动教学模式,进行线上线下同步教学,线上同学在仿真模拟的基础上可对实操设备进行远程实时控制,并与线下同学进行实时互动实操,为线上同学返校后的实操练习打下坚实基础。这种“课堂实时直播 $^ +$ 远程在线控制”的教学形式也完全适用于高职扩招百万的新需求,为今后高职扩招的教学形式趟出一条新路子。
(3)还原工作现场,解决教学“难点”
本项目以煤矿智能化改造真实案例为依托,根据学生认知规律,对接维修电工岗位能力要求,对接企业真实工作过程,利用自主研发的“泵房自动排水示教模型”,帮助学生理解泵房排水系统工作原理等教学难点。

图14泵房自动排水示教模型
附件:学生完成的实验报告范例
山西工程職業學院
泵房自动排水系统的设计与装调
实验报 告
学生姓名:李江涛指导教师:王宇学生班级:机电 $1 9 0 1$
$2 0 2 0$ 年 $6$ 月 $1 2$
| 实验项目:泵房自动排水系统的设计与装调 | 实验时间:2020.6.12 |
| 小组成员:李江涛,梁,善伟 | |
一、实验内容与任务
已知某企业中央排水泵房正常排水量为 $7 5 \mathrm { m ^ { 3 } / h }$ ,最大排水量为 $\mathrm { 1 3 5 m ^ { 3 } / h }$ ,要求设计自动排水系统,需满足以下功能:
基本要求:
(1)选用的合适的三相电机带动负载排水泵;
(2)设计电气控制电路满足中央排水泵房的自动排水需求;
(3)完成自动排水系统的仿真实现及功能验证;
(4)完成排水系统的电气装调及故障排查。
拓展要求:
(1)设计多机控制功能,满足节约减排要求;
(2)设计备用电机自动切换功能(当运行电机故障时,自动启动备用电机)。
二、实验过程及要求
(1)识读三相电机控制排水系统的的电气原理图;
(2)根据排水要求选择适当型号的三相电机;
(3)学习浮球液位开关的工作原理及在排水系统中的使用方法;
(4)理解备用电机与正常工作电机之间的电气控制关系;
(5)选择合适的液位开关以获取水位信号,并根据任务要求选择液位开关个数,设计自动排水控制电路,注意液位开关常闭、常开触点的选择;
(6)在电路优化的基础上实现水位信号采集及排水系统的仿真实现;
(7)进行自动排水系统工程的安装、调试及故障排查。
(8)撰写实验总结报告,并通过分组汇报,学习交流各组实验心得体会。
三、实验目标与目的
知识目标:
(1)掌握浮球液位开关的工作原理及在排水系统中的使用方法;
(2)理解备用电机与正常工作电机之间的电气控制关系;
(3)掌握自动排水系统工程的安装和调试流程。
能力目标:
(1)能根据自动排水系统控制电路原理图进行安装接线与调试;
(2)能够在排水系统中正确使用浮球液位开关;
(3)能够对自动排水系统进行调试运行,对出现的问题可以自主解决。
素质目标:
(1)养成自主思考,协作分享的学习态度;
(2)能根据矿井维修电工职业标准要求,正确使用基本电工仪表及工具。
三、实验过程
(1)排水系统原理图(包括主回路、控制回路)

(2)排水系统仿真图(3)实操训练步骤

$\textcircled { 1 }$ 根据自动排水系统“主回路”“控制回路“原理图在“电机与电气控制智能检测实训平台“上开始实操接线。
②以智能线路检测系统对其进行不通电测试的初步排查。
③以系统提示并且使用万用表进行故降点检测排查。
田最终完成对线路的修改。.
(4)不通电测试记录
将第一次通安KMI象统显示为:KMI常闭辅助触点连接错误。
经第二次通要显示得分为80分。
(5)调试排故记录
错误原因:将KMI常闲辅助触点接到了KMI线圈中。
解决办法:KMI线圈中连KM2常团辅助角点,保证KMI接触器与KM2接角触器在同一时同只有一个线圈得电。
四、实验结果总结(本次实验成败之处及其原因分析)
工作变全无小事,操作过程中一定要时刻牢记安全规范操作。因通电线路故降出现的事故时有发生,对于即将进入工作岗位的我们,一定要做好空全风险预控,时刻牢记自已的使命守好安全红线。
指导老师评语及得分:
实验防的总作很有心,今石己作中一定要把定全牢记于心老师相信你会有一番武就的。努今后早成为“2匠之空”未来的大国 $x$ 匠 /心
签名:2020年6月15日
山西工程職業學院
泵房自动排水系统的设计与装调
实验报告
学生姓名:张浩指导教师:王字学生班级:机电1901
$2 0 2 0$ 年 $6$ 月
| 实验项目:泵房自动排水系统的设计与装调 | 实验时间:2020.6.12 |
| 小组成员:张浩.王梦龙.徐洪博 | |
一、实验内容与任务
已知某企业中央排水泵房正常排水量为 $7 5 m ^ { 3 } / \mathrm { h }$ ,最大排水量为 $\mathrm { { 1 3 5 m ^ { 3 } / h } }$ ,要求设计自动排水系统,需满足以下功能:
基本要求:
(1)选用的合适的三相电机带动负载排水泵;
(2)设计电气控制电路满足中央排水泵房的自动排水需求;
(3)完成自动排水系统的仿真实现及功能验证;
(4)完成排水系统的电气装调及故障排查。
拓展要求:
(1)设计多机控制功能,满足节约减排要求;
(2)设计备用电机自动切换功能(当运行电机故障时,自动启动备用电机)。
二、实验过程及要求
(1)识读三相电机控制排水系统的的电气原理图;
(2)根据排水要求选择适当型号的三相电机;
(3)学习浮球液位开关的工作原理及在排水系统中的使用方法;
(4)理解备用电机与正常工作电机之间的电气控制关系;
(5)选择合适的液位开关以获取水位信号,并根据任务要求选择液位开关个数,设计自动排水控制电路,注意液位开关常闭、常开触点的选择;
(6)在电路优化的基础上实现水位信号采集及排水系统的仿真实现;
(7)进行自动排水系统工程的安装、调试及故障排查。
(8)撰写实验总结报告,并通过分组汇报,学习交流各组实验心得体会。
三、实验目标与目的
知识目标:
(1)掌握浮球液位开关的工作原理及在排水系统中的使用方法;
(2)理解备用电机与正常工作电机之间的电气控制关系;
(3)掌握自动排水系统工程的安装和调试流程。
能力目标:
(1)能根据自动排水系统控制电路原理图进行安装接线与调试;
(2)能够在排水系统中正确使用浮球液位开关;
(3)能够对自动排水系统进行调试运行,对出现的问题可以自主解决。
素质目标:
(1)养成自主思考,协作分享的学习态度;
(2)能根据矿井维修电工职业标准要求,正确使用基本电工仪表及工具。
三、实验过程
(1)排水系统原理图(包括主回路、控制回路)

(2)排水系统仿真图(3)实操训练步骤

按照自主排水系疏“主回路”.“控制回路”原理图连“电机与电气制智能检实训平台”上进行实操接浅;
27使用智能到路检河系疏进行不通电河油的初步排查;
3)愧据系统进行故障点检测和排查;
4)完成浅路修改。
(4)不通电测试记录
将KMI第次通电后系统显示:KM常闭辅助点连接错误修改后第2次通电显示得分8
(5)调试排故记录
错误原因:将KMI常闭辅助点接到了KMI线圖中解决办注:KM1线圈中连KM2常闭辅助触点,KD我圈中连kmi常闭车辅助触点,你证KMI接角翠与KM2接触器在尚一时间只有一个线圈得电。
四、实验结果总结(本次实验成败之处及其原因分析)
作为,一名来来的机电工作者,要牢守的一根红线,就是安全,从事这个行业,我付还要本着一颗匠心,本着助手即负责的态度,以真对得我砌经过手每一件工作,要牢泥安全规程的要求。
指导老师评语及得分:
在实验的过程中一定要细致认真,避免出现不该有的错误,纯现错误也不要畏惧,及时纠飞错误,以后不要再犯同悔的错误。实验过程要体表说较地,“57要他笑安力。
签名;2020年 6 月