温度测控电路的设计与制作
实验题目:温度测控电路的设计与制作
1. 课程简要信息
课程名称:电子线路课程设计;学时:40;适用专业:通信;学生年级:大三
2. 实验内容与任务(限500字)
项目需要完成的任务(如需要观察的现象,分析某种现象的成因、需要解决的问题等);是否设计有不同层次的任务。
本实验要求运用电子线路课程的基本知识,通过 AD590温度传感器、继电器及其它常用模拟器件,设计一个温度控制器。实验的具体任务为:
(1)使用温度传感器 AD590、运算放大器 LM324、以及三极管、二极管、电阻、稳压管、继电器设计一个温度控制器。对于设定的温度控制范围(例如温度范围在 $2 5 ^ { \circ } \mathrm { C } { \sim } 3 0 ^ { \circ } \mathrm { C }$ ),当所控温度高于 $3 0 ^ { \circ } \mathrm { C }$ 时,温度控制器的继电器开关断开(表示加热设备停止加热),温度低于 $3 0 ^ { \circ } \mathrm { C }$ 时,继电器开关闭合(表示设备开始加热)。
(2)要求所设计的温度控制器,满足输出达到 $1 0 0 \mathrm { m V / ^ { \circ } C }$ ,温度控制精度不低于 $\pm 2 \mathrm { ^ { \circ } C }$ 。温度控制器应具有测温功能( $( 2 0 \sim 7 0 ^ { \circ } \mathrm { C } )$ ),测量精度不低于 $\pm 1 ^ { \circ } \mathrm { C }$ ,用数字电压表可实现温度显示。
(3)在面包板上搭建并调试电路,确定电路形式及元器件参数值。
(4)绘制电路板,通过焊接做出温控器的实物。撰写实验报告,对温度控制器的控温和测温原理予以详细的说明,详细介绍实验过程和现象。
3. 实验过程及要求(限300字)
如对学生在实验过程中在需求分析、资料查询、自学预习、思考讨论、方法设计、进程规划、软件仿真、平台构建、器件选择、表格设计、现象观察、数据测试、问题分析、总结报告、验收答辩、演讲交流等各方面的要求。
(1)掌握运算放大器的线性和非线性使用;
(2)掌握温度传感器和继电器在实际电路中的应用;查找并掌握 AD590 温度传感器的温度测量范围和测量精度、输出信号形式和线性范围等关键的特征参数,继电器的原理及使用方法;
(3)根据给定传感器选择放大器类型,设计放大电路,注意放大电路的输入阻抗和增益,以及各级电路之间的隔离措施;在仿真优化的基础上实现温度信号采集及放大;
(4)将温度信号转换为电压信号,并通过数字形式显示出来;
(5)设计电路结构,确定各单元电路的技术参数指标。先在面包板上搭建并调试电路,然后设计并制作电路板,焊接温控器;
(6)考察温控速度与温度波动范围。如何达到响应速度快、波动范围小的目标。
(7)构建一个简易的测试环境,以水银玻璃温度计为基准,在室温及室温以上 $2 0 \mathrm { { ^ \circ C } }$ 的范围内,
测定温度计测量误差以及控制误差;
(8)撰写设计总结报告,并通过分组演讲,学习交流,了解不同解决方案的特点。
4. 相关知识及背景(限150字)
项目涉及的知识方法、实践技能、应用背景、工程案例。
这是一个运用电子技术知识解决现实生活和工程实际问题的典型案例,需要运用传感器、继电器、运算放大器,及检测技术、数据显示、参数设定、反馈控制等相关知识与技术方法。并涉及测量仪器精度、线性度,及抗干扰等工程概念与方法。
5. 教学目标与目的(限100字)
如学习、运用知识、技术、方法;培养、提升能力、素质。
在较为完整的工程项目实现过程中引导学生了解现代测量方法、传感器技术,掌握运算放大器的线性和非线性使用,以及温度传感器和继电器在实际电路中的应用。培养学生将理论与实践相结合的能力和实践动手能力。引导学生根据要求设计电路、选择元器件,构建测试环境与条件,设计、制作、焊接、调试电路板,培养学生的工程意识,熟悉一个实际项目的设计制作过程,并通过测试与分析对项目做出技术评价。
6. 教学设计与引导
如预习要求及检查;课堂知识讲解、方法引导、背景解释;实验中的方法指导,问题设置、思路引导等。研讨主题、观察节点、验收重点、质询问题的设计等。
本实验的过程是一个比较完整的工程实践项目,需要经历学习研究、方案论证、系统设计、实现调试、设计总结等过程。在实验教学中,应在以下几个方面加强对学生的引导:
(1)将实验预习材料提前发放给学生,其内容包括实验目的、实验要求和实验所涉及主要器件的型号。实验预习材料包含有 AD590 温度传感器和继电器的原理,目的是引导学生主动查阅 AD590 传感器和继电器的手册,掌握 AD590 和继电器的使用方法,从而理解 K-C 转换电路、迟滞比较器电路和执行电路等模块的必要性,并通过设计将各个电路模块组合在一起,实现温度测控的功能。
(2)学习温度测量的基本方法,掌握运算放大器的线性和非线性使用,以及温度传感器和继电器在实际电路中的应用。
(3)实验开始时教师提示学生,实验过程为通过计算和电路仿真确定电路方案和元器件参数之后,按照所设计的原理图,插面包板,分级验证电路的正确性。各部分电路的验证方法在第 7小节实验原理及方案的第 2部分实现方案中列出。
(4)实验中学生会发现,比较器不能给出正确的信号,从而导致下一级电路中的继电器不发生动作。若学生分析不出问题的原因时,教师予以讲解,即因为迟滞比较器中的电阻将运算放大器的输出反馈至其同相输入端,根据比较器的特性其输出会在两个电压值上跳变,从而导致同相输入端电压不稳定,而同相输入端被设计为比较器的参考电压。因此,比较器的参考电压不稳定,电路无法正常工作。可以简略地介绍反馈控制的基本原理,要求学生自学实现反馈控制的方法及参数的整定。
(5)在电路设计、搭建、调试完成后,必须要用标准仪器设备进行实际测量,标定所完成的温度控制器的误差;需要根据实验室所能够提供的条件,设计测试方法,搭建温度可控且较为稳定的测试环境。
(6)在实验完成后,组织学生以项目演讲、答辩、评讲的形式进行交流,了解不同解决方案的特点,拓宽知识面。
(7)在设计中,要注意学生设计的规范性:如系统结构与模块构成,模块间的接口方式与参数要求;在调试中,要注意工作电源、参考电源品质对系统指标的影响,电路工作的稳定性与可靠性;在测试分析中,要分析系统的误差来源并加以验证。
7. 实验原理及方案
(1)温度控制器结构
本实验需要完成的温度控制器的结构如图 1 所示。根据图 1,对被控对象的温度设定一个范围。流过 AD590 的电流等于器件所处环境的热力学温度度数,所以需要开氏温度—摄氏温度的转换,即 K-C 变换。执行机构由继电器代替。

图 1. 温度控制器的结构框图
(2)实现方案
温控器的电路原理图如图 2 所示。

图 2. 温控器的电路原理图
图 2 所示为温控器的电路原理图,按功能不同分为 4 个部分,即温度传感器部分、K-C 转换电路、比较器部分和执行机构部分。
各部分电路的实现过程为:
$\textcircled{1}$ 温度传感器部分:用直流稳压电源产生 $+ 1 2 \mathrm { V }$ ,并正确连接入电路。用万用表测量 $\nu _ { 1 }$ 的值为 2.98V 即可;$\textcircled{2}$ K-C 转换电路:连接 K-C 转换电路时,先将温度传感器部分(即第一部分电路)隔离。之后测量 $\nu _ { 2 }$ 是否为 $2 . 7 3 \mathrm { V }$ ;$\textcircled{3}$ 比较器部分的实现:调节前边的滑动变阻器,得到正确的 $\nu _ { r e f }$ ,之后测量比较器的输出电压,如果 $\nu _ { 5 } = 6 . 8 3 \mathrm { V }$ 则说明电路正常;$\textcircled{4}$ 执行机构部分:先调试电位器是否正常工作,方法为将其工作端接 $+ 5 \mathrm { V }$ 与地,如果能听到继电器的动作声音,断开能听到跳变声。正确连接电路。
接下来对图 2 中各电路的功能和设计思路予以说明。
1)LM324 及应用
LM324是四运放集成电路,它采用 14脚双列直插塑料封装,外形如图所示。它的内部包含四组形式完全相同的运算放大器,除电源共用外,四组运放相互独立。每一组运算放大器可用图 3(a)所示的符号来表示,它有 5个引出脚,其中“+”、“-”为两个信号输入端, $^ { \mathfrak { c } \mathfrak { c } } \mathrm { V } + ^ { \mathfrak { s } }$ 、“V-”为正、负电源端,“Vo”为输出端。两个信号输入端中,Vi-(-)为反相输入端,表示运放输出端 Vo 的信号与该输入端的位相反; $\mathrm { V i ^ { + } }$ (+)为同相输入端,表示运放输出端 Vo 的信号与该输入端的相位相同。LM324的引脚排列如图 3(b)所示。

图 3. 运算放大器符号(a)和 LM324的引脚排列图(b)
由于 LM324 四运放电路具有电源电压范围宽,静态功耗小,可单电源使用,价格低廉等优点,因此被广泛应用在各种电路中。
2)温度传感器
AD590是美国模拟器件公司生产的单片集成两端感温电流源,即将温度转换为电流,其主要特性为:
$\textcircled{1}$ 测温范围为- ${ } . 5 5 ^ { \circ } \mathrm { C } \sim + 1 5 0 ^ { \circ } \mathrm { C }$ ;
$\textcircled{2}$ 正常电源工作电压范围为 $4 \mathrm { V } { \sim } 3 0 \mathrm { V }$ 。AD590 可以承受 44V正向电压和 20V 反向电压,因而器件反接也不会被损坏。
$\textcircled{3}$ 流过器件的电流等于器件所处环境的热力学温度(开尔文)度数,
$$ \frac { I _ { r } } { T } { = } 1 \mu A / K $$
AD590 将电流转换为电压的基本电路,如图 4所示。

图 4. 测温原理图(a)和 温度传感器部分电路原理图(b)
图 4(a)所示为 AD590 将电流转换为电压的原理图。图中 AD590 正极接 $+ 1 2 \mathrm { V }$ ,负极接 10k电阻,这样输出电压 $\nu _ { 0 }$ 随温度的变化为 $1 0 \mathrm { m V / ^ { o } K }$ 。增加负载电阻的阻值可提高输出电压。
AD590 输出电流是以绝对温度( $、 - 2 7 3 ^ { \circ } \mathrm { C }$ )为基准的, $0 \mathrm { { ^ \circ C } }$ 时,输出电流为 $2 7 3 \ \mu \mathrm { A }$ ,所以输出电流与摄氏温度的关系为: $I _ { r } = ( 2 7 3 + T ) \mu A$ , $T$ 为摄氏温度。所以 $\mathrm { T }$ 每增加 $1 \mathrm { { } ^ { \circ } C }$ ,电流 $I _ { r }$ 就增加 $1 \mu \mathrm { A }$ ,因此室温下当 $T = 2 5 ^ { \circ } \mathrm { C }$ 时,输出电流为 $I _ { r } = ( 2 7 3 + 2 5 ) \mu A = 2 9 8 \mu A$ ,如果 $R = 1 0 \mathrm { K }$ ,则输出电压 $\nu _ { 0 } = 2 . 9 8 \mathrm { V }$ 。注意:测量 $\nu _ { 0 }$ 时,不可分出任何电流,否则测量值会不准确。
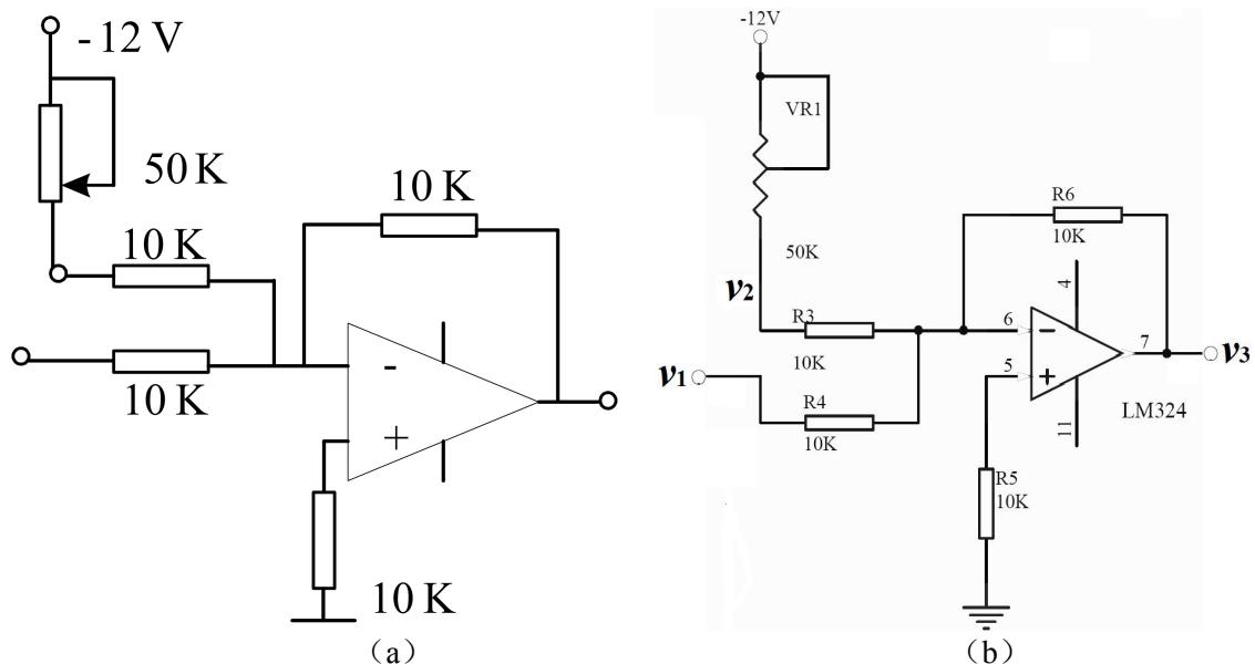
图 4(b)所示为 AD590 传感器的实际测温电路。实际电路中,将 AD590与电阻串联,以实现将电流信号转化为电压信号,方便后续处理。采用一个 $1 0 \mathrm { k }$ 电阻和一个滑动变阻器串联的方式,目的是平衡 10k 电阻的阻值误差。实验电路前端使输出电压 $\nu _ { 0 }$ 随温度的变化关系为$1 0 \mathrm { m V / ^ { o } K }$ 。由于 $\nu _ { 0 }$ 需要很精确,且不能受到下级电路影响,故应该使用运算放大器做隔离处理。这时运算放大器用作电压跟随器,其输出电压 $\nu _ { 1 }$ 的值应约为 $( 2 7 3 + 2 5 ) \mu A \times 1 0 k \Omega = 2 . 9 8 V$ 。
3)K-C 转换电路、放大电路
因为AD590 的温控电流值对应绝对温度 K,而在实际应用的温控中一般采用的是 $\mathrm { { } ^ { \circ } C }$ ,所以需要设计电路进行相应的转换,并且要求遵循 $0 \mathrm { { ^ \circ C } }$ 时,输出电压为 0。该模块采用 LM324构成的一级反相加法器和一级反相放大器实现。
$\textcircled{1}$ 反向加法器的实现

图 5. 反向加法器的原理图(a)和反向加法器部分电路原理图(b)
由于 $0 \mathrm { { ^ \circ C } }$ 时,AD590 输出 $2 . 7 3 \mathrm { V }$ ,反相加法器可以抵消 $2 . 7 3 \mathrm { V }$ 的影响,即实现 $0 \mathrm { { ^ \circ C } }$ 时,输出电压 $_ { 0 \mathrm { V } }$ 。要使 ${ } ^ { \nu _ { 3 } } { } _ { T } { = } 0 . 1 \mathrm { V } _ { \mathrm { c } }$ $T$ 为摄氏温度),则 $\nu _ { 2 } = 2 . 7 3 \mathrm { V }$ 。因此室温下当 $T = 2 5 ^ { \circ } \mathrm { C }$ 时,用电压表测量 $\nu _ { 3 }$ 输出值为 2.5V 左右。 $\nu _ { 3 }$ 的电压值与摄氏温度对应,可得到 AD590 所感应的室温。
根据运算放大器的性质,可得
$$ \nu _ { 3 } = - \Biggl ( \frac { R _ { 6 } } { R _ { 3 } } \nu _ { 2 } - \frac { R _ { 6 } } { R _ { 4 } } \nu _ { 1 } \Biggr ) , ~ \stackrel { \prime \boxplus } { \ A } \nu _ { 3 } = - ( \nu _ { 1 } + \nu _ { 2 } ) $$
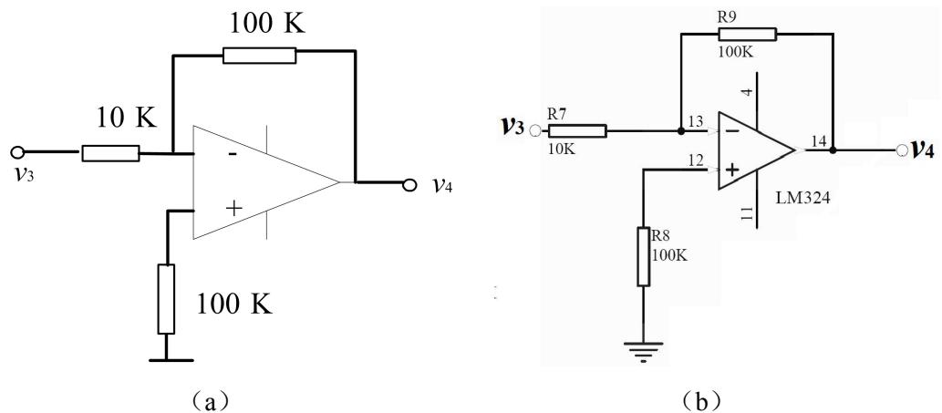
$\textcircled{2}$ 放大模块的实现

图 6. 反向放大器的原理图(a)和 反向放大器部分电路原理图(b)
当测试环境温度为 25 度时,由于前一级输出为 $\nu _ { 0 } = ( 2 7 3 + 2 5 ) \mu A \times 1 0 k \Omega = 2 . 9 8 \mathrm { ~ V ~ }$ ,即$\nu _ { 1 } = 2 . 9 8 \mathrm { V }$ ,调整 $5 0 k$ 电位器的大小,抵消 2.73V 的影响,使 $\nu _ { 3 } = - 0 . 2 5 \mathrm { V }$ ,后一级为一级反相放大器,放大倍数为 10。这样可以测试 $\nu _ { 4 } = 0 . 2 5 \mathrm { V }$ 。用万用表可读出 $\nu _ { 4 }$ 的值来反映温度。
4)比较器的实现

图 7. 迟滞比较器的原理图(a)和迟滞比较器传输特性(b)
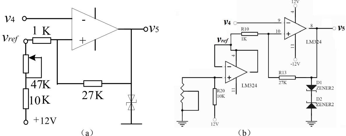
采用 LM324 和稳压二极管实现迟滞比较器。
在实际电路中可以通过下面公式来确定 $R _ { 1 }$ 和 $R _ { 2 }$ 的相对大小,阈值电压:
$$ \left{ \begin{array} { l l } { \displaystyle \nu _ { T 1 } = \frac { R _ { 2 } } { R _ { 1 } + R _ { 2 } } \nu _ { r e f } - \frac { R _ { 1 } } { R _ { 1 } + R _ { 2 } } \nu _ { 5 \mathrm { m a x } } } \ { \displaystyle \nu _ { T 2 } = \frac { R _ { 2 } } { R _ { 1 } + R _ { 2 } } \nu _ { r e f } + \frac { R _ { 1 } } { R _ { 1 } + R _ { 2 } } \nu _ { 5 \mathrm { m a x } } } \end{array} \right. $$
假设所控制温度范围( $( 2 5 ^ { \circ } \mathrm { C } { \sim } 3 0 ^ { \circ } \mathrm { C }$ ),即如果温度低于 25度时,即对被控对象加热,如果温度高于 30 度时就停止加热。
故 $\nu _ { 4 H } = 3 \mathrm { V }$ , $\nu _ { 4 L } = 2 . 5 \mathrm { V }$ ,如果所用稳压管 $\nu _ { z } = 6 . 6 \ : \mathrm { V }$ ,则 $\nu _ { 5 H } = 7 . 3 \ : \mathrm { V }$ , $\nu _ { 5 L } = - 7 . 3 \mathrm { V }$ ;联立上述两个阀值电压的计算公式可以得出 $R _ { 1 }$ 和 $R _ { 2 }$ 的相对关系的大小。
由于实验中不方便实现环境温度的改变,则通过改变基准电压大小,即改变 $\nu _ { r e f }$ 的值的大小,而输入电压成为一个固定不变的参考电压,通过改变电位器的值,使输出发生跳变。用电烙铁轻点 AD590 来改变温度更加直观。

图 8. 迟滞比较器的原理图(a)和 迟滞比较器部分的电路原理图(b)
图 8(a)为提供给学生参考的原理图,图中迟滞比较器的参考电压 $\nu _ { r e f }$ 由电阻的分压获得。但是由于阻值为27k的反馈电阻存在,会将 $\nu _ { 5 H } = 7 . 3 \ : \mathrm { V }$ 和 $\nu _ { 5 L } = - 7 . 3 \mathrm { V }$ 的跳变反馈给 $\nu _ { r e f }$ ,使得 $\nu _ { r e f }$ 不稳定,从而使得迟滞比较器无法正常工作。图 8(b)所示为上述问题的一种解决方案,即利用运算放大器构建电压跟随电路将 $\nu _ { r e f }$ 稳定在所需电压值。
5)执行机构
所谓的执行机构部分就是通过继电器的打开和闭合,来控制后端电路。当被测温度超过设定温度时,继电器动作,使触点断开停止加热,反之被测温度低于设定温度时,继电器触点闭合,进行加热。
$\textcircled{1}$ 继电器
HK4100F-DC5V-SHG 继电器有六个脚,其中 2、5 端为线圈,1、6 端为公共端,3、4 端一个常开一个常闭,如图 8 所示。

图 9. 继电器内部原理图(a)和继电器管脚图(b)
使用前先进行各引脚功能的判别。判别方法:用万用表欧姆档进行测量,若两脚之间电阻值为几十至几百欧姆,则是线圈,当线圈不通电时,用万用表 R 档测导通情况,有三个脚是通的,不通的一个脚是常开脚,给线圈加 5V 电压后,再测剩下的三个脚,不通的就是常闭脚,剩下的两个脚就是公共点,两脚导通。
$\textcircled{2}$ 执行机构
继电器常用三极管来驱动,常用的典型电路结构如图 10 所示。

图 10. 执行机构原理图(a)和 执行机构部分的电路原理图(b)
在电路中由于上一级输出为 $\pm 6 . 8 3 \mathrm { V }$ 。当为 $+ 6 . 8 3 \mathrm { V }$ 时,三极管 be导通,则 ce电阻很小,而二级管 D 反向截止则大量电路经过继电器,继电器动作(下跳)。
当为-6.83V 时为三极管 be截止,ce 之间电阻很大。流经继电器电流很小,不能使其动作(复位)。电路二极管 D 的作用,在二极管由导通变为截止时,继电器的电感效应,使其动作延迟,增加二极管使其在截止时,感应电流流过管而迅速放掉。
8. 教学实施进程
简要介绍实验实施进程的各个环节(如任务安排、预习自学、现场教学、分组研讨、现场操作、结果验收、总结演讲、报告批改等)中,教学设计的思路、目的,教师、学生各自需要完成的工作任务,需要关注的重点与细节。
(1)将实验预习材料提前发放给学生,其内容包括实验目的、实验要求和实验所涉及主要器件的型号。实验预习材料包含有 AD590 温度传感器和继电器的原理。要求学生在实验之前学习并掌握温度测量的基本方法,掌握运算放大器的线性和非线性使用,以及温度传感器和继电器在实际电路中的应用。
(2)实验开始时教师要检查学生的预习报告,重点看学生的设计方案,提示学生正确的实验过程和步骤,以及分级验证电路正确性的方法。
(3)实验中学生会发现,比较器不能给出正确的信号,从而导致下一级电路中的继电器不发生动作。当学生分析不出问题的原因时,教师予以讲解,简略地介绍反馈控制的基本原理,要求学生自学实现反馈控制的方法及参数的整定。
(4)在电路设计、搭试、调试完成后,必须要用标准仪器设备进行实际测量,标定所完成的温度计的误差;需要根据实验室所能够提供的条件,设计测试方法,搭建温度可控且较为稳定的测试环境。
(5)在实验完成后,组织学生以项目演讲、答辩、评讲的形式进行交流,了解不同解决方案及其特点,拓宽知识面。
9. 实验报告要求
需要学生在实验报告中反映的工作(如:实验需求分析、实现方案论证、理论推导计算、设计仿真分析、电路参数选择、实验过程设计、数据测量记录、数据处理分析、实验结果总结等等)
实验报告需要反映以下工作:
(1)实验需求分析
(2)实现方案论证
(3)理论推导计算
(4)电路设计与参数选择
(5)电路测试方法
(6)实验数据记录
(7)数据处理分析
(8)实验结果总结
10.考核要求与方法(限300字)
考核的节点、时间、标准及考核方法。
1) 实物验收:功能与性能指标的完成程度(如温度测量精度、控制精度),完成时间。
2) 设计方案:迟滞比较器参考电压抖动问题以及各级电路隔离问题的解决方案。
3) 实验质量:电路方案的合理性,电路板的绘制情况、焊接质量、组装工艺。
4) 自主创新:功能构思、电路设计的创新性,自主思考与独立实践能力。
5) 实验成本:是否充分利用实验室已有条件,材料与元器件选择合理性,成本核算与损耗。
6) 实验数据:测试数据和测量误差。
7)实验报告:实验报告的规范性与完整性。
11. 项目特色或创新(可空缺,限 150字)
项目的特色在于:项目背景的工程性和实用性,知识应用的综合性。
实验案例信息表
| 案例提供单位 | 天津大学电气电子实验教学中心 | 相关专业 | ||||
| 设计者姓名 | 白煜 | 电子邮箱 | baiyu1978@tju.edu.cn | |||
| 移动电话 | 158-2245-7182 | 通讯地址(含邮编) | 天津市南开区卫津路92号天津大学,电气自动化与信息工程学院,300072 | |||
| 设计者姓名 | 李香萍 | 电子邮箱 | xpingli66@tju.edu.cn | |||
| 移动电话 | 通讯地址(含邮编) | 天津市南开区卫津路92号天津大学,电气自动化与信息工程学院,300072 | ||||
| 设计者姓名 | 电子邮箱 | |||||
| 移动电话 | 通讯地址(含邮编) | |||||
| 相关课程名称 | 电子线路基础 | 学生年级 | 大三 | 学时(课内+课外) | 40 | |
| 支撑条件 | 仪器设备 | 示波器、直流稳压电源、电子技术实验箱、函数信号发生器、毫伏表、万用表 | ||||
| 软件工具 | Protel99、Altium Designer 6 | |||||
| 主要器件 | AD590、LM324、继电器、电阻、电位器、稳压管 | |||||