电子钟的设计
实验题目:数字电子钟的设计与制作
1. 课程简要信息
课程名称:数字电子技术
课程学时:48
项目学时:4
适用专业:电子信息工程、通信工程、物联网工程
学生年级:2019级第 4 学期
2. 实验内容与任务
(1)电路仿真
采用 Multisim 仿真软件对电路模块及整体电路图进行仿真分析并验证电路设计的合理性和科学性。
(2)时钟信号源的设计与制作
时钟信号源电路主要用来产生频率稳定的时间标准信号,以保证数字电子钟的走时精确及稳定。该电路是由集成 555芯片和适当的电阻电容等元件搭建的多谐振荡器,要求占空比约为 $50 %$ ,振荡周期为 1 秒,周期误差控制在 $\pm 1 0 %$ 以内。
(3)“时、分、秒”电路的设计与制作
“时”、“分”、“秒”电路分别为二十四、六十、六十进制的加法计数器。“分”和“秒”计数器用两块十进制加法计数器和与门来实现,它们的个位为十进制、十位为六进制,这样符合人们通常计数的习惯。“时”计数也用两块十进制加法计数器和与门来实现,只是设计为二十四进制计数器。
(4)译码显示电路的设计与制作
译码显示电路通常由数码显示器和显示译码器完成。由于本设计中计数器全采用十进制集成芯片,所以计数器的数码显示器均采用 LED 七段共阴极数码管,显示译码器为驱动共阴极数码管的“4511”集成芯片。
3. 实验过程及要求
(1)实验预习
以小组为单位认真讨论、集中学习,尤其是集成 555 芯片搭建时钟信号源电路及集成十进制加法计数器搭建二十四、六十进制计数器的方法,并写好预习报告。在预习报告中必须写出实验目的及要求、实验原理、实验设备、实验内容、元器件清单以及简要的实验步骤,形成一个操作提纲。
(2)软件仿真
以小组为单位分工协作仿真各电路模块,验证设计的合理性和科学性,最后仿真整体电路原理图。
(3)实验记录
学生开始实验时,必须清点好实验所需要的元器件、实验设备等,并将实验中每一步操作、观察到的重要现象和测得的数据如实地记录下来,并且实验记录中必须有指导教师的签名。
(4)实验总结
实验总结主要内容包括对实验数据、实验特殊问题、实验成败、实验关键点等内容进行整理、分析总结。
(5)撰写总结报告及演讲交流
总结分析理论和实验误差,并通过分组演讲,学习交流不同解决方法的特点。
4. 相关知识及背景
这是一个运用数字电子技术解决现实生活和工程实际问题的典型案例,需要运用集成 555 定时器、多谐振荡器、集成计数器、任意进制计数器、显示译码器、数码显示器、Multisim 仿真软件等相关知识与技术方法。
5. 实验环境条件
(1)软件Multisim 仿真软件
(2)制作工具$\textcircled{1}$ 电烙铁(20-35W)、烙铁架、焊锡丝、松香等焊接工具。$\textcircled{2}$ 剥线钳、平口钳、螺丝刀、镊子等工具。
(3)测试仪器仪表
万用表、示波器等。
(4)元器件清单
| 序号 | 数量 | 元件标号 | 元件值 | 封装 | 备注 |
| 1 | 13 | C1、C3、C5-C15 | 104 | CAP1/. 2 | 100nF独石电容 |
| 2 | 1 | C4 | 47μF/16V | RB.2/5 | 直插电解电容 |
| 3 | 1 | C2 | 10 μF/25V | RB. 1/. 2 | 直插电解电容 |
| 4 | 43 | R1、R4-R40 | 300Ω | AXIAL0. 4 | 直插1/4W 电阻 |
| 5 | 1 | R3 | 72K Ω | AXIAL0. 4 | 直插1/4W电阻 |
| 6 | 1 | R2 | 100K Ω | RP3/5 | 电位器 |
| 7 | 1 | J1 | VCC | USB-MICR0 | miniUS立式接口 |
| 8 | 6 | S1、S2、S3、S4、S5、S6 | 7-SEG | SEG-DIP10 | 1位7段数码管 |
| 9 | 6 | U4、U5、U6、U7、U8、U9 | CD4511B | S016 | 显示译码器 |
| 10 | 3 | U1、U2、U3 | 74HC390A | S016 | 2-5-10异步计数器 |
| 11 | 1 | U11 | NE555 | S0P8 | 定时器 |
| 12 | 1 | U10 | 74HC08 | S014 | 与门 |
| 13 | 1 | J2 | PWM-in | SIP-2P | 单排排针 |
| 14 | 1 | J3 | U10-Debug | SIP-4P | |
| 15 | 3 | J4、J6、J8 | Debug-A | SIP-3P | |
| 16 | 3 | J5、J7、J9 | Debug-B | SIP-5P | |
| 17 | 4 | M3*5螺丝 | 固定PCB板 | ||
| 18 | 4 | M3*5螺柱 | 固定PCB板 | ||
| 19 | 1 | PCB板 |
6. 教学目标与目的
(1)会写出 104贴片电容的容值和辨别电解电容的正负极。
(2)会识读 NE555、74HC390、CD4511 及 74HC08 的引脚和逻辑功能。
(3)会采用集成 555 芯片和电阻电容等元件搭建周期为 $1 \mathrm { H z }$ ,占空比约为 $50 %$ 的多谐振荡器。
(4) 会采用 74HC390和 74HC08 搭建二十四进制和六十进制加法计数器。
(5) 会焊接数字电子钟的电路并调试。
(6)培养学生理论与实际相结合的能力。
(7)培养学生工程实践能力。
(8)培养学生团队协作能力。
7. 教学设计与实施进程
本次实验主要采用 BOPPPS 教学模式开展。
(1)Bridge in(导言)
导言的目的是创造有利于学生学习的情境,本次实验主要采用与主题相关的生活案例,并采用提问方式导入本次实验课的主题——数字电子钟的设计与制作。
(2)Objectiv(目标)阐述本次实验课的教学目标(具体目标见第 6 部分),目标要求是具体的、精确的和可衡量的。
(3)Pre-assessment(前测)
通过开放性的问题了解学生对本次实验课主要内容的掌握情况,以达到及时调整课程的深度与步调、让学生了解并找出不足、找出可以成为“课堂资源学生”等目的。
(4)Paticipatory learning(参与式教学)
本次实验课主要采取小组讨论、“课堂资源学生带动”和“做中学、学中做”等方式进行参与式教学。每个班根据人数初步定为 3-4 人/组,共 12-13 组,每组有组长 1 名,组长根据本次课的主要实验内容,给组员和自己分配适当的实验内容,并以小组为单位开展讨论活动,以获得最快完成实验的方法和实验注意事项。“课堂资源学生带动”方式主要是通过前测效果较好的小组分享本次课的成果和解决问题的优秀方法,并且在实验过程中帮助其他小组解决疑难困惑。“做中学、学中做”方式有利于提高学生学习兴趣、学习耐力和注意力、作品成就感等,大大提高学习积极性和学习效果。
(5)Post-assessment(后测)通过题目、问答和实物展示等方式对照教学目标,逐条检查学生目标达成度。
(6)Summary(总结)
通过每组的任一成员对本组的学习效果、目标达成度及实验过程中遇到的疑难困惑等做简明总结,教师再根据学生们的总结做汇总并强调共性问题和解决方法,并表扬实验优秀的小组或组员。
8. 实验原理及方案
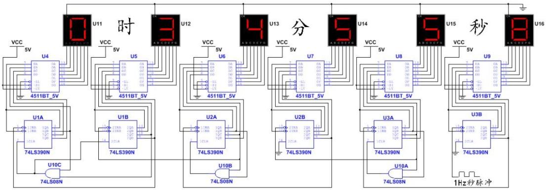
数字电子钟是一种采用数字电子技术实现“时”、“分”、“秒”数字显示的计时装置。目前,数字电子钟的功能越来越强大,并且有多种专门的大规模集成电路可供选择。本实验要求采用中小规模集成电路来设计和制作数字电子钟。数字电子钟一般由时钟信号源、计数器和译码显示电路 3 部分组成,其组成框图如图 1 所示。
数字电子钟电路将 1Hz 的时钟脉冲信号送入“秒”计数器进行计数,在“秒”计数器完成一个计数循环时,向“分”计数器产生“进位”信号,使“分”计数器计数,在“分”计数器完成一个计数循环时,向“时”计数器产生“进位”信号,使“时”计数器计数。所有计数的结果由对应的译码显示电路显示出来。

图 1 数字电子钟的组成框图
(1)时钟信号源的原理
时钟信号源是由 555集成芯片、电解电容、电阻和电容搭建的周期为 $1 \mathrm { H z }$ 、占空比约为 $50 %$ 的多谐振荡器,其原理图如图 2 所示。

图 2 时钟信号源的原理图

图 3“分”和“秒”计数器的原理图
(2)“分”和“秒”计数器的原理
“分”和“秒”计数器是由 74LS390和 74LS08 芯片搭建的六十进制加法计数器,其原理图如图 3所示。该计数器的个位为十进制,十位为六进制,通过个位的最高位(即 74LS390 的 QD 端)跟十位的异步时钟源 INA 连接,实现个位向十位“逢十进一”的进位法则;通过把十位的 QB 端、QC 端跟 74LS08 的两个输入端连接,并将 74LS08 的输出端跟十位的清零端(CLR)连接,实现十位的十进制向六进制的转换。
(3)“时”计数器的原理
“时”计数器是由 74LS390 和 74LS08 芯片搭建的二十四进制加法计数器,其原理图如图 4 所示。该计数器的个位为十进制,十位为三进制,通过个位的最高位(即 74LS390 的 QD 端)跟十位的异步时钟源 INA 连接,实现个位向十位“逢十进一”的进位法则;通过把十位的 QB 端和个位的 QC 端跟 74LS08 的两个输入端连接,并将 74LS08 的输出端跟十位和个位的清零端(CLR)连接,实现“00,01,...,23 后又回到 00”的二十四进制加法计数器。

图 4 “是”计数器的原理图
(4)数字电子钟的原理
数字电子钟通过把“秒”计数器中十位的 QC 端跟“分”计数器中个位的异步时钟源 INA 连接,实现“秒”计数器为“59”时向“分”计数器进位的功能;通过把“分”计数器中十位的 QC 端跟“时”计数器中个位的异步时钟源 INA 连接,实现“分”计数器为“59”时向“时”计数器进位的功能,其电路原理图如图 5 所示。

图 5 数字电子钟的电路原理图
(5)数字电子钟的电路图
根据实际所选用的元器件,并结合各部分的原理搭建的数字电子钟电路图如图 6 所示。

(6)数字电子钟的实物图
根据数字电子钟的工作原理和元器件制作的实物图如图 7 所示。

图 7 数字电子钟的实物图
9. 实验报告要求
实验报告需要反映以下工作:
(1)实验需求分析
描述本实验的背景与实际意义,即为什么设计这个实验,基于何种需求,解决了什么问题,需巩固的知识与技能。
(2)实现方案论证
为实现上述需求,有那些方案可以选择,从硬件,软件资源获得,成本高低,开发难度,易维护性等方面进行简单比较。
(3)理论推导计算根据多谐振荡器电解电容充放电过程计算振荡周期和占空比,分析实验的合理性和科学性。
(4)电路测试方法描述每个实验模块的测试方法,根据测试结果与自己分析结果对比总结实验注意要点。TP1 为秒脉冲产生电路的脉冲输出(秒计数电路个位加一)测试点;TP2 为秒计数电路十位加一脉冲测试点;TP3 为分计数电路个位加一脉冲测试点;TP4 为分计数电路十位加一脉冲测试点;TP5 为时计数电路个位加一脉冲测试点;TP6 为时计数电路十位加一脉冲测试点。
(5)数据处理分析
分析自己计算值与理论值之间的差别,从而找到正确的计算方法,巩固理论知识,分析理论值和实验值的不同,找到产生误差的原因,以及减小误差的方法。
(6)实验结果总结
简述实验过程中学到了理论知识、实操能力、焊接技巧,以及自己需要改进的地方。
10.考核要求与方法
| 考核要素 | 考核标准 | 考核依据 | 考核方式 | 权重 | ||
| 个人 | 小组 | 教师 | ||||
| 职业素质 | (1)能文明操作、遵守实训室管理规定;(2)能与其他学员团结协作;(3)能积极主动完成学习及工作任务;(4)能遵守纪律,服从管理。 | (1)工具的摆放规范;(2)仪器仪表的使用规范;(3)工作台的整理;(4)工作任务页的填写规范。 | 0.3 | 0.3 | 0.4 | 0.3 |
| 专业能力 | (1)清楚规范作业流程;(2)熟悉数字电子钟电路的组成及工作原理;(3)能独立完成电路的制作与调试;(4)能够选择合适的仪器仪表进行调试;(5)能对制作与调试工作进行评价与总结。 | (1)操作规范;(2)专业知识,包括多谐振荡器、计数器和显示译码器等专业理论知识、项目技术总结报告、演示和答辩等知识;(3)专业技能,包括仿真分析、作品的设计与制作、实验报告的规范性与完整性等;(4)实验质量,包括焊接质量和组装工艺。 | 0.2 | 0.2 | 0.6 | 0.7 |
11. 项目特色或创新
本实验采用 BOPPPS 教学模式开展教学活动,大大提高了学生的参与度,提高了学习兴趣和教学效果。