电子骰子的设计与制作
实验题目:电子骰子的设计与制作
1. 课程简要信息
课程名称:数字逻辑电路
实验案例名称:电子骰子的设计与制作
课程学时:理论课程48学时 $^ +$ 课内实验16学时
适用专业:通信工程、自动化、电气工程及其自动化、电子信息工程、电子信息科学与技术
学生年级:第二学年第二学期
注:本实验案例为数电实验课程大纲中的实验 10 “脉冲电路与 MSI 时序功能件的应用”,其主要内容为电子骰子电路的设计与制作,本案例为了更为直观表现实验案例内容,因此将电子骰子作为实验题目。
2. 实验内容与任务(限500 字,可与“实验过程及要求”合并)
实验任务:采用555定时器芯片、计数芯片、逻辑门芯片以及面包板等元件设计并搭建一个电子骰子电路。
实验内容:
1)实现功能:
基本功能:设计并搭建一个电子骰子电路,用7颗LED 显示骰子点数,且显示方式与真实骰子一致;电路通电后,能够模拟骰子的投掷功能——点数随机显示;设置一个单刀双掷开关,开关打在A 点时,上次显示的点数清零(7颗LED全部显示)。开关打在B 点时,再次随机显示点数。
拓展功能:设计一个脉冲切换开关,能够实现 “作弊”功能(通过骰子点数的慢速变化,选择出想要的点数);尽可能不增加芯片模拟两个骰子的投掷,且均具有随机显示功能。
2)实验工作:
包括预习实验原理;进行电路设计;完成预习报告;电路仿真与测试;电路搭建与调试;课堂交流;撰写实验报告。
3. 实验过程及要求(限300字)
1)实验课前进行知识点复习;
2)根据实验设计要求,分析电路功能,确定系统的原理框图,并且筛选合适的逻辑芯片,同时完成预习报告;
3)按照设计原理图,利用 Multisim 软件对各单元电路进行功能仿真测试,并记录仿真结果;
4)根据选择的元件以及实验室现有的硬件设备,在面板上搭建实际电路;
5)按单元分块调试电路(脉冲电路、计数电路、二极管显示电路等);
6)进行整体电路调试,观察骰子电路工作情况,并记录结果;
7)功能演示,分组交流,了解不同设计方法及其特点,拓宽知识面;
8)结合仿真和硬件测试数据,进行实验电路分析,最后撰写实验报告。
4. 相关知识及背景(限150字)
本实验是数字逻辑电路中一个综合性的典型案例,它源于生活中常见的骰子,由于其使用时的随机性,因此对电路设计带来一定难度。实验综合运用了组合逻辑电路、时序逻辑电路以及 555 定时器电路等相关知识,既可以采用逻辑芯片完成传统的设计方案,也可在完成专业课程后采用单片机或FPGA通过编程手段实现。
5. 教学目标与目的(限100字)
通过实验预习,加深学生对数字逻辑电路基本理论的理解;通过完成实验,提高学生对数字电路设计与分析的水平。使学生将动手实验与理论知识相结合,理论引导实践、实践验证理论,加强了学生综合运用能力。同时,通过完成传统的实验设计,进一步引导学生对于后续可编程逻辑器件的学习。
6. 教学设计与引导
本实验属于数字逻辑电路的综合性实验,包含多个基础知识点的学习,需要经历功能分析、系统设计、电路仿真、系统调试、设计总结等过程。在实验教学中,应在以下几个方面加强对学生的引导:
1)实验课前,要求学生复习相关理论知识(555定时器、计数器、逻辑门等)。布置实验任务时,要交代清楚设置实验基本要求以及拓展要求的目的,并抛出问题,如何进行电路设计;(可以加强学生理论知识的学习)
2)实验的第一次课程,先讲解电路的工作原理以及工程背景,与学生一起分析电路设计思路,引导学生将整体系统根据功能分解成各个单元模块进行设计;(可以增强学生的问题分析能力)
3)针对各个单元模块进行理论讲解,同时引导学生利用 Multisim 软件,对各个模块进行仿真测试,能否达到设计要求,满足电路各模块功能,并记录仿真测试结果,教师进行阶段验收(包括预习报告、仿真电路以及测试结果);
4)实验的第二次课程,引导学生根据分解的模块功能以及逻辑芯片的结构,进行面包板元件位置的排布以及电路的搭建;(能够体现出学生综合知识的运用能力)
5)引导学生分别进行各单元模块的调试工作,重点在于LED 亮度的实际工程问题的研究。在满足各自模块功能后,进行整体系统的调试工作,同时注意硬件电路故障排除方法的讲解;(在实际操作中,加深了理论知识的理解)
6)引导学生分组进行电路功能演示,教师进行阶段验收(包括电路搭建效果以及电路功能实现效果)。最后以不同设计方法为主题进行交流学习,拓宽知识面,同时对比实验数据,以便完成实验报告。
实验中教师要以学生学习成果为导向进行教学环节的设计,注意鼓励学生自主学习的积极性,重视理论指导实践、实践验证理论的联动性,同时尽可能消除学生对实验课程的应付了事的心态。
7. 实验原理及方案
1)系统结构
电路可分为直流供电电源、基本功能电路和拓展功能电路构成。直流电源由直流稳压源提供,基本功能电路主要由四个模块组成:脉冲模块、计数器模块、逻辑门模块、LED模块,拓展功能电路由改频模块和镜像模块组成,原理框架图如图1所示。

图 1 原理框架图
2)实现方案
(1)脉冲模块
方案一:采用555时基芯片作为脉冲模块,通过外部电路搭建成无稳态模式,可输出方波信号。
方案二:采用信号源提供方波脉冲(不提倡,使用会扣分)。
(2)计数器模块
方案一:使用JK触发器以及门电路搭建六进制计数器,电路图如图 2所示。

图 2 六进制计数器组成的骰子电路
方案二:使用 CD4017 十进制计数器,电路图如图 3所示。

图 3 十进制计数器组成的骰子电路
方案三:使用74HC393 芯片的二进制计数器。
(3)LED 模块
使用7 颗LED配合电阻,组成 LED 模块。
(4)改频模块
通过对脉冲电路设置一个开关,进行脉冲频率的改变,实现改频— —“作弊”功能。
(5)镜像模块
可选用与之前相同的计数方式进行第二个骰子的电路搭建,注意时钟脉冲的输入端不能与第一个骰子相同。
3)本案例建议方案
本案例以二进制计数器为例,给出详细工作原理。

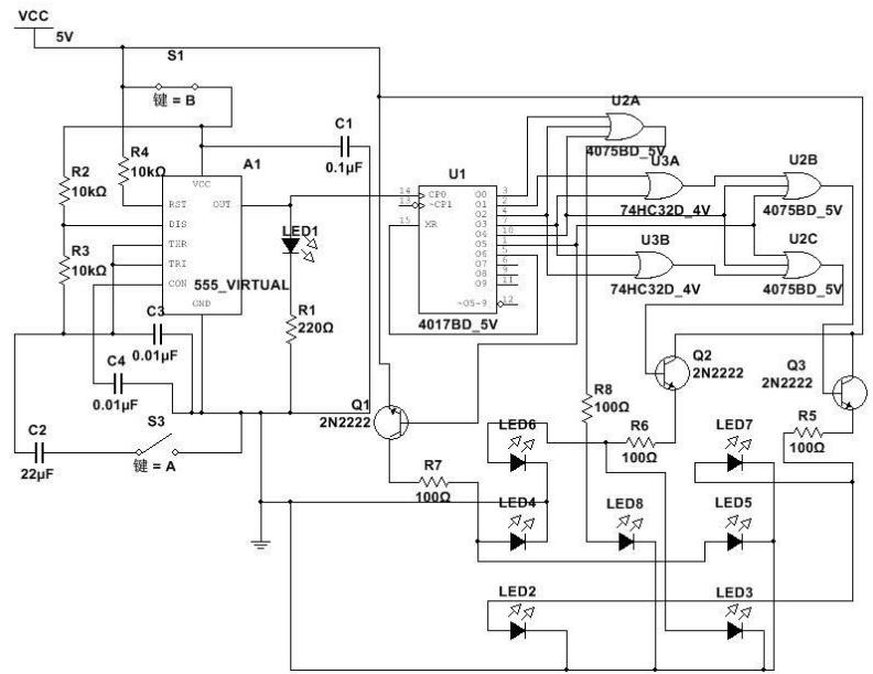
图 4 整体电路图
图4为电子骰子电路整体电路图,采用555定时器构成无稳态模式发出方波脉冲,定时器的内部配置与单稳态模式完全相同,但外部连接方式不同,结构如图5所示。首先,触发器定时电容器 C1 接地,低电压通过外部导线从 6号引脚传递到 2号引脚,使定时器芯片触发自身。触发器转换到“置位”状态,向外发送一个正脉冲,同时改变6 号引脚上的低电压。随后,C1 通过串联的 R1 和 R2 开始充电,因为 C1 的容值较小,所以它充电很快。当它的电压达到电源电压的 2/3时,比较器 B开始工作,使电容器放电,终止3 号引脚的输出脉冲。之后,电容器通过 R2 在7号引脚(放电引脚)上放电。放电时,电容器上的电压迅速减小,而电压仍然与 2号引脚相连。当电压下降至电源电压的1/3或以下时,比较器A开始工作,向触发器发送另一个脉冲,使整个过程重新开始。
R1、R2 和 C1 组成了振荡电路,如果改变 C1或者 R2 的参数,便可以调整脉冲输出的间隔,也就是改变输出频率,此处并联一个大电容和开关,用开关即可以实现大幅度降低输出频率,实现“作弊”功能。

图 5 555定时器无稳态模式连接
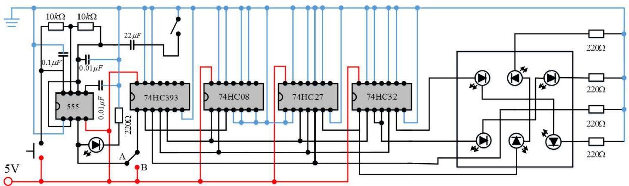
电子骰子电路的核心是计数器芯片,通常是十进制或者二进制。这里给出二进制的连接方法,十进制学生可自行学习。选择的计数器芯片型号为 74HC393,实际包含两个四输入二进制的计数器,第二个计数器可以用作拓展功能,进行第二个骰子的模拟。其引脚分配如图6所示。

图 6 74HC393 管脚图
由于骰子有六个面,因此计数器在输出六个状态后应进行重复。二进制编码表示的输出序列为: 000、001、010、011、100、101。(此处可以忽略D列的最高有效位,因为仅有六个状态)使计数器在输出二进制数字 101 之后重置。将 B 与 C 输出端后加一个与门,再将与门的输出连接到计数芯片的重置端,如计数芯片输出110 时,与门会将高电平直接作用在重置端,使计数芯片重置。之后再添加了两个逻辑门:三输入或非门和二输入或门,如图 7所示,实验分别采用 74HC08、74HC27、74HC32芯片作为逻辑门芯片。这样随之计数器从 000增加到101,LED 便按以下规律进行导通,如图8所示。如 555 定时器发出特定频率后,可实现 LED 的规律变化,此时若将计数芯片的时钟引脚从555定时器的输出端改为连接高电平,LED即可显示当前计数器输出的点数,如果频率足够大,每次停止即可当成“随机”功能。由于采用的芯片均有半数功能未使用,因此只要按照上述再次连接 7个LED,即可实现2个骰子随机投掷功能。

图 7 门电路连接图

图 8 输出规律
4)实验电路测试
仿真电路与实际电路如下图所示。

图 9 仿真电路

图 10 实际电路
8. 教学实施进程
本实验的教学实施进程共分为三部进行,综合学生学习成果可进行相应调整。
-
预习安排:为使学生具有充足的理论知识,任课教师提前 1~2 周布置预习任务以及实验题目和要求。学生需完成相关理论知识的预习,并完成预习报告。重点内容是555脉冲发生电路以及时序逻辑电路的工作原理;
-
实验操作:共 4 学时,分 2 次课进行。第一次课,为使学生能够自主完成电路设计并找出电路问题,任课教师只进行重点知识的讲授,其余时间留给学生实际操作,教师进行指导,学生需完成电路的设计与仿真测试任务;第二次课,学生完成实际电路的搭建和测试任务,重点内容是通过虚拟仿真软件对所设计的电路进行验证以及实际电路的搭建;
-
验收总结:教师针对每个学生的电路,分别进行电路功能测试,包括脉冲信号、随机显示功能、作弊功能等。对于不符合要求的电路,分析电路问题产生原因,及时进行改正;符合要求的电路可根据学生层次适当进行拓展功能的尝试,使学生知识水平进一步提高。同时进行分组的研讨交流,完成实验总结报告的撰写。
9. 实验报告要求
预习报告:
1)详细总结预习知识点,说明各电路的工作原理;
2)需要针对实验题目中各项功能,用数字逻辑电路的语言进行描述,比如对随机功能、作弊功能的解释;
3)画出初步设计电路原理图,并列出元件清单,同时说明总体设计思路。
实验报告:
1)需将仿真电路及实际搭建电路截图粘贴在实验报告中,并简述其工作原理;
2)记录仿真测试以及系统调试数据,并介绍系统仿真及调试方法,在仿真测试以及电路调试过程中遇到的问题以及排查经过,包括记录问题现象,分析存在原因,以及排除方法和效果等;
3)简单叙述对实验项目的结论性意见,说明电路最终实现的功能,并通过资料查询,给出系统进一步完善或改进的意向性说明;
4)进行实验总结,详细叙述完成实验的收获、体会。
10.考核要求与方法(限300字)
成绩评定采用分阶段多元化考核方式,总成绩由各部分成绩总和构成,同时根据实际情况适当调整评定项目及其构成。
1)预习报告: $20 %$
在第一节实验课中进行预习报告验收,验收包括考察学生对相关知识的复习结果、初步的设计方案是否合理、功能是否完整、设计是否有创新性;
2)实验结果(功能完成情况、性能、连线、演示): $50 %$
仿真结果:在第一次实验课结束时进行验收,验收包括检查 Multisim 仿真软件的使用,各元件连接、信号输入以及芯片供电和接地等情况,检查各模块仿真功能实现程度以及仿真结果的正确性,若设计出拓展功能,可获得额外加分;
实验结果:在第二次实验课结束时进行验收,验收包括检查电路搭建完成情况,器件选择的经济和合理性,搭线的美观度,电路功能完成情况,若拓展功能实现可获得额外加分;
3)设计总结报告: $30 %$
实验课结束后一周内以班级为单位上交,主要考察报告的规范性和完整性。
11. 项目特色或创新(可空缺,限 150字)
1)项目来源于现实生活,具有很强的实用性,能激发学生设计的兴趣和热情;
2)通过分层次教学,采用多种设计方案,设计要求有基本功能和拓展功能,由浅入深,逐步深入,有效的把数字逻辑电路实验中脉冲发生电路和时序逻辑电路结合起来,体现了综合性、设计性以及创新性。
3)学生在完成专业课课程后,可采用单片机或者 FPGA 硬件实现电路功能要求,起到了学科中各课程之间的引导作用。
参赛信息表
| 案例提供单位 | 长春理工大学 | 相关专业 | 电子信息工程 | |||
| 设计者姓名 | 吕超 | 电子邮箱 | lcalcjou@sina.com | |||
| 移动电话 | 18904316001 | 通讯地址(含邮编) | 吉林省长春市朝阳区卫星路7089号长春理工大学130022 | |||
| 设计者姓名 | 郝子强 | 电子邮箱 | 7663410@qq.com | |||
| 移动电话 | 18943671770 | 通讯地址(含邮编) | 吉林省长春市朝阳区卫星路7089号长春理工大学130022 | |||
| 设计者姓名 | 白雪梅 | 电子邮箱 | 923223426@qq.com | |||
| 移动电话 | 13086894599 | 通讯地址(含邮编) | 吉林省长春市朝阳区卫星路7089号长春理工大学130022 | |||
| 相关课程名称 | 数字逻辑电路 | 学生年级 | 大二下 | 学时(课内+课外) | 48+16 | |
| 支撑条件 | 仪器设备 | 信号源、示波器、直流稳压电源、台式万用表等 | ||||
| 软件工具 | Mulitisim | |||||
| 主要器件 | 555 芯片、74HC393芯片、74HC27芯片、74HC08 芯片、面包板等 | |||||
数字逻辑电路课程教学大纲
一、课程基本信息
| 课程编码 | 040821006 | 开课单位 | 电子信息工程学院 |
| 课程名称 | (中文)数字逻辑电路 | ||
| (英文)Digital Logic Circuit | |||
| 课程学时 | 64 | 课程学分 | 3.5 |
| 课程类别 | 学科基础课 | 课程性质 | 必修 |
| 开课学期 | 第二学年第4学期 | 课内实验学时 | 16 |
| 适用专业 | 电子信息工程 | ||
| 选用教材 | 数字电路逻辑设计 (王毓银主编) | ||
| 先修课程 | 高等数学、大学物理、电路分析、电子线路(低频) | ||
| 考核方式 | 期末考核 | ||
| 制定人 | 白雪梅 | 制定时间 | 2018.07.05 |
二、课程性质及目标
1.课程性质
《数字逻辑电路》是电信工程学院各专业的一门重要学科基础课。通过本课程的学习,使学生获得数字电路与数字逻辑方面的基本理论、基本知识和基本技能,理解数字电路的工作原理及应用,掌握数字电路的分析设计方法,为后续有关课程的学习奠定基础。通过课内实验,使学生掌握常用电子仪器和常用单元电路的使用方法和调测方法,加深对数字电路与数字逻辑有关理论的理解,培养学生分析设计和解决实际问题的能力。
2.课程目标
(1)使学生掌握数字逻辑电路和数字信号、逻辑代数的基础知识以及常用的数字逻辑电路及其工作原理。
(2)掌握从硬件角度去分析、设计特定系统并解决复杂工程问题的方法。
(3)通过课程实验培养学生的实际操作能力,能够对实验结果进行分析,从而得出有效结论;使学生能够根据具体应用需求,设计系统的解决方案;培养学生的工程实践意识、动手能力和综合应用能力。
三、课程目标对毕业要求的支撑
1. 基础知识层面
使学生掌握数字逻辑电路和数字信号、逻辑代数的基础知识以及常用的数字逻辑电路及其工作原理(毕业要求 1“工程知识”的分解指标点1.2“具备计算机与信息技术、工程制图、电子电工基础知识,并能用于解决电子信息工程领域复杂工程问题”)。
2. 分析问题层面
使学生掌握从硬件角度去分析、设计特定系统并解决复杂工程问题的方法(毕业要求2“问题分析”的分解指标点 2.1“能够运用数学、自然科学和电子、信息、计算机的基本理论和基础知识对电子仪器和信息系统复杂工程问题进行判断,结合专业知识进行有效分解,并能够辨识工程问题的主要特征”)。
3. 实验能力层面
通过课程实验培养学生的实际操作能力,能够对实验结果进行分析,从而得出有效结论;使学生能够根据具体应用需求,设计系统的解决方案;培养学生的工程实践意识、动手能力和综合应用能力(毕业要求 4“研究”的分解指标点 4.2“能够搭建和操作实验装置,采集、分析实验数据,对实验结果进行关联、建模、分析和解释”)。
四、课程的教学内容、基本要求与学时分配
| 序号 | 教学内容 | 基本要求 | 学时 | 教学方式 | 对应课程目标 |
| 1 | 数字逻辑电路基础知识(1)数制和码(2)逻辑函数及其简化①逻辑代数的基本运算和公式②逻辑代数的基本定理及函数表示方法③逻辑函数的公式化简法④逻辑函数的卡诺图化简法 | 了解数字量与模拟量的特点,数字逻辑电路的特点、应用。理解二进制的算术运算与逻辑运算的不同之处。掌握数制和码制的相互转换问题;逻辑代数的三种基本运算、三项基本定理、基本公式和常用公式;逻辑函数的四种表示方法(真值表法、逻辑式法、卡诺图法及逻辑图法)及其相互之间的转换;掌握逻辑函数的公式化简法和图形化简法。理解最小项和约束项的概念、约束项在逻辑函数化简中的应用。 | 8 | 讲授法 | 1 |
| 2 | 门电路(1)晶体管开关特性(2)TTL集成逻辑门(3)MOS 逻辑门(4)CMOS电路 | 了解门电路的定义及分类方法;二极管、三极管的开关特性,及分立元件组成的与、或、非门的工作原理;其它TTL门(与非门、或非门、异或门、三态门,OC门)的工作原理及TTL门的改进系列;其他CMOS门(与非门、或非门等)的工作原 | 4 | 讲授法与自主学习相结合 | 1 |
附件1 教学大纲
| 理。掌握 TTL 反相器的工作原理,静态输入、输出、电压传输特性及输入端负载特性,动态特性;掌握CMOS 反相器的工作原理及静态特性。 | |||||
| 3 | 组合逻辑电路的分析和设计(1)SSI组合逻辑电路的分析与设计(2)MSI组合逻辑功能件的分析与应用(3)组合逻辑电路的冒险现象分析及克服方法 | 理解组合逻辑电路的特点和竞争冒险现象。掌握组合逻辑电路的设计与分析方法;常用组合逻辑电路,即编码器、译码器、数据选择器、加法器及数值比较器的基本概念、工作原理及应用。 | 11 | 讲授法与讨论法相结合 | 1、2 |
| 4 | 时序逻辑电路的分析和设计(1)集成触发器(2)SSI时序逻辑电路的分析与设计(3)MSI时序功能件的功能特点及其应用 | 掌握触发器的定义以及基本RS 触发器、同步触发器、主从触发器、边沿触发器的工作原理、动作特点;触发器逻辑功能的描述方法。掌握时序逻辑电路的定义及同步时序电路的分析与设计方法。深刻理解时序电路各方程组(输出方程组、驱动方程组、状态方程组),状态转换表、状态转换图及时序图在分析和设计时序电路中的重要作用。了解常用时序电路,尤其是计数器、移位寄存器组成及工作原理,简单介绍异步时序电路的概念。 | 12 | 讲授法与讨论法相结合 | 1、2 |
| 5 | 半导体存储器(1)半导体存储器概述及顺序存储器(2)随机存储器(3)只读存储器 | 了解半导体存储器的功能及分类,了解它们在数字系统中的作用。了解只读存储器ROM、随机存储器RAM的组成及工作原 | 4 | 讲授法与自主学习相结合 | 1 |
附件1 教学大纲
| 理。掌握存储容量扩展方法。 | |||||
| 6 | 脉冲单元电路(1)单稳态触发器(2)斯密特触发器(3)多谐振荡器(4)555时基电路的应用 | 了解脉冲波形产生及整形电路的分类及脉冲波形参数的定义。重点掌握由555定时器组成三种脉冲电路(施密特触发器,单稳触发器和多谐振荡器)的工作原理、波形参数的计算及波形参数与电路参数之间的关系。 | 5 | 讲授法与讨论法相结合 | 1、2 |
| 7 | A/D、D/A 转换电路(1)D/A转换电路原理及简单应用(2)A/D转换电路原理及简单应用 | 了解 ADC、DAC 在数字系统中的作用及分类方法。掌握权电阻网络DAC,倒T型电阻网络DAC的工作原理及DAC 的转换精度与速度。掌握 ADC 的转换步骤、取样定理,重点掌握逐次逼近型ADC与双重积分型 ADC 的工组原理及其特点。 | 4 | 讲授法与讨论法相结合 | 1、2 |
| 合计 | 48 | ||||
五、课程的实验要求与内容
本课程的实验主要是围绕数字逻辑电路进行验证、分析和设计,内容包括TTL集成门电路、触发器、中小规模组合逻辑电路、时序逻辑电路、脉冲单元电路、模数转换电路,以及综合性设计性实验。旨在巩固理论课内容,加深对数字逻辑电路知识的理解和应用,使学生能够根据具体应用需求,设计系统的解决方案,培养学生的工程实践意识、动手能力和综合应用能力。
| 序号 | 项目 | 内容提要 | 学时 | 性质 | 要求 | 对应课程目标 |
| 1 | 用 SSI设计组合电路及冒险现象的观察 | 掌握用 SSI设计组合电路及其检测方法以及了解冒险现象产生原因和现象 | 2 | 验证 | 必做 | 3 |
| 2 | MSI组合功能器件的应用 | 掌握数据选择器、译码器等 MSI的使用方法 | 2 | 验证 | 必做 | 3 |
| 3 | 脉冲信号产生电路 | 掌握单稳态触发器和 555时基电路设计脉冲信号产生电 | 2 | 设计 | 必做 | 3 |
附件1 教学大纲
| 路的方法;掌握影响输出脉冲波形参数的定时元件数值的计算方法 | ||||||
| 4 | 集成触发器的测试与应用 | 掌握集成触发器的使用方法和逻辑功能的测试方法 | 2 | 设计 | 必做 | 3 |
| 5 | TTL 集成门的测试与使用 | 学习TTL 逻辑功能的测试、TTL 主要参数的测试 | 2 | 设计 | 选做 | 3 |
| 6 | 模数转换器的应用 | 熟悉模数转换器的使用方法及其典型应用 | 2 | 验证 | 选做 | 3 |
| 7 | 集成触发器时序电路设计与测试 | 掌握常见集成触发器设计电路的方法 | 2 | 设计 | 选做 | 3 |
| 8 | 基于Verilog的二输入与非门 | 熟悉QuartusII和Modelsim的使用方法,用Verilog语言完成与非门的设计及仿真,并把设计下载到目标器件中,通过硬件验证功能。 | 2 | 验证 | 必做 | 3 |
| 9 | 基于Verilog 的点亮4位数码管循环显示电路 | 用Verilog语言完成4位数码管循环显示的设计及仿真,并把设计下载到目标器件中,通过硬件验证 台硬件验证功能。 | 2 | 设计 | 选做 | 3 |
| 10 | 脉冲电路与MSI时序功能件的应用 | 掌握 555芯片组成的无稳态脉冲电路和各种进制的计数器电路。 | 4 | 综合 | 必做 | 3 |
| 11 | MSI时序功能件应用 | /明掌握集成计数器和双同移位寄存器的使用方法,熟悉MSI时序功能件的应用,熟悉显示译码器和数码管的使用方法 | ||||
| 4 | 综合 | |||||
| 选做 | 3 |
注:项目性质:演示、验证、综合、设计、创新项目要求:必做、选做
六、参考资料
[1]王毓银主编.数字电路逻辑设计.北京:高等教育出版社,2005年[2]康华光主编.电子技术基础(数字部分).北京:高等教育出版社,2006年[3]阎石主编.数字电子技术基础.北京:高等教育出版社,2006年[4]白雪梅,郝子强主编.数字电子技术实验教程.北京:国防工业出版社,2014年
七、考核与成绩评定
1、课程由课堂授课和课内实验两部分组成。理论授课 64 学时,采用“讲授法”、“自主学习”和“讨论法”等教学方式提升教学的效果;课内实验 16 学时,以学生操作、综合和验证为主,教师讲解、提问、引导、答疑为辅,引导学生体验并掌握各类数字逻辑电路实验的基本原理以及设计实现方法,提高学习兴趣和实践能力。
2、该课程的考核强调过程化考核。其总成绩分为平时成绩、实验成绩和期末成绩。平时成绩主要考核学生的到课情况、课堂表现、作业、实验报告撰写情况等几个方面。其中,课堂表现主要从学生上课是否积极回答教师提问、回答教师提问是否正确,以及分组讨论是否积极、正确、有独特见解等,以提高课堂教学效果和运用工程基础知识和本专业基本理论解决实际工程问题的能力。作业方面重点考核学生掌握数字电路与数字逻辑理论基础知识和基本工作原理的程度。课内实验教学考查学生电路设计及实现等动手能力、工程问题需求分析能力,并对实验结果进行分析的能力。期末考试将按照本课程的教学目标全面考核学生课程学习的效果,分析课程对毕业要求的达成度。
期末考试一般采用闭卷统考方式,以便能考核出学生的实际水平。
3、通过多个环节的训练和考核,促进学习目标的达成:
(1)平时成绩(包括随堂测试、作业等)
(2)实验成绩
(3)期末考试
4、成绩评定
| 平时成绩 | 实验成绩 | 期末考试 |
| 20% | 20% | 60% |
5、成绩考核具体内容与课程目标评价方式表
| 考核方式 | 评价方式 | 课程目标1 | 课程目标2 | 课程目标3 | |
| 平时成绩(20分) | 考勤及学生上课表现 | ||||
| 作业(20分) | 第一章作业(1分) | 0.025 | |||
| 第二章作业(2分) | 0.075 | ||||
| 第三章作业(1分) | 0.025 | ||||
| 第四章作业(2分) | 0.025 | 0.075 | |||
| 第五章作业(1分) | 0.05 | ||||
| 第六章作业(2分) | 0.1 | ||||
| 第七章作业(1分) | 0.025 | ||||
| 第九章作业(1分) | 0.025 | 0.025 | |||
| 第十章作业(1分) | 0.025 | 0.025 | |||
| 实验成绩(20分) | 实验1(1分) | 0.05 | |||
| 实验2(1分) | 0.05 | ||||
| 实验3(1分) | 0.05 | ||||
| 选做实验4-7(1分) | 0.05 | ||||
| 实验8或9(2分) | 0.1 | ||||
| 实验10(4分) | 0.2 | ||||
| 实验考试(10分) | 0.5 | ||||
| 考试成绩 | 与课程目标1相关的试题 | 0.725 | |||
附件1 教学大纲
| (60分) | (29分) | |||
| 与课程目标2相关的试题 (31分) | 0.775 |
八、课程目标达成评价
课程目标的实际达成效果计算方式如下,达成值越高,教学效果越好。
学生相应环节得分平均值课程目标达成度 $=$ 该环节的满分
毕业要求指标点达成度 $= \sum$ 课程目标达成度 $\times$ 课程目标在毕业要求指标点的权重
制定人:白雪梅
审核人:郝子强
注:本实验案例为数电实验课程大纲中的实验10“脉冲电路与MSI 时序功能件的应用”,其主要内容为电子骰子电路的设计与制作,本案例为了更为直观表现实验案例内容,因此将电子骰子作为实验题目。
| 实验项目 | 脉冲电路与MSI时序功能件的应用 | ||
| 学号姓名 | 报告成绩 | ||
一、实验目的
1.掌握 555脉冲电路的使用方法;
2.熟悉 MSI时序功能件的应用。
二、实验内容
1.利用 555 芯片与计数器制作一个电子骰子;
2.设置开关可以改变555脉冲频率;
3.模拟两个骰子随机投掷 。
三、预习要求
- 555电路工作原理及无稳态模式的电路组成;
- 二进制计数器的工作原理;
- 逻辑门电路相关知识。
四、预习成果
五、电路设计
1.画出初步设计的电路图并列出元件清单
2.简述电路工作原理
附件3 实验报告
| 实验项目 | 脉冲电路与MSI时序功能件的应用 | ||
| 学号姓名 | 实验时间 | ||
| 实验台号 | 报告成绩 | ||
一、实验目的
1.掌握 555脉冲电路的使用方法;
2.熟悉 MSI时序功能件的应用。
二、实验仪器
1.信号源(DG4062 型)
2.直流稳压电源(DP1308A 型)
3.台式万用表(DM3051 型)
三、实验要求
- 采用Multisim软件进行电路仿真,并粘贴仿真电路;
- 面包板搭建电路,并验证电路功能;
- 完成实验报告各项内容。
四、实验原理
555 定时器构成无稳态模式发出方波脉冲,定时器的内部配置与单稳态模式完全相同,但外部连接方式不同,结构如图1所示。

图 1 555定时器无稳态模式
首先,触发器定时电容器 C1 接地,低电压通过外部导线从6号引脚传递到2号引脚,使定时器芯片触发自身。触发器转换到“置位”状态,向外发送一个正脉冲,同时改变 6号引脚上的低电压。随后,C1通过串联的R1和R2开始充电,因为C1的容值较小,所以它充电很快。当它的电压达到电源电压的 2/3 时,比较器 B 开始工作,使电容器放电,终止3号引脚的输出脉冲。之后,电容器通过R2在7号引脚(放电引脚)上放电。放电时,电容器上的电压迅速减小,而电压仍然与 2 号引脚相连。当电压下降至电源电压的 1/3 或以下时,比较器 A 开始工作,向触发器发送另一个脉冲,使整个过程重新开始。R1、R2和C1组成了振荡电路,如果改变C1或者R2的参数,便可以调整脉冲输出的间隔,也就是改变输出频率。
二进制是计算机常用的语言,主要由 0 和 1 组成,计数器是数字系统中用得较多的基本逻辑器件。它不仅能记录输入时钟脉冲的个数,还可以实现分频、定时、产生节拍脉冲和脉冲序列等。其种类很多,按时钟脉冲输入方式的不同,可分为同步计数器和异步计数器;按进位体制的不同,可分为二进制计数器和非二进制计数器;按计数过程中数字增减趋势的不同,可分为加计数器、减计数器和可逆计数器。本次实验主要研究同步二进制加计数器,如图2。

图2 同步二进制加计数器
当给定脉冲时,下降沿会触发计数器工作,计数器可依次进行“加1”计算,按照0000、0001、0010、0011.....方式进行计数,表 1 为其逻辑功能表。
表1 逻辑功能表
| 输入 | 输出 | |||||||||
| 清零 | 预置 | 使能 CE | 时钟 | 预置数据输入 | 计数 | 进位 | ||||
| CR | PE | CEP | T | CP | DDDDQQQ | Q0 | TC | |||
| L H | X | × | × | × × | × × | L L | L L D0 小 | L | ||
| D D × | D D0 | DD | ||||||||
| H | × | + × | × × | 保保 | 持 | ##L | ||||
| H | H | H | H | 1 | ×××× | 计数 | # | |||
实验中采用 74HC393芯片,实际包含两个四输入二进制的计数器,芯片管脚如图3所示。芯片只有脉冲输入以及置零管脚,功能简单,十分适合本实验的使用。以5V直流电源供电,当脉冲到达下降沿时,计数器实现“加1”计算。

图 3 74HC393 芯片管脚
五、实验内容
1.实验内容:
基本功能:设计并搭建一个电子骰子电路,用 7 颗 LED 显示骰子点数,且显示方式与真实骰子一致;电路通电后,能够模拟骰子的投掷功能——点数随机显示;设置一个单刀双掷开关,开关打在 A点时,上次显示的点数清零(7颗LED全部显示)。开关打在B点时,再次随机显示点数。
拓展功能:设计一个脉冲切换开关,能够实现 “作弊”功能(通过骰子点数的慢速变化,选择出想要的点数);尽可能不增加芯片模拟两个骰子的投掷,且均具有随机显示功能。
2.实验步骤
采用 555 时基芯片搭建无稳态电路,作为计数芯片的脉冲。由于骰子有六个面,因此计数器在输出六个状态后应进行重复。二进制编码表示的输出序列为: 000、001、010、011、100、101。(此处可以忽略D列的最高有效位,因为仅有六个状态)使计数器在输出二进制数字 101之后重置。将 B 与 C 输出端后加一个与门,再将与门的输出连接到计数芯片的重置端,如计数芯片输出 110时,与门会将高电平直接作用在重置端,使计数芯片重置。之后再添加了两个逻辑门:三输入或非门和二输入或门,实验分别采用 74HC08、74HC27、74HC32芯片作为逻辑门芯片。这样随之计数器从 000增加到101,LED便按规律进行导通。
如 555 定时器发出特定频率后,可实现 LED 的规律变化,此时若将计数芯片的时钟引脚从 555定时器的输出端改为连接高电平,LED即可显示当前计数器输出的点数,如果频率足够大,每次停止即可当成“随机”功能。由于采用的芯片均有半数功能未使用,因此只要按照上述再次连接 7 个 LED,即可实现2 个骰子随机投掷功能。在555定时器 6 号管脚处并联一个大电容和开关,用开关即可以实现大幅度降低输出频率,
实现“作弊”功能。
六、实验记录
1.仿真电路图
2.实际搭建电路
3.电路调试过程记录
七、实验总结
附件4 现场照片

第一节实验 电路仿真

第二节实验 实物搭建