电阻网络的故障诊断
实验题目:电阻网络的故障诊断
1. 课程简要信息
课程名称:电路开放实验课程学时:16 学时适用专业:电气专业学生年级:本科一年级
2. 实验内容与任务(限 500 字)
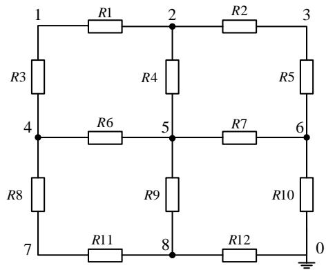
实验内容: 对于图 1所示的纯电阻网络,其中有一个电阻存在故障(故障包括短路、断路或者阻值错误),确定故障元件,并计算故障电阻的阻值。
基本任务:
1)仿真分析:根据电路实验微信公众平台的 PSpice 软件学习文档和视频,自学PSpice 软件仿真电路的方法,对图 1 所示电阻网络进行仿真分析,给电路施加1A 的直流电流源,求电路中各节点的电压;
2)编程:列写图 1所示电路的节点电压方程,并用 MATLAB求解该纯电阻网络在无故障时的节点电压,并与仿真结果对比;自行编写计算机通用程序,实现节点电压方程的计算机建立函数,函数的输入为电路元件连接描述语句,输出为节点电压方程系数矩阵和节点电压。
3)应用统一节点电压增量比向量法建立该电阻网络的故障字典,对图 1所示电阻网络,任意设定一个电阻故障,应用已建立的故障字典对故障进行查找,并计算故障电阻的阻值,验证正确性。
4)利用 MATLAB GUI 设计一个故障诊断软件。
提高任务:若电路中存在两个或多个电阻故障,试寻找诊断故障的方法,并进行故障诊断。

图 1 电阻网络
3. 实验过程及要求(限 300 字)
实验过程及要求:
1)根据PSpice学习资料,自学 PSpice软件仿真电路的方法。
2)查阅资料,学习电路节点电压方程的计算机建立方法,考虑电阻阻值为符号变量的情况,用 MATLAB编写建立节点电压方程的函数;
3) 查阅资料,学习电阻网络故障诊断的方法,了解各种方法的适用范围,及优缺点。
4)自学用统一节点电压增量比向量法建立电阻网络故障字典的原理,并用 Matlab编写建立故障字典的函数;
5) 设计 MATLAB GUI 故障诊断软件,要求界面操作简单易用,可实现对电路中任意电阻故障的准确诊断。
6)实际搭建图1 电路,检验自编程序的正确性。
7) 思考在考虑元件容差的情况下,如何进行准确诊断,优化程序。
8) 在此基础上,分析如果电路中存在两个故障,应如何进行故障诊断,编程实现之。
9)撰写实验总结报告,并进行 PPT演讲汇报。
4. 相关知识及背景(限 150 字)
这是一个将电路理论与电力系统接地网的故障诊断相联系的典型案例,需要综合应用电路理论、工程仿真、测量技术、程序设计及误差处理等相关知识与技术方法。通过该实验项目,既检验学生结点电压法这一知识点的扎实程度,又使学生了解电力系统接地网的背景知识,掌握了故障诊断方法,有助于学生注重对理论知识的学习和实验技能的提升。
5.教学目标与目的(限 100 字)
通过一个完整的故障诊断软件设计过程,引导学生掌握电路节点电压方程的计算机建立和求解方法,学习故障字典法进行故障诊断的基本步骤,及 MATLAB GUI设计方法,锻炼学生查阅文献和利用电路基本理论解决实际问题的能力,提高学生分析解决问题和自主学习的能力,培养学生对科学研究的兴趣。
6.教学设计与引导
本实验题目面向电气专业本科大一学生,他们的专业知识掌握较少,查阅文献、知识的运用能力比较欠缺,故在实验教学中,应密切关注每个学生的实验进程,仔细进行引导,逐步提高学生查阅文献、解决问题和独立思考的能力。具体应在以下几个方面进行引导:
1)学习仿真软件。教师介绍仿真软件,并引导学生自学“电路实验微信公众平台”上的PSpice学习文档和教学视频,掌握用 PSpice软件进行电路仿真计算的方法。
2)节点电压方程的计算机建立方法。对于复杂电路,电路方程的手工建立将很繁琐,仿照 PSpice 仿真的文本输入方式,可自行编写程序由计算机建立电路方程并求解,要求学生自行编写建立电路节点电压方程的函数程序。
3)介绍利用故障字典法进行故障诊断的思想,及如何通过统一节点电压增量比向量法建立故障字典,要求学生自行编写生成故障字典的函数程序。
4)介绍通过GUIDE创建MATLABGUI的方法,要求学生自行查找资料学习MATLABGUI界面设计方法,设计一个故障诊断软件。
5)实验完成后,要求学生提交实验报告,并用 PPT进行答辩汇报,锻炼学生撰写报告和演讲的能力。
在编写建立节点电压方程和生成故障字典的函数程序时,提醒学生注意程序的可读性和通用性,应考虑 GUI交互式界面设计,适当选择电路结构和参数输入的形式,使得GUI界面操作简单明了;程序调试时注意断点的使用。
7.实验原理及方案
电阻网络的故障诊断实验一共分为 4个主要步骤,现将每一步骤的主要原理列写如下:
1.建节点电压方程的计算机方法
参看图 2(a),假设电阻 $R$ 连接在节点 $\mathfrak { p }$ 和节点 $\mathbf { n }$ 之间,电阻的电导为 $G$ ,节点 p和 $\mathbf { n }$ 的电压分别为 $\nu _ { \mathfrak { p } }$ 和 $\nu _ { \mathrm { n } }$ ,则流经该电阻的电流等于 $G { \Big ( } \nu _ { \mathrm { p } } - \nu _ { \mathrm { n } } { \Big ) }$ ,分别对节点 $\mathfrak { p }$ 和 $\mathbf { n }$ 列写 KCL 方程得到:
节点 $\mathfrak { p } = G \nu _ { \mathrm { p } } - G \nu _ { \mathrm { n } } + \dots = 0$
节点 n: $- G \nu _ { \mathrm { p } } + G \nu _ { \mathrm { n } } + \cdots = 0$
式中的省略号表示与该节点相关联的其余支路的电流。由以上二式可得电阻元件在节点方程中的贡献,可用以下编程语句表示:
$G = 1 / R$
$$ \begin{array} { l } { \mathbf { A } \left( \mathrm { p , p } \right) { = } \mathbf { A } \left( \mathrm { p , p } \right) { + } G } \ { \mathbf { A } \left( \mathrm { p , n } \right) { = } \mathbf { A } \left( \mathrm { p , n } \right) { - } G } \ { \mathbf { A } \left( \mathrm { n , p } \right) { = } \mathbf { A } \left( \mathrm { n , p } \right) { - } G } \ { \mathbf { A } \left( \mathrm { n , n } \right) { = } \mathbf { A } \left( \mathrm { n , n } \right) { + } G } \end{array} $$
对于纯电阻电路,可能需要加激励测量节点电压,如果电路含有电流源,如图 2(b)所示,电流源连接在节点 $\mathfrak { p }$ 和 $\mathbf { n }$ 之间,且从 p 节点流向 $\mathbf { n }$ 节点,KCL 方程为:
节点 $\mathrm { p } { : } \cdots = - i _ { \mathrm { s } }$
节点 $\mathrm { n } \colon ~ \cdots = i _ { \mathrm { s } }$
由上式可知,电流源仅对节点电压方程的右端项有贡献,编程语句为:
$\mathbf { B } \left( \mathbf { p } \right) = \mathbf { B } \left( \mathbf { p } \right) - i _ { \mathrm { s } }$ $\mathbf { B } { } ( \mathbf { n } ) = \mathbf { B } ( \mathbf { n } ) + i _ { \mathrm { s } }$

图 2 (a)电阻元件;(b)电流元件
通过以上介绍的电阻和电流源在节点电压方程系数矩阵中的填入方法,可以编写程序,实现输入为电路结构和元件值,输出为节点电压方程系数矩阵和节点电压值。
2.基于统一节点电压增量向量法建立故障字典
一个含有 $m$ 个测试节点和 $n$ 个元件的线性电路中,当其某端口上的单一元件 $R _ { j }$ 发生故障时,设它相对于其标称值的变化量为 $\Delta R _ { j }$ ,则不论 $\Delta R _ { j }$ 的值为多大,由其在各测试端所引起的节点电压增量向量是不变的。


图 3 诊断理论推导图
证明:如图 2(a)所示,设被测电路 $_ \mathrm { N }$ 是一个含有 $n$ 个元件和 $m$ 个测试节点的线性电路,设可测节点的数目小于元件数目 $\left( 1 < m < n \right)$ ,电路在无故障时,各节点上的电压用向量 $\mathbf { V } ^ { n } = [ { \nu } _ { 1 } ^ { n } \ \nu _ { 2 } ^ { n } \ \nu _ { 3 } ^ { n } \ \dots \ \nu _ { m } ^ { n } ] ^ { \mathrm { T } }$ 表示,当电路处于正常状态时,有:
$$ \begin{array} { r } { \mathbf { V } = \left[ \begin{array} { l } { \nu _ { 1 } } \ { \nu _ { 2 } } \ { \vdots } \ { \nu _ { 8 } } \end{array} \right] = \left[ \begin{array} { l } { r _ { 1 o } } \ { r _ { 2 0 } } \ { \vdots } \ { r _ { 3 0 } } \end{array} \right] \mathbf { I } } \end{array} $$
式中 $r _ { i o } \left( 1 \le i \le m \right)$ 是从独立源 $e _ { s }$ 到可测节点 $\nu _ { i } \left( 1 \leq i \leq m \right)$ 端的转移阻抗。现假定电路在端口 F-port 上的电阻 $R _ { j }$ 出现了故障,其电导值由 $g _ { j }$ 变化到 $g _ { j } + \Delta g _ { j }$ ,则各可测节点电压由此变化为 $\nu _ { i } + \Delta \nu _ { i } \left( 1 \leq i \leq m \right)$ ,如图 3(b)所示。记流过 $\Delta g _ { j }$ 的电流为 $i _ { \Delta g _ { j } }$ ,由替代定理可知,电导 $\Delta { g } _ { j }$ 可用一个电流源 $i _ { \Delta g _ { j } }$ 代替,如图 3(c)所示。此时,各可测节点的电压向量可由下式表示:
$$ [ \begin{array} { l } { \nu _ { 1 } } \ { \nu _ { 2 } } \ { \vdots } \ { \nu _ { m } } \end{array} ] + [ \begin{array} { l } { [ \begin{array} { l } { \phantom { } } { \phantom { } } { \mathrm { U } \nu _ { 1 j } } \ { \vdots } \ { \vdots } \ { \nu _ { 1 j } } \end{array} ] } = [ \begin{array} { l } { r _ { 1 o } } \ { r _ { 2 0 } } \ { \vdots } \ { r _ { 3 0 } } \end{array} ] \mathbf { I } + [ \begin{array} { l } { r _ { 1 j } } \ { r _ { 2 j } } \ { \vdots } \ { r _ { m j } } \end{array} ] \mathbf { i } _ { \Delta g _ { j } } \end{array} $$
上式中, $r _ { i j } \left( 1 \leq i \leq m , 1 \leq j \leq n \right)$ 为第 $i$ 个测试点相对于故障元件 $j$ 的转移阻抗,它只与故障元件的位置、电路结构以及其余无故障元件的标称值有关,而与故障元件的大小无关。又因为电路是线性的,故图 3(c)的电路可以看成是由图 3(a)所示电路和图 3(d)所 示 电 路 叠 加 而 成 的 。 将 式 ( 2 ) 减 去 式 ( 1 ), 可 得 节 点 电 压 增 量 向 量$\Delta \mathbf { V } _ { j } = \left[ \Delta \boldsymbol { \nu } _ { 1 j } \Delta \boldsymbol { \nu } _ { 2 j } \cdots \Delta \boldsymbol { \nu } _ { m j } \right] ^ { T }$ ,即
$$ \Delta \mathbf { V } _ { j } = { \left[ \begin{array} { l } { \Delta \nu _ { 1 j } } \ { \Delta \nu _ { 2 j } } \ { \hdots } \ { \Delta \nu _ { m j } } \end{array} \right] } = { \left[ \begin{array} { l } { r _ { 1 j } } \ { r _ { 2 j } } \ { \vdots } \ { r _ { m j } } \end{array} \right] } \mathbf { i } _ { \Delta g _ { j } } $$
将上式改写为:
$$ \Delta \mathbf { V } _ { j } = \mathbf { r } _ { j } \mathbf { i } _ { \Delta g _ { j } } $$
从上式不难看出,向量 $\Delta \mathbf { V } _ { j }$ 的方向由向量 $\mathbf { r } _ { j }$ 决定,而与 $\mathbf { i } _ { \Delta g _ { j } }$ 的大小无关。通过归一化处理后,易得下式:
$$ \Delta \tilde { \mathbf { V } } _ { j } = \left[ \begin{array} { l } { \Delta \tilde { \nu } _ { 1 j } } \ { \Delta \tilde { \nu } _ { 2 j } } \ { \cdots } \ { \Delta \tilde { \nu } _ { m j } } \end{array} \right] = \left[ \begin{array} { l } { \tilde { r } _ { 1 j } } \ { \tilde { r } _ { 2 j } } \ { \vdots } \ { \tilde { r } _ { m j } } \end{array} \right] = \pm \Delta \tilde { r } _ { j } $$
上式中的 $" \pm \ '$ 号由 $\mathbf { i } _ { \Delta g _ { j } }$ 的流向决定。由于只取决于各电路的结构、非故障元件的标称值以及故障元件的位置,所以当某一元件发生参数故障时, $\Delta \mathbf { r } _ { j }$ 即被确定,进而 $\Delta \tilde { \mathbf { V } } _ { j }$ 也可以被确定。称 $\Delta \tilde { \mathbf { V } } _ { j }$ 为由电路的第 $j \left( 1 \leq j \leq n \right)$ 个元件发生故障时,在各测试点所引发的“统一节点电压增量向量”。
因此,对于含有 $n$ 个元件和 $m$ 个测试节点的线性电路而言,可以在 $m$ 个可测点上分别取得 $n$ 个元件逐个发生故障时的统一节点电压增量向量,并构成一个 $m \times n$ 维的矩阵,如式(6)所示,矩阵中的元素 $\Delta \nu _ { _ { i j } }$ 表示元件 $j$ 发生故障时在节点 $i$ 处产生的统一节点电压增量,矩阵中的每个向量都可以唯一地表示一个故障特征,
$$ \Delta \tilde { \mathbf { V } } = \left[ \begin{array} { c c c c } { \Delta \tilde { \nu } _ { 1 1 } } & { \Delta \tilde { \nu } _ { 1 2 } } & { \cdots } & { \Delta \tilde { \nu } _ { 1 n } } \ { \Delta \tilde { \nu } _ { 1 2 } } & { \Delta \tilde { \nu } _ { 1 2 } } & { \cdots } & { \Delta \tilde { \nu } _ { 2 n } } \ { \vdots } & { \vdots } & { \vdots } & { \vdots } \ { \Delta \tilde { \nu } _ { m 1 } } & { \Delta \tilde { \nu } _ { m 2 } } & { \cdots } & { \Delta \tilde { \nu } _ { m n } } \end{array} \right] $$
另外,无论故障元件的参数是增大还是减小,任意两个测试点的统一节点电压增量的比值都是一致的,称这个比值为“统一节点电压增量比”,这样就消除(5)式中的“”号。
用“统一节点电压增量比向量”的概念,对电路中的每个元件建立一个统一的故障特征向量,存储于故障字典中,该故障字典可以对电路元件发生的任意故障进行有效诊断。
构造统一故障字典的步骤:
- 选择任意一个可测节点为参考节点;
- 逐一计算各元件分别故障时,所有测试节点电压增量相对于参考节点电压增量的比值
- 将各比值作为特征向量建立故障字典。
当电路发生故障后,求出故障电压相对于正常电压的增量比向量,并在故障字典中查找,即可找到故障元件的位置。
3.计算故障电阻的阻值
已知故障电阻的位置后,设故障电阻的阻值为未知数,重新列写节点电压方程,代入已知故障电压,解方程即可求出故障电阻的阻值。
4. MATLAB GUI 故障诊断软件设计
设计MATLABGUI故障诊断软件的目的是利用MATLABGUI将故障诊断的各主程序综合起来,形成一个完整的故障诊断过程,最终将软件生成可执行文件,则该故障诊断软件可在未安装 MATLAB 的计算机中独立运行。整个故障诊断软件的主体函数包括打开文件读取电路结构描述和参数,计算无故障节点电压值,计算故障字典,根据输入故障时节点电压值计算故障元件位置,最终输出故障电阻阻值,框图如下:

图4 故障诊断软件设计的流程图
学生设计的故障诊断软件的主要界面如图 5 和图 6 所示:

图5 故障诊断软件起始界面

图6 故障诊断软件计算界面
8.教学实施进程
教学实施进程如下表所示。注:该开放实验从第 5 周开始。
表 1 教学实施进程表
| 角色安排 | 具体内容 | |
| 第一阶段第5~6周 | 教师任务安排(1h) | 1.发放实验任务书,使学生明确实验任务,及最终应达到的结果。2.介绍仿真软件PSpice、编程语言MATLAB,及电路实验微信公众平台上的学习资料。 |
| 学生自主学习(3h) | 1.学生根据电路实验微信公众平台的 PSpice 学习文档和视频,自学PSpice 软件,对图1电路进行仿真分析。2.根据《电路与系统分析一使用MATLAB》书中的相关内容,自学节点电压方程的计算机建立方法,编写程序, | |
| 计算图1所示电阻网络的节点电压值,与仿真结果对比,验证程序的正确性。 | ||
| 第二阶段第7~8周 | 教师验收及任务安排(1h) | 1.验收图1所示电阻网络的仿真结果和编程结果,如有问题,现场解决。2.任务安排:介绍用故障字典法进行故障诊断的思想,及如何建立故障字典。3.任务安排:学生根据电路实验微信公众平台的资料,自学面包板,稳压电源和数字多用表等的使用方法。 |
| 学生自主学习(4h) | 1.自学相关文献,编写建立故障字典的函数,生成图1电阻网络的故障字典。2.在仿真电路中设置一个电阻故障,用所建立的故障字典法进行故障诊断,查找故障元件,并计算故障电阻的阻值。3.自行在面包板上搭建实验电路,并考虑如何在程序计及元件容差对故障诊断的影响。 | |
| 第三阶段第9~10周 | 教师验收及任务安排(1h) | 1.验收:在学生实际搭建的图1电路中,任意设置一个电阻故障,检查学生所编写的软件是否可以诊断出故障元件的位置,并得到故障电阻的阻值。如有问题,现场解决。2.任务安排:教师介绍MATLABGUI界面设计的基本方法。 |
| 学生自主学习(3h) | 自学MATLABGUI设计,设计一个人机交互良好的故障诊断软件。 | |
| 第四阶段第11周 | 教师验收(1h) | 验收学生设计的MATLABGUI 故障诊断软件,提出建议,如存在疑问,现场解决。 |
| 学生撰写报告,准备答辩PPT(1h) | 学生按照要求,撰写实验报告,并准备PPT进行答辩。 | |
| 第四阶段第12周 | 答辩验收(1h) | 学生现场演示故障诊断软件,并用PPT进行演讲汇报。 |
9.实验报告要求
实验报告应包含以下内容:
一.故障诊断的工程背景及意义
二.故障诊断方法实验任务分析,方法比较,原理说明
三.实验过程仿真,编程,实测,软件设计
四.故障诊断软件使用说明及诊断实例
五.总结实验收获与体会,建议
六.参考文献
实验报告要求:字体、图、表、参考文献等写作规范应参照西安交通大学本科生论文写作规范(模板可在学校网站下载)。
10.考核要求与方法(限 300 字)
该开放实验的考核方式为过程考核,考核时间、验收内容及评分标准表如表2所示。
注:该开放实验从第 5周开始。
表 2 考核时间、验收内容及评分标准表
| 考核时间 | 验收内容 | 评分标准 | 得分 | |
| 第一次验收 | 第七周 | 1.应用Pspice 软件对电路进行仿真计算;2.用计算机列写节点电压方程并求节点电压的程序。(1分) | 仿真结果与编程结果一致:是□ 否□所编程序适用于任意纯电阻网络的节点电压方程建立:是□ 否□ | |
| 第二次验收 | 第九周 | 1.在面包板上搭建的电路;2.生成故障字典的函数程序,在搭建的电路中设定一个故障,用生成的故障字典查找故障元件;3.计算故障电阻的阻值。 (1分) | 面包板上搭建电路正确:是□ 否□用生成的故障字典是否可以检测出故障电阻:是□ 否□故障电阻的阻值是否正确:是□ 否□ | |
| 第三次验收 | 第十一周 | 验收MATLABGUI故障诊断软件,人机界面良好,在界面上能够显示正常节点电压,故障字典,故障元件位置,及故障元件的阻值。(1分) | 软件是否实现故障诊断过程:是□ 否□软件是否人机交互良好,界面操作简单:是□ 否□ | |
| 第四次验收 | 第十二周 | 每人3分钟 PPT 演讲,并提交实验报告。(1分) | 答辩讲述清楚:是□ 否□报告撰写完整:是□ 否□ | |
| 第五次验收 | 期末考试前 | 扩展内容:对存在两个及以上故障的电路进行故障诊断(1分) | 实现对两个及以上故障进行诊断:是□ 否□ |
11.项目特色或创新(可空缺,限 150 字)
项目的特色和创新在于:
- 综合性:以电力系统接地网的工程背景设计实验题目,综合应用电路理论、工程仿真、测量技术及程序设计知识展开了拓展性研究。
- 专业性:引导学生在深入掌握电路理论知识的同时,增强分析和解决实际问题的能力;
- 层次性:分层设计的实验思路,提升学生分步解决问题和模块化思维过程;
- 问题式实验教学:通过提出任务要求和问题逐步引导学生完成实验,培养学生自我学习能力、独立工作能力及自主创新能力。
参考文献:
[1] 邱关源,罗先觉.电路[M].(第五版).北京,高等教育出版社,2006.[2] 赵录怀,杨育霞,张震.电路与系统分析—使用 MATLAB[M].北京,高等教育出版社,2004:85-102.
[3] 叶笠.基于统一节点电压增量比向量的模拟电路故障诊断方法的研究[D].成都,电子科技大学,2010:67-95.
[4] 李锋,邓铁军.节点电压灵敏度序列守恒定理及其软硬件故障统一诊断字典法[J].应用科学学报,1998:253-261.
实验案例信息表
| 案例提供单位 | 西安交通大学 | 相关专业 | 电气工程 | |||
| 设计者姓名 | 沈瑶 | 电子邮箱 | shenyao1758 @mail.xjtu.edu.cn | |||
| 移动电话 | 18792687543 | 通讯地址(含邮编) | 陕西省西安市,碑林区,咸宁西路28号,西安交通大学,电气学院,710049 | |||
| 设计者姓名 | 应柏青 | 电子邮箱 | yingbq @ mail.xjtu.edu.cn | |||
| 移动电话 | 15191891510 | 通讯地址(含邮编) | 陕西省西安市,碑林区,咸宁西路28号,西安交通大学,电气学院,710049 | |||
| 设计者姓名 | 赵彦珍 | 电子邮箱 | zhaoyzh@ mail.xjtu.edu.cn | |||
| 移动电话 | 13186075358 | 通讯地址(含邮编) | 陕西省西安市,碑林区,咸宁西路28号,西安交通大学,电气学院,710049 | |||
| 相关课程名称 | 电路开放实验 | 学生年级 | 本科一年级 | 学时(课内+课外) | 16 | |
| 支撑条件 | 仪器设备 | 计算机,面包板,稳压电源 | ||||
| 软件工具 | MATLAB,PSpice | |||||
| 主要器件 | 电阻 | |||||