瞄靶训练辅助神器
实验题目:瞄靶训练辅助神器
1. 课程简要信息
课程名称:数字电路与逻辑设计课程学时: $5 0 { + } 1 0$ 学时项目学时:6学时(课外 $^ { 2 + }$ 课内4)适用专业:电子、电气等电类专业学生年级:大二 第四学期
2. 实验内容与任务(限 500 字,可与“实验过程及要求”合并)
项目需要完成的任务(如需要观察的现象,分析某种现象的成因、需要解决的问题等);是否设计有不同层次的任务。
本实验是一个设计性实验,要求设计一个瞄靶训练辅助神器,能采集并接收瞄靶信号,根据瞄靶的准确性,能显示在一定时间内瞄准靶心的时间的电路,实验要求设计出完整电路图,并用 Multisim/Proteus 软件仿真后,在实验箱上搭建电路、面包板、万能板焊接三选一方式实现并演示功能。课后自愿采用FPGA、单片机开发板实现实验内容,鼓励多种方式实现实验内容并作对比。
2.1 基本任务:
1)设计一个发射、接收电路,模拟瞄靶现象,电路能明显区分瞄准与未瞄准两种情况,并用LED灯点亮表示瞄准。建议用红外对管或激光对管实现。2)设计定时电路,瞄靶时间以 10s 为一次,启动定时电路时进行瞄靶训练,用三位数码管显示 10 秒内瞄准的时间,要求分辨率为 0.01s。a. 瞄靶过程中,瞄准时计数器进行实时加法计数,未瞄准则暂停计数,计数器保持前一个状态显示。b.计数器有清零功能,可实现三位数码管的同时清零功能c.定时电路有按键及 LED 灯指示电路,定时时间到,LED 灯熄灭,此时即使瞄准靶心数码管也不继续记录时间。
2.2 提高任务:
1、定时电路可根据需要设置时间,分辨率可调。
2、利用不同方法实现该实验案例。
3. 实验过程及要求(限 300 字)
如对学生在实验过程中在需求分析、资料查询、自学预习、思考讨论、方法设
计、进程规划、软件仿真、平台构建、器件选择、表格设计、现象观察、数据测试、问题分析、总结报告、验收答辩、演讲交流等各方面的要求。
虚实结合的瞄靶训练辅助神器实验包含课前预习(2学时)和实验室操作(4学时)两部分,学生 2 人一组,自由组队,需要完成以下工作:
3.1 课前预习环节
1) 根据实验设计要求,分析实验设计任务,查阅资料,熟悉各器件的工作原理;2) 根据模块化设计思路,尽可能多地比较不同设计方案,设计信号的发射、接收电路、三位 $\mathbf { n }$ 进制计时电路、定时电路、单元脉冲电路等电路;
3) 利用 Multisim 及 Proteus 仿真软件,完成仿真电路设计;
3.2 课内实验环节
1)根据仿真电路,在实验箱或面包板上运用模块化思想,完成电路搭建并验证。
2)教师检验实验情况后,学生针对提出的问题,及时改进并完善电路。
3)记录相应的实验现象及遇到问题,分析并解决问题。
3.3 课后总结拓展环节
1)课内实验结束一周内,整理实验数据,完善实验电路图,撰写完善实验报告及仿真文件。
2)拓展提高。结合自身情况,学生可根据线上推送学习资料学习 Altium Designer等 EDA 软件的使用,利用业余时间完成 PCB 电路板的制作。也可利用不同的方法完成该实验,比如FPGA等,也可自行拓展实验内容,使该案例内容更加丰富,趣味性更高。个别有兴趣的同学还可利用单片机等充实实验内容。学生可展示自己的实验作品,和同学们交流经验分享心得。
4. 相关知识及背景(限 150 字)
项目涉及所需的知识方法、实践技能、应用背景、工程案例。
虚实结合的瞄靶训练辅助神器是一个运用数字电子技术解决现实生活和工程实际问题的典型案例,属于综合性实验。需要综合运用《数字电路与逻辑设计》课程中门电路、组合逻辑电路、时序逻辑电路、脉冲单元电路等相关知识,采用模块化设计的思路,培养学生从器件选型到电路设计,再到实物连接、故障判别、问题解决等一系列解决工程问题的能力,也为学生岗位任职打下基础。
5. 实验环境条件
项目实施需要实验资源,包括实验装置功能、实验仪器设备、设计软件工具、主要电子元器件等。
| K | 仪器设备 | 数字电路实验箱、数字示波器、数字万用表、面包板 |
| 软件工具 | Multisiml4.0.1仿真软件、Proteus8仿真软件、AultiumDesigner20软件、雨课堂在线教学资源 | |
| 硬件资源 | 电源模块、译码器、计数器(190、160、161等)、集成逻辑门、显示数码管、555定时器、红外发射及接收管、激光对管、导线、开关、按键、各色发光二极管、电阻、电容等、拓展实验学生需要的FPGA实验板、单片机小系统板 |
6. 教学目标与目的(限 150 字)
如学习、运用知识、技术、方法等;培养、提升技能、能力、素质等。
1)、查找资料,学习红外对管、激光对管的工作原理及电路连接。
2)、掌握集成计数器的设计与应用,实现多片计数芯片的级联方法。
3)、掌握脉冲单元电路的设计方法。
4)、学会用数字器件实现控制的方法并且会设计简单的控制电路。
5)、掌握 EDA 软件的使用,深刻体会“先仿真,后实物”的理念,对比仿真和实物的区别。
6)、通过完整的工程项目,学会模块化设计思路,将《数字电路与逻辑设计》课程中的理论与实验知识融会贯通,提高学习兴趣并且能够积极主动寻求解决问题的不同方法,初步培养创新思维。
7. 教学设计与实施进程
课堂知识讲解、方法引导、背景解释;实验中的方法指导,问题设置、思路引导等。教学模式、实验渠道、研讨主题、观察节点、验收重点、质询问题等方面设计等。实验实施进程的各个环节(如任务安排、预习自学、现场教学、分组研讨、现场操作、结果验收、总结演讲、报告批改等)中教学设计的思路、目的,教师、学生各自需要完成的工作任务,需要关注的重点与细节。
本实验的过程是一个完整的工程实践工程,需要经历资料查阅、学习研究、方案论证、系统设计、仿真测试、实物调试、总结归纳等过程。具体教学设计环节如图 7.1 所示。

图 7-1 实验教学环节
在教学实施进程中,应在以下几个方面加强对学生的引导:
7.1课前环节
1)、虚实结合是本实验的特色,课前通过雨课堂推送的预习课件及视频,让学生提前熟悉 Multisim 和 Proteus 仿真软件,并完成实验相关内容的预习题,确保较好的预习效果。
2)、按照分组给学生发放面包板、电子元器件及实验工具箱,通过前期实验,到实验室熟悉实验仪器设备,明白实物实验与仿真实验电路的区别,学会常见电路故障的分析、测试及故障排除,为课堂环节做好充分的准备。
3)、学习计数芯片160、190、161的逻辑功能及其置数、清零法的典型应用,引导学生用多种方法实现计数器的级联。
4)、学习红外对管(激光对管)的工作原理,查阅其工作时发射管接收管的有效距离,通过面包板搭建并测试有效检测距离及接收管输出电压的变化范围。
5)、脉冲单元电路部分:根据接收管输出电压的范围确定是否需要整形电路得到高质量的0、1信号?时钟脉冲电路如何构成?0.01s 的分辨率如何实现?在一定时间内瞄靶定时如何实现?分辨率和定时时间如何做到可调?
6)、理清瞄靶控制信号——瞄准时计数器进行实时加法计数,未瞄准则暂停计数,计数器保持前一个状态。思考在瞄靶过程中,如何利用计数器的控制端?如何保证计数器的可靠清零?
7.2课堂答辩验收环节
1)、在学生搭建电路时,因连线较多容易出错,提醒学生运用模块化的思路搭建,每完成一部分电路就进行测试验证,培养模块化设计思想,减少实验出错的概率,提高实验效率。
2)、计数器模块
a、用74190还是74161/160实现?同步/异步置数?同步/异步清零?利用哪个控制
端进行计数控制?b、分辨率为 0.01s 时,计数模值为多少?需要几片计数器,如何级联?c、译码显示用什么译码器?能驱动共阴还是共阳数码管?在电路搭建时,数码管
的连接是否需要考虑限流电阻?d、连接电路时,提醒学生仿真电路元器件是没有画电源和地线的,但实际连接中应
该注意电源和地线的连接。e、如果多块电路板或实验箱相连,应注意共地。
3)、脉冲单元模块
a、计数脉冲如何实现?用 555构成还是CD40106 实现?电阻、电容如何取值?b、接收管输出端的输出电压是否可作为计数器的控制信号?如果不是高质量的 0、
1,是否需要进行波形的整形?整形电路如何搭建?
c、定时电路时间取多少秒合适?是否能用 555 实现?为何种电路?电路参数如何选取?作为拓展内容部分,如何使定时电路时间可调?
4)、发射、接收电路模块
a、红外发射、接收电路的主要元件是什么?如何搭建?
b、红外对管处于对射状态时理论的接收距离是多少?实际搭建后检测距离又是多少?接收管处于工作及不工作状态时的输出电压分别为多少伏?输出能否直接控制下一级的计数电路?
c、如果对射距离不够,该如何改进电路,使实验更符合实际射击瞄靶的距离?
课堂实验完成后,可以选取一两组做得较好的学生的电路,在一定距离内测试各位同学的瞄靶时间,看看谁是真正的神枪手!
7.3 课后拓展环节
1)、在提高拓展部分,教师仅给出设计要求及适当实验提示,不给出具体实验方案,学生在设计过程中遇到问题,可课堂或线上答疑,充分发挥学生的自主性。在自主发挥过程中,教师提供学习视频及创新实验环境,线上答疑,培养学生创新思维和团队合作
能力。
2)、在实验完成后,组织学生以项目评讲的形式进行交流,了解不同解决方案及其特点,拓宽知识面。教师对实验过程中出现的现象、问题进行讲评。
3)、学生撰写实验报告,要求包含各模块电路图,设计时所列的各类状态转移表\图,实验数据,实验过程出现的问题及解决问题的方法。教师综合考察各环节的实验情况,给出最终实验成绩。
8. 实验原理及方案
实验的基本原理、设计依据、完成任务的思路方法,可能采用的方法、技术、电路、器件。
8.1 实验原理
本实验的设计可采用模块化设计方法,将电路分为信号采集接收模块、计数模块、脉冲单元电路模块、译码显示模块等部分。下面分模块介绍实验原理。本实验对计数器,组合逻辑电路、脉冲单元电路以及其他功能器件的知识储备有一定的要求,原理框图如图 8-1 所示。

图 8-1 实验原理框图
8.2 实现方案
1)计数、译码显示电路的实现
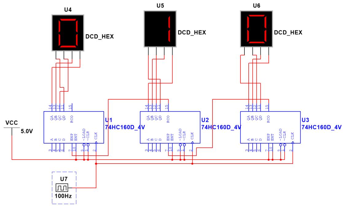
为保证分辨率为 0.01s,可采用三片 74ls190 或 74ls160 来进行计时,计时时间为0.00——9.99,实现方案不唯一。以 74ls160 为例,74ls160 是同步十进制计数器,具有异步清零和同步置数功能,其引脚图管脚及功能表如图 8-2 所示。

图 8-2 74ls160 引脚图管脚及功能表
三片 160 构成的计数器计数模值可设置为 1000 进制,计数状态为 000—999,级联可采用同步级联和异步级联,以同步级联为例,可将个位片的进位输出 CO 接到十位片的计数控制端EP或ET,同时将两个低位片的进位输出端分别接到百位片的 EP和ET,从而实现三位同步十进制加法计数。而个位片的 EP或 ET则由接收管的输出信号控制,保证接收管收到信号时计数器正常工作,否则,计数器处于保持状态。也可按图 8-3的接法进行级联,此处的设计方法不唯一。此外将三个计数器的清零端接由不带自锁功能的轻触开关及电阻构成的复位电路,保证计数器的及时清零。
显示器件采用共阴极七段数码管,则译码部分采用 4511 译码器进行译码,使用中,注意消隐端BI并不消隐,所以接高电平;灯测试端 LT正常工作时接高电平,锁存端 EL不需要锁存,只是正常传输数据所以接低电平。为保证计时的准确性,最高位数码管的小数点必须一直处于点亮状态,即 DP对应引脚需接高电平。

图 8-3 Multisim 仿真计数器级联电路图
2)红外发射、接收电路
红外发射和红外接收对管作为检测元件,电路通电时,瞄准靶心时,发射管发射红外线使接收管导通,对电容 C6进行充电;当未瞄准靶心使,红外光被遮挡,接收管截止,电容 C6 通过 R9 进行放电,产生相应的模拟信号。此模拟信号经过三极管 Q5 进行反向放大后,由 Q5 的集电极输出并送入下一级整形电路。电路如图 8-4(a)所示,也可通过图 8-4(b)实现,测量接收距离的大小,选择合理方案即可。为大大提高接收距离,也可使用激光对管。

图 8-4 红外对管连接电路图
3)脉冲单元电路模块a、时钟信号产生电路
时钟信号主要是为计数器提供分辨率为 0.01s 的脉冲信号,可采用两种方案产生时钟信号:方案 1 是利用 555 定时器产生 TTL 电平方波;方案 2 是采用集成芯片 CD40106 产生时钟信号。图 8-5 为 CD40106 产生脉冲信号的仿真电路,可将电阻设为可调,改变电容或电阻的参数,通过实物搭建测试实际的脉冲信号频率。

图 8-5 CD40106 产生脉冲信号仿真电路
b、瞄靶定时电路
瞄靶定时电路主要对瞄靶时间进行定时,以 10s 为例,当按下开始按键时,计时指示灯电路,开始瞄靶训练。可用 555定时器构成单稳态触发器,定时时间一到,
指示灯熄灭,此时即使瞄准靶心,计数器也停止计数,数码管上显示 10s 内瞄准的时间。555 定时器构成的单稳态触发器电路如图 8-6,改变电容或电阻值,可改变定时时间。

图 8-6 555 定时器构成的单稳态触发器电路
c、整形电路
为了给计数器提供高质量的 0、1 信号,需在红外对管的输出管后级加入施密特整形电路,可由分立元件构成,也可由 555 定时器搭建,如图 8-7 为由 555 定时器构成的施密特触发器电路。三极管集电极输出的模拟电压信号被转化为数字信号,作为下一级计数电路的控制信号(红外发射/接收对管处于对射状态时,NE555 的 $\mathrm { V _ { O } }$ 引脚输出为高电平,反之输出为低电平)。

图 8-7 由 555 定时器构成的施密特触发器电路
计数、定时整体电路仿真图如图 8-8 所示,完整面包板实物电路图如图 8-9 所示,学生课后激光对管实现实物如图 8-10,提高拓展实物如图 8-11、8-12所示。

图 8-8计数、定时整体电路仿真图

图 8-9 面包板实物图

图 8-10激光对管实现实物图

图 8-11 其他实现拓展 1

图 8-12 其他实现拓展 2
9. 实验报告要求
需要学生在实验报告中反映的工作(如:实验需求分析、实现方案论证、理论推导计算、设计仿真分析、电路参数选择、实验过程设计、数据测量记录、数据处理分析、实验结果总结等等),如:
实验报告需要反映以下工作:
1)实验原理分析
根据设计要求,绘制原理框图。按模块化思想分析每个部分电路可选择的芯片及其典型电路原理。
2)实现方案论证
对比不同的实现方案,充分考虑设计方案的正确性、稳定性及实现的难易程度,对各方案经过可行性分析对比后,确定最终实现方案,做到逻辑清晰,有条有理。
3)理论推导计算
根据定时电路及脉冲电路的设计要求,列出详细的参数计算过程,推导过程要严谨、逻辑,保证不出错。
4)电路设计与芯片选择
电路设计要考虑到实现的难易程度及连线的复杂度,充分考虑工程实践中可能遇到的问题,选择合适的芯片。
5)电路测试方法
熟练使用数字万用表、数字示波器等实验仪器设备,记录相应数据及波形;学会数字电路的测试方法。
6)实验数据记录
记录实验过程中的计数状态、测量定时时间,判断是否符合实验设计要求列出详细的器件清单。
7)实验结果总结
对实验过程中的出现的现象及问题进行分析,阐述解决方法;与传统数电实验相比,谈谈对虚实结合的设计性实验开展的感受;对实验的开展方式有何建议或意见。
5) 考核要求与方法(限 300 字)
考核的节点、时间、标准及考核方法。
1)实验预习:完成雨课堂实验预习及测试习题,设计内容的完整性,仿真电路的完成度,实验方案的合理性等。( $30 %$ )。
2)实验操作过程:主要考察学生对电路的搭建情况,能否正确分析和处理实验过程中遇到的问题及故障。( $40 %$ )
3)自主创新:功能构思、电路设计的创新性,自主思考与独立实践能力。( $10 %$ )
4)实验报告:实验报告的规范性与完整性。( $20 %$ )
6) 项目特色或创新(可空缺,限 150 字)
项目的特色在于:项目背景的工程性,知识应用的综合性,实现方法的多样性。
本项目的特色在于:
1)利用虚实结合的混合式教学克服了传统实验教学模式固定问题,项目具有较强的工程背景,将数字电路里分散的几部分知识有机融合在一个实验项目里,使学生在对理论知识巩固的同时,系统地对所学知识进行充分应用。
2)实验设计难度适中,在学生设计的能力范围之内并且趣味性强,充分挖掘了学生学习的内动力及学习积极性。
3)既有基本内容,也有拓展提高,初步培养工程意识,开阔思路。