程控信号发生器设计
实验题目:程控信号发生器设计
1. 课程简要信息
课程名称:电子系统综合课程设计
课程学时:32
适用专业:电子信息工程专业、电子科学与技术专业、信息工程专业
学生年级:3 年级
2. 实验内容与任务(限500字)
设计并制作一个正弦波信号发生器,能够实现正弦波信号幅度和频率的步进控制,输出信号的频率和幅度均采用键盘输入控制,并在 LCD12864 液晶上显示。本实验项目依托我校 3 个开放实验室,提供 MSP430 系列的单片机核心板、程控放大器模块(AD603、VCA824或 VCA822其中一种)、DDS 模块、LCD12864 液晶、运算放大器等,电路设计和 PCB 设计学生需自行设计完成。选择此题的学生每组 2人。
基本部分:
1)正弦波输出频率范围: $1 \mathrm { H z } \mathrm { \sim } 1 0 0 \mathrm { k H z }$ ;
2)具有频率设置功能,频率步进: $1 0 0 \mathrm { H z }$ ;
3)输出阻抗为 $5 0 \Omega$ 负载;
4)输出电压幅度:在 $5 0 \Omega$ 负载电阻上的电压峰-峰值范围为 $0 . 0 1 \mathrm { V } \gtrsim V _ { \mathrm { o p p } } { \gtrsim } 2 \mathrm { V }$ ;
5)在液晶上显示输出信号的频率和幅度;
6)输出信号频率稳定并且无明显失真。
发挥部分:
1)扩大正弦波输出频率范围: $1 \mathrm { H z } { \sim 2 \mathrm { M H z }$ ;
-
输出幅度通过键盘输入:误差小于 $1 \mathrm { m } \ V$ ;
-
频率步进值通过键盘设定,并在液晶上显示。
3. 实验过程及要求(限300字)
学生实验前应该查阅资料,并在实验前和实验过程中解答下面的问题。
-
熟练使用 430单片机进行编程,熟练掌握 DDS模块的原理与应用,掌握 LCD12864的应用;
-
查阅资料,在 Multisim 仿真优化的基础上设计放大电路及衰减电路,通过单片机控制实现衰减的自动控制;
-
了解 AD603、VCA824 或 VCA822 的基本性能及参数,掌握增益与控制电压的关系,实现增益的自动控制;
-
查阅幅度检测的相关资料,了解在不同频率情况下如何实现信号幅度的测量,选择合适的分立元件电路或集成幅度检测电路进行设计;
-
构建闭环电压信号处理电路,实现输出电压的程控;
-
使用 Altium Designer 画原理图和 PCB 图,可以在实验室制 PCB 版或外协制板;
-
使用统一表格进行参数测试;
-
撰写设计总结报告,并通过分组演讲,学习交流不同解决方案的特点。
4. 相关知识及背景(限150字)
这是一个综合运用模拟电路设计、单片机技术的典型案例,需要学生查阅新资料,选择合适的新器件,也是对学生的新知识、新技术运用的考察。完成该项目需要应用单片机技术、DDS原理与控制、LCD12864 液晶显示、运算放大器设计、程控放大器设计、衰减电路设计、幅度检测以及电压的闭环输出控制,同时还需辅以 Multisim和 Altium Designer 才能完成该案例。
5. 教学目标与目的(限100字)
本设计案例通过要求学生对程控信号发生器的实践项目研究、设计与实现,培养学生自主学习与实践、创新思维的能力。通过查阅电子系统设计相关知识,运用单片机技术、DDS 控制、电路设计、仿真软件和 PCB 设计等知识设计一个完整的电子系统,达到提高学生的知识综合运用能力、系统设计能力、分析能力、工程实践能力、自学能力、表达能力、创新能力等综合素质。
6. 教学设计与引导
本实验的过程是一个比较完整的工程实践,需要经历学习研究、方案论证、系统设计、器件选型、仿真验证、PCB 设计、实现调试、参数测试、设计总结等过程。在实验教学中,应在以下几个方面加强对学生的引导:
1)掌握MSP430 系列单片机的使用,能熟练的对矩阵键盘、LCD12864 液晶、DDS 模块进行编程控制;
2) 阅读AD9851 的相关文献资料,能利用单片机控制该芯片,产生 $1 \mathrm { H z } { \sim 2 \mathrm { M H z }$ 的两路正弦波信号输出;
3) 了解输出电压闭环控制的原理,通过键盘设定输出电压值;
4) 程控运算放大器目前常用的有 AD603、VCA824 和 VCA822 等,带宽均满足频率要求,根据自己掌握的情况进行选择;
5) 宽带运算放大器选择时应区分是电流放大器还是电压放大器,注意运算放大器的关键指标的选取,不同的需求选择不同的运算放大器,在仿真的基础上进行实际电路的设计;
6) 衰减电路设计可以选择继电器控制或者集成的电子开关来控制;
7) 信号的幅度处理可以采用分立元件的设计方法,精度较差,但是能够满足题目要求;采用专用的有效值检测集成电路成本较高,精度较好;
8) 指导学习 Altium Designer 设计软件,能画基本的电路原理图,制作最简单的 PCB 板,能将自己的设计意图转化为实际的电路;指导学习一些基本的元器件、芯片焊接技巧,结合
原理图能把器件准确的焊接在 PCB 板上;指导学习基本仪器仪表的使用,熟练掌握直流稳压电源、万用表、示波器、波形发生器等仪器的使用;
9)各个模块设计时要注意电源的滤波,应有独立的电源滤波电路,注意模拟和数字系统之间的相互串扰;
10)在电路设计、搭试、调试完成后,必须要用标准仪器设备进行实际测量,标定所完成的测量电压误差和波形失真度;
11)在实验完成后,可以组织学生以项目演讲、答辩、评讲的形式进行交流,了解不同解决方案及其特点,拓宽知识面;
在设计中,要注意学生设计的规范性;如系统结构与模块构成,模块间的接口方式与参数要求;在调试中,要注意工作电源、参考电源品质对系统指标的影响,电路工作的稳定性与可靠性;在测试分析中,要分析系统的误差来源并加以验证。
7. 实验原理及方案
(1)系统实现参考框图

图 1 系统参考方案
(2)模块实现方案
1)DDS 模块
DDS 模块采用 AD9850/AD9851 芯片参考电路如图所示。该模块由单片机控制,可以采用并行控制或串行控制方式,输出频率 0-40MHz(70MHz),IOUT 和 IOUTB 输出两路 $0 . 5 \mathrm { V } _ { \mathrm { P P } }$ ,相位相反的正弦波信号,信号中有 $0 . 2 5 \mathrm { V } _ { \mathrm { P P } }$ 的直流分量,分别送入减法电路。该电路由学生自行焊接调试。

图 2 DDS 模块
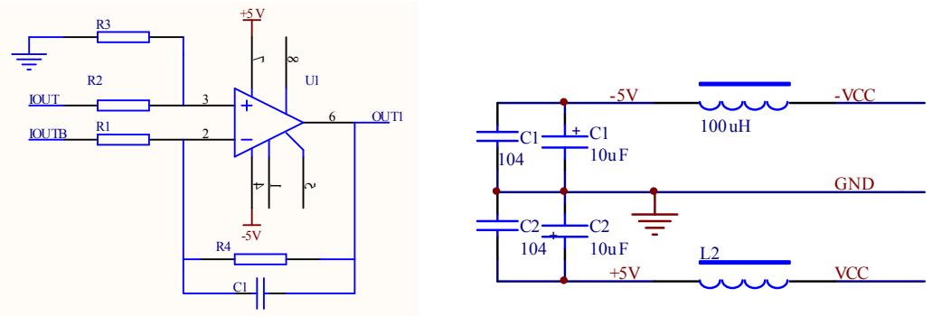
2)减法电路
减法电路将 DDS 模块的两路输出 IOUT 和 IOUTB 进行减法运算得到 $1 \ \mathrm { V } _ { \mathrm { P P } }$ 的信号,参考电路如图所示,参数选择时要注意阻抗的匹配。其中运放根据需要进行选取,参考的型号有LM318、LHV870、OPA365、OPA857、OPA690、AD8021 等,选择运放时应注意电流型放大器和电压型放大器的区别。电源处理的参考电路如图所示。

图 3 减法及电源电路
3)衰减电路
衰减电路对减法电路后的信号幅度进行衰减,分别衰减至 $5 \mathrm { m V }$ , $5 0 \mathrm { m V }$ , $5 0 0 \mathrm { m V }$ ,可以采用继电器作为衰减电路的选择开关,也可以采用高速电子开关 LMH6574。
4)程控放大
程控放大芯片可以选择 AD603、VCA824 或 VCA822 用于 AGC 的增益控制。控制电压由单片机的内部 AD 产生,电路设计时应注意将控制电压调整成合适值。
AD603 增益在- $- 1 1 { \sim } + 3 0 \mathrm { d B }$ 时的带宽为 $9 0 \mathrm { M h } z$ ,可提供以 dB/V 线性连续增益控制功能,控制电压为 $0 { \sim } 1 \mathrm { V }$ 。
VCA824 增益在 $0 \sim + 4 0 \mathrm { d B }$ 时的带宽为 420Mhz,可提供以 V/V 线性可变增益放大功能,控制电压为- $. 1 \lor \sim \land \lor$ 。
VCA822 增益在 $0 \sim + 4 0 \mathrm { d B }$ 时的带宽为 150Mhz,可提供以 V/V 线性可变增益放大功能,控制电压为- $. 1 \mathrm { V } { \sim } 1 \mathrm { V }$ 。
5)输出电路
输出电路要求在输出端短路时不损坏电路,这部分电路可以采用分立元件或集成电路,参考的集成运放有 BUF634、THS3091、THS3096 等。
6)隔离电路
隔离电路一般采用电压跟随器进行隔离,选择运放时要注意运放的带宽。
7)幅度检测电路
幅度检测电路可以采用分立元件电路或集成的幅度检测电路,集成的幅度检测芯片参考型号有 AD637、AD736、LTC1966 等。如果电路设计时只完成低频信号,则可以把隔离之后的信号直接送入单片机进行 AD 采样。
8)信号调理
信号调理电路的功能是将单片机的 AD 输出电压调理为合适的直流信号,以控制程控放大器。如果程控放大器选用 AD603,则控制电压为 $0 { \sim } 2 \mathrm { V }$ 的直流信号;如果程控放大器选用VCA822 或 VCA824,则控制电压为- $. 1 \mathrm { V } { \sim } 1 \mathrm { V }$ 的直流信号,信号调理芯片采用 OP07 即可。
8. 教学实施进程
教师以授课、讨论、专题讲座等多种教学方式,系统地介绍电子系统分析、规划、设计和工程5 6 7 实现的方法与步骤,介绍新器件、新技术、新方法。学生从综合电子系统课程设计的多个实验项目中,选择适合自己的实验项目(也可自拟)。本实践项目要求学生通过搜集文献资料,给出系统设计的参考电路,通过分组研讨、确定最终的设计电路,在开放实验室进行设计、调试,制作一个完整的电子系统。最终通过作品的参数测试、答辩和报告,给出最终成绩。
9. 实验报告要求
实验报告需要反映以下工作:
1)实验需求分析
2) 实现方案论证
3) 理论推导计算
4)电路设计与参数选择
5) 电路测试方法
6) 实验数据记录
7) 数据处理分析
8) 实验结果总结
9)实物照片
10.考核要求与方法(限300字)
本实验项目 32学时,考虑学生的层次、水平不同,根据情况可以选择 2人一组,在实验内容和考核方式上也应进行个性化安排,主要考核点在以下方面:
1)实物验收:功能与性能指标的完成程度;
2)实验质量:电路方案的合理性,焊接质量、组装工艺;
3) 自主创新:功能构思、电路设计的创新性,自主思考与独立实践能力;
4) 实验成本:是否充分利用实验室已有条件,材料与元器件选择合理性,成本核算与损耗;
5)实验数据:测试数据和测量误差;
6)实验报告:实验报告的规范性与完整性。
11. 项目特色或创新(可空缺,限 150字)
项目的特色是:项目背景的工程性,知识应用的综合性,实现方法的多样性。
项目的创新点:利用单片机控制 DDS模块输出信号的频率,采用 AGC 的方法控制输出电压幅度,以提高输出电压的精度。通过完成工程实践的研究、设计与实现,培养学生自主学习与实践、创新思维的能力,达到提高学生的知识综合运用能力、系统设计能力、分析能力、工程实践能力、自学能力、表达能力、创新能力、团队合作能力等综合素质。
实验案例信息表
| 案例提供单位 | 南京信息工程大学 | 相关专业 | 电子信息类专业 | ||||
| 设计者姓名 | 刘建成 | 电子邮箱 | 000419@nuist.edu.cn | ||||
| 移动电话 | 13815896576 | 通讯地址(含邮编) | 南京市宁六路219号,南京信息工程大学 | ||||
| 设计者姓名 | 徐伟 | 电子邮箱 | 001755@nuist.edu.cn | ||||
| 移动电话 | 13770757149 | 通讯地址(含邮编) | 南京市宁六路219号,南京信息工程大学 | ||||
| 设计者姓名 | 李鹏 | 电子邮箱 | lipengdcy@nuist.edu.cn | ||||
| 移动电话 | 15051803636 | 通讯地址(含邮编) | 南京市宁六路219号,南京信息工程大学 | ||||
| 相关课程名称 | 电子系统综合课程设计 | 学生年级 | 大三 | 学时 (课内+课外) | 32+32 | ||
| 支撑条件 | 仪器设备 | 示波器、稳压电源、信号发生器、万用表、PCB制版系统 | |||||
| 软件工具 | IAR、NI Multisim、 Altium Designer | ||||||
| 主要器件 | MSP430系统板、DDS 模块、程控运放、集成运放等 | ||||||