虚实结合的计数器应用实验
实验题目:虚实结合的计数器应用实验
1. 课程简要信息
课程名称:数字电路与系统实验
课程学时:3 学时
适用专业:电子信息工程,自动化,计算机科学与技术,电气工程及其自动化,电子科学与技术,生物医学工程,电气信息创新实验班
学生年级:2年级
2. 实验内容与任务(限 500字)
项目需要完成的任务(如需要观察的现象,分析某种现象的成因、需要解决的问题等);是否设计有不同层次的任务。
1)网上预约远程虚实结合虚拟实验位置,并在预约的时间内开始做该实验;
2) 系统随机分发给不同帐号学生带有故障的不同进制计数器虚拟实验 3 个;
3) 学生在预约时间内找到故障计数器的原因,并在学生客户端连线,通过网络,实现远程真实实验箱连线测试,远程观看真实实验箱各端口返回的真实波形;
4) 学生一键点对点避免舞弊地提交虚拟实验,如有错误,系统会记录并立即打回学生重做;
5) 系统会自动判定预习实验的最终成绩并提交给教师;
6) 经过系统随机设计的故障多进制计数器的虚拟实验训练,让学生掌握计数器的多进制同步、异步的不同用法;
7) 学生网上继续预约现场计数器应用实验,随机得到一个不同要求的彩灯控制电路设计题目,可以远程自行另行预约训练自己的题目;
8) 进入远程实验室安全学习和考核系统,根据正确的实验室安全学习录像,找出错误学习录像的具体错误位置,并答题,系统自动判定成绩才可以进入下一步现场实验预约;
9) 在约定是时间内,学生现场连线实现,依据现场有的标准计数器芯片,设计所需进制的计数器,并现场根据教师给出的多路彩灯的不同灯闪变换要求,立即更改电路使其生效,以符合实验教师的要求;
10) 按照计数器标准芯片分组讨论,交流自己实验中遇到的问题和解决的方法,递交实验报告。
3. 实验过程及要求(限 300 字)
如对学生在实验过程中在需求分析、资料查询、自学预习、思考讨论、方法设计、进程规划、软件仿真、平台构建、器件选择、表格设计、现象观察、数据测试、问题分析、总结报告、验收答辩、演讲交流等各方面的要求。
1)根据故障计数器的电路,进行资料查询,学习计数器、时序逻辑电路的分析方法和设计方法;
2) 通过远程虚拟结合实验进行自学预习,并找出故障计数器的位置,通过思考和先下学生讨论,研究不同方法的结果,从而进行正确的设计规划。
3) 通过远程逻辑分析仪观看远程实验的波形,构建正确的实验平台,进行逻辑门器件选择。
4) 完成预习实验报告的数据填入,通过观察的波形窗口测试数据,学生帐号对教师帐号,一键防作弊地提交预习实验报告;
5)进行实验室安全远程考核系统测试通过。
6) 预约现场实验,得到不同要求的彩灯控制电路设计题目;
7)现场连线设计所得题目;
8)现场根据教师给出的多路彩灯的不同灯闪变换要求,立即更改电路使其生效,以符合实验教师的要求;
9)按照计数器标准芯片分组讨论,交流自己实验中遇到的问题和解决的方法,递交实验报告。

实验过程和要求
4. 相关知识及背景(限 150 字)
项目涉及的知识方法、实践技能、应用背景、工程案例。
这是一个运用远程虚拟实验结合实体实验箱,虚中有实,实中有虚,虚实交互的计数器应用实验。需要运用触发器、计数器和分频器,时序逻辑电路等相关知识与设计方法。锻炼灵活应用计数器的实践技能。通过彩灯的不同闪亮变换,随机设置远程虚实结合故障实验和现场实体实验。是采用现代“互联网+”实验的典型工程案例。
5. 教学目标与目的(限 100 字)
如学习、运用知识、技术、方法;培养、提升能力、素质。
利用较为完整的工程项目,使学生根据随机的故障测试环境与条件,活学活用时序电路的分析和设计方法;培养理论联合实际的作风,提高解决实际工程故障的能力,增强应变能力和综合实践素质的培养。
6. 教学设计与引导
如预习要求及检查;课堂知识讲解、方法引导、背景解释;实验中的方法指导,问题设置、思路引导等。研讨主题、观察节点、验收重点、质询问题的设计等。
本实验的过程是一个比较完整的工程实践工程,需要经历学习研究、故障解决、方案论证、系统设计、实现调试、设计总结等过程。在实验教学中,应在以下几个方面加强对学生的引导:
1)远程虚实结合的预习是本实验案例的特色。通过带有随时故障的计数器预习实验,解决了学生从理论课堂的原理图过渡到实际芯片应用图的适应盲端,通过自判定与实验成绩的检查,使其重视预习实验的过程;
2)通过一键点对点的递交预习实验报告,解决了线下学生预习舞弊的现象。虽然无法确定独立实验的过程,但如通过学习讨论解决的过程,也是解决问题的一种途径;
3)课堂计数器知识的讲解和方法的引导,在预习实验中可以使学生在线下得到有效地、独立地思考空间。更深一步地去理解理论知识点,从而在工程背景下的应用环境下,达到锻炼实际工程解决问题的能力。
4)计数器实验的虚实结合的预习,使线上线下的时间得到有效的统一和协调。通过问题的随机设置,达到解决计数器各种故障的引导作用。
5)通过远程虚实结合的实验箱真实数据的来回传送,以及现场真实实验箱的体验设计,达到时间效率和真实操作的统一。避免了以往虚拟实验的不真实性。远程逻辑分析仪能够把远程现场实验箱的真实连线的数据如实地反馈回来,并使学生在远程客户端真实体验逻辑分析仪的操作规定动作,真实地体验学生自己的具体实验的真实数据反馈。
6)通过远程虚实结合的预习实验,使学生能够在远端体验真实实验过程,并严肃认真地旅行预习实验的过程,保证预习实验的真实性和正确性,也能扎实地、灵活地学习时序逻辑电路的基本概念,了解各种触发器的特性以及分析方法,掌握时序逻辑电路的设计方法,尤其是同步时序逻辑电路的设计方法。更能灵活地掌握计数器的各种应用、解决计数器的各种故障,掌握分频器与计数器的关系。了解各种计数器标准芯片的功能和差别,掌握计数器的使用方法,尤其是同步和异步控制的引脚作用。
7)通过现场教师的随机定彩灯的闪亮效果的过程要求,在电路设计、搭试、调试完成后,完成各种实验现象的测试,对照远程操控的逻辑分析仪,掌握逻辑分析仪测量各种物理量的方法。
8)在实验完成后,组织学生以项目故障发现问题和解决问题的讨论评讲,进行交流,了解不同解决方案及其特点,拓宽知识面。对于实验中出现的各种现象进行分析,对不同的故障进行点评。教师根据学生预习成绩、现场应变能力和效果、讨论中的思维变化反映能力等综合因素给予最终成绩评定并现场公布实验成绩。
7. 实验原理及方案
实验的基本原理、完成实验任务的思路方法,可能采用的方法、技术、电路、器件。
1)系统结构

系统结构
2) 实现方案
时序逻辑电路是指任意时刻系统的输出可能不仅和系统当前的输入有关,还与系统过去的状态有关。由于要记住过去的状态,时序逻辑电路中肯定要包含有记忆存储器件,而且也应该有进行逻辑运算的组合逻辑电路。时序逻辑电路的基本结构如图所示。

时序逻辑电路的基本结构
同步时序电路的设计步骤为:
1、从实际问题中进行逻辑抽象,首先确定输入量、输出量以及电路的状态数 $M$ ,一般不把时钟信号作为系统的输入量考虑;然后对输入和输出的逻辑状态进行定义,并为电路的每一个状态进行编号,可以先用字符标记;列出电路的状态转换表或者画出电路的状态转换图。
2、将等价的状态合并,进行状态化简。
3、对每一个状态指定一个特定的二进制编码,也就是状态编码。首先,要确定状态编码的位数 $n$ ,$n$ 与 $M$ 满足下式
$$ 2 ^ { n - 1 } < M < 2 ^ { n } $$
然后要从 $2 ^ { n }$ 个状态中选择 $M$ 个组合,进行状态编码。编码要考虑电路实现的可靠性以及稳定性。
4、选定触发器类型,一般选择 $D$ 触发器或者 $J K$ 触发器。触发器数目与状态编码的位数 $n$ 相同。
5、根据状态转换图或者状态表,用卡诺图或者其他方式对逻辑函数进行化简,求出电路的驱动方程和输出方程。这两个方程决定了同步时序电路的组合电路部分。
6、列出逻辑图,并检查设计的电路能否自启动。
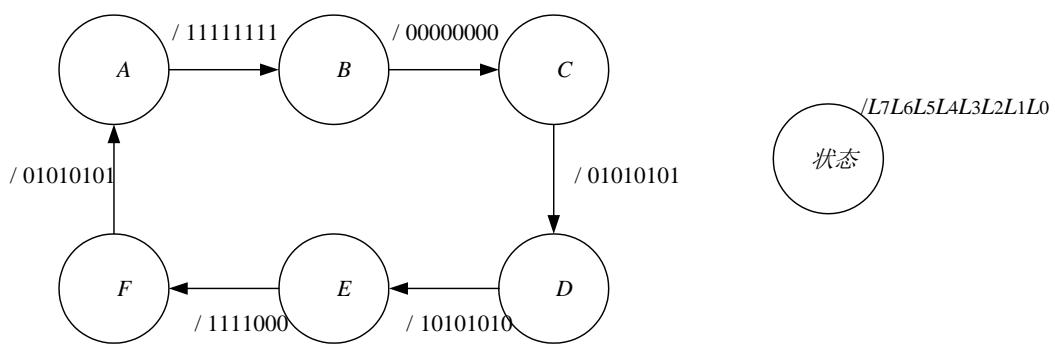
下面以八路彩灯控制器为例,说明同步电路的设计流程。八路彩灯控制器的设计要求为:设计一个有八个 LED 输出的彩灯控制器,每隔一段时间,这八个彩灯的输出状态依次按照全亮、全灭、左起偶数个亮、左起奇数个亮、左边四个亮右边四个灭,左边四个灭右边四个亮的次序周而复始的变化。
首先,对要设计的问题进行分析,确定系统有八个输出量,用“1”表示该输出亮,用“0”表示灭,系统有六个状态,分别用 A、B、 C、 $D$ 、 $E$ 和 $F$ 表示。原始状态转换图为

八路彩灯控制器原始状态转换图
此电路不需要进行状态化简。由于六个状态需要三位的状态编码,将这六个状态采用基本的二进制编码,状态转换表如下表所示。
表八路彩灯控制器状态转换表
| 时钟 CP的 次序 | 现态 | 次态 | 输出 | ||||||||||||
| Q | Q | 0 | Q | Q | L | L6 | L5 | L4 | L3 | L2 | L | L0 | |||
| 0 | 0 | 0 | 0 | 0 | 0 | 1 | 1 | 1 | 1 | 1 | |||||
| 1 | 0 | 0 | 1 | 0 | 1 | 0 | 0 | 0 | 0 | 0 | 0 | 0 | |||
| 2 | 0 | 1 | 0 | 0 | 1 | 1 | 0 | 1 | 1 | 0 | 1 | 0 | 1 | ||
| 3 | 0 | 1 | 1 | 1 | 0 | 0 | 1 | 0 | 0 | 1 | 0 | 1 | 0 | ||
| 4 | 1 | 0 | 0 | 1 | 0 | 1 | 1 | 1 | 1 | 1 | 0 | 0 | 0 | 0 |
| 5 | 1 | 0 | 1 | 0 | 0 | 0 | 0 | 0 | 0 | 0 | 1 | 1 | 1 | 1 |
选择 $D$ 触发器,共需要三个触发器。由表绘制出电路的次态卡诺图,由图可以得出各个触发器的次态表达式,即 $\boldsymbol { Q } _ { i } ^ { n + 1 }$ 表示成 $Q _ { i } ^ { n } { \bar { \mathcal { L } } } _ { \mathbb { H } } { \overline { { Q } } } _ { i } ^ { n }$ 的组合( $( i { = } 0 , 1 , 2 )$ )。由于 $D$ 触发器的状态方程比较简单,增加一项,改写为式(3.5)-(3.7)。实际上,(3.5)-(3.7)左边的等号两边为 $D$ 触发器状态方程,右边等号两边为驱动方程。
$$ \begin{array} { c } { { Q _ { 2 } ^ { n + 1 } = D _ { 2 } = Q _ { 1 } ^ { n } Q _ { 0 } ^ { n } + Q _ { 2 } ^ { n } \bar { Q } _ { 0 } ^ { n } } } \ { { Q _ { 1 } ^ { n + 1 } = D _ { 1 } = \bar { Q } _ { 2 } ^ { n } \bar { Q } _ { 1 } ^ { n } Q _ { 0 } ^ { n } + Q _ { 1 } ^ { n } \bar { Q } _ { 0 } ^ { n } } } \ { { Q _ { 0 } ^ { n + 1 } = D _ { 0 } = \bar { Q } _ { 0 } ^ { n } } } \end{array} $$
同样的道理,可以得到输出方程,
$$ \begin{array} { c } { { \begin{array} { r l } { } & { { { \cal L } _ { 7 } = { \cal L } _ { 5 } = Q _ { 1 } ^ { n } Q _ { 0 } ^ { n } + \bar { Q } _ { 1 } ^ { n } \bar { Q } _ { 0 } ^ { n } } } \ { { } } & { { } } \ { { { \cal L } _ { 6 } = { \cal L } _ { 4 } = \bar { Q } _ { 0 } ^ { n } } } \end{array} } } \ { { \begin{array} { r l } { { { \cal L } _ { 3 } = { \cal L } _ { 1 } = Q _ { 1 } ^ { n } Q _ { 0 } ^ { n } + \bar { Q } _ { 2 } ^ { n } \bar { Q } _ { 1 } ^ { n } \bar { Q } _ { 0 } ^ { n } + Q _ { 2 } ^ { n } Q _ { 0 } ^ { n } } } \ { { } } & { { } } \ { { { \cal L } _ { 2 } = { \cal L } _ { 0 } = Q _ { 1 } ^ { n } \bar { Q } _ { 0 } ^ { n } + \bar { Q } _ { 2 } ^ { n } \bar { Q } _ { 1 } ^ { n } \bar { Q } _ { 0 } ^ { n } + Q _ { 2 } ^ { n } Q _ { 0 } ^ { n } } } \end{array} } } \end{array} $$
$\boldsymbol { Q } _ { 2 } ^ { n + 1 }$
| eg | 00 | 01 | 11 | 10 |
| 0 | 0 | 0 | ? | 0 |
| 1 | D | 0 | ? | + |
| 00 | 01 | 11 | 10 | |
| 0 | 0 | 0 | 0 | 1 |
| 1 | 0 | 0 | × | × |
$\overline { { Q _ { 0 } ^ { n + 1 } } }$
| 00 | 01 | 11 | 10 | ||
| 0 | 1 | 0 | 0 | 1 | |
| 1 | 1 | 0 | × | 区 | |
| 00 | 01 | 11 | 10 | ||
| 0 | 1 | 0 | 0 | 1 | |
| 1 | 1 | 0 | × | 区 | |
$\underline { { L _ { \circ } = L _ { \circ } } }$
| 00 | 01 | 11? | 10 | |
| 0 | 1 | 0 | ? | 0 |
| 1 | O | 0 | ?区 | × |
$\underline { { L _ { 6 } = L _ { 4 } } }$
| e | 00 | 01 | 11 | 10 |
| 0 | 1 | 0 | 1 | |
| 1 | 0 | ? | ? | ? |
| 00 | 01 | 11 | 10 | |
| 0 | O | 0 | ? | 0 |
| 1 | 0 | C | ? | × |

八路彩灯控制器时序仿真图
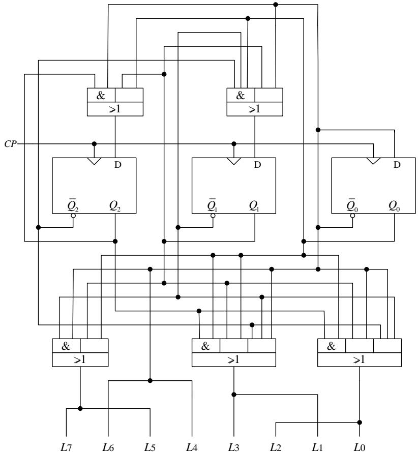
可以画出系统的逻辑图,如图所示。

当然本题目也可以采用 JK触发器实现。总之,可以看到系统中需要的器件比较多。由于状态编码时就是连续的二进制编码,也可看作计数器的计数值,可以考虑由计数器完成状态方程和驱动方程的实现。同时,考虑到输出方程都是三个变量的逻辑的表达式,可以考虑用 3-8 译码器取代门电路的实现最小项的非,再用与非门实现输出的逻辑表达式。
下图是用仿真软件构成的八路彩灯控制器的实现电路图。

8. 教学实施进程
简要介绍实验实施进程的各个环节(如任务安排、预习自学、现场教学、分组研讨、现场操作、结果验收、总结演讲、报告批改等)中,教学设计的思路、目的,教师、学生各自需要完成的工作任务,需要关注的重点与细节。
- 通过课前网上虚拟实验选课、网上虚拟实验预习,对于该实验的理论课和实验课的衔接工作做准备,方便学生对该实验项目中涉及的概念、方法和技巧进行预习和自学。

任课老师分配课程、编辑课程资料界面
首页
教师账户管理
实验室管理
教学日历
课程管理
通知信息
首页教学周次设定
详细内容

任课教师设定选课时间段

首页教学周次设定学期信息
首页
教师账户管理
查询结果
实验室管理

教学日历
课程管理
通知信息

任课教师修改选课学期

任课教师学生信息、成绩导入到处界面
- 通过网络虚拟实验预习,可以现场操作基于真实实验场景的虚拟实验,既可以远程操作虚拟实验,也可以到现场做该实验的验证。


大连理工大学研制的虚实结合实验箱
该实验箱模块是可拆卸的、芯片是FPGA下载定制的数电、单片机通用实验箱

相应的芯片逻辑教师在做课前可以定制下载并设置成所需的芯片

远程操作的计数器虚拟实验学生操作观看逻辑的界面

逻辑分析仪在学生客户端显示的来自实验室真实实验箱计算的数据结果
- 为了更加逼近真身实验场景,大连理工大学虚拟实验室还为数字电路实验设置了 3D 虚拟实验,让学生更加逼真接近实际地去做实验,360度角度观看实验。

3D数字电路计数器虚拟实验

3D计数器虚拟实验显示界面
- 客户端学生做完虚拟实验以后,所得的成绩会自动上传到大连理工大学国家级虚拟仿真实验教学中心服务器,无法作弊,并能在教师的界面直接观看到学生虚拟实验、预习实验的结果和成绩,以及来自该实验学生的实验正确性和实验评价。

教师主界面的学生数字电路计数器虚拟实验自动上传的成绩界面

学生界面做完数字电路计数器虚拟实验自动的成绩(后台已经同时上传到中心服务器)
- 学生在该计数器实验中的问题,可以线上在网络和助教答疑,也可以带到实验课堂,去以提问的形式,在实验交流环节进行进一步的完善和方案的比较。
- 在学生进入现场进行真实操作实验的之前,要在网上进行该实验的实验室安全学习和考试,考试采取场景鼠标或触屏停止安全录像,按对了,录像才停,同时答对安全试题以后才能得到正确的分数,达到80 分以上才可以允许选择实体实验的权利。


远程实验室安全考核系统
- 在现场操作时候,对于出现的现象进行提问。有故障的进行故障原理的提问,回答问题。对于没有故障的,可以设置故障,让学生在规定的时间内完成改正。

实体实验连线效果图
- 总结实验现象中遇到的问题和解决的方法,分析原理和实际问题的区别。
9. 实验报告要求
需要学生在实验报告中反映的工作(如:实验需求分析、实现方案论证、理论推导计算、设计仿真分析、电路参数选择、实验过程设计、数据测量记录、数据处理分析、实验结果总结等等)。
实验报告需要反映以下工作:
1) 实验原理论述
主要考察时序逻辑电路的设计原理,应该首先确定设计电路是同步时序逻辑电路还是异步时序逻辑电路,因为这两种电路的设计思路和步骤不同,概念和电路的特点也不同,需要阐明道理。同步时序逻辑电路就是所有触发器共用一个触发信号源CP,优点是所有触发器的状态同时刷新,信号延迟时间短,缺点是结构复杂。异步时序逻辑电路就是所有触发器没有共用一个CP 源,优点是结构简单,缺点是触发器状态刷新不同步,信号延迟可能会累积从而出现状态异常。
2) 实现方案论证
设计的方案要考虑设计的正确性、稳定性、实现的难以程度以及成本等因素。设计方案要言之成理,有条理。
3) 理论推导计算理论推导要严谨、有步骤,注意推导中注意方法的准确性。
4) 原理电路设计
电路设计要考虑实现的难以程度,以及工程实践中的各种问题,包括可靠性、稳定性以及抗干扰和自启动等问题。
5) 电路测试方法掌握电路的测试方法,示波器的正确使用方法和记录方法。
6) 实验数据记录
7) 数据处理分析
需要处理的实验数据要注意处理的方法要正确,要表明数据的准确度,需要绘制图表的要选取合适的坐标,表明变量和函数名称,曲线名称,原始数据要足够多,并在曲线中标出。
8) 实验结果总结
对于实验现象要科学记录,分析现象的成因,对于有疑问的现象要深入思考,查阅资料,争取给出合适的解释。实验报告要纸质版和电子版两种,纸质版的要求记录好实验的原理和实验过程和结论。电子版的主要记录远程虚拟实验的波形图和现场实验的仪器波形图作为真实并正确参加实验的依据。


实验报告有纸质版的波形图电子版的两种
10.考核要求与方法(限 300 字)
考核的节点、时间、标准及考核方法。
1) 课前预习回答基本问题,按照 $1 0 %$ 评价。
2) 预习报告占总成绩 $1 0 %$ ,考察设计的完整性,正确性和规范性。
3) 实验操作占 $6 0 %$ ,主要考察对实验设备和实验方法的熟练程度,是否能正确处理实验中的故
障,以及对实验现象的正确解读。
4)设计创新占 $2 0 %$ 。

考核要求与方法
11.项目特色或创新(可空缺,限 150 字)
项目的特色在于:项目背景的工程性,知识应用的综合性,实现方法的多样性。
将虚拟实验和现实实验结合,把时序逻辑电路中重点的概念和方法融会贯通,从基本电路的构成到综合电路的设计和分析放到一个案例中,从知识的综合性和工程的实践性都是一个经典的课程案例。
实验案例信息表
| 案例提供单位 | 大连理工大学 | 相关专业 | 电子科学与技术 | |||
| 设计者姓名 | 王开宇 | 电子邮箱 | wkaiyu@dlut.edu. cn | |||
| 移动电话 | 18041169018 | 通讯地址(含邮编) | 大连理工大学电信学部电工电子实验中心,116024 | |||
| 设计者姓名 | 赵权科 | 电子邮箱 | qkzhao@dlut.edu.cn | |||
| 移动电话 | 13842872958 | 通讯地址(含邮编) | 大连理工大学电信学部电工电子实验中心,116024 | |||
| 设计者姓名 | 周晓丹 | 电子邮箱 | xdzhou@dlut.edu.cn | |||
| 移动电话 | 15840987176 | 通讯地址(含邮编) | 大连理工大学电信学部电工电子实验中心,116024 | |||
| 相关课程名称 | 数字电路与系统实验 | 学生年级 | 大二 | 学时(课内+课外) | 12(9+3) | |
| 支撑条件 | 仪器设备 | 大连理工大学远程实体操控数字电路实验箱 | ||||
| 软件工具 | 大连理工大学远程实体操控数字电路实验箱远程操作系统大连理工大学虚实结合实验教学考核系统大连理工大学国家级虚拟仿真实验教学中心实验教学管理系统大连理工大学国家级虚拟仿真实验教学中心实验室安全考核系统 | |||||
| 主要器件 | 计数器、FPGA芯片、显示数码管、显示译码器、开关、导线 | |||||