警戒线报警电路的设计与实现
实验题目:警戒线报警电路的设计与实现
1. 课程简要信息
课程名称:电子与通信技术
课程学时:2 学时
适用专业:电子信息工程及通信工程维护
学生年级:一年级第一学期
适用学生:5 个月培训
2. 实验内容与任务
设计一个模拟警戒线报警电路,工作电源为 5V直流电(学生电源),警戒线短接时,扬声器不发声,当警戒线被模拟撞断时,电路报警(扬声器响)。
要求:
1)要求画出原理图。选择合适的器件,搭接实验电路,留出必要的测试点。
2)设计一个简易开关控制电路,当模拟警戒线未被撞断与被撞断两种情况下呈现出截然不同的电路输出作为第一级控制电路,为后级电路工作状态提供符合实际需求的工作条件。
3) 完成三极管构成的振荡电路,根据驱动要求合理选用器件,使得振荡电路的输出频率在音频范围内(设计要求尽可能使得输出频率在人耳听声音最敏感的频率范围区,例如常见频率 1KHZ)。
4) 提高振荡电路输出端带负载能力,经放大后推动扬声器发声,实现最终的报警功能。
3.实验过程与要求
1) 课前预习。
回顾理论知识,查阅资料,复习三极管基本工作状态,掌握三极管工作在饱和区、放大区和截止区在电路中的不同作用。可选用仿真软件 Multisim 或 Proteus 对自己设计的电路进行仿真,观察振荡电路输出波形和频率。
思考:
$\textcircled{1}$ 给定晶体三极管,如何利用学过的知识判别它的好坏、三个极及类型,回顾三极管工作在三个区的条件和工作状态特点。$\textcircled{2}$ 三极管构成的开关电路的实现,要求合理选取参数值,使得开关性能最佳。$\textcircled{3}$ 怎样利用三极管构成自激式振荡电路,怎样实现输出频率的改变。$\textcircled{4}$ 怎样快速方便地提高放大电路的驱动能力。
2) 实验实施
预约模拟电路实验室,两人一组(也可单人单组)进行实验,根据思考的四个方向,确定实验电路方案,利用 Multisim 或 Proteus 对各部分电路进行仿真,选择合适的参数,画出电路图,按要求记录各部分电路实验数据,观察最终实验结果。
3) 课后总结提交报告
按规定提交实验报告,可分组讨论、学习交流不同解决方案的特点。
4.相关知识背景
这是一个覆盖了三极管三个区呈现出的不同工作状态且分三部分功能实现一个实际电路的典型案例,是三极管构成多种功能电路的巧妙结合,需要掌握三极管类型与极性判别、不同工作区的工作特点以及构成自激振荡电路、驱动电路的工作原理等相关三极管的基础知识,其中涉及到复合管的相关知识,功率放大电路的实现等后期教学知识点的衔接、扩充和延伸。
5. 教学目标与目的
1)熟悉晶体三极管多种功能的典型应用电路(知识目标)。
2)设计每一级电路,并进行整合、搭接及调试(技能目标)。
3)提升基础性实践技能、建立科学严谨的思维方式(素质目标)。
4)为后续综合设计实验打下牢固的基础(能力目标)。
6. 教学设计与引导
本实验为《电子与通信技术》课程中模拟电子技术基础这一部分的基本放大电路里第一个开放性趣味实验,在基本放大电路这一内容中进行实施,要经历查找资料、仿真计算、设计电路、调试功能等过程。
1)采取启发引导、自主探究、分组讨论的教学方式。
2)教学实施分为基本开关电路——三极管振荡和驱动电路两部分、四个阶段进行。
3)课时分配为课外自主,课内 2学时。
准备工作:预习查资料(课前完成);2 个课内学时(讨论方案,搭接电路、测量调试、总结收获)。
| 阶段 | 引导提示 | 方法手段 | 涉及知识点 | 备注要求 | 学时 |
| 第一阶段(预习准备) | 复习三极管的电流放大作用和开关作用,查阅资料,也可通过线上学习等方式了解三极管派生电路之振荡电路、复合管相关知识,阅读预习要求,可分组讨论设计方案,设计实验电路。 | 线上学习,查阅资料,尝试设计,也可借助Multisim或Proteus对设计电路进行初步仿真测试。 | 三极管电流放大;三极管三个区——饱和区,放大区,截止区工作条件;复合管电流放大系数;三极管振荡电路。 | 充分了解掌握三极管工作在三个区的要求和条件,了解振荡电路的工作原理。两部分电路整合,最终得出最佳方案(器件最少,构图最简单) | 自主 |
| 第二阶段(开关控制电路) | 可利用类型相同的两个三极管构成开关电路,使得三极管构成的开关电路饱和与截止状态更加彻底,开关特性更加良好 | 启发学员思考,三极管典型开关电路工作在饱和区管压降约为0.2V,怎样设计电路可以使得管压降逼近理想状态OV。 | 三极管工作在饱和区与截止区的条件与应用领域。 | 为了使得开关电路的性能良好,选择两个三极管构成(达林顿管)开关控制电路,由于工作电源为5V,NPN和 PNP 型晶体管设定上拉(或下拉)电阻时尽量大于10K,以确保开关性能良好。 | 30 min |
| 第三阶段(振荡电路和功放) | 利用三极管、电阻、电容构成振荡电路,注意输出频率在人耳能听到的频率范围内,并且尽可能落在更敏感的频率范围内。 | 可先利用Multisim或Proteus 对振荡电路进行仿真,合理选取参数,使得输出频率符合设计要求。 | 三极管振荡电路,复合管电流放大系数。 | 35min | |
| 第四阶段(总结、讨论、完成报告、验收评价) | 整合各部分电路,观察报警电路功能,记录实验现象,调试电路,故障处理心得体会,完善实验报告,验收评价。选做:可预约电子工艺实验室,尝试将自己设计的报警电路焊接成模块电路,体会手工焊接的过程,为下学期电子装配实验做好预习准备。 | 25min | |||
7.实验原理及方案
实验思路:第一级为三极管构成开关控制电路,此电路的输出决定着后一级振荡电路是否能够正常起振输出一个动态方波信号,若能够输出一个方波信号,将这个动态方波信号进行放大后再推动扬声器发声。
1)开关控制电路的实现三极管的开关作用:

图 1

图 2
截止状态:若加在三极管发射结的电压小于PN结的导通电压,基极电流为零,如图1,集电极电流和发射极电流都为零,三极管这时失去了电流放大作用,集电极和发射极之间相当于开关的断开状态,即为三极管的截止状态。开关三极管处于截止状态的特征是发射结,集电结均处于反向偏置。IB 趋近于 0 ( $\mathrm { \Delta V _ { B E } }$ 亦趋近于 0),C 极与 E 极间约呈断路状态, $\mathrm { I } _ { \mathrm { C } } = 0$ , $\mathrm { V } _ { \mathrm { C E } } { = } \mathrm { V } _ { \mathrm { C C } }$ 。
饱和状态:加在三极管发射结的电压大于 PN 结的导通电压,如图 2,且当基极的电流增大到一定程度时,集电极电流不再随着基极电流的增大而增大,三极管失去电流放大作用,集电极和发射极之间的电压很小,相当于开关的导通状态,即三极管的导通状态。三极管处于饱和导通状态的特征是发射结,集电结均处于正向偏置, $\mathrm { V } _ { \mathrm { C E } } { \approx } 0 \mathrm { V }$ 。
根据三极管工作的开关特性,首先得到简单的三极管开关电路,如图 3

图 3

图 4
在图3中,M点和 $_ \mathrm { N }$ 点之间模拟接线代替警戒线,当警戒线连接在一起时,由于 $\mathrm { R _ { B } }$ 电阻正好接在电源与地之间,故 M点电位被下拉到0V,三极管截止,输出端等于电源电压 $5 \mathrm { V }$ 。当 $\mathbf { M }$ 点与 $\mathbf { N }$ 点连线断开时, $\mathrm { R } _ { \mathrm { B } }$ 电阻(10K)上面的压降约为 4.35V(PN 结导通电压取 $0 . 6 5 \mathrm { V } $ ),基极电流为 $4 3 5 \mu \mathrm { A }$ ,而此电路中使得三极管处于饱和状态的集电极电流为 $5 \mathrm { V } / 5 \mathrm { K } { = } 1 \mathrm { m A }$ ,其中三极管的 $\beta { \geq } 5 0$ ,可算出基极饱和电流为 $2 0 \mu \mathrm { A }$ 。 $4 3 5 \mu \mathrm { A } > > 2 0 \mu \mathrm { A }$ ,有较大的基极电流(大于基极饱和电流)流动,因此使集电极流过更大的放大电流,三极管处于饱和状态,如此则 $\mathrm { \Delta V _ { C E } }$ 接近于 $_ { 0 \mathrm { { V } } }$ ,三极管的集电极和射极几乎呈短路状态。以下为推算计算过程:
当 M 点与 N 点连线断开时
若用 $\mathrm { U } _ { \mathrm { R B } }$ 表示 $\mathrm { R } _ { \mathrm { B } }$ 上的压降,IB(饱和)表示基极饱和电流, $\mathrm { I c }$ (饱和)表示集电极饱和电流。
对于硅材料二极管,PN 结导通电压取 $0 . 6 5 \mathrm { V }$ ,故 $\mathrm { U _ { R B } } { = } 5 \mathrm { V } { - } 0 . 6 5 \mathrm { V } { = } 4 . 3 5 \mathrm { V }$
$\mathrm { I _ { B } } { = } 4 . 3 5 \mathrm { V } / 1 0 \mathrm { K } { = } 4 3 5 \mu \mathrm { A }$ 。集电极电阻 $\operatorname { R c } { = } 5 \operatorname { K }$ 时,集电极最大电流(饱和时)即5V电压全都落在$\mathtt { R c }$ 上时的电流, $\mathrm { I c }$ (饱和) $= 5 \mathrm { V } / 5 \mathrm { K } { = } 1 \mathrm { m A }$ ,所选三极管型号为 3DG6B, $\beta { \geq } 5 0$ ,故根据集电极饱和电流,算出基极饱和电流 $\mathrm { I _ { B } }$ (饱和) $= \mathrm { I _ { C } } / \beta { = } 1 \mathrm { m A } / 5 0 { = } 2 0 \mu \mathrm { A }$
然后对比 $\mathrm { I _ { B } { = } } 4 3 5 { \mu } \mathrm { A } { > } { > } \mathrm { I _ { B } }$ (饱和) ${ = } 2 0 \mu \mathrm { A }$ ,故此电路连接情况下三极管处于饱和状态。
因为三极管由截止区过度到饱和区需经过线性区,若希望开关效果不会有明确的界线,使三极管开关的通断效果更为明显,可在原电路基础上进行改良,串接两个三极管(构成复合管),并调整电阻阻值,使得饱和与截止状态更加彻底,电路开关性能更加良好,如图 4。
说明:基极电阻和集电极电阻分别选择10K,5K,或者选30K,10K 时,经过计算都可以使得三极管在警戒线通、断时分别工作在截止区和饱和区,经过仿真也验证了这个结论。实测两种情况下的T2管截止时,管压降 $\mathrm { V _ { C E } }$ 都约为4.8V(接近5V),但是两组参数在T2管饱和时的管压降略有区别。以下为此种情况下两组参数的实测电路对比:
$\textcircled{1}$ 当模拟警戒线断开时,若基极电阻和集电极电阻分别为 10K、5K,T2 管压降(饱和)实际测量为0.45V(量程选择为 $\mathrm { D C } 0 . 5 \mathrm { V }$ ),如下图5所示:

图 5( $\mathrm { \cdot R _ { B } } { = } 1 0 \mathrm { K }$ , $\mathrm { R } _ { \mathrm { C } } { = } 5 \mathrm { K } .$ )
$\textcircled{2}$ 当模拟警戒线断开时,若基极电阻和集电极电阻分别为 30K,10K,T2管压降(饱和)实际测量为 $0 . 1 5 \mathrm { V }$ (量程选择为 $\mathrm { D C } 0 . 2 5 \mathrm { V } $ ),如图6所示:

图 6( $\mathrm { R } _ { \mathrm { B } } { = } 3 0 \mathrm { K }$ , $\scriptstyle \mathrm { R c = 1 0 K } .$ )
可以从实测 T2 管导通时管压降清楚地看出,在 $\mathrm { R } _ { \mathrm { B } } { = } 3 0 \mathrm { K }$ , $\operatorname { R c } { = } 1 0 \operatorname { K }$ 时,T2 管饱和导通时管压降更接近于0V,故最终将图3 作为三极管开关控制电路。
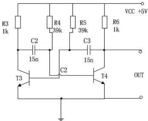
2)三极管构成的振荡电路

图 7 三极管振荡电路
如图7所示,三级管 T3 的集电极输出接在T4的基集输入上,T4的集电极输出又接在 T3 的基极输入上。电路接通电源后,通过基极电阻R4,R5同时向两个三极管T3、T4 提供基极偏置电流。使两个三极管都进入放大状态。两个三级管型号一样,呈对称状态,但电路参数总会存在微小的差异,也包括两个三极管本身,也就是说T3,T4在导通程度或在导通速度上不可能完全相同,假设T3 导通略快些,则T3管集电极电压就会降的略快些。这个微小的差异将被T4 管放大并反馈到T3管的基极,再经过T3 管的放大,形成连锁反应,迅速使T3管饱和,T4 管截止,C2左边的电位变成低电平“0”,C3右边的电位变成高电平“1”。
T3管饱和后相当于一个接通的开关,电容C2 通过它放电。C3通过它充电。随着 C2的放电,由于有正电源 $\mathrm { V _ { C C } }$ 的作用,T4管的基极电压逐渐升高,当电压达到0.65V(取硅材料 PN结导通电压)后,T4管开始导通进入放大区,电路中又会立刻出现连锁反应,使 T4 管迅速饱和,T3 管截止,C3右边电位变成低电平“0”,C2左边电位变高电平“1”。这个时候电容C3放电,C2充电。这一充放电过程又会使T3管重新饱和,T4管截止。如此周而复始,形成振荡。
其中R4,R5,C2,C3决定着振荡电路的周期,改变其数值即可改变振荡电路的输出频率。若需要输出的振荡电路频率约为 1KHZ,这里给出了两组参数,并通过仿真以及实物搭接电路对比得到的振荡波形,最终选择了其中一组参数取值完成振荡电路的设计,以下是两组参数的仿真对比以及实物电路对比。
A 组参数取值:R4,R5:6.2K;C2,C3: $1 0 0 \mathrm { n F }$ ,计算得到的周期理论值:
$\mathrm { T } { = } 0 . 7 \mathrm { R C } { \times } 2 { = } 8 6 8 \mu \mathrm { s }$ , $\mathrm { f { = } } 1 . 1 5 \ : \mathrm { K H Z }$ 。

振荡电路仿真情况如图 8所示:
图 8(A 组振荡电路仿真图及波形)

图9 (A 组实测振荡波形图)
显然,无论仿真也好,实物搭接也好,得到的振荡波形不是很理想,在方波上升沿明显不够陡峭。
B 组参数取值:R4,R5 为 39K,C2,C3 为 $1 5 \mathrm { n F }$ 。
计算得到的周期理论值 $\mathrm { T } { = } 0 . 7 \mathrm { R C } { \times } 2 { = } 8 1 9 \mu \mathrm { s }$
f=1.22 KHZ
振荡电路仿真如图 10 所示:

图 10(B 组振荡电路仿真图及波形)

图11(B组实测振荡波形图)
通过对比,A、B 两组参数在理论计算上都能使得振荡波形输出频率约为 1 KHZ,但后者得到的振荡波形效果更加理想一些,故选择后一组参数。(R4,R5可取不同阻值,或改变C2,C3,得到占空比不同的矩形波)
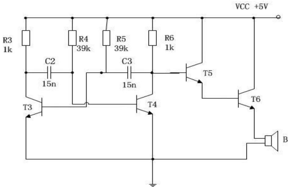
(3)振荡电路和驱动电路
单管放大电路中输出电流大约在几毫安,若采用两个三极管(例如NPN 型)构成复合管之后,由于复合管电流放大倍数 ${ \beta } { = } { \beta } 1 \ { \cdot } \ { \beta } 2$ ,即两个三极管电流放大倍数之积,大大提高了电流放大能力,故具有较强的驱动负载的能力,可以用来实现报警电路最后一级驱动扬声器发声的电路。晶体管组成复合管通常有四种方式,同类型的晶体管(例如NPN型),可以组成两种方式,这里采用两只NPN型晶体管构成驱动电路,并连接上一级三极管振荡电路,如图12所示。

图 12(振荡、驱动电路)
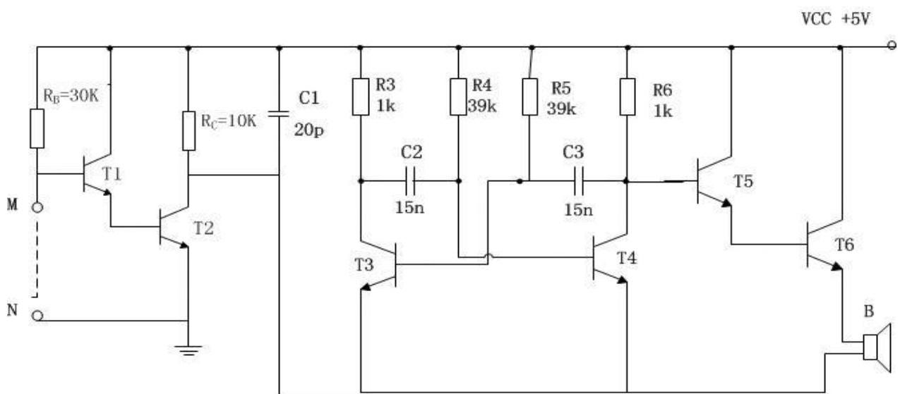
三极管构成开关控制电路——三极管构成的振荡电路——三极管构成的驱动电路,实现了三极管在不同类型电路中的作用,前后级电路整合在一起,得到最终的警戒线报警电路,如图 13 所示:

图13 警戒线报警电路图
当 M 点和 N 点之间短接时:
开关控制电路中T1截止,T2 也截止,T2 集电极输出为 5V,此时,中间级振荡电路由于T3、T4管发射极为5V而不满足振荡条件,振荡电路不起振,T4 管集电极(振荡电路输出)不输出方波信号,扬声器不发声。
当 M 点和 N 点之间被模拟撞断(断开)时:
开关控制电路中T1饱和,T2 饱和,T2集电极输出约为 0V,此时,中间级振荡电路由于T3、T4管发射极为0V,不满足振荡条件,振荡电路起振,T4管集电极(振荡电路输出)输出 1KHZ方波信号,推动扬声器发声,实现了电路的报警的功能。
其中各个元件参数图下如表所示
表 1 电气元件参数表
| 序号 | 器件名称 | 图中标号 | 型号规格 | 数量 |
| 1 | 三极管 | T1~T5 | 3DG6B β≥50 | 5 |
| 2 | 三极管 | T6 | 3DG130B β≥50 | 1 |
| 3 | 瓷介质电容 | C1 | 20p 50V | 1 |
| 4 | 瓷介质电容 | C2、C3 | 0.015μF50V | 2 |
| 5 | 碳膜电阻 | R1 | 30KΩ | 1 |
| 6 | 碳膜电阻 | R2 | 10KΩ | 1 |
| 7 | 碳膜电阻 | R3、R6 | 1KΩ | 2 |
| 8 | 碳膜电阻 | R4 | 39KΩ | 1 |
| 9 | 碳膜电阻 | R5 | 39KΩ | 1 |
| 10 | 扬声器 | B | 8~16Q | 1 |
8.教学实施进程
1)分组讨论、设计电路
根据学员个人兴趣和学习情况,分组讨论,可两人一组。查阅资料文献,小组讨论,得出设计电路整体框架图,并对设计方案的重点电路进行参数的对比和选择、计算,说明方案设计的思路及参数选择的依据。
2)电路的连接与测试
画出电路图,搭接电路,完成后可分级测试输出。
3)成果验收
在实验完成后,组织学员以互评讨论等形式进行交流,按照评分标准进行评分。
9.实验报告要求
1)实验需求分析
根据实验任务,了解内容,熟悉所需理论知识和设计所用的器件等。
2)实验方案论证查阅资料,小组讨论,设计电路的整体框架,得出设计方案。
3)理论推导计算描述在设计过程中所需设计参数的计算过程。
4)设计仿真分析对设计的各级电路进行仿真,并分析仿真结果,结合实际电路进行比对。
5)电路参数选择在电路设计过程中,参数选择要有说明或计算。
6)实验结果总结
写出实验报告,对实验结果进行总结,各组对实验电路作出评价。
10.考核要求与方法
考核主要以实验电路评分表(表 2)、实验报告评分表(表3)为依据,学生必须在规定时间内验收,每组验收次数不得超过两次。成绩评定如下:
实验电路(70 分);实验报告(30 分)
表 2 实验电路评分表
| 实验名称 | 警戒线报警电路的设计与实现 | ||||||
| 学员情况 | 学生姓名 | 学号 | 联系方式 | 备注 | |||
| 实验电路情况 | 评分要点 | 分值 | 得分 | 备注 | |||
| 开关控制电路 | M、N断开时,T2管的电压(理论值0V) | 10分 | |||||
| M、N连接时,T2管的电压(理论值5V) | 10分 | ||||||
| 三极管振荡电路 | 输出有接近方波的振荡波形(波形测试)①电路能够起振(10分)②方波形状良好(4分)③频率符合要求(4分) | 18分 | |||||
| 输出频率在500HZ—2KHZ(频率测试)①会熟练运用示波器测量信号频率(9分)②会利用光标卡尺功能(3分) | 12分 | ||||||
| 振荡和驱动电路 | 振荡电路有输出时,扬声器发声 | 5分 | |||||
| 振荡电路无输出时,扬声器不发声 | 5分 | ||||||
| 综合效果 | M、N断开时,扬声器发声 | 5分 | |||||
| M、N断开时,扬声器发声 | 5分 | ||||||
| 总分 | 完全符合设计总要求 | 70 | |||||
表 3 实验报告评分表
| 实验名称 | 警戒线报警电路的设计与实现 | ||||||
| 学员情况 | 学生姓名 | 学号 | 联系方式 | 备注 | |||
| 实验报告 | 考核部分 | 评分点 | 分值 | 得分 | 备注 | ||
| 方案选取 | 电路设计完整、合理、可行①开关控制部分(4分)②振荡驱动部分(4分) | 8分 | |||||
| 理论计算 | 公式运用合理,理论计算正确IB(饱和)(2分)IC(饱和)(2分)UCE(1分)T或f(2分) | 7分 | |||||
| 仿真设计 | 仿真模型准确,对实践电路有参考价值 | 5分 | |||||
| 参数选取 | 参数选取合理,符合设计要求 | 5分 | |||||
| 实验结果 | 实验结果分析正确 | 3分 | |||||
| 总结其他 | 实验报告完整规范含电路图、波形图、仿真图 | 2分 | |||||
| 总分 | 30分 | ||||||
11.项目特色或创新
晶体管工作在放大区是模拟电子技术基础重点讨论的内容,当晶体管工作在饱和区和截止区时电路也可实现其他功能,完美完全完善地利用三极管的饱和、放大、截止功能,设计简单可行生动有趣的实际电路,使三极管功能电路更加饱满。本次实验用最基础的元器件设计带有趣味性的实际电路,弱化了验证性的实验模式,针对学生层次,强化自主探究式的开放性实验模式,激发学生自主探索的兴趣,在设计电路过程中体会小小器件的大大不同,加深对三极管工作状态的理解,为下一阶段的复合管派生电路与功率放大电路的学习做好了指引和铺垫。
| 案例提供单位 | 国防科技大学信息通信学院试验训练基地 | 相关专业 | 电子类所有专业 | |||
| 设计者姓名 | 张璐雅 | 电子邮箱 | 125993301@qq.com | |||
| 移动电话 | 15829054073 | 通讯地址(含邮编) | 陕西省西安市长安区王曲镇光明路甲字5号710106 | |||
| 设计者姓名 | 赵静 | 电子邮箱 | jingjingketty @163.com | |||
| 移动电话 | 15319767158 | 通讯地址(含邮编) | 陕西省西安市长安区王曲镇光明路甲字5号710106 | |||
| 设计者姓名 | 邢动秋 | 电子邮箱 | 275549996@qq.com | |||
| 移动电话 | 13379058805 | 通讯地址(含邮编) | 陕西省西安市长安区王曲镇光明路甲字5号710106 | |||
| 相关课程名称 | 电子与通信技术 | 学生年级 | 大一 | 学时(课内) | 2 | |
| 支撑条件 | 仪器设备 | 数字示波器、万用表、电子技术综合实验箱、面包板 | ||||
| 软件工具 | Multisim | |||||
| 主要器件 | 碳膜电阻电阻、瓷介质电容 | |||||
| 三极管(3DG6B、3DG130B) | ||||||
《电子与通信技术》课程标准
一、课程性质与目标
《电子与通信技术》是电子信息及通信工程专业 $\times \times \times$ 必修的一门基础课程,是衔接后期专业课的桥梁,包含了电子技术与数字通信的基础基本知识,培养 $\times \times \times$ 的专业基础能力,为进一步学习专业课程奠定良好的基础。
掌握电路的基本概念、基本定律定理、基本理论,学会电路的分析和计算的一般方法;了解电子元器件的性能,能识别与检测常用电子元器件;能够使用常用电工仪表及常用电子仪器仪表来检测电子线路;掌握典型模拟电路的组成及工作原理,掌握典型数字电路的组成及工作原理;理解通信系统的基本原理和主要特点,建构起数字通信的基本认识和概念。
二、课程主要内容及实施方式
知识目标和重点
| 序号 | 知识目标(知识单元) | 知识子目标(知识点) | 教学重点 | 学习目标 | 学习实现环节 |
| 1 | 电工学基础 | 电路的基本概念 | 电路模型、主要物理量、基本元件、电路基本定律 | 知道电路模型;掌握电路主要物理量和基本元件;掌握电路基本定律的概念和实验验证 | 课堂讲授实践操作 |
| 直流电阻电路 | 电阻的串并联电路、网孔电流法、戴维南定理、最大功率传输定理 | 掌握直流电阻电路分析各种方法和实验验证方法 | 课堂讲授实践操作 | ||
| 正弦交流电路 | 基本概念、交流电路功率、谐振电路、 | 掌握正弦交流电的三要素概念,了解交流电路功率的分类,认识谐振电路的特点, | 课堂讲授实践操作 | ||
| 供电安全与安全用电 | 供电与照明线路安装、安全用电常识 | 掌握单相电入户照明线路的安装;知道安全电压,掌握安全操作常识; | 课堂讲授实践操作 | ||
| 2 | 模拟电子技术基础 | 基本放大电路 | 半导体二极管、晶体三极管、场效应管、基本共射放大电路、放大电路的微变等效电路 | 掌握半导体二极管、晶体三极管的结构、类型、伏安特性;认识场效应管;掌握基本共射放大电路的组成结构和分析方法;掌握实验搭建放大电路的方法;能够设计简单实验体会晶体管的功能(可选) | 课堂讲授实践操作 |
| 集成电路、 | 集成电路简介、 | 了解集成电路概念;掌握负反馈放大电路 | 课堂 | ||
| 负反馈及功放电路 | 负反馈放大电路、线性应用电路、比较器、正弦振荡电路、低频功率放大器 | 的结构和分析方法;认识线性应用电路、比较器、正弦振荡电路、低频功率放大器;掌握实验搭建负反馈放大电路的方法 | 讲授实践操作 | ||
| 直流稳压电源 | 单相整流电路、滤波电路、稳压电路 | 掌握直流稳压的四个过程,单相整流电路、滤波电路、稳压电路;掌握实验搭建直流稳压电路的方法 | 课堂讲授实践操作 | ||
| 3 | 数字电子技术基础 | 数字逻辑基础 | 模拟量与数字量、数制、码制、逻辑函数、逻辑代数的基本定律 | 掌握模拟量与数字量的区别,掌握数制、码制的概念;掌握逻辑函数的化简方法 | 课堂讲授 |
| 组合逻辑电路 | 基本逻辑门电路、常见的组合逻辑电路、及其应用 | 掌握常见的组合逻辑电路的组成;实验搭建中规模组合逻辑电路 | 课堂讲授实践操作 | ||
| 时序逻辑电路 | 集成触发器、集成计数器 | 掌握集成触发器的含义和表示符号;学会搭建时序逻辑电路 | 课堂讲授实践操作 | ||
| 数/模和模/数转换器原理及应用 | 数/模和模/数转换器 | 理解数/模和模/数转换电路构成和原理 | 课堂讲授实践操作 | ||
| 4 | 数字通信 | 数字通信概述 | 通信及通信系统的组成、数字通信的特点 | 掌握数字通信系统模型及各部分作用;掌握数字通信有效性和可靠性指标 | 课堂讲授 |
| 数字信号的基带传输 | 数字基带信号的传输码型、基带传输系统 | 掌握数字基带信号的传输码型;熟悉基带传输系统概念和特点 | 课堂讲授 | ||
| 编码 | 信源编码、信道编码、常用检错码 | 掌握低通信号的抽样定理;理解非均匀量化的概念;掌握PCM编码原理 | 课堂讲授 |
三、课程学习时间安排
本门课分为理论讲授和实验操作两部分,各模块所占学时分配如下:
| 序号 | 模块 | 章节知识要点 | 理论(学时) | 实验(学时) | 合计 |
| 1 | 电工学基础 | 电路的基本概念 | 2 | 2 | 4 |
| 直流电阻电路 | 4 | 2 | 6 | ||
| 正弦交流电 | 2 | 2 | 4 | ||
| 安全用电知识 | 2 | 2 | 4 | ||
| 2 | 模拟电子技术基础 | 基本放大电路 | 6 | 6 | 12 |
| 功率放大电路 | 2 | 2 | 4 | ||
| 直流稳压电源 | 2 | 2 | 4 | ||
| 3 | 数字电子技术基础 | 数字逻辑基础 | 2 | 2 | |
| 组合逻辑电路 | 2 | 2 | 4 | ||
| 时序逻辑电路 | 2 | 4 | 6 | ||
| 数/模和模/数转换电路 | 1 | 1 | 2 | ||
| 4 | 数字通信 | 数字通信概述 | 4 | 4 | |
| 数字信号的基带传输 | 2 | 2 | |||
| 编码 | 2 | 2 | |||
| 合计 | 35 | 25 | 60 |
四、课程考核
(一)考核安排
考核方式:终结性考核相结合
组织方式:笔试部分在全部课程授课完毕后采用闭卷形式,参考时间 1 小时。成绩评定:百分制
(二)单元分配关系
理论考核知识点配分比
| 序号 | 知识单元 | 分值 |
| 1 | 电工学基础 | 30 |
| 2 | 模拟电子技术基础 | 35 |
| 3 | 数字电子技术基础 | 20 |
| 4 | 数字通信 | 15 |
| 总计 | 100分 |
(三)课程教学条件
1.多媒体教室
2.院内自编教材
3.实验室配备配套实验仪器,至少满足两人一组
4.授课教员编写和修改实验指导书
附件:
1.抽取学生实验报告
实验名称
队 区队作者李相学号同作者即一凡
成绩<7教员日期:年月日
一实验目的
$1 .$ 掌握三板管构成开关电路的方法;2因三极管工作在三个区工作条件的迭取,了解三极管构成振荡电路的工作原理反简单的驱动电路的构成方法。
2.巩固三极管构成多种电路的工作原里及相关三极管的基础知识,为后续集成功率放大电路等内容的学习做的谁备
3.学试设计分步模块电路并整合,搭试、测量.为综分没计实验打好基础
二.实验原理
1.三极管的开关作用

截止状态:当基极电位为OV,则发时结电压小于PN结寻通 电压1极,电极和发射极开 断开,三处快 $I _ { c } = 0$ ,约
实验名称
队区队作者 学号同作者
成绩 教员
被4放大并反馈到T的基极,再经T3的放大,形成连锁反应,迅速使T饱和,T4截止,C2左边电位变为“0”,C右边变为1”。当T饱和后相当于一个接通的开失,电容C通过它放电,C3边过它轮电。随着C2的放电,由于VCC作用,74的基极电压逐浙升高,当电压达到0.7后,74开始导通进入放大区,电路中会出现连锁反应,还连纪和.下截止,C右边电位变成低由平“0”,C2左边电位变为1”。此时,C放电,C充电。这一充放电过得又会使反重新饱和,74截止,形成振荡R4,Rs,C2.C决定着拆荡电路的围期,改变其数值即可改变振荡电路的揄也钡率。
R.Rs取62KCC为10onF 则振物周其月T=0.7RC×2=868-us
f=1.15kHz
(3)振荡电格和功政电路
预个NPN管构成复合饰以后,电流放大传数电流放大能力,故能力,发付极极并过接上一级的三极管振荡电路,如下用所示(在后质)
实验名称

饰和状态:当三极管发射结电压大于PN结导通电压、且当基极电流增大到一定程使时,集电极电流不再随着基极电流豹增大而增大三极管共去电流放大作用,此时、集电极与发射极之调电压(管压降)很小,相当于开关的寻通状态三极管处于饱初等通状态的特征是发射结,集电结均处于正向偏置,VcEOv
2.三极管构成的拆荡电路三极管T的集电极输出接到T4的基极输入上,74的集电极输出又接在的基极输入上。电路接通电源庐,通过基极电阻R4,R5间时向的个三极管、T4提供基极偏置电流,使两个三极都进入放大状态。及修生型一样,生对物状态,但在,在在寻通成不可能全相同,资奋寻遍快造,則下,电极电压就会降的快煌,这微小异

实验名称


图于点为测试点,走两般级电略连接点。加上第一级最终极管构成的开关电路,就组成:开关控制一拆驾一动海完整电路办统,实现模拟醛界线报登电路,如下图所永.


实验名称
队 区队作者 学号同作者
成绩教员日期:年月日
RPJB(兜初)=10uA 假没T的PN结寻通 若使饱扣,则B级著输人电压VB=IB(地和)·RB+0.65V.① 申路中VBB与VcC接在-,为5V
则推出IB(吧和)=0、145mA=145-A怕界即由]c电且为10k,推出比时2B=10uA:7即可饱和
时B=145uA(当RB=30k时) 145-uA>10uA故遥择RB=3o,Rc=10K,作为三极筛组成开关电略的电阻
三,实验内容与骤

1.三极管组成开关电路.经过数据计算,得到三级陪开关电路,如右图所办2.M.N之间模拟瑩戒用线当M.N之间连接时,测C、D西点间电压:当M3间断开时之间电压,检验开关性
实验名称
实验名称
队区队作者 学号同作者
成绩教员日期:年月日

三极馆的性能,以及工作在不同区时当现出的不同电路效果,并了解了复分管相关知识,以及三极管拘成功放电路的知识,在没汁过能中,通过理记的计算,推算,砌定务敬,并经过实测电路进行验证.最终完成电路的没汁擦接,测试,收到了张期的效果,道过实验,也对仿真软件等2具有了更加热总的运用,对一个完整的非单级电路分梭快构建,也锻炼了动手能力,的用队协作能力。
2.搭接三极管拆荡电路用亦波器测懂图2中E、点的波形,观寐波形国像,测量据竭电路的周期、频率用光标卡尺读取充放电时间,恩考,若要使充放电时间不相同,应该怎样修改电路参数.(波形图见后面)

3.在振荡电路之后接入犯动电路,并接妇扬声器当推高信分送入驱动电路之后,录电路效果抗场信务未接入驱动电路时进行对比并记录.
扬声器送择8541652
4.构成完整的报警电路.如图5.
接通电源,测试电路功能。
调试时、可先断开开关挖制电路,即T2集电极处,用万用表监测T对地的电压(集电极)。接通电源,当M.N点短接时,集电极电极压应的力5V,(截止),当m.N断开时,此建压应约为OV。
然后接上下的连线,当M,N短接时,扬声卷应不响,M.N断升时,扬声发声,基发现为考不响,可推查后级抗马电路舱出(点)及扬多容是良好.
四通过用三极修组成的不用功能的电路,更加了解,热总.
实验名称




实验名称
队 区队作者 学号同作者
成绩


实验名称
队区队作者 学号同作者
成绩教员日期:年月日

2.评分表
实验电路评分表
| 实验名称 | 警戒线报警电路的设计与实现 | |||||||
| 学员情况 | 学生姓名 | 学号 | 联系方式 | 备注 | ||||
| 李阳 | 201911113419 | |||||||
| 邵一凡 | 20191111343 | |||||||
| 实验电路情况 | 评分要点 | 分值 | 得分 | 备注 | ||||
| 开关控制电路 | M、N断开时,T2管的电压(理论值0V) | 10分 | 9 | 读数 | ||||
| M、N连接时,T2管的电压(理论值5V) | 10分 | 10 | ||||||
| 三极管报荡电路 | 输出有接近方波的振荡波形(波形测试)①电路能够起振(10分)②方波形状良好(4分)③频率符合要求(4分) | 18分 | 15 | 波形不理想 | ||||
| 输出频率在500HZ-2KHZ(频率测试)①会熟练运用示波器测量信号频率(9分)②会利用光标卡尺功能(3分) | 12分 | 10 | 光标功能山 | |||||
| 振荡和驱 | 振荡电路有输出时,扬声器发声 | 5分 | 5 | |||||
| 动电路 | 振荡电路无输出时,扬声器不发声 | 5分 | 5 | |||||
| 综合效果 | M、N断开时,扬声器发声 | 5分 | 5 | |||||
| 、N断开时,扬声器发声 | 5分 | 5 | ||||||
| 完全符合设计总要求 | ||||||||
实验报告评分表
| 实验名称 | 警戒线报警电路的设计与实现 | ||||||
| 学员情况 | 学生姓名 | 学号 | 联系方式 | 备注 | |||
| 李阳 | 201911113419 | ||||||
| 邵一凡 | 201911113432 | ||||||
| 实验报告 | 考核部分 | 评分点 | 分值 | 得分 | 备注 | ||
| 方案选取 | 电路设计完整、合理、可行①开关控制部分(4分)②振荡驱动部分(4分) | 8分 | 6 | 应有对比 | |||
| 理论计算 | 公式运用合理,理论计算正确IB(和)(2分)IC(和)(2分)UcE(1分)T或f(2分) | 7分 | 7 | ||||
| 仿真设计 | 仿真模型准确,对实践电路有参考价值 | 5分 | 5 | ||||
| 参数选取 | 参数选取合理,符合设计要求 | 5分 | 4 | 基本合理 | |||
| 实验结果 | 实验结果分析正确 | 3分 | 3 | ||||
| 总结其他 | 实验报告完整规范含电路图、波形图、仿真图 | 2分 | 2 | ||||
| 总分 | 30分 | 27 | |||||
3.实际搭接电路图:

4.部分仿真图
(1)三极管振荡电路仿真(之一):

(2)三极管振荡电路仿真(之二):

(3)三极管开关作用仿真:

