超声波测距系统设计
实验题目:基于 51 单片机的超声波测距系统设计
1. 课程简要信息
电子技术是我校机电、车辆、测控等专业学生在大三开设的一门非常重要的专业基础课,课程总学时为 56 学时,其中基础实验占 12 学时,是一门理论与实践紧密相结合的课程。本实验是课程以外拓展学生知识面,培养学生综合能力,由学生自愿参加,自主完成的实验项目。
2. 实验内容与任务(限 500 字)
实验内容:
1)以 AT89C51 单片机为控制核心,配合超声波发射和检测电路、按键控制、数据采集、数码管显示、报警等模块,再配以系统相关的零部件和软件程序,实现基于51 单片机的超声波测距和越线报警的功能;
2)使用单片机控制超声波的发射与接收模块,实现传感器与障碍物之间距离的测量;
3)采用12MHz高精度的晶振,实现准确计时;
4)采用简单实用的 LED数码管作为显示电路,显示测量结果;
5)设置报警功能,当传感器与障碍物之间距离小于设定值,蜂鸣器发出报警信号。
实验任务:
(1) 设计并实现高精度的超声波测距功能;
(2) 设计并实现准确的数码显示功能;
(3) 设计并实现越线报警功能;
(4) 设计并实现报警距离设置功能。
3. 实验过程及要求(限 300字)
1)通过查阅资料学习和了解不同软/硬件方式下,实现系统方案的方法,并确定实验元器件;
2) 掌握单片机最小系统模块、超声波发射/接收芯片的使用,并选择电容、晶振、LED 显示电路、
驱动电路、报警电路等;
3) 制作硬件电路,并测试调试,优化电路参数,记录测试结果;
4) 设计系统程序流程图,在程序中实现各模块功能;
5) 设计电路并优化、仿真,记录仿真结果,系统调试无误绘制 PCB图;
6) 焊接并调试电路,测试电路的运行结果;
7) 撰写设计报告,阐明电路设计方案、过程、数据及结果分析等;
8)展示作品,并通过分组演讲,学习交流不同解决方案的特点。
4. 相关知识及背景(限 150 字)
超声波测距是利用超声波的可定向发射、指向性好等特性、运用传感器及检测技术、信号放大、数据显示、参数设定等相关知识与技术方法,来实现的非接触式检测方式。超声波测距系统在使用中不受光线、电磁波、粉尘等因素影响, 并具有信息处理简单、成本低、精度高等优势,所以在避障、定位、倒车雷达等领域应用十分广泛。
5. 教学目标与目的(限 100 字)
综合考察学生对单片机技术、电子技术等相关知识的掌握,引导学生夯实基础的同时拓展知识视野;引导学生根据需要设计电路、选择元器件,构建测试环境,通过测试与分析对实验做出技术评价并尝试用多种方案实现电路。
6. 教学设计与引导
对系统的设计任务进行具体分析,仔细研究题目,明确设计和实验要求,充分理解题目的要求、每项指标的含义。
针对系统提出的任务、要求和条件,查阅资料,广开思路,提出尽量多的不同方案,仔细分析每个方案的可行性和优缺点,加以比较,从中选取合适的方案。
将系统分解成若干个模块,明确每个模块的功能、各模块之间的连接关系及实现方法等。构建总体方案与框图,清晰地表示系统的工作原理,各单元电路的功能及各单元电路间的关系。
1)我们为什么要做这个实验?不仅仅是考查所学知识。例如应用超声波测量距离,可以应用在哪些领域?如何应用?
2) 掌握电路的基本模型和设计方法,自行设计电路及其参数。
3)加深对超声波发射/接收、LED 数码显示、定时器、报警电路、时钟脉冲等概念的理解,设计表格,测量并记录相关数据。
4) 在电路设计、搭试、调试完成后,必须要用标准仪器设备进行实际测量,观测数据等,记录数据的同时用照片记录相关结果。
5) 尝试设计故障场景,让学生找出问题所在,分析和总结错误的结果,使学生加深对相关电路和概念的理解。
6)在实验完成后,组织学生以项目演讲、答辩、评讲的形式进行交流,了解不同解决方案及其特点,交流在实验过程中出现的问题及解决方法等,拓宽知识面。
7)讲解一些超出目前知识范围的解决方案,鼓励学生学习并尝试实现。
在设计中,要注意学生设计的规范性;如系统结构与模块构成,模块间的接口方式与参数要求;在调试中,要注意工作电源、参考电源品质对系统指标的影响,电路工作的稳定性与可靠性;在测试分析中,要分析系统的误差来源并加以验证。
7. 实验原理及方案
1) 系统结构

$\textcircled{2}$ 原理图

原理图
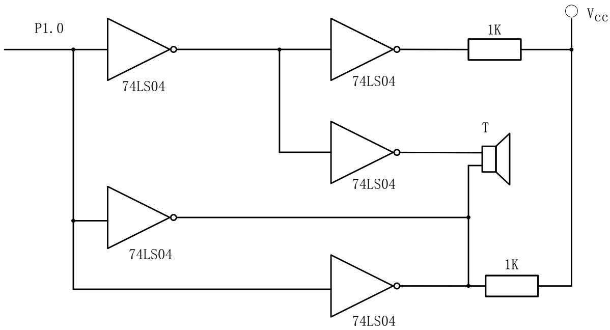
$\textcircled{3}$ 超声波发射电路原理图

超声波发射电路图
$\textcircled{4}$ 超声波接收电路图

$\textcircled{5}$ 主程序框图

主程序流程图
$\textcircled{6}$ 定时中断与外部中断子程序流程图

定时中断子程序流程图
外部中断子程序流程图
2) 实现方案
首先,确定系统总体设计。超声波测距系统设计任务所需的控制系统并不复杂,硬件设计使用一种带2K字节闪存可编程可擦除只读存储器的 AT89C51 单片机,可反复擦除只读存储器 1000 次。该器件采用 ATMEL 高密度非易失存储器制造技术制造,与工业标准的 MCS-51 指令集和输出管脚相兼容,能方便与MCS-51系统单片机连接。测距设计采用超声波发射/接收模块。超声波发射模块利用压电晶体谐振工作,有两个压电晶片和一个共振板。当两极外加脉冲信号频率等于压电晶片的固有频率时,压电晶片会产生共振,并带动共振板振动产生超声波。接收模块采用 CX20106A 集成电路,是一款红外线检波接收的专用芯片。
电源采用12V 电池供电;考虑到电路可能产生的电压降,可以通过USB线连接手机充电宝或手机充电器来提供电源。
其次,设计系统的硬件部分。它由单片机最小系统模块、超声波发射/接收模块、显示电路、报警电路、继电器驱动模块等电路组成。
1、单片机最小系统是能够让单片机工作的最小硬件电路,除了单片机外,还包括复位电路和时钟电路。复位电路是用于将单片机内部各电路的状态复位到初始值。时钟电路为单片机提供基本时钟,因为单片机内部由大量的时序电路构成,没有时钟脉冲即“脉搏”的跳动,各个部件将无法工作。51 单片机要复位只需要在第 9 引脚接个高电平持续 $2 \mu \mathrm { s }$ 就可以实现,在系统中,系统上电启动的时候复位一次,当按键按下的时候系统再次复位,如果释放后再按下,系统还会复位。所以可以通过按键的断开和闭合在运行的系统中控制其复位。时钟电路用于产生单片机工作所需要的时钟信号,在单片机内部有一个高增益反相放大器,其输入端引脚XTAL1,其输出端引脚为XTAL2。只要在XTAL1 和XTAL2 之间跨接晶体振荡器和微调电容,就可以构成一个稳定的自激振荡器。结构中的 X1、C1、C2 可以根据情况选择 6MHz、12MHz 或 $2 4 \mathrm { M H z }$ 等频率的晶振,补偿电容通常选择 30pF左右。
2、超声波发射模块由超声波发射换能器能向外界发出 $4 0 ~ \mathrm { k H z }$ 左右的方波脉冲。单片机 P 1.0端口输出方波脉冲信号,由于单片机端口输出功率不够,由推挽式电路进行功率放大以便使发射距离足够远,满足测量距离要求,最后送给超声波发射换能器以超声波形式发射到空气中。
3、集成芯片 CX20106A 在接收部分电路中起了很大的作用 。接收的回波信号先经过前置放大器和限幅放大器,将信号调整到合适幅值的矩形脉冲,由滤波器进行频率选择,滤除干扰信号,再经整形,送给输出端 7脚。当接收到与 CX20106A滤波器中心频率相符的回波信号时,其输出端 7脚输出低电平,直接与 INT0 相连, 以触发中断 。
4、显示电路采用简单实用的 4 位共阳极 LED 数码管,用三极管驱动。
5、报警部分采用一个蜂鸣器,由单片机输出一定频率的信号,经过一个三极管的放大,再连接到蜂鸣器,实现报警功能。
第三、测距分析。当超声波发射器发射超声波时,同时也开始计算时间,传输过程中的超声波遇到障碍物立刻反射,反射波会传送到超声波的接收器,接收器同时也会停止计时。超声波在空气的传输速度是 $3 4 0 \mathrm { m } / s$ ,根据计时器显示的时间t,可以得出障碍物和车的距离s,即: $s = 3 4 0 \mathrm { t } / 2$ 。
第四、设计系统软件。系统主程序包括主函数,调最大、最小距离调用函数,按键调用函数,报警调用函数,数码显示函数,定时器函数,超声波发射子函数,超声波接收中断子函数等。
第五、制作系统与调试系统。利用仿真软件,画电路图并优化电路,对各个元件进行参数值的设定,然后进行系统的仿真。焊接并调试连接,测试系统功能。
8. 教学实施进程
1) 任务安排:教师给出任务、要求和条件,由学生自主选择,确定实验小组成员,1 天内上报名单;
2) 预习自学:对系统的设计任务进行具体分析,查阅资料,仔细研究题目,明确设计和实验要求,充分理解题目的要求,1 周时间完成;
3) 现场教学:教师用 2 学时授课,说明实验的目的,要求学生完成的情况,实验最终完成的时间以及实验结果的呈现形式等,并回答学生的疑问;
4) 实验实施:学生以小组为单位,在实验课和课余时间进行实际的电路设计、搭试、安装、焊接、编程、调试,2周内完成;
5) 分组研讨:针对各个小组出现的不同问题进行课堂讨论,让学生找出问题所在,使学生加深对相关电路和概念的理解;
6) 现场操作:在制作完成后,必须要用标准仪器设备进行实际测量,观测数据等,记录数据的同时用照片记录相关结果,尝试设计故障场景,分析和总结错误的结果,并记录相关数据;
7)结果验收:以实物和实验报告作为实验的验收标准,根据学生的具体完成情况给出相应的成绩,本项成绩占总实验成绩的 $7 0 %$ ;
8) 总结演讲:要求学生根据本组的实验情况,以项目演讲、答辩、评讲的形式进行交流,了解不同解决方案及其特点,交流在实验过程中出现的问题及解决方法等,拓宽知识面,教师给出答辩成绩,本项成绩占总实验成绩的 $3 0 %$ ;
9) 报告批改:教师批改学生的实验报告,汇总实验成绩。
9. 实验报告要求
实验报告需要反映以下工作:
1) 实验需求分析:是否具有实际意义,是否与课程紧密相关,正确的理解项目要求;
2) 实现方案论证:总体方案的合理性,功能与性能指标的完整程度;
3) 理论推导计算:公式的正确性,影响因素的处理,科学的计算分析;
4) 电路设计与参数选择:硬件设计、软件设计、器件选择、参数计算;
5) 电路测试方法:是否能实现设计要求,如何排除故障;
6) 实验数据记录:表格合理,数据清晰;
7) 数据处理分析:结果计算分析;
8)实验结果总结:产生误差原因及其消除方法,心得体会。
10.考核要求与方法(限 300 字)
1) 实物验收:功能与性能指标的完成程度(如距离测量精度、控制精度),完成时间。
2) 实验质量:电路方案的合理性,焊接质量、组装工艺。
3) 自主创新:功能构思、电路设计的创新性,自主思考与独立实践能力。
4) 实验成本:是否充分利用实验室已有条件,材料与元器件选择合理性,成本核算与损耗。
5) 实验数据:测试数据和测量误差。
6) 实验报告:实验报告的规范性与完整性。
11.项目特色或创新(可空缺,限 150 字)
项目来源于汽车倒车雷达预警系统,具有实用价值和一定工程意义;学生综合、系统地应用已学到的单片机技术、模拟电路、数字电路的知识,设计电路、编程、实现电路并测试;学生不仅扩展新知识的学习,而且培养综合运用能力,增强独立分析与解决问题的能力,更进一步培养学生严肃认真的工作作风和科学态度。
实验案例信息表
| 案例提供单位 | 兰州交通大学自动化学院 | 相关专业 | 自动化专业、自动控制专业 | |||
| 设计者姓名 | 田晶京 | 电子邮箱 | tianjingjingtd@mail. lzjtu. cn | |||
| 移动电话 | 13919248240 | 通讯地址(含邮编) | 甘肃省兰州市安宁区安宁西路88号兰州交通大学,730070 | |||
| 设计者姓名 | 郑云水 | 电子邮箱 | zhengyunshuitd@mail. Izjtu. cn | |||
| 移动电话 | 18215188959 | 通讯地址(含邮编) | 甘肃省兰州市安宁区安宁西路88号兰州交通大学,730070 | |||
| 设计者姓名 | 姚瑶 | 电子邮箱 | 15511037@qq.com | |||
| 移动电话 | 15209310329 | 通讯地址(含邮编) | 甘肃省兰州市安宁区安宁西路88号兰州交通大学,730070 | |||
| 相关课程名称 | 单片机原理及应用、电子技术等 | 学生年级 | 大三、大四 | 学时(课内+课外) | 课外开放实验 | |
| 支撑条件 | 仪器设备 | 计算机、示波器、信号发生器、电源、电烙铁、焊锡丝等 | ||||
| 软件工具 | Altium Designer6.O、Multisim、Pspice | |||||
| 主要器件 | AT89C51单片机、CX20106A红外接收芯片、TCT40-10超声波转换模块、LED数码管、继电器、DC 电源接插口、三极管、12MH晶振、电阻/贴片/可调电阻、电容、轻触按键、PCB板、蜂鸣器等 | |||||