运放的波形变换和应用参数限制的测量
实验题目:运放的波形变换和应用参数限制的测量
1. 课程简要信息
课程名称:模拟电子技术
实验案例名称:运放的波形变换和应用参数限制的测量
课程学时:理论课程 48 学时 $+$ 课内实验 16 学时
实验案例学时:实验课内 6 学时
适用专业:通信工程、自动化、电气工程及其自动化、电子信息工程、电子信息科学与技术
学生年级:第二学年第二学期
2. 实验内容与任务(限 500 字,可与“实验过程及要求”合并)
本项目注重强化工程伦理、哲学辩证、逻辑思维教育,提高学生正确认识问题、分析问题和解决问题的能力,培养学生精益求精的大国工匠精神,激发学生科技报国的家国情怀和使命担当。
本项目面向工程中常见的实际应用,结合工程中参数限制的典型案例,采用运算放大器TL071、电阻、电容以及面包板等元件,设计多种具有紧密相关性电路。本实验首先利用RC 电路,设计文氏震荡器。然后,根据所设计的信号和电路的输出,利用黑箱方法,逆向设计电路,培训了学生的逻辑思维能力。接着,根据实际的信号,设计高频滤波电路,滤除高频干扰。最后,比较多种输出电路,通过对输出效率的比较,实现选择法和工程实用法的运用。本案例的技术路线示意图如图 1 所示。

图 1 技术路线示意图
本案例的主要实验内容如下:
(1)利用常见的运放等,实验 1 研究了输入失调电压对输出信号的影响。根据应用参数的限制条件,实现电位器的调零。本实验具有较强形式逻辑的实用性,可引导学生在实验中具备工程的思考能力。
(2)根据实验目标,实验 2 设计文氏震荡器,并观察输出波形。本项目可以采用定量参数调节方法,让学生进一步思考输入失调电压和输入偏流的问题,培养学生工作细致的大工匠精神。
(3)利用黑箱法,将实验 1 的输出信号和实验 2 的输出信号作为实验 3 的输入信号,给出实验3的输出信号,让学生完成实验3 电路图的设计。本实验采用逆向思维方法,培养学生的逻辑思维能力。
(4)将实验 3 的输出作为实验 4 的输入信号,设计高频信号滤波电路,以实现干扰信号滤除。利用电阻电容误差较大的特点,本实验中体现了理想设计与实际的区别,培养了学生对事务判断的世界观。
(5)将实验 4 的输出连接至负载电阻,通过采用比较法,渗透了电源利用率、隔离、缓冲作用的内容,注重培养学生的节约能源、充分利用能源的思想。
3. 实验过程及要求(限 300 字)
-
实验课前进行知识点复习;
-
根据实验设计要求,分析实验设计要求,确定系统的原理框图,同时完成预习报告;
-
按照设计的原理图,利用Multisim 软件对各单元电路进行功能仿真测试,并记录仿真结果;
-
根据选择的元件以及实验室现有的硬件设备,在面板上搭建实际电路;
-
按单元分块调试电路(文氏电路、加法电路、滤波电路和实际应用限制参数的测量电路等);
-
进行分布、整体电路调试,观察电路工作情况,并记录结果;
-
进行归纳,了解不同设计方法及其特点,拓宽知识面;
-
结合仿真和硬件测试数据,进行实验电路分析,最后撰写实验报告。
4. 相关知识及背景(限 150 字)
本实验是低频模拟电路中一个综合性的典型案例,它源于工程中常见的实际应用限制参数,滤除高频干扰以及能源的充分利用,因此电路具有高度的综合性。实验综合运用了运算放大器电路等相关知识,采用了黑箱方法、逆向思维方法、选择方法和工程实用方法,培养学生在实际动手能力中的逻辑思维、辨证方法。
5. 教学目标与目的(限 100 字)
本实验可提高学生对模拟电路设计与分析的水平,增强学生分析解决问题的能力。通过对电路设计的逆向思维实验教学,增强学生主动思考、独立实践的能力,并且通过对放大器的实际应用限制参数,提高学生工程上选择芯片的能力。
6. 教学设计与引导
本实验属于模拟电路的综合性实验,包含多个基础知识点的学习,需要经历功能分析、系统设计、电路仿真、系统调试、设计总结等过程。在实验教学中,各阶段的教学目标不同,分别采用“对比学习法”、“发现学习法”、“错误反推法”以及“软硬结合法”四种教学方法,同时需注意在以下几个方面加强对学生的引导:
- 实验课前,要求学生复习相关理论知识(运算放大器的原理、电源利用、实际应用限制参数等)。布置实验任务时,要交代清楚设置实验基本要求以及拓展要求的目的,并给出问题,如何进行电路设计;
- 首先讲解电路的工作原理以及工程背景,与学生分析电路设计思路,教师引导学生将整体系统根据功能分解成各个单元模块进行设计。针对各个单元模块进
行理论讲解,同时引导学生利用Multisim 软件,对各个模块进行仿真测试,满足电路各模块功能,验证能否达到设计要求,并记录仿真测试结果,教师进行阶段验收(包括预习报告、仿真电路以及测试结果);
- 接下来,引导学生根据分解的模块功能以及运放芯片的结构,进行面包板元件位置的排布以及电路的搭建。分别进行各单元模块的调试工作,重点在于应用参数限制问题的研究。在满足各自模块功能后,进行整体系统的调试工作,同时注意硬件电路故障排除方法的讲解。
最后学生进行电路功能演示,教师进行阶段验收(包括电路搭建效果以及电路功能实现效果)。最后以不同设计方法为主题进行交流学习,拓宽知识面,同时对比实验数据,以便完成实验报告。
实验中教师要以学生学习成果为导向,进行教学环节的设计。以教学目标的实现为重点,进行实验的引导。注意鼓励学生自主学习的积极性,重视理论指导实践、实践验证理论的联动性,同时尽可能消除学生对实验课程的应付了事的心态。
7. 实验原理及方案
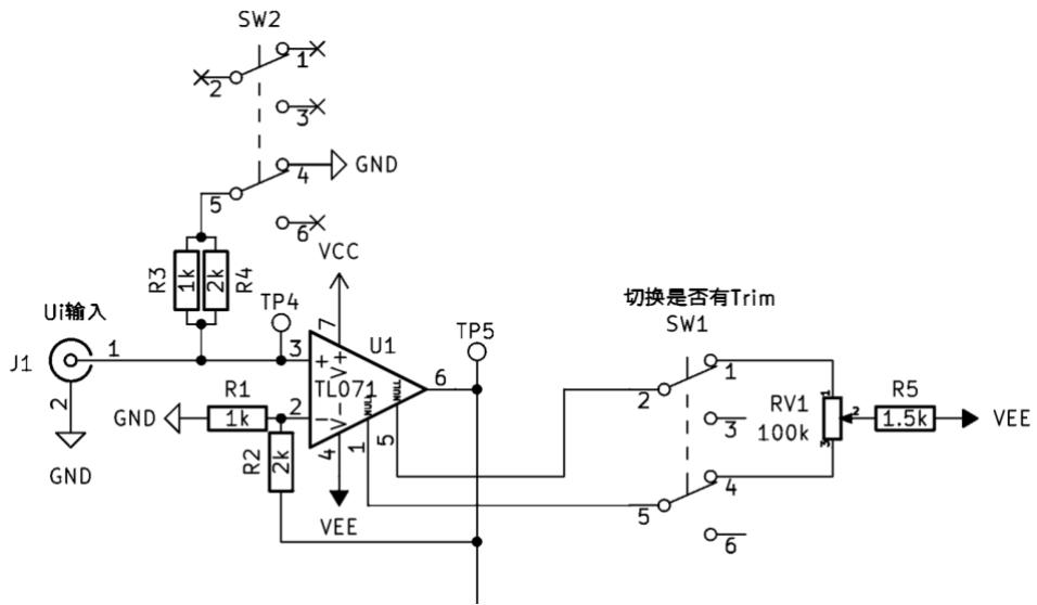
1)1) 基于运放TL071 的电路如图1所示,将图 1的调零电位器断开,令 $u _ { \mathrm { i } } { = } 0$ ,测量运放 TL071 的输入失调电压 $U _ { \mathrm { O S } }$ 。将 $U _ { + }$ 端的平衡电阻 $R _ { 1 } / / R _ { 2 }$ 接地, $R _ { 1 } { = } 1 \mathrm { k } \Omega$ ,$R _ { 2 } { = } 2 \mathrm { k } \Omega ,$ ,将 $u _ { \mathrm { i } }$ 频率设定为 $1 0 \mathrm { k H z }$ ,幅度为 $2 0 \mathrm { m V }$ 。观察图 2 输出波形。

图 2 基于运放 TL071 的电路
基于运放 TL071 的电路原理图如图 3 所示,运放采用带有调零输入的 TL071 运放,其典型偏置电压为 $1 \mathrm { m V }$ 。电路使用 SW1 和SW2 来切换不同的模式:其中 SW2 控制 $U _ { + }$ 端的平衡电阻 $R _ { 1 } / / R _ { 2 }$ 是否连接;SW1 控制调零变阻电路是否连接到运放。TP4 和 TP5两个测试点分别是 $U _ { \mathrm { i } }$ 和 $U _ { \mathrm { o } }$ 。

图3 基于运放 TL071的电路原理图
实际电路图如图4 所示。

图 4 基于运放 TL071 的实际电路
将图 4 的调零电位器接上,令 $u _ { \mathrm { i } } { = } 0$ 时,实验测量运放 TL071 的输出 $u _ { \mathrm { o } } \mathrm { = } 0 \mathrm { m V }$ $U _ { + }$ 端的平衡电阻 $R _ { 1 } / / R _ { 2 }$ 接地, $R _ { 1 } { = } 1 \mathrm { k } \Omega$ , $R _ { 2 } { = } 2 \mathbf { k } \Omega$ , 将 $u _ { \mathrm { i } }$ 设定频率为 1kHz,幅度为 $2 0 \mathrm { m V }$ 。观察图 1 输出波形。如果调零电位器断开,输出波形如图 4 所示。

图5 未接入调零电位器时的输出
当图 1 的调零电位器接上,可以灵活调节电压,使正弦波上半周大于零,下半周小于零,其实测结果如图 5所示。

图 6 输入 $1 0 \mathrm { k H z } 2 0 \mathrm { m V }$ 时运放输出
本实验体现了工程中常见的实际应用限制参数,具有很强的形式逻辑的实用性,引导了学生在实验中具备工程的思考。同时,可以让学生思考调零电位器的作用,以及调零电位器的取值范围。此外,还可以让学生思考输入失调电压 $U _ { \mathrm { o s } }$ 在实际设计中会带来的问题和如何克服克服输入失调电压 ?
2)按图 7 设计文氏振荡器,要求频率为 $2 \mathrm { k H z }$ 左右,幅度为 1V。观察图 1 输出波形。

图 7 文氏震荡器
实际设计电路如图 8所示,其中振荡器的频率可以通过双联电位器 $R \mathrm { v } _ { 3 }$ 调节,频率范围在 1kHz 左右;输出的幅度可以通过 $R \mathrm { \ v { v } } 4$ 调节,在正负 5V 供电时,最大幅度约为1V。

图 8 文氏震荡器实际电路
测试点 TP7 可以观察振荡器的输出波形,输出波形如图 9 所示。

图9 振荡器输出波形
本项目采用了定量参数调节方法,利用变阻器,可培养学生工作细致的大工匠精神。此外,本项目还可以进一步让学生思考克服输入失调电压 $U _ { \mathrm { o s } }$ 和输入偏流 $I _ { \mathrm { B } }$ 的措施,使学生可以通过问题学习知识。同时,进一步将模拟电子电路扩展至通信电子电路,让学生思考若要震荡频率提高到 100MHz,文氏振荡器是否还可行。如果不可行,那需要用什么电路产生?
3)基于黑箱法的示意图如图 10 所示,用运算放大器 TL071 完成图 4 的 A 电路。两个输入分别是实验 1 和实验 2 的输出。

图 10 基于黑箱法的实验示意图
实际设计电路如图 11 所示,该黑箱应该是一个加法器,其增益可以通过 R13/R12进行调节。测试点TP6 可以观察加法器(黑箱)的输出信号。

图 11 基于黑箱法的加法器电路图
测试结果如图12所示。

图12 基于黑箱法的加法器输出
本项目通过将实验1的输出信号和实验2的输出信号作为输出,以及输出信号波形,采用黑箱法,逆向设计加法器电路图,以培养学生的逻辑思维能力。
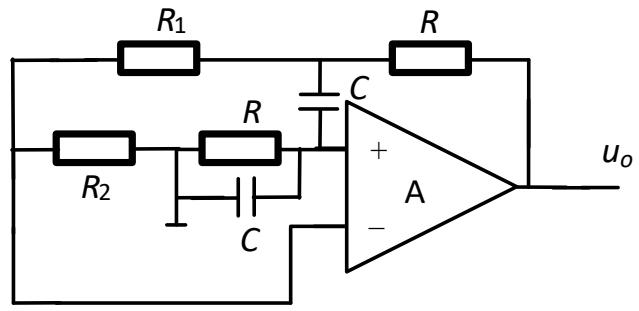
4)将图 12 的谐波滤掉, $f _ { 0 } { = } 2 \mathrm { k H z }$ , $R _ { 2 } { = } 3 2 \mathrm { k } \Omega$ , $R _ { 1 = 3 \mathrm { k } \Omega }$ , $C { = } 1 0 0 0 p \mathrm { \Delta }$ , $R _ { 3 }$ 为平衡电阻,$R _ { \mathrm { L } } { = } 1 0 0 0 \Omega$ 。
设计:所设计的一阶有源低通滤波器如图 13所示,该设计可滤除高频谐波。

图 13 一阶有源低通滤波器
通过调节参数,可完成实验。得到 $f _ { 0 } { = } 1 \mathrm { k H z }$ ,输出为图 14 所示。

图 14一阶低通有源滤波器输出
5)将图 14 的输出作为下一级的输入信号源,并输出至负载电阻。输出电路图如图15 所示。图 14 输出直接作为图 15(a)负载 $R _ { \mathrm { L } }$ 的信号源,图 14 输出经过电压跟随器作为图 15(b)负载 $R _ { \mathrm { L } }$ 的信号源,比较图 14(a)和图 14(b)特点。

图 15 输出电路的比较
图 15(a)为内阻 $R \mathrm { s } { = } 1 0 0 \mathrm { k } \Omega$ 的信号源,为一个负载 $R _ { \mathrm { L } } ( 1 \mathrm { k } \Omega )$ 提供电流和电压。图
15(a)和图 15(b)有两个方案。图 15(a)是电源电压直接和负载相连。图 15(b)是信号源和负载之间插入一个一级缓冲器。分析两种方案负载 $R _ { \mathrm { L } }$ 所得到的电压 $u _ { \mathrm { L } }$ 和电流 $i _ { \mathrm { L } }$ 。首先分析图15(a)的情况,可得:
$$ \begin{array} { l } { \displaystyle { u _ { \mathrm { L } } = \frac { R _ { \mathrm { L } } } { R _ { \mathrm { L } } + R _ { \mathrm { s } } } u _ { \mathrm { s } } = \frac { 1 \mathrm { k } \Omega } { 1 0 0 \mathrm { k } \Omega + 1 \mathrm { k } \Omega } u _ { \mathrm { s } } \approx 0 . 0 1 u _ { \mathrm { s } } } } \ { \displaystyle { i _ { \mathrm { L } } = \frac { u _ { \mathrm { L } } } { R _ { \mathrm { L } } } = \frac { u _ { \mathrm { s } } } { 1 0 0 \mathrm { k } \Omega + 1 \mathrm { k } \Omega } = \frac { u _ { \mathrm { s } } } { 1 0 1 \mathrm { k } \Omega } } } \end{array} $$
在图 15(b)的第二种方案中,可得:
$$ u _ { \mathrm { L } } \frac { \mathrm { A _ { \mathrm { u f } } = 1 } } { \mathrm { ~ } u _ { \mathrm { i } } } u _ { \mathrm { i } } \mathrm { = } \frac { R _ { \mathrm { i f } } } { R _ { \mathrm { s } } + R _ { \mathrm { i f } } } u _ { \mathrm { s } } \frac { R _ { \mathrm { i f } } \infty } { \mathrm { ~ } u _ { \mathrm { s } } } u _ { \mathrm { s } } $$
$$ i _ { \mathrm { L } } { = } \frac { u _ { \mathrm { L } } } { R _ { \mathrm { L } } } { = } \frac { u _ { \mathrm { s } } } { 1 \mathrm { k } \Omega } $$
可见,当直接连接时,信号被衰减了许多,而加上跟随器隔离后,信号能不衰减地传输到负载。
利用TL071芯片,实验4和实验5的电路如图16所示,SW3可以用于切换偏置电流测量模式和滤波器模式。SW4用于切换输出是否有缓冲。

图 16 实验 4 和实验 5 电路图
测试点 TP1 用于在偏置电流测量模式下测量 $R \mathrm { v } _ { 2 }$ 的阻值,TP3 和 TP12 可以分别观察滤波器的输出和最终输出信号。实验 4 的滤波器输出如图 17 所示。

图 17 实验3 的输出结果
实验采用了比较法,渗透了电源利用率、隔离、缓冲作用的内容,注重培养学生的节约能源、充分利用能源的思想。可以避免学生只为做题而做题,培养学生实际的工程思维方式。
8. 教学实施进程
本实验的教学实施进程共分为三部进行,综合学生学习成果可进行相应调整。
a) 预习安排:为使学生具有充足的理论知识,任课教师提前 1~2 周布置预习任务以及实验题目和要求。学生需完成相关理论知识的预习,并完成预习报告。本实验是低频模拟电路中一个综合性的典型案例,预习综合运用运算放大器电路等相关知识,思考黑箱方法、逆向思维方法、选择方法和工程实用方法。
b) 实验操作:共 6 学时,分 3 次课进行。第一次课,为使学生能够自主完成电路设计并找出电路问题,任课教师只进行重点知识的讲授,其余时间留给学生实际操作,教师进行指导,学生需完成电路的设计与仿真测试任务;第二次课,学生完成实际电路的搭建和测试任务,重点内容是通过虚拟仿真软件对所设计的电路进行验证以及实际电路的搭建。第三次课,进行现场测试与答辩。
c) 验收总结:教师针对每个学生的电路,分别进行电路功能测试,包括运放,及用运放设计的各个单元电路等。对于不符合要求的电路,分析电路问题产生原因,及时进行改正。符合要求的电路可根据学生层次适当进行拓展功能的尝试,使学生知识水平进一步提高。培养学生的逻辑思维、辨证方法,完成实验总结报告的撰写。
实验报告要求
预习报告:
a) 详细总结预习知识点,说明各电路的工作原理。
b) 需要针对实验题目中各项功能,用模拟电路,理论上分析工程中常见的实际应用限制参数,滤除高频干扰,以及能源的充分利用,因此电路具有高度的综合性。
c) 画出初步设计电路原理图,并列出元件清单,同时说明总体设计思路。
实验报告:
a) 需将仿真电路及实际搭建电路截图粘贴在实验报告中,并简述其工作原理。
b) 记录仿真测试以及系统调试数据,并介绍系统仿真及调试方法,在仿真测试以及电路调试过程中遇到的问题以及排查经过,包括记录问题现象,分析存在原因,以及排除方法和效果等。
c) 简单叙述对实验项目的结论性意见,说明电路最终实现的功能,并通过资料查询,给出进一步完善或改进的意向性说明。
d) 进行实验总结,详细叙述完成实验的收获、体会。
9. 考核要求与方法(限 300 字)
成绩评定采用分阶段多元化考核方式,总成绩由各部分成绩总和构成,同时根据实际情况适当调整评定项目及其构成。
1)预习报告: $2 0 %$
在第一节实验课中进行预习报告验收,验收包括考察学生对相关知识的复习结果、初步的设计方案是否合理、功能是否完整、设计是否有创新性。
2)实验结果(功能完成情况、性能、连线、演示): $5 0 %$
仿真结果:在第一次实验课结束时进行验收,验收包括检查 Multisim仿真软件的使用,各元件连接、信号输入以及芯片供电和接地等情况,检查各模块仿真功能实现程度以及仿真结果的正确性,若设计出拓展功能,可获得额外加分;
实验结果:在第二次实验课结束时进行验收,验收包括检查电路搭建完成情况,器件选择的经济和合理性,搭线的美观度,电路功能完成情况,若拓展功能实现可获得额外加分。
3)设计总结报告: $3 0 %$
实验课结束后一周内以班级为单位上交,主要考察报告的规范性和完整性。
10.项目特色或创新(可空缺,限 150 字)
1)实验项目体现了工程中常见的实际应用限制参数,具有很强的实用性,引导了学生在实验中具备工程的思考。
2)实验项目渗透了电源电压利用率的内容,注重培养学生的节约能源、能源充分利用的思想。
3)实验项目引入了滤除信号干扰的实验,比较了滤除干扰的方法。
4)本实验项目采用了黑箱方法、逆向思维方法、选择方法和工程实用方法,培养学生的逻辑思维能力。
《模拟电子技术》课程教学大纲
一、课程基本信息
1.课程编号:14L182Q
2.课程体系/类别:专业核心课
3.课程性质:必修
4.学时/学分:48学时/3 学分
5.先修课程:高等数学、大学物理、电路分析
6.适用专业:通信工程、自动化、铁道信号、电子科学与技术等
7.课程负责人:刘颖
专业负责人:张宏科(通信工程)、唐涛(轨道交通信号与控制)、侯忠生(自动化)、陈后金(电子科学与技术) 核准教学副院长:刘颖
二、课程教学目标
通过本课程的学习,加深对相关理论的深刻理解,提高分析模拟电路与系统的能力,掌握定性和定量评估模拟电子系统的能力,培养学生发现问题、解决问题和评估问题的工程实践能力,为进一步学习后续课程打下良好基础。
通过本课程的学习力求使学生达到:
- 掌握半导体器件的基本概念与基本理论;
- 掌握设计模拟电路的基本分析与设计方法;
- 掌握模拟电路的实验技能、实验设计和测试方法;熟练查阅集成电路手
册和有关资料的基本方法; - 提高学生发现问题、解决问题和评估问题的工程实践能力。
三、课程目标和毕业要求的对应关系
| 课程目标 | 毕业要求 | 毕业要求指标点 |
| 1 | 1.工程知识:能够将数学、自然科学、工程基础和专业知识用于解决通信复杂工程问题。 | 1.2 将数学、自然科学、工程基础和专业知识用于工程问题的计算分析。 |
| 2 | 4.研究:能够基于科学原理并采用科学方法对复杂工程问题进行研究,包括4.1 针对工程问题,收集信息、查阅文设计实验、分析与解释数据,并通过信献、分析现有技术的特点与局限性。息综合得到合理有效的结论。 | 学方法对复杂工程问题进行研究,包括4.1 针对工程问题,收集信息、查阅文设计实验、分析与解释数据,并通过信献、分析现有技术的特点与局限性。 |
| 3 | 9.个人和团队:能够在多学科背景下9.2 能够与本专业及不同学科的团队成的团队中承担个体、团队成员以及负责员合作,担任成员或领导者,承担个人人的角色。 | 9.个人和团队:能够在多学科背景下9.2 能够与本专业及不同学科的团队成的团队中承担个体、团队成员以及负责员合作,担任成员或领导者,承担个人责任,并协作完成团队任务。 |
四、课程教学内容和要求
总学时 48 学时,讲课 40 学时,实验 8 学时,指导自学 10 学时,研究性教学16 学时。
| 序号 | 知识单元 | 知识点 | 要求 | 推荐学时 | 重点支持指标点 |
| 1 | 绪论与半导体器件基础 | 电子技术概述。 | 了解 | 3 | 1.2 |
| 半导体器件。 | 掌握 | ||||
| 二极管、晶体管和场效应管的工作原理。 | 掌握 | ||||
| 双极型晶体管和场效应管特性和参数。 | 掌握 | 2 | |||
| 2 | 双极型三极管基本放大电路 | TTL 三极管放大电路组成、工作原理。 | 理解 | 3 | 1.2 |
| 双极型三极管基本放大电路静态、动态的定性、定量分析与设计。 | 理解 | ||||
| 三极管输入、输出特性曲线。线性电路理论与非线性电路理论、模拟电路与数字电路。 | 掌握 | 2 | |||
| 3 | 场效应管基本放大电路 | 场效应管放大电路组成、工作原理。 | 掌握 | 4 | 1.2、4.1 |
| 场效应管基本放大电路静态、动态分析。 | 掌握 | ||||
| 4 | 输入差分放大电路 | 电流源电路的工作原理。 | 掌握 | 2 | 1.2、4.1 |
| 差分放大电路的组成和工作原理。 | 掌握 | ||||
| 差放静态和动态的分析方法。 | 掌握 | 1 | |||
| 5 | 输出功率放大电路 | 功率放大电路的基本概念。 | 掌握 | 1 | 1.2、4.1 |
| 功率放大电路最大输出功率和转换效率的分析方法。 | 掌握 | ||||
| 功率放大电路应用中的相关问题。 | 掌握 | 1 | |||
| 基于放大器输出效率,研究功率放大器。 | 掌握 | 1 | |||
| 6 | 放大电路的频率响应 | 频率响应的分析方法。 | 掌握 | 2 | 1.2、4.1 |
| 晶体三极管的高频运用。 | 掌握 | ||||
| 放大器的频响分析。 | 掌握 | 1 | |||
| 放大器展宽频带的方法。 | 理解 | 1 | |||
| 基于密勒效应,阐述多级放大电路频率特性。 | 掌握 | 2 | |||
| 7 | 放大电路的反馈特性 | 反馈的基本概念和反馈类型的判断方法。深度负反馈条件下放大电路的分析方法。 | 理解 | 1 | 1.2、4.1 |
| 负反馈对放大电路性能的影响。 | 掌握 | ||||
| 根据需要在放大电路中引入反馈的方法。 | 掌握 | 2 | |||
| 负反馈放大电路产生自激振荡的原因。 | 掌握 | ||||
| 负反馈放大电路稳定性。 | 掌握 | 2 | |||
| 反馈的基本概念和反馈类型的判断方法。深度负反馈条件下放大电路的分析方法。 | 掌握 | ||||
| 8 | 运算放大器及其应用 | 理想运算放大器模型和特性。 | 理解 | 1 | 1.2、4.1 |
| 模拟运算电路的分析方法。 | 掌握 | 1 | |||
| 理想运算放大器的其他应用。 | 掌握 | 1 | |||
| 有源滤波器的组成、特点和分析方法。 | 掌握 | 1 | |||
| 9 | 周期信号发生器 | 振荡电路基本概念。振荡电路的组成和原理。 | 理解 | 2 | 1.2、4.1 |
| 10 | 直流稳压电源 | 单相整流电路的工作原理和分析、设计方法。 | 掌握 | 3 | 1.2、4.1 |
| 典型滤波电路的工作原理及电容滤波电路输出电压平均值的估算。 | 熟悉 | ||||
| 集成稳压器的应用。 | 掌握 | ||||
| 开关稳压电路的工作原理。 | 了解 | ||||
| 11 | 专题研讨 | 自主学习、研究性学习 | 掌握 | 16 | 4.1、9.2 |
实验教学:
| 序号 | 实验项目 | 主要内容 | 实验类型 | 推荐学时 | 重点支持指标点 |
| 1 | 集成直流稳压电源 | 通过用变压器、整流二极管、滤波电容和集成稳压器设计直流稳压电源,掌握输入信号过压和输出信号过流保护电路的设计方法。 | 设计 | 2 | 4.1、9.2 |
| 2 | 语音前置放大器 | 分析恒流源差动放大器和普通差动放大器的区别,评价差动放大器的应用环境,掌握差动放大器的主要参数特性及其测试方法,掌握增加人为输入噪声去除的方法。 | 设计 | 3 | 4.1、9.2 |
| 3 | 多种波形发生器 | 运用运算放大器构成波形发生器,掌握不同方法构成的波形发生器的特点与性能,评估其应用环境及局限性,掌握波形发生器去除谐波的方法和提高震荡频率的方法。 | 设计 | 3 | 任选之一4.1、9.2 |
| 设计 | 3 |
五、课程教学安排
在教学方法上,充分利用各种媒体教学手段,将课堂教学、专题讲座、课堂讨论、多媒体课件和新技术实验有机结合,提高教学效率。
课堂讲授
在课堂讲授中,在宏观上引导学生对课程内容的总体把握,在掌握课程基本理论和基本方法的基础上,使学生能够触类旁通;在微观上启发学生能够从基本原理、集成电路外特性及系统工程方面去分析问题、解决问题和评估问题,提高学生的自主学习与探究能力。
课堂讨论及指导分析
在习题课讨论中,在教师启发引导下,基于学生提出的疑难问题,一起分析研究,评估问题并提出多个可行解决方案。交换课程学习与专题研究的内容与体会,相互促进,共同提高。可将多种教学方法有机结合,利用电子教案等教学辅助工具,实现边学习、边讨论、边实验。
专题研讨(含实验教学)
将理论教学与实验教学紧密结合,以面向工程实际问题为载体,围绕大学生电子电路竞赛和创新项目,循序渐进地引导学生开展专题研究与讨论,从而激发学生的学习兴趣,提高学生理论联系实际的能力,培养学生的探索精神和创新意识。
要求学生掌握模拟电子电路测试方法,考虑工程因素的典型放大电路的设计方法,具备模拟电路的设计和评估能力。
研究性专题题目
专题研讨一:电流模技术的分类及其应用专题研讨二:丁类功率放大器设计专题研讨三:多级放大器频率响应的波特图特征专题研讨四:三倍频模拟电路的设计专题研讨五:开关电源与线性电源的原理与设计专题研讨六:三极管放大电路的高频特性
六、课程的考核
| 考核环节 | 设分值 | 考核/评价细则 | 对应的课程目标 |
| 作业 | 10 | (1)主要考核学生对每章节知识点的复习、理解和掌握程度;(2)每次作业按10分制单独评分,取各次成绩的平均值作为此环节的最终成绩。 | 1、2 |
| 研讨 | 10 | (1)考查学生自主学习、独立思考和拓展专业知识的能力。并且通过□头和文字表达能力以及讨论交流过程评价学生对自主学习能力的掌握程度。(2)教师根据由教师根据专题研讨报告、研究成果展示、交流情况综合评定,也可以同时引入同学互评的形式作为参考。 | 2、3 |
| 期中考试 | 15 | 结合教学进度安排期中考试,考查学生对相关知识的掌握程度;采用笔试方式。 | 1、2 |
| 实验 | 15 | 模拟电子技术的基本单元电路实验与综合性实验。 | 2、3 |
| 期末考试 | 50 | (1)采用笔试(闭卷)形式,卷面成绩100分,以卷面成绩乘以其在总评成绩中所占的比例计入课程总评成绩。(2)考核内容须体现对于综合运用基本概念、基本原理和分析方法进行通信系统设计和分析能力的考察,不仅包括对各单元知识点的独立考核,还需要包括综合运用模拟电子技术原理分析和解决问题能力的考核。考试题型为:概念提、分析题、设计题、计算题和简答题等。 | 1、2 |
七、本课程与其它课程的联系与分工
本课程的先修课程:高等数学、大学物理、电路分析
本课程的后续课程:数字电子技术、通信电子线路、微机原理与接口技术等
大学物理使学生具备了电路的基本知识,电路分析使学生掌握了电路瞬时和稳态概念、系统频率特性等基本理论,为本课程电子电路定性、定量分析奠定了
理论基础。模拟电子技术是基于半导体的电子技术入门课程,主要学习模拟电子电路的基本概念、基本分析方法和基本实践技能,其教学内容为后续数字电子技术、通信电子线路、微机原理与接口技术等电子技术相关课程的学习奠定了基础。
八、建议教材及教学参考书
[1] 刘颖.模拟电子技术.北京:清华大学出版社&北京交通大学出版社,2008
[2] 刘颖.模拟电子习题精解及考试真题选编.北京:北京交通大学出版社,2009
[3] 路勇.模拟集成电路基础(第三版).中国铁道出版社,2010
[4] 李金平.模拟集成电路基础.北京:北京交通大学出版社,2003
[5] 侯建军.电子技术基础实验、综合设计实验与课程设计.北京:高等教育出版社,2007
[6] 路勇.电子电路实验及仿真.北京:清华大学出版社&北京交通大学出版社,2004
[7] 康华光.电子技术基础-模拟部分(第5版).高等教育出版社,2006
[8] 童诗白.模拟电子技术基础(第 4 版).北京:高等教育出版社,2006
[9] Allan R.Hambley.Electronic(Second Edition).北京:电子工业出版社译,2005
国家电工电子实验教学中心
实 验 报 告
设 计 题 目 : 利用运放的波形变换和实际应用限制参数的测量
学 院: 电子信息工程学院
专 业: 通信工程
学生姓名:
学 号:
任课教师:
年 月 日
目 录
1 设计任务要求
(写明题目任务要求,可复制题目原文。)
2 设计方案及论证
2.1 任务分析
(含文字说明及理论计算,应明确各项功能和指标要求的含义及理论实现方法。)
2.2 方案比较
(针对上节分析得到的理论实现方法,提出两种以上的设计方案,并进行比较。)
2.3 系统结构设计
(从上节提出的设计方案中选定一种作为最终方案,具体展开说明,给出完整的系统原理和结构框图。)
2.4 具体电路设计
(根据选定的系统实现方案,具体细化设计出完整的电路原理图,并给出具体的元器件参数。应对设计过程用文字详细说明(可附局部单元电路图说明),包括电路结构选择的理由、元器件参数的计算过程等。电路原
理图应用 Prote、Altium Designer、Orcad 等专业设计软件或 MicrosoftOffice Visio 等绘图软件规范绘制,上面应标注所有元器件的标号、型号或主要参数,如果图的尺寸较大可单独附页或使用层次电路图绘制。)
3 制作及调试过程
3.1 制作与调试流程
(详细说明电路制作与调试的方法和过程,如各单元电路的制作和调试顺序等。)
3.2 遇到的问题与解决方法
(在电路制作和调试过程中遇到的问题、产生原因、解决方法。)
4 系统测试
4.1 测试方法
(系统各项功能、指标的测试方法及流程,并附测试仪器与电路的连接示意图。)
4.2 测试数据
(系统各项功能和参数的原始测试数据(以表格形式)和最终参数的计算过程。)
4.3 数据分析和结论
(对系统测试数据结果进行统计和分析,如实测数据与理论计算预期的差异分析,包括对误差产生原因的分析,并就系统是否符合设计任务要求给出结论。)
5 系统使用说明
5.1 系统外观及接口说明
(应附作品实物照片 $2 \sim 3$ 张,说明作品实物中按键、显示单元、接口等输入输出单元的位置和功能。)
5.2 系统操作使用说明
(作品实物的操作使用说明。)
6 总结
6.1 本人所做工作
(本人在小组中的分工和实际完成的工作。)
6.2 收获与体会
(本人在本课程中的收获与体会。)
6.3 对本课程的意见与建议
(本人对本课程教学的意见和建议。)
7 参考文献
(列出在本设计中参考的有关文献,包括书籍、论文、网上信息等。书写格式应符合以下规定。顶格写,按“作者.书名或文题.地名:出版社(或期刊)名,出版年份(或期刊卷期次):页码”(中译本应在书名后加译者名)的次序排列。)
示例:
[1] 侯建军.数字电子技术基础(第二版).北京:高等教育出版社,2007
[2] 付兵.基于Word文档的电子作业防拷贝研究.荆州:长江大学学报<自然版>理工卷,2007(4).1:69-70
[3] 放大器的噪声来源.与非网. http://www.eefocus.com/article/10-12/ 932701292163761.html?sort $=$ 1111_1118_1428_0
[4] LM124/LM224/LM324/LM2902 Low Power Quad Operational Amplifiers. National Semiconductor Corporation,1999
利用运放的波形变换和实际应用限制参数的
测量评分表
题目负责教师: 验收时间: 年 月 日
验收教师签字:
学生姓名: 学号: 专业/班级:
选课教师:
| 答辨评分 答辨成绩(满分100分): | ||
| 答辩问题 | 评分 | 备注 |
| 系统设计思路、工作原理(20分) | ||
| 系统设计方案的评估依据选择(包括技术因素、成本因素、安全及环境因素)(20分) | ||
| 对照电路实物指出本人在系统设计中所做的工作,说明团队合作情况(20 分) | ||
| 系统设计制作过程、遇到的问题以及解决方案(20分) | ||
| 对照电路原理图和电路实物解释各种部分电路的功能、参数计算方法(20分) | ||
| 备注: | ||
| 设计报告评分 设计报告成绩(满分100分)_分 | ||
| 报告内容 | 评分 | 备注 |
| 设计任务要求(10分) | ||
| 设计方案论证(40分) | ||
| 方案比较分析 | ||
| 系统结构设计 | ||
| 具体电路设计 | ||
| 制作及调试过程(20分) | ||
附件 1 教学大纲
| 制作与调试流程 |
| 遇到的问题及解决方法 |
| 系统测试(15分) |
| 测试方法 |
| 测试数据分析与结论 |
| 系统使用及说明(5分) |
| 总结(10分) |
实验要求:
| 类型 | 序号 | 测试项目 | 满分 | 测试记录 | 评分 | 备注 |
| 设计要求 | (1) | 完成任务1 | 9 | |||
| 回答思考题 | 9 | |||||
| (2) | 完成任务2 | 9 | ||||
| 回答思考题 | 9 | |||||
| (3) | 完成任务3 | 9 | ||||
| 回答思考题 | 9 | |||||
| (4) | 完成任务4 | 9 | ||||
| 回答思考题 | 9 | |||||
| (5) | 完成任务5 | 9 | ||||
| 回答思考题 | 9 | |||||
| 其他 | 10 | |||||
| 总分 | 100 |