运算放大器非线性区工作特性研究
实验题目:运算放大器非线性区工作特性研究
1. 课程简要信息
课程名称:(实验课程名称,或含实验的理论课程名称)模拟电子技术
课程学时:(课内、课外)课内 4学时
适用专业:(专业名称或专业类名称)自动化类
学生年级:(年级、学期)本科二年级、春季学期
2. 实验内容与任务(限 500字,可与“实验过程及要求”合并)
项目需要完成的任务(如需要观察的现象,分析某种现象的成因、需要解决的问题等);是否设计有不同层次的任务。
本案例着眼于模拟电子技术核心知识点之一运算放大器的非线性应用,从实验现象入手逆向设计电路相关参数,综合应用典型电路设计指定功能电路并按指标要求优化设计:
(1)以单门限电压比较器为对象,根据给定的传输特性曲线图,确定电路相关参数,并通过电路参数调整改变门限电平、输出幅值以及跳变方向等;
(2)以迟滞比较器为对象,根据给定的传输特性曲线图,确定电路相关参数,重点研究滞环参数的控制方法,通过电路参数调整滞环回差大小、水平移动滞环以及改变滞环跳变方向等;
(3)设计一个闭环的方波-三角波-正弦波发生器,在限定条件下性能达到指标要求。按照完成程度分步考核;
(4)步骤(3)完成后,可以选择通过电路打印机将步骤(3)中的电路制作成电路板并焊接调试。该步骤为课外拓展部分,自由安排时间不做硬性要求,但完成后可以获得额外实验奖励分数。
3. 实验过程及要求(限 300 字)
如对学生在实验过程中在需求分析、资料查询、自学预习、思考讨论、方法设计、进程规划、软件仿真、平台构建、器件选择、表格设计、现象观察、数据测试、问题分析、总结报告、验收答辩、演讲交流等各方面的要求。
(1)掌握单门限电压比较器、迟滞比较器、窗口比较器的特点与典型应用场景;
(2)掌握正弦波产生电路、非正弦波产生电路典型实现方案及原理;
(3)能够依据给定的传输特性曲线逆向设计并选择合适的电路参数;
(4)能够设计一个“方波-三角波-正弦波”闭环多波形发生器,并满足设计指标;
(5)知道输入电压保护电路、输出电流保护电路以及电源防反接保护电路;
(6)部分学生能优化设计电路并利用电路打印机进行 PCB制作,完成焊接与调试;
(7)能够完整撰写设计总结报告,并通过资料查阅等形式完成相关思考题。
4. 相关知识及背景(限 150 字)
项目涉及的知识方法、实践技能、应用背景、工程案例。
当运算放大器工作在开环或正反馈的情况下,运算放大器工作在非线性区,其特点是输入可以是任何模拟信号的值,输出仅存在两个电压值。电路主要包括比较器,迟滞比较器和窗口比较器,其广泛应用于自动控制、仪器仪表测量、传感器中的各种报警电路、模拟信号采集电路、波形转换电路、鉴幅和整形电路等。
5. 教学目标与目的(限 100 字)
如学习、运用知识、技术、方法;培养、提升能力、素质。
掌握运算放大器非线性区传输特性可以提高学生灵活运用运算放大器构成各种应用系统的能力。本实验系统归纳电压比较器基本特性,明确其电路特点及应用范围,培养学生通过特性分析电路结构及择优选择电路的能力。
6. 教学设计与引导
如预习要求及检查;课堂知识讲解、方法引导、背景解释;实验中的方法指导,问题设置、思路引导等。研讨主题、观察节点、验收重点、质询问题的设计等。
本案例是一个比较完整的工程小系统设计,从局部到整体,涵盖正向设计、反向设计,性能优化等过程。在实验教学中,应在以下几个方面加强对学生的引导及预习要求:
(1)单门限电压比较器、迟滞比较器、窗口比较器、积分器和滤波器等知识的总结;
(2)开环、正反馈、运算放大器非线性工作区等知识的总结;
(3)灵敏度和抗干扰能力两方面对比单门限电压比较器与迟滞比较器。
(4)通过资料查阅,学习了解输入电压保护电路、输出电流保护电路和电源接反保护电路。
实验按照完成度评分,分为三个层次:基本部分、发挥部分与拓展部分,其中拓展部分可课外完成。每个层次均按照评分表量化,验收重点为:
(1)基本部分:比较器输出波形、UT的调整、 $U _ { \mathrm { 0 M } }$ 值变化、输出波形极性变化、滞环回差改变等;
(2)发挥部分:正弦波输出波形及幅度、三角波输出波形及误差、方波输出波形及峰峰值、输入过压保护、输出过流保护、电源接反保护等;
(3)拓展部分:电路板设计合理性、焊接技术、测量点设置、成品性能等。
在课内实验过程中加强问题研究,设计引导问题有:
(1)基本部分:
1)单门限电压比较器和迟滞比较器中输出电压幅度与供电电源电压之间的关系是?
2)运算放大器应用于电压比较器类电路中时虚短的概念还可以应用吗?
(2)发挥部分:
1)三角波--方波变换电路有哪些实现方法?
2)正弦波--方波变换电路采用单限比较器好还是迟滞比较器好?为什么?
3) 为防止输入差模和输入共模电压过大可以如何设计输入电压保护电路?
4) 为防止开环放大器输出电流过大可以如何设计输出电流保护电路?
5) 防止电源接反,可以如何设计保护电路?
6)本设计实现方案能想到哪些?
(3)拓展部分
1)为防止多级电路连续击穿,应如何隔离各级功能子电路?
2)测试点应如何留取?
3)参数调节点应如何选取?
7. 实验原理及方案
实验的基本原理、完成实验任务的思路方法,可能采用的方法、技术、电路、器件。
电压比较器是一种常用的集成电路,种类很多,本案例主要讨论常用的单门限电压比较器和迟滞比较器。电压比较器是由运算放大器发展而来,在实际应用中运算放大器可以作为低性能比较器使用。
1.基本部分
基本部分通过逆向设计,研究电压比较器结构参数与工作特性的关系。
单门限电压比较器
(1)电路构成
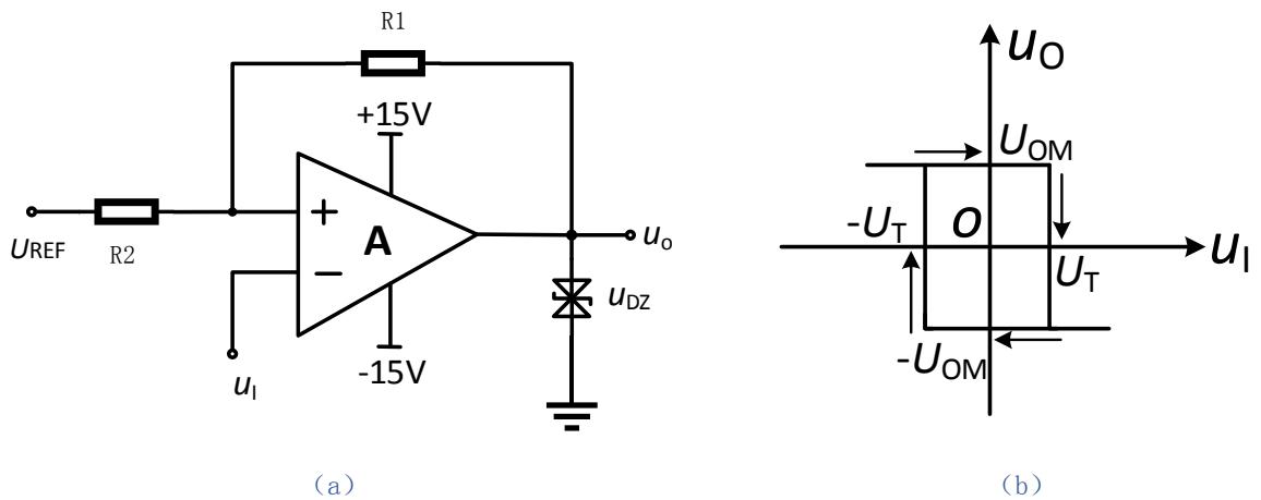
图1(a)为一种单门限电压比较器电路,本案例中比较器 C 由运放OP07组成。
(2)工作原理
由于集成运放的开环电压放大倍数很大,当输入信号 $U _ { \mathrm { I } }$ 小于参考电压UREF,即 $u _ { \mathrm { I D } } { = } \left( u _ { \mathrm { I } } { - } \mathrm { U } _ { \mathrm { R E F } } \right) { < } 0$ 时,运放输出电压为低电平;反之,当 $U _ { \mathrm { I } }$ 升高到略大于 $\mathrm { U } _ { \mathrm { R E F } }$ ,即 $u _ { \mathrm { I D } } { = } \left( u _ { \mathrm { I } } { - } \mathrm { U } _ { \mathrm { R E F } } \right) { > } 0$ 时,运放输出电压为高电平。
(3)传输特性
由以上分析可知,比较器输出电压的临界转换条件是集成运放的差动输入电压 $u _ { \mathrm { I D } } { = } 0$ 即 $u _ { \mathrm { I } } { = } U _ { \mathrm { R E F } }$ 。由此可求出图1(a)电路的电压传输特性如图 1(b)所示。反之,当 $U _ { \mathrm { I } }$ 从反相输入端输入,UREF改接到同相端,则称为反相输入单门限电压比较器。其相应传输特性如图(b)中的虚线所示。

图 1 单门限电压比较器电路构成及传输特性
根据上述理论,设计图 2 所示单门限电压比较器实验,已知电路结构及输出特性曲线,要求逆向求解电路参数。

图 2 单门限电压比较器实验电路图
在图 2(a)中 UREF、 $\mathrm { R _ { 1 } }$ 、R2和 $U _ { \mathrm { D Z } }$ 选取需满足下列两个公式:
$$ U _ { T } = - \frac { R _ { 2 } } { R _ { 1 } } U _ { R E F } $$
$$ U _ { O M } = U _ { D Z } $$
则易得到如下结论:
1)改变 $\mathrm { R _ { 2 } }$ 与R1的比值或者 UREF的大小能水平调整 UT值,同时需要考虑到实际电路中运放输入端对于电阻值均衡的要求;
2)更换不同稳压值的双向稳压二极管能调整 $U _ { \mathrm { 0 M } }$ 值,但不推荐直接去掉双向稳压二极管;
3)将运放同相输入端和反向输入端的电路互换可以使图2(b)中高电压和低电压互换。
迟滞比较器
(1)电路构成及传输特性
迟滞比较器是一个具有迟滞回环特性的比较器。为了获得图 3(b)所示的传输特性,在反相输入单门限比较器的基础上引入了正反馈网络,如图 3(a)所示,组成了具有双门限值的反相输入迟滞比较器。同理,如 $U _ { \mathrm { I } }$ 与 $U _ { \mathrm { R E F } }$ 位置互换,也可组成同相输入迟滞比较器。由于正反馈作用,迟滞比较器的门限电压是随输入电压 $U _ { 0 }$ 变化而改变的,灵敏度降低了,但抗干扰能力却大大提高了。本案例中比较器C 由运放OP07 组成。

图 3 迟滞比较器电路构成及传输特性
(2)门限电压的估算下门限电压 $\mathbf { U } _ { T - }$ 和上门限电压 ${ \mathrm { U } } _ { T + }$ 分别是:
$$ \begin{array} { c c c } { { \mathrm { U } _ { T - } = \displaystyle \frac { R _ { 1 } U _ { O M - } } { R _ { 1 } + R _ { 3 } } + \displaystyle \frac { R _ { 3 } U _ { R E F } } { R _ { 1 } + R _ { 3 } } } } \ { { \mathrm { U } _ { T + } = \displaystyle \frac { R _ { 1 } U _ { O M + } } { R _ { 1 } + R _ { 3 } } + \displaystyle \frac { R _ { 3 } U _ { R E F } } { R _ { 1 } + R _ { 3 } } } } \end{array} $$
回差电压为:
$$ \Delta U _ { T } = U _ { T + } - U _ { T - } = \frac { R _ { 1 } ( U _ { O M + } - U _ { O M - } ) } { R _ { 1 } + R _ { 3 } } $$
根据上述理论,设计图4所示迟滞比较器实验,已知电路结构及输出特性曲线,要求逆向求解电路参数。

图 4 迟滞比较器性能研究
图4(a)中的迟滞比较器其输出波形如图4(b)所示,则 UREF、R1、R2和 $U _ { \mathrm { D Z } }$ 选取需满足下列两个公式:
$$ U _ { T } = \left( 1 + \frac { R _ { 2 } } { R _ { 1 } } \right) U _ { R E F } + \frac { R _ { 2 } } { R _ { 1 } } U _ { O M } $$
$$ U _ { O M } = U _ { D Z } $$
其中 $\mathrm { R _ { 1 } }$ 、R2的取值同时考虑运放输入端对于电阻值均衡的要求。
在这一电路中,回差电压为:
$$ \Delta U _ { T } = U _ { \mathrm { T } + } - U _ { \mathrm { T } - } = 2 \frac { R _ { 2 } } { R _ { 1 } } U _ { O M } $$
可见,
1)当 $U _ { 0 \mathrm { M } }$ 一定时,改变参考电压 $U _ { \mathrm { R E F } }$ 回差电压不变,但会令 $U _ { \mathrm { I } }$ 值水平平移;改变 R2和 R1之比,改变回差电压;
2)更换不同稳压值的双向稳压二极管可以改变 $U _ { \mathrm { 0 M } }$ 取值;
3)将运放同相输入端和反向输入端的输入信号互换可以令使传输曲线中高电压和低电压互换。
基本部分核心结论:
(1)用于电压比较器的运放,通常工作在开环或正反馈状态和非线性区,其输出电压只有高电平和低电平两种情况;(2)一般用电压传输特性来描述输出电压与输入电压的函数关系;(3)电压传输特性的三个要素是:输出电压的高低电平,门限电压和输出电压的跳变方向。令 $\displaystyle V _ { \mathrm { P } } = V _ { \mathrm { N } }$ ,所求出的 $V _ { \mathrm { I } }$ 就是门限电压; $V _ { \mathrm { I } }$ 等于门限电压时,输出电压的跳变方向决定于输入电压作用于同相输入端还是反相输入端。
2.发挥部分
发挥部分结合方波—三角波产生电路、有源滤波电路等,设计一个闭环的多波形发生器,其波形转换过程如图 5所示。

图 5 多波形发生器波形转换关系
根据图 5,该系统应分为:方波—三角波转换电路、三角波—正弦波转换电路、正弦波—方波转换电路,3个子电路。
(1)方波—三角波转换电路
这是典型的非正弦波产生电路,通常由同相输入迟滞比较器和线性积分器两部分组成(图6(a)),利用积分器延时作用触发迟滞比较器滞环作用,同时产生方波和三角波(图 6(b))。

图 6 方波—三角波转换电路
(2)三角波—正弦波转换电路
三角波转正弦波基本方法有两种:
滤波法:将三角波按傅立叶级数展开,其中含有基波和3次、5次等奇次谐波,通过低通滤波器取出基波,可得同频正弦波。
折线法:利用二极管的单向导通性,使反相放大器对不同的输入电压产生不同的增益倍数。在反馈回路上设置多支路以尽可能的令输出接近正弦波。
两种方法各有优劣。从实现效果考虑,在发挥部分使用滤波法较为合理,实现原理电路图及输出波形如图 7 所示,其中滤波器设计借助 FilterPro 软件,选取 Butterworth 型 Sallen-Key结构。

图 7 方波—三角波转换电路
(3)正弦波—方波转换电路
正弦波转换为方波可以直接使用基础部分所研究的电压比较器,单门限电压比较器与迟滞比较器均可以实现,但考虑到方波—三角波转换电路,使用迟滞比较器更为合理,实现原理电路图及输出波形如图 8 所示。

图 8 正弦波—方波转换电路
采用级间反馈,连接上述三个子电路,可基本实现三种波形的闭环产生。再根据设计指标要求,配合Ti-Tina 仿真辅助优化调参,最终得到一种可行设计如图 9 所示,波形如图 10。

图 9 发挥部分一种可行设计原理图

图 10 发挥部分一种可行设计输出波形图
发挥部分仿真设计结束后,需要在面包板上完成实物调试。该部分实现方案不唯一。依据调试结果分步骤给分。
3.拓展部分
可在课外时间,依据发挥部分电路图制作印刷电路板,由 PCB快速制板机制板,并完成焊接与调试。要求进行功能单元模块分割,预留测量点,并尽可能考虑电路保护措施,如输入输出保护、电源保护等。最简单的一种电路板设计如图 11,其中P1为电源端口,P2-P4 为功能模块分割端口兼做测试端口。PCB板如图 12所示。

图 11 多信号发生器电路板原理图

图 12 多信号发生器 PCB 图
8. 教学实施进程
简要介绍实验实施进程的各个环节(如任务安排、预习自学、现场教学、分组研讨、现场操作、结果验收、总结演讲、报告批改等)中,教学设计的思路、目的,教师、学生各自需要完成的工作任务,需要关注的重点与细节。
实验任务安排:
1.基本要求
(1)单门限电压比较器性能研究。电路结构如图 13(a)所示,并令其输入信号端 uI输入电压值从-5V到 $+ 5 \mathrm { V }$ ,观察输出波形如图 13(b)所示。输出幅度UOM为4V,UT为2V,请问应如何选取 $\mathrm { U } _ { \mathrm { R E F } }$ 、 $\mathrm { R _ { 1 } }$ 、 $\mathrm { R _ { 2 } }$ 和 $\mathrm { U _ { D Z } : \Omega ^ { \prime } }$ 搭建电路并实现图 13(b)所示传输曲线。
1)若要使图 13(b)中UT值水平调整,请问应如何改变电路参数?设计并演示;
2)若要使图 13(b)中UOM值变化,请问应如何改变电路?设计并演示;
3)若要使图 13(b)中高电压和低电压互换,请问应如何改变电路?设计并演示;

图 13 单门限电压比较器性能研究
(2)迟滞比较器性能研究。电路结构如图 14(a)所示,并令其输入信号端 uI输入电压值从-5V 到 $+ 5 \mathrm { V }$ ,观察输出波形如图 14(b)所示,输出幅度 $\mathrm { U _ { 0 M } }$ 为 4V,UT为 2V。请问应如何选取UREF、R1、R2和 $\mathrm { U _ { D Z } : }$ 搭建电路并实现图14(b)所示传输曲线。
1)使图 2(b)中 UT值变化(即滞环回差改变),应如何改变电路参数?UT值水平平移(即滞环回差不变)应如何改变电路参数?设计并演示;
2)使图 2(b)中 $\mathrm { U _ { 0 M } }$ 值变化,应如何改变电路?设计并演示;
3)使图 2(b)中高电压和低电压互换,应如何改变电路?设计并演示;

图 14 迟滞比较器性能研究
2.发挥部分
设计一个单电源 $+ 1 2 \mathrm { V }$ 供电的闭环多波形发生器,其电路框图如图15所示,请配合Ti-Tina、FilterPro等仿真设计软件择优选择实施方案,满足下述指标。
(1)图15中正弦波输出 $\mathtt { u } _ { 0 2 } = 0 . 5 { \mathtt { s i n } } 2 \ \pi$ f0t, $f _ { 0 } { = } 6 0 0 \mathrm { H z }$ ,无明显失真。
(2)图 15 中三角波输出 $\mathrm { \ u _ { 0 1 } }$ 峰峰值为 4V,三角波误差 $5 %$ 。
(3)图15中方波输出 $\mathrm { { \ U _ { 0 3 } } }$ 峰峰值为 6V;
(4)面包板设计上述设计并演示。

图 15 闭环多波形发生器
3.拓展部分
该部分可两人一组完成。使用PCB 快速制板机将发挥部分设计的电路制作印刷电路板,完成焊接与调试。要求:
(1)进行功能单元模块分割,按模块调试;
(2)预留测量点,以方便测量与演示;
(3)尽可能考虑电路保护措施,如输入输出保护、电源保护等;
(4)其他,如性能优化、功能拓展等。
完成该部分可获得额外奖励分数。
9. 实验报告要求
需要学生在实验报告中反映的工作(如:实验需求分析、实现方案论证、理论推导计算、设计仿真分析、电路参数选择、实验过程设计、数据测量记录、数据处理分析、实验结果总结等等),如:
实验报告仅撰写完成部分工作内容。
基础部分
任务的原理分析、修改的电路图、实验波形,同时解答如下思考题:
(1)图 13 和图 14(a)电路输出幅度 $U _ { \mathrm { 0 M } }$ 能否超出 15V?应如何修改电路?如果能超出是无限的吗?
(2)过零比较器如何设计?它是单门限电压比较器的特例吗?
(3)阐述迟滞比较器和窗口比较器相同之处与不同之处。
(4)从灵敏度和抗干扰能力两方面讨论单门限电压比较器、迟滞比较器和窗口比较器的应用领域。
发挥部分
完整的设计过程。必须包含设计方案对比及选择,有理论或仿真支撑。完成面包板实物制作后,需有实物电路图、实测结果等。
拓展部分
需包含设计说明:电路功能模块分割及性能说明、完整的电路原理图与 PCB 图、保护模块设计原理与实施说明、电路性能优化手段、功能拓展方法、电路实物、电路实物测量结果等。
10.考核要求与方法(限 300 字)
考核的节点、时间、标准及考核方法。
基本要求
| 类型 | 序号 | 测试项目 | 满分 | 测试记录 | 评分 | 备注 |
| 设计要求 | (1) | 图1(b)波形 | 10 | 有()无() | ||
| Ur水平调整 | 5 | 有()无() | ||||
| Uow值变化 | 5 | 有()无() | ||||
| 输出波形极性 | 5 | 转换有()无 | ||||
| (2) | 图2(b)波形 | 10 | 有()无() | |||
| 滞环回差改变 | 5 | 不失真 | ||||
| Ur水平调整 | 5 | 有()无() | ||||
| 输出波形极性 | 5 | 转换有( )无( ) | ||||
| 总分 | 50 | 总得分 | ||||
发挥部分
| 类型 | 序号 | 测试项目 | 满分 | 测试记录 | 评分 | 备注 |
| 公玩 | (1) | U102 | 9 | 有()无() | ||
| 失真 | 5 | 有()无() | ||||
| (2) | U01 | 8 | 有()无() | |||
| 三角波误差 | 5 | 5%内 | ||||
| (3) | U03 | 8 | 有()无() | |||
| 峰峰值 | 5 | 6V | ||||
| (4) | Uov超出15V | 5 | 有()无() | |||
| (5) | 输入过压保护 | 5 | 有()无() | |||
| (6) | 输出过流保护 | 5 | 有()无() | |||
| (7) | 电源接反保护 | 5 | 有()无() | |||
| (8) | 实验报告质量 | 40 | ||||
| 总分 | 100 | 总得分 | ||||
拓展部分
| 类型 | 序号 | 测试项目 | 满分 | 考察点 | 评分 | 备注 |
| 自 | (1) | 电路打印制板 | 10 | 布板合理性 | ||
| (2) | 电路焊接调试 | 10 | 焊接技能、调试技巧 | |||
| (3) | 电路性能拓展 | 10 | 性能指标的拓展 | |||
| 总分 | 30 | 拓展部分总得分 | ||||
11.项目特色或创新(可空缺,限 150 字)
- 强调电路结构特点、应用场合、调试方法,促进功能、原理、结构、性能、应用的掌握。
- 从系统角度认识基本电路,从局部到全局给出电路及输出波形,选择参数,要求输出波形多参数变化,加强定性定量分析,具备正、反设计思想。
- 多波形产生电路设计,综合考虑各子电路间协调与制约的辩证关系、拓展方法,体现系统性。
参赛信息表
| 案例提供单位 | 北京化工大学信息学院 | 相关专业 | 自动化类 | |||
| 设计者姓名 | 曹晰 | 电子邮箱 | caoxi@mai l. buct.edu. cn | |||
| 移动电话 | 18810568060 | 通讯地址(含邮编) | 北京市朝阳区北三环东路15号 | |||
| 设计者姓名 | 袁洪芳 | 电子邮箱 | yuanhf@mai l.buct. edu.cn | |||
| 移动电话 | 18618460620 | 通讯地址(含邮编) | 北京市朝阳区北三环东路15号 | |||
| 设计者姓名 | 吴迪 | 电子邮箱 | wudi@mail.buct.edu.cn | |||
| 移动电话 | 18513440500 | 通讯地址(含邮编) | 北京市朝阳区北三环东路15号 | |||
| 相关课程信息 | 模拟电子技术 | 学生年级 | 二年级 | 学时(课内+课外) | 4 | |
| 支撑条件 | 仪器设备 | 示波器、直流稳压电源、PCB快速制板系统 | ||||
| 软件工具 | Tl-Tina、FilterPro、Altium Designer | |||||
| 主要器件 | OP07、电阻、电容、稳压二极管 | |||||