高频功率放大及天线匹配实验电路的设计
高频功率放大及天线匹配实验电路的设计
1. 课程简要信息
课程名称:通信电子线路实验
课程学时:课内24、课外24
项目学时:课内8、课外8
适用专业:通工、电工、电波传播等专业
学生年级:大二、下学期
2. 实验内容与任务(限 500 字,可与“实验过程及要求”合并)
本项目涉及到高频谐振功率放大器的主要知识点,其中高频丙类谐振功放和天线匹配电路的设计与实现是本项目的重难点。丙类高频谐振功放的负载为电阻或天线,通过阻抗匹配软件和网络分析仪,从仿真和实践两个方面深入探讨阻抗匹配网络的设计与实现,达到理论与实践融会贯通的目的。总体而言,本设计的主要任务包括:
1)了解丙类功率放大器的基本工作原理和物理过程,掌握丙类放大器的调谐,理解功放的动态特性;
2) 掌握功放功率和效率的测算方法,设计一个能对频率范围 $3 \mathrm { M H z } { \sim } 3 0 \mathrm { M H z }$ ,幅度为50 −$2 0 0 \mathrm { m V }$ 的高频信号进行功率放大的丙类高频谐振功放,重点测试功放的放大特性、负载特性等动态特性;
3) 采用电阻负载时,通过改变电阻的阻值,完成负载特性测试。采用天线负载时,借助网络分析仪完成天线匹配测试,重点测试天线发射及发射-接收的匹配情况;
4)分别将电阻和天线作为功放负载接入电路,观察记录两种负载的输出波形和幅值,对比分析天线负载的匹配效果。
3. 实验过程及要求(限 300 字)
1)学习高频谐振功率放大器有关章节,重点掌握丙类谐振功放的原理和测试方法;
2) 尽可能多地查找高频功率管或集成功放、高 Q 值的高频电感、可调电容,了解常用天线的型号和接口形式;
3)借助仿真软件,设计丙类谐振功放,选择电阻作为负载,调整电路工作状态,记录输出波形和幅值,测试丙类谐振功放的动态特性;
4)利用网络分析仪和阻抗匹配软件,确定天线阻抗和匹配网络的参数,分别将实现匹配和未实现匹配的天线作为发射端和接收端,测试四组不同的天线发射-接收网络;
5)选择天线作为负载,调整匹配网络和功放电路工作状态,观察记录输出波形和幅值,对比分析电阻负载和天线负载的实际效果;
6)整理实验波形和数据,撰写实验报告。
4. 相关知识及背景(限 150字)
由于高频谐振功放知识点多,概念抽象复杂,导致学生容易混淆概念,造成理解困难。本项目以电阻或天线为功放的负载,设计一套高频谐振功放及天线匹配实验电路,需要运用串并联谐振、功率放大、阻抗匹配、史密斯圆图和反射系数等相关知识与技术方法。并涉及电路仿真、回路调谐、阻抗匹配、动态特性调整等工程概念与方法。
5. 实验环境条件
项目实施所需的实验仪器清单如表 1 所示。所有设备均为参考型号,不是特殊指定。另外,还可以作为选配的设备如频谱分析仪、LCR 测量仪、电流表等,未在表中体现。设计软件包括NI推出的电路仿真工具 Multisim(或 ADI 推出的电路仿真工具 LTspice、TI 推出的电路仿真工具 TINA 等)、阻抗匹配计算软件Smith V3.10(或Agilent推出的电路仿真工具ADS)。主要电子元器件包括高频功率管、可调电容和高频电感电容等。
表 1 测试仪器清单
| 序号 | 仪器 | 型号 | 品牌 | 主要参数 |
| 1 | 直流稳压电源 | DP832 | Rigol | 32V3A/双路 |
| 2 | 高频信号源 | DG4162 | Rigol | 160MHz/双路 |
| 3 | 数字示波器 | DSO-X2022A | Keysight | 200MHz/双路 |
| 4 | 网络分析仪 | E5063A | Keysight | 100kHz-4.5GHz |
6. 教学目标与目的(限 150 字)
通过设计高频谐振功放实验电路,将天线引入实验教学,增强实验的综合性和趣味性,提高学生参与实验积极性的同时,深化学生对阻抗匹配的认识。从史密斯圆图入手,利用仿真软件和网络分析仪详细解读阻抗匹配的实现过程,完成功率放大和无线收发功能,引导学生根据需要设计、调试、测试电路,达到理论与实践融会贯通的目的。
7. 教学设计与实施进程
从高频谐振功放及天线匹配的设计实现过程中,引导学生掌握高频谐振放大的原理、类型、设计、安装与调试方法;引导学生根据项目性能要求设计方案、选择元器件,构建测试环境与条件;通过输出阻抗匹配网络实现天线负载的匹配,并通过测量输入反射系数 S11 和正向传输系数 S21,验证匹配网络对电路性能和传输效率的影响,并通过测试和原始数据分析,对系统性能指标做出定量的技术评价。在实验教学中,应在以下几个方面加强对学生的引导:
1)学习通信电子线路的功放有关章节,掌握甲乙丙等几种类型的谐振放大器原理、常用基础电路和设计测试方法。根据“实验内容与任务”,全面弄清本实验的技术指标以及要实现的整体功能;
2) 尽可能多地查找高频功率管或集成功放,查找高 Q 值的高频电感,查找可调电容的取值范围和型号,查找常用天线的型号、尺寸和接口形式;
3) 熟悉基本仪器的使用,通过仪器之间的简单互连(如用信号源和示波器直接连接,通过示波器观察信号源输出信号,并用光标手动测量),锻炼思维,提高解决问题的能力;
4) 设计丙类谐振功率放大器,通过仿真软件优化参数;
5) 选择开关连接电阻负载,调整电路工作状态,记录输出波形和幅值,测试丙类谐振功率放大器的放大特性、调制特性和负载特性,实现完整的系统功能。测试时,可以按照“先离线、后在线;先静态、再动态”的总体指导方针,每次只改变一个变量,将重点放在想要解决的某一个特定问题上。有疑问时,也可以参考实验指导书上提供的参考波形和实验数据;
6) 利用网络分析仪和阻抗匹配软件,确定天线阻抗和匹配网络的参数,测量输入反射系数 S11,确定匹配电路元器件取值;
7)分别将实现匹配和未实现匹配的天线作为发射端和接收端,形成四组不同的天线发射-接收网络,测试网络的正向传输系数 S21;
8) 选择开关连接匹配网络和天线负载,调整电路工作状态,观察记录输出波形和幅值,对比分析电阻负载和天线负载的实际效果;
9)撰写设计总结报告,实验报告应给出实测数据、实测波形,并对数据的合理性给出分析。
在设计中,要引导学生利用理论指导实践,注意学生参数选取的合理性,如计算谐振频率时,建议先固定电感量,再计算电容值;确定匹配网络的参数时,也应该先固定电感量,同时尽量使匹配网络只引入一个可调器件,比如可调电容,从而降低电路的调试难度。在整个实验完成后,可以组织学生以项目演讲、答辩、评讲的形式进行交流,了解不同解决方案及其特点,拓宽知识面。
8. 实验原理及方案
8.1 高频谐振功放原理
凡是采用谐振选频网络作为输出电路的放大器统称为谐振放大器。根据静态工作点的不同,谐振放大器可分为甲类谐振放大器、乙类谐振放大器、丙类谐振放大器等几种常用类型。图 1 是放大器工作在甲乙丙三种不同状态时的输入、输出波形。可以看出,三种工作状态各有优缺点。甲类放大器工作状态具有所需输入信号幅度小、输出信号不失真等优点,但工作效率较低。乙类、丙类放大器工作状态虽然工作效率较高,但是存在着输出信号失真大、所需输入信号幅度大等缺点。

图 1 放大器工作在三种状态下的工作波形

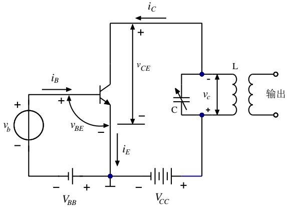
图 2 高频功率放大原理电路
高频谐振功放原理电路如图 2 所示。 $V _ { B B }$ 、 $V _ { C C }$ 分别为基极直流偏置电压和集电极电源电压,其中直流偏置电压 $V _ { B B }$ 往往接成反向偏置形式,确保放大器处于丙类工作状态。电感??、电容??组成集电极调谐回路,对信号进行频率选择。虽然集电极电流 $i _ { C }$ 是脉冲状,但是由于选频网络的作用,谐振回路的输出几乎只含有基频分量。
高频谐振功放一般多用于发射机的末级电路,是发射机电路的主要组成部分。高频谐振功放电路的电流消耗往往要占到整机耗电量的绝大部分,所以功率放大器工作状态的优劣以及工作效率的高低就相当重要。高频谐振功放一般采用丙类谐振放大器,不同的倍频导通角的选择原则可以参考图3,可以看出,为了兼顾输出功率和效率,导通角通常取值范围为 $\theta c = 6 0 ^ { \circ } { \sim } 8 0 ^ { \circ }$ ,工程应用中一般取 $. \theta c = 7 0 ^ { \circ }$ 左右。 $\theta c { = } 6 0 ^ { \circ }$ 时, $\alpha _ { 2 }$ 达到最大值, $\theta c = 4 0 ^ { \circ }$ 时, $\alpha _ { 3 }$ 达到最大值,这些数值是设计倍频器的参考值。

图 3 尖顶余弦脉冲分解系数
当谐振功放的直流偏置电压 $V _ { B B }$ 、电源电压 $V _ { C C }$ 、激励电压 $V _ { b m }$ 或负载电阻 $R _ { L }$ 发生变化时,放大器的集电极电流 $i _ { C }$ 、输出电压 $V _ { C m }$ 及各功率、效率会随之发生变化,分析这些变化,分别可以得到放大器的基极调制特性、集电极调制特性、放大特性和负载特性。比如,固定直流偏置电压 $V _ { B B }$ 、电源电压 $V _ { C C }$ 和激励电压 $V _ { b m }$ 不变时,改变负载电阻 $R _ { L }$ 的大小,可测得谐振功放器的负载特性曲线。外部参数变化对谐振功放工作状态的影响汇总如表2所示。
表 2 动态特性汇总表
| 动态特性 | 自变量 不变量 | 因变量 | 工作状态调整 | 特性曲线 |
| 负载特性 | Vbm、VBB、Vcc、Rp | 欠压→临界→过压 | 旋转 | |
| 集电极调制特性 | Vbm、VBB、Vcc、Rp | Ico、Icm1 | 过压→临界→欠压 | 平移 |
| 基极调制特性 | Vbm、VbB、Vcc、Rp | Vem、Po、nc | 欠压→临界→过压 | 平移 |
| 放大特性 | Vbm、VBB、Vcc、Rp | 欠压→临界→过压 | 旋转 |
8.2 阻抗匹配
在高频电路中,为了保证信号或能量有效地从“信号源”传送到“负载”,往往需要进行阻抗匹配。阻抗匹配的好坏决定着电路性能的优劣,具有非常重要的意义。以高频功率放大器为例,高频功率管的输入输出阻抗一般只有几欧姆,然而通常高频系统的标准阻抗是 $5 0 \Omega$ 。为了获得更好的功率传输性能,晶体管输入输出的阻抗值要匹配到标准阻抗 $5 0 \Omega$ ,解决功率传输时阻抗不匹配的问题。工程应用中,可以通过在信号源端和负载端插入集总或分布参数元件构成阻抗匹配网络,从而达到阻抗匹配的目的,前者主要用于较低频率,后者主要用于更高的频率。
根据所处位置的不同,阻抗匹配网络主要分为输入匹配网络、级间匹配网络和输出匹配网络。输入匹配网络处于输入端和中间级之间,级间匹配网络处于两个中间级之间,输出匹配网络处于中间级和输出端之间。根据电路形式的不同,阻抗匹配网络主要分为L型、T型和Π型,每种类型的阻抗匹配网络各具特色,适用于不同的情形,具体情况如表3所示。

8.3 史密斯圆图
史密斯圆图是在反射系数平面上标绘有归一化输入阻抗(或导纳)等值圆簇的计算图,主要用于阻抗匹配。在史密斯圆图中,仅沿着圆周线读取并跟踪数据,就可以直接得到系统的匹配阻抗,规避了复杂的计算,使用非常方便。史密斯圆图如图 4 所示,红色实线代表等实部阻抗圆图,红色虚线代表等虚部阻抗圆图,蓝色实线代表等实部导纳圆图,蓝色虚线代表等虚部导纳圆图。负载短路时,圆退化为一个以(-1,0)为圆心、半径为 0 的点(图 1 中的 P1),此时反射系数 S11 为-1。负载开路时,圆退化为一个以(1,0)为圆心、半径为 0 的点(图1中的P3),此时反射系数 S11为1,即所有的入射波都被反射回来。负载匹配时,反射系数 S11 为 0,处于史密斯圆图的圆心(图 4中的P2),传输效率最大。
根据感性或容性,可以将史密斯圆图分为上下两个区域。考察阻抗圆时,上半部分为感性区域,下半部分为容性区域;考察导纳圆时,上半部分为容性区域,下半部分为感性区域。以电容或电感匹配为例,可以结合阻抗圆和导纳圆,将阻抗匹配分为四种类型: $\textcircled{1}$ 使用等实部阻抗圆进行电感串联匹配,阻抗圆路径按顺时针旋转; $\textcircled{2}$ 使用等实部阻抗圆进行电容串联匹配,阻抗圆路径按逆时针旋转; $\textcircled{3}$ 使用等实部导纳圆进行电感并联匹配,导纳圆路径按逆时针旋转; $\textcircled{4}$ 使用等实部导纳圆进行电容并联匹配,导纳圆路径按顺时针移动。需要强调的是,为使天线的功率最大化,尽量不要使用电阻进行匹配,否则会因串联分压或并联分流导致天线的效率降低。

图 4 史密斯圆图
工程应用时,可以借助史密斯圆图阻抗匹配计算软件 Smith 3.1进行仿真设计,如图 5 所示。设置工作频率为 $8 . 5 \mathrm { M H z }$ ,假设某天线的初始阻抗值为 $( 8 8 . 0 2 - j 9 7 8 . 9 7 ) \Omega$ ,处于图 5中的点1。经过串联电感 $2 0 . 1 \mu \mathrm { H }$ ,使等效阻抗经过等实部阻抗线移动至点 2。再经过并联电感 $5 . 8 \mu \mathrm { H }$ ,使等效阻抗经过等实部导纳线移动至点 3。最后,经过串联电容 $2 2 4 . 6 \mathrm { p F }$ ,使等效阻抗经过等实部阻抗线移动至点 4。可以看出,点4接近史密斯圆图的原点,代表阻抗约为 $5 0 \Omega$ ,至此,阻抗匹配完成。

图 5 史密斯圆图实现阻抗匹配
8.4 元器件选型
与低频电路不同的是,为了达到良好的电路效果,除了选取正确的参数外,高频器件的选择是非常讲究的。对于本项目而言,电感、功率管和天线是三个比较关键的器件。
电感
实际应用中,通常电容有较低的损耗,而高频电感的损耗比较大,因此高频电感的选择尤为重要。表4 以 $2 7 \mathrm { n H }$ 为例,列出了几种常用电感类型的基本参数。不难发现,不同类型的电感,Q值是不一样的,贴片绕线电感和空心电感的Q值较高,直插色环电感次之,贴片叠层电感最次。如果在设计过程中对电感有特殊要求,可以自己动手绕制空心电感,并借助Keysight的LCR测量仪E4980AL确定电感量和品质因素Q值。考虑到安装的便捷性和性价比,往往选择直插色环电感。
表 4 不同类型电感的比较(以 $2 7 \mathbf { n H }$ 为例)
| 序号 | 类型 | 型号 | Qmin | 测试频率 | 制造商 |
| 1 | 贴片叠层电感 | LQG18HH27NJ00 | 12 | 100 MHz | MURATA |
| 2 | 贴片绕线电感 | LQW2BAN27NG00 | 85 | 500 MHz | MURATA |
| 3 | 空心电感 | 744912127 | 100 | 150 MHz | WE |
| 4 | 直插色环电感 | IM-2 | 40 | 25 MHz | VISHAY |
》 功率管
在高频谐振功率放大器设计中,高频功率管作为核心器件之一,决定着电路的成败和性能好坏。表 5 列出了几种典型高频功率管的基本参数。可以看出,实验时可选的高频功率管很多,学生可以根据自己的情况灵活选择,也可以上立创商城、华强芯城或 DigiKey 等在线商城了解更多选型。
表 5 不同型号高频功率管比较(典型值)
| 序号 | 制造商 | 型号 | 封装 | Po/W | Ic/A | fr/MHz |
| 1 | MITSUBISHI | 2SC1970 | 直插 | 1.2 | 0.6 | 175 |
| 2 | NXP | BCP55 | 贴片 | 1.35 | 1 | 180 |
| 3 | FAIRCHILD | FJD3076 | 贴片 | 1 | 2 | 100 |
| 4 | ON | NJT4031N | 贴片 | 2 | 3 | 215 |
➢ 天线
实验要求的频率范围为 $3 \mathrm { M H z } { \sim } 3 0 \mathrm { M H z }$ ,可选的天线型号较多,表6列出了几种常用的天线型号。实验时,为了方便安装调试,默认选择 SMB 接口的拉杆天线,推荐拉伸长度 $1 . 2 \mathrm { m }$ 。学生也可以用一根长导线作为天线的替代,与拉杆天线做对比实验。
表 6 不同型号的天线
| 序号 | 型号 | 接口 | 特点 |
| 1 | 拉杆天线 | 多种 | 调试方便,长度可伸缩 |
| 2 | 八木天线 | 多种 | 信号稳定,增益高,占地面积大 |
| 3 | 车载天线 | 多种 | 引线长,安装灵活 |
| 4 | 导线 | 自制 | 长度任意,可自由定制 |
8.5 实验方案
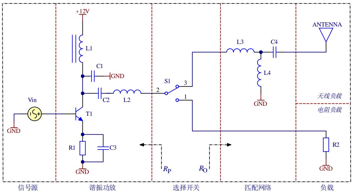
实验典型方案如图 6 所示,主要包括信号源、谐振功放、选择开关、匹配网络和负载五部分。信号源产生高频正弦信号,提供谐振功放所需的激励;谐振回路由电感 $L 2$ 和电容 $C 2$ 构成,采用并馈串联形式(也可采用串馈并联等形式);电阻 R1 和电容 C3 构成自给偏置回路,保证谐振功放工作在丙类状态;负载采用电阻或天线,通过选择开关 S1在常开或常闭之间切换。采用天线作为功放负载时,由于丙类谐振功放所要求的最佳负载阻抗 $\mathrm { \cdot } R _ { \mathrm { P } }$ 较小,而天线负载的阻抗 $R _ { 0 }$ 又很大,且含有较大的虚部分量,在功放和天线负载之间引入匹配网络,起到阻抗匹配的作用。匹配网络由电感 $L 3$ 、$L 4$ 和电容C4组成,结合表 3的分析,匹配电路推荐采用T型结构,也可尝试采用其它结构。

图 6 高频谐振功率放大及天线匹配实验方案
图 6 中,为使丙类二倍频电路的输出功率达到最大值,取三极管导通角 $\theta _ { C } = 6 0 ^ { \circ }$ , $c o s \theta _ { C } =$ $c o s 6 0 ^ { \circ } = 0 . 5$ 。取三极管导通压降 $V _ { B Z } = 0 . 7 V$ , $V _ { B B } = 0$ ,可得输入电压 $\begin{array} { r } { V _ { b m } = \frac { V _ { B Z } - V _ { B B } } { \cos \theta _ { c } } = 1 . 4 V } \end{array}$ = ??????−?????? = 1.4??,这就是丙类二倍频电路要求的输入电压幅值。同理,取 $\theta _ { C } = 7 0 ^ { \circ }$ ,求得输入电压幅值 $V _ { b m } \approx 2 V$ ,这就是丙类谐振功放电路要求的输入电压幅值。
测试基极调制特性时,可以利用信号源的另外一个通道产生低频调制信号,通过电容耦合接入基极。采用电阻作为功放负载时,要求电阻 $R 2$ 方便更换,以试验负载变化时功放电路的动态特性。采用天线作为功放负载时,要求天线拆装方便,以便借助网络分析仪测量天线的初始阻抗值,以及测试不同天线发射-接收网络的性能。
9. 实验报告要求
实验报告需要反映以下工作:
1)实验需求分析:根据实验内容和任务完成需求分析;
2)实现方案论证:结合理论课程,完成方案选择、关键参数的推导和计算;
3) 电路设计与参数选择:通过软件仿真论证参数的可行性,并对参数进行微调;
4)实验电路测试,应给出以下几点:
测试高频谐振功放电路的放大特性;测试高频谐振功放电路的负载特性;测试谐振动率放大器的基极调制特性;确定天线阻抗和匹配网络的参数,测量输入反射系数 S11;测试天线发射-接收网络的正向传输系数 S21;
5)实验数据记录:包括数据表格、示波器得到的波形图以及网络分析仪得到的阻抗圆图;
6)数据处理分析与结果分析,重点对比分析电阻负载和天线负载的实际效果;
7)实验结果总结与实验心得,包括遇到的问题和对应的解决办法。
10.考核要求与方法(限 300 字)
实验完成后,考核的要求与方法包括:
1) 实物验收:完成“实验内容与任务”与性能指标的程度、进度,处理故障的能力。
2) 实验质量:电路方案的合理性、焊接质量、组装工艺;
3) 自主创新:自主思考与独立实践能力,电路设计的创新性;
4) 实验材料:元器件选择合理性、性价比及可采购性,鼓励优先利用实验室已有器件;
5) 实验数据:测试数据、测量波形及对数据的分析和处理,必要时借助仿真软件进行测试和分
析;
6) 实验报告:实验报告的规范性与完整性;
表 7 考核要求与方法
| 要求 | 内容 | 得分 | 备注 |
| 基本要求 | 方案选择,关键参数的推导和计算 | 10 | 必要时借助仿真软件进行测试和分析 |
| 功放输出功率尽量大,波形无明显失真 | 20 | ||
| 电阻负载时的动态特性测试 | 30 | ||
| 提高要求 | 天线负载时的动态特性测试 | 20 | |
| 天线发射-接收网络测试 | |||
| 报告要求 | 实验报告规范整洁,回答思考题 | 20 | 报告中出现的所有电路图、数据表格和散点图全部要求自行绘制 |
| 实验数据和数据处理完整、规范 |
11.项目特色或创新(可空缺,限 150 字)
项目的特色在于:
1)实验的综合性和趣味性很强,通过设计高频谐振功放电路,将天线引入实验教学,提高学生参与实验积极性的同时,实现理论与实践融会贯通;
2)实验的难度可控,可以根据学时多少和学生的不同情况灵活调整实验要求,如要求高的学生自己动手完成天线接收后的放大和解调,实现一套相对完整的无线收发系统。
附 件

附录 2:授课现场

第1章高频电子线路实验基础知识
1.1研究高频电子实验的意义…
1.2高频电子线路实验的内容方法
1.2.1高频电子线路实验的内容高频电子线路实验的一般过程高频电子线路实验的基本方法 3高频电子线路实验注意事项 4高频电子线路实验的特点 66
第2章高频电子线路基础实验 7
2.1高频小信号调谐放大器
2.1.1 实验目的
2.1.2实验原理 实验电路 8 实验内容及步骤 9 思考题
2.1.6实验报告 1
2.1.7实验参考现象 11
2.2高频功率放大器及倍频器
2.2.1 实验目的 12
2.2.2实验原理 12
2.2.3实验电路 15
实验内容及步骤 17
思考题… 18
2.2.6实验报告 18
2.2.7实验参考现象 18
2.3LC振荡器 21
2.3.1实验目的 21
2.3.2实验原理 21
实验电路 23
实验内容及步骤 23
2.3.5思考题 25
2.3.6实验报告 25
附录4:教学日历(扫描件)
课程:高频电子线路实验院系:电子信息学院专业:电工通工电科电波班级:2019级


附录5:仿真软件的使用
史密斯图实现阻抗匹配原理

附录 6:学生作品
学生作品

附录 7:网络分析仪校准件使用
网络分析仪物理校准件校准

附录 8:网络分析仪测试天线和匹配网络
网络分析仪测试天线和匹配网络
附录 9:实验数据及处理(部分)
丙类高频谐振功放负载特性测试表
| 序号 | 负载电阻R2/Ω | 输出电压Um/V | 输出功率Po/W |
| 1 | 24 | 2.05 | 0.09 |
| 2 | 51 | 4.05 | 0.16 |
| 3 | 100 | 7.45 | 0.28 |
| 4 | 150 | 9.60 | 0.31 |
| 5 | 200 | 11.15 | 0.31 |
| 6 | 240 | 11.55 | 0.28 |
| 7 | 390 | 11.75 | 0.18 |
| 8 | 470 | 11.90 | 0.15 |
| 9 | 680 | 11.97 | 0.11 |
| 10 | 1000 | 11.98 | 0.07 |

负载电阻-输出电压/输出功率曲线

天线匹配前后的史密斯圆图

负载端输出波形对比

天线发射-接收网络测试