高频谐振功率放大器
实验题目:高频谐振功率放大器(4 学时)
1. 课程简要信息
课程名称:高频电子线路实验
课程学时: 28学时
项目学时:(课内 4学时)
适用专业:(通信工程、信息工程)
学生年级:三年级(第5学期)
2. 实验内容与任务(限 500 字,可与“实验过程及要求”合并)
1)将原理图与实验板对照,找到功放相对应的元器件及开关,说明它们的作用。
2) 掌握谐振功率放大器调谐的方法,测量 $\mathrm { I _ { C 0 } }$ 、 $\mathrm { U } _ { \mathrm { a } } { \sim } \mathrm { C } _ { \mathrm { K } }$ 的调谐曲线。在调谐过程中用集电极电流 $\mathrm { I } _ { \mathrm { C 0 } }$ 作指示,分别使用示波器接衰减探头和开路探头去测量集电极回路电压 $\mathrm { U _ { a } }$ 。在调谐过程中观察输出波形的变化;
3) 讨论使用衰减探头和开路探头测量的差异及其原因;
4) 讨论 $\mathrm { I _ { C 0 } }$ 最小值与 $\mathrm { U _ { a } }$ 最大值往往不同时出现的原因;
5) 使用频谱仪观察测量谐振回路输出信号在调谐过程中频谱的变化;和示波器测量结果进行对比。
6) 掌握放大器输出功率及效率的测量方法;
7) 谐振功率放大器负载特性的测试。掌握放大器临界状态的调整方法;找到临界电阻阻值。画出 $\mathrm { { U _ { a } } }$ 、 $\mathrm { I _ { C 0 } }$ 、 $\mathrm { P _ { D C } }$ 、 $\mathrm { P _ { A } } .$ 、η $\Sigma ^ { \sim } \mathrm { R _ { A } }$ 对应曲线,
8) 讨论在调谐特性实验时,负载电阻为何选择 2K 欧,而不能是 100 欧。
9) 用示波器观察输出波形,找出负载电阻 $\mathrm { R _ { A } }$ 大小变化对输出波形影响的规律,并讨论其原因。
10)学习电源电压 Ucc 变化时对工作状态的影响。设计测量电源电压 Ucc 变化时对工作状态的影响的方法。测试数据并画出 $\mathrm { I _ { C 0 } }$ 、 $\mathrm { { U _ { a } } }$ 、 $\mathrm { P _ { A } { \sim } E _ { c } }$ 曲线。
11)撰写实验报告,互相交流讨论实验中遇到的各种问题及解决方案。
3. 相关知识及背景(限 150 字)
在通信系统中,高频谐振功率放大器是利用选频网络作为负载回路的高频功率放大器,是无线电发射机中的重要组成部分。对高频谐振功率放大器的调谐、调整和测量是解决工程实际问题重要的方法,需要运用高频功率放大器的调谐特性和阻抗特性、输出功率和效率的计算等相关理论知识和方法,还涉及到频谱分析仪的使用等工程实践技能。
4. 实验环境条件
1)双路直流稳压电源 固纬GPD3303D
2)数字万用表 优利德 UT39B
3)数字存储示波器 鼎阳 SDS5104X
4)频谱分析仪 泰克 RSA306
5)高频谐振功率放大器实验电路板一块
5. 教学目标与目的(限 150 字)
通过实验使学生进一步熟悉高频功率电路及其元件,掌握谐振功率放大器的工作原理以及负载阻抗、集电极电源电压对工作状态的影响。掌握谐振功率放大器调谐、调整和测量技能和频谱仪的基本使用方法。引导学生结合理论知识设计完整的高频电路测试方案,并能初步分析测试值与实际值之间的误差,重点培养学生的实践工程素质。
6. 教学设计与实施进程
本实验的过程是一个比较完整的工程实践工程,需要经历学习研究、系统设计、测试、设计总结等过程。在实验教学中,应在以下几个方面加强对学生的引导:
1) 高频电路和低频电路中使用的电感、电容等元器件有着很大的差异,故在介绍实验电路时,需要重点结合工程实际讲述如何选择高频电路中的元器件,以及电路中传输线变压器的制作方法。
2) 对于谐振功率放大器调谐的基本方法,主要讲解和让学生了解选择用集电极平均电流 IC0和回路电压Ua作谐振点指示的区别及实验中用集电极平均电流 $\mathrm { I _ { C 0 } }$ 作谐振点指示的原因。
3)针对学生很少会用万用表测电流这一现象,详细讲述万用表测电流的方法,从而引导学生掌握集电极平均电流 $\mathrm { I _ { C 0 } }$ 的测量方法。
4)测试调谐特性完成后,引导学生思考 $\mathrm { I _ { C 0 } }$ 最小值与 $\mathrm { { U _ { a } } }$ 最大值往往不同时出现的原因,并要求报告中进行分析。
5) 在调谐实验时,讲述开路探头和衰减探头两种探头的区别,然后分别去观察输出信号波形,使学生充分体会电缆分布电容对高频电路的影响,理解在高频电路测试中,使用衰减探头的必要性。
6) 使用频谱仪测量时,通过在线多媒体平台让学生再次加深印象;由于集电极回路输出电压较高,且阻抗和频谱仪不匹配,因此使用频谱仪测量时让同学特别注意在输入端要加衰减器和阻抗匹配网络。
7) 学习谐振功率放大器调整的基本方法,掌握如何将谐振功率放大器工作状态调整至临界状态。
8)实验电路设计当负载为 1kΩ 时,功率放大器处于临界状态。故在做调谐特性时,负载电阻选择为 2KΩ,放大器处于弱过压状态。通过负载特性的测试,学生找出临界阻值后,引导学生去探究和讨论调谐时负载电阻选择为2KΩ 而不是其它阻值的原因。
9)简略地介绍电源电压 Ucc 对工作状态的影响,要求学生自己设计测量电源电压 Ucc 对工作状态的影响的测量方法和步骤,测试完成后将结果和理论对比。
10)在实验完成后,可以组织学生以小组讨论的形式进行交流,了解不同设计方案,拓宽知识面。
7. 实验原理及方案
1)系统方框图

图1 系统方框图
2) 实验电路

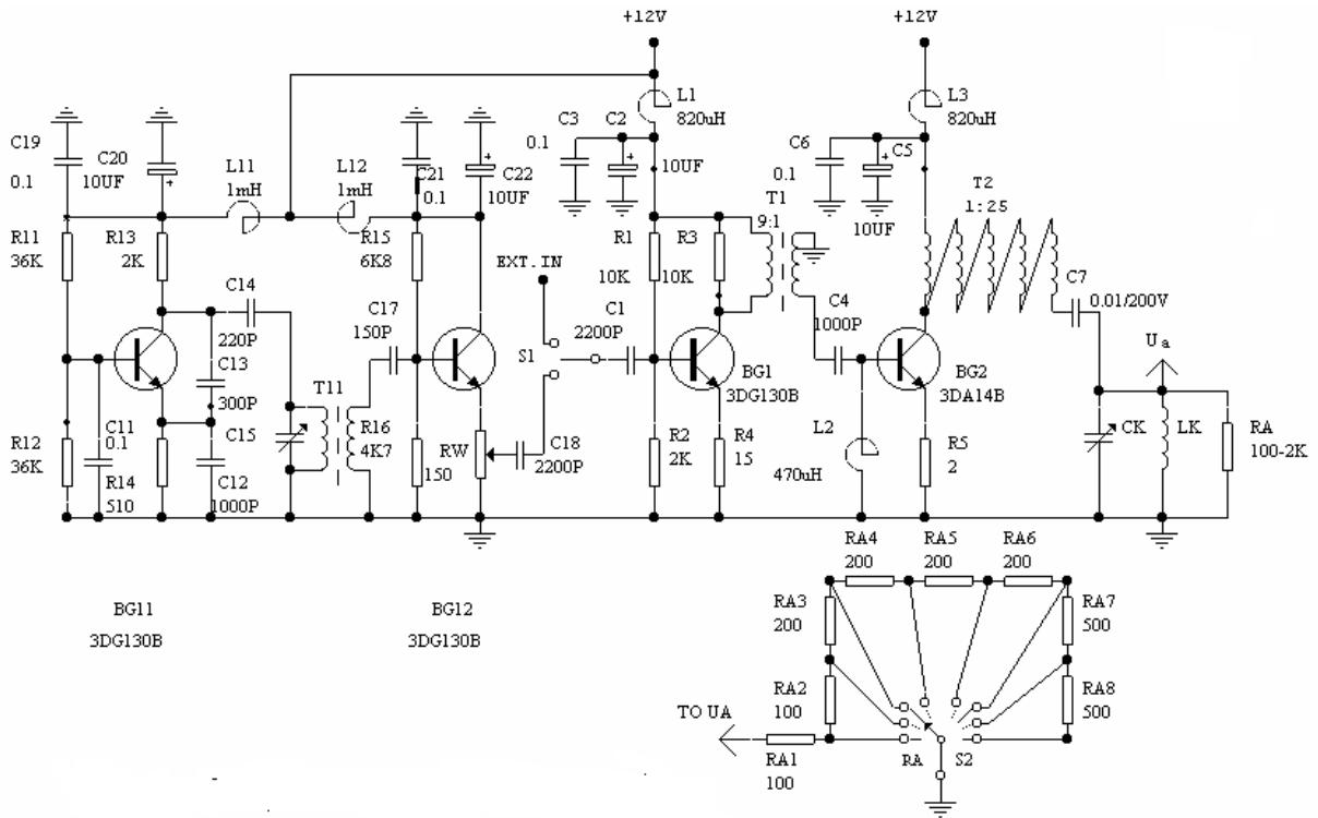
图2 高频谐振功率实验电路图
本实验电路前三级组成高频功率放大器的激励器,其中第一级为改进型电容反馈式振荡器,产生6MHz高频信号(频率可通过微调电容调整)。第二级为射随器,起隔离作用,并借助与射极连接的电位器 Rw 改变输出,控制对末级激励的强弱。第三级是宽带放大器,为了与功率放大器匹配,集电极采用了阻抗变换比为 9:1 的降压变压器。前三级电源电压为 12V,加载时可提供功放级激励电压 $\mathrm { U } _ { \mathrm { b m a x } } { > } 2 . 5 \mathrm { V }$ (有效值)。
放大器末级为功率放大器。该级选用3DA14高频大功率晶体管,集电极电压为12V(也可适当提高)。射极电阻 ${ \tt R } _ { 5 }$ 为 $2 \Omega$ ,起负反馈作用,使该级稳定工作。放大器工作于丙类。在集电极供电端与稳压电源之间串入一只直流电流表,用来测量集电极供电电流 $\mathrm { I _ { C 0 } }$ 。因为晶体管放大器的输出阻抗较低,放大器的负载由 $\mathrm { L } _ { \mathrm { K } }$ 、 $\mathrm { C } _ { \mathrm { K } }$ 、 $\mathrm { R _ { A } }$ 并联回路组成(通过改变 $\mathrm { R _ { A } }$ 可改变负载电阻的大小),谐振时其阻抗较高,必须采用阻抗变换电路进行匹配。故集电极通过一阻抗变换比为 1:25的宽带变压器与其耦合。通过开关 $\mathbf { S } _ { 2 }$ 可选择不同的负载电阻 $\mathrm { R _ { A } }$ 与回路并联。
3)调谐特性
调谐特性是指谐振功率放大器集电极回路在调谐过程中,集电极平均电流 $\mathrm { I _ { C 0 } }$ 及回路电压 $\mathrm { { U _ { a } } }$ 的变化特性。理论分析如图所示。由图3可见,当回路自然谐振频率 $\omega _ { \textup { o } }$ 与激励信号源频率恰好一致时,即称为谐振。此时 $\mathrm { I _ { C 0 } }$ 最小, $\mathrm { U _ { a } }$ 最大,故以此作为谐振指示。
在什么状态下进行调谐最好呢?由理论分析得知:放大器工作于欠压状态时,集电极电流 $i _ { \mathrm { c } }$ 是尖顶脉冲,且变化不大;而在过压状态时, $i _ { \mathrm { c } }$ 是凹顶脉冲,变化很明显。为使调谐明显,可在过压状态下进行。当然要防止在强过压状态下工作,晶体管被击穿。经过上面分析,得出以下两条结论。
a. 集电极的调谐指示,以 $\mathrm { I _ { C 0 } }$ 最小为准;b. 在过压状态时测量集电极调谐特性。由调谐曲线可知,失谐时 $\mathrm { I _ { C 0 } }$ 电流很大,晶体管功耗激增。因此调谐动作要快,失谐时间不要太长。本实验板功放管是 3DA14, $\mathrm { U } _ { \mathrm { C C } } { = } 1 2 \mathrm { V }$ 时,要求失谐时最大电流 $\mathrm { I _ { C 0 m a x } } { \leqslant } 2 5 0 \mathrm { m A }$ ,否则要减小激励电压 $\mathrm { { U _ { b } } }$ 的值。

图3调谐特性曲线
4) 负载特性
谐振功率放大器的调整是指负载特性的调整。

图 4 放大器的并联谐振电路
放大器的并联谐振电路如图 4- (a),等效电路如图 4-(b)和 4-(c)。
$\mathrm { R } _ { \mathrm { A } }$ 假负载电阻
$\mathrm { { r - L } _ { \mathrm { k } } }$ 中损耗电阻
$\mathtt { R _ { 0 } }$ —回路等效电阻
$\mathrm { R _ { e } }$ 输出等效电阻 $\mathrm { R _ { e } { = } R _ { o } / / R _ { A } }$
由上图可知,当负载电阻 $\mathrm { R _ { A } }$ 由小增大时,等效的谐振阻抗 $\mathrm { R _ { e } }$ 也将由小增大,相应地集电极电流 $\mathrm { i } _ { \mathrm { c } }$ 的波形也必将由尖顶脉冲变为凹顶脉冲(在高频电子线路理论课程中谐振功率放大器工作状态中已经分析过)。因此放大器的工作状态将由欠压通过临界进入过压。由于在不同的 $\mathrm { R _ { A } }$ 时,集电极电流波形亦不相同,所以相应的各电量值也就不同,而描写 $\mathrm { R _ { A } }$ 变化时,各个电量变化的特性称为放大器的负载特性,曲线如图5所示。

图 5 负载特性
图中: $\mathrm { I _ { c 1 } }$ 为集电极电流基波分量有效值 $\mathrm { I _ { C 0 } }$ 为集电极电流直流分量 $\mathrm { P _ { D C } }$ 为集电极电源供给直流功率 $\mathrm { P _ { c } }$ 为集电极损耗功率 $\mathrm { { P _ { o } } }$ 为集电极高频输出功率 $\boldsymbol { \mathsf { n } }$ 为集电极效率 $\mathrm { U _ { a } }$ 为基波电流在回路上产生的高频电压
说明:理论分析负载特性时,是在回路保持谐振和 Ucc、 $\mathrm { { U _ { b } } }$ 保持不变的条件下进行的。在测量负载特性实验时,为了操作简便,往往没有保持上述两个条件不变,尽管如此,曲线变化规律相差不大。
5)电源电压 Ucc 变化时对工作状态的影响。
由理论分析知道,当Ucc由大变小时,放大器工作状态由欠压通过临界进入过压。当然Ucc变化, $\mathrm { { P _ { o } } }$ 也随之变化。
8. 实验报告要求
实验报告需要反映以下工作:
1) 实验目的
2) 实验原理
3) 实验电路
4) 实验的测试方法
5) 实验数据记录
6) 数据处理分析
7) 实验结果总结
8) 问题讨论
9. 考核要求与方法(限 300字)
1)实验方法:有无正确地按照仪器的使用方法测试电路。
2) 讨论环节:根据学生讨论的表现和自主思考给分。
3) 实验数据:测试数据和测量误差。
4) 设计环节: 在测试电源电压 Ucc 对工作状态的影响时,学生所设计的测设方法体现出和创
新性,独立实践能力。
5) 实验报告:实验报告的规范性与完整性。
10.项目特色或创新(可空缺,限 150 字)
1) 实验电路与工程实际应用紧密结合,功率放大器输出功率可达1.5W 以上,采用了高Q 值电感、传输线变压器、大功率三极管等元件,有助于学生从感性到理性对高频电路的全方位认知。
2) 实验引进了频谱分析仪,通过对信号频谱的观察、对设备阻抗的认识,既能帮助学生更好理解谐振这一概念,熟练地掌握频谱仪的使用技能,也能从更好建立学生利用频域进行工程设计分析的素质。
3) 利用多媒体教学平台和在线平台开展个性化教学,让学生更好地进行探究和讨论,并及时给与相应的学习辅导。
11. 附录


实验电路和仪器

实验报告

操作考试试卷

实验教材


教学现场