AM解调电路综合实验
实验题目:AM解调电路综合实验
课程简要信息
课程名称:高频电子线路
课程学时:理论48学时+实践32学时
项目学时:8学时(课内)+4学时左右(课外)
适用专业:通信工程
学生年级:大三
实验内容与任务
振幅调制是高频电子线路课程中涉及到的一种重要的调制方式,而AM调制是振幅调制的一种,在广播电台、短波通信、无线电遥控、音频传输等领域都有重要的应用。因此对于AM调制解调电路的研究、分析、设计、实现是非常有意义的。本实验是在AM调制电路实验的基础上,根据高频电子线路课程中学习到的AM解调的原理,对AM解调电路进行设计,然后根据设计方案利用电路仿真软件对电路的性能进行仿真,最后利用元器件焊接实现AM解调电路,并对电路的性能进行测试。
具体任务如下:
- 基础任务 (60%)——4学时
实验任务一 AM包络检波电路的设计和仿真(30%)——2学时
根据理论课所学AM包络检波器的工作原理,设计一个包络检波器,在Multisim中根据设计方案,搭建一个虚拟仿真电路,然后利用虚拟示波器和光谱分析仪观测解调电路输出的信号波形和频谱图,将其与真实的调制信号进行对比,要求解调出来的信号波形与真实的调制信号波形形状一样,没有明显的失真;
改变包络检波器检波电容C或电阻R的大小,观察输出信号是否失真?如果有明显失真,需要分析失真产生原因;
实验任务二 AM同步检波电路设计和仿真(30%)——2学时
根据理论课所学AM同步检波的工作原理,设计一个AM信号的同步解调电路,在Multisim中根据设计方案,搭建一个虚拟仿真电路,然后利用虚拟示波器和光谱分析仪观测解调电路输出的信号波形和频谱图,将其与真实的调制信号进行对比。
调整恢复载波载频大小,当恢复载波与调制时的载波没有频差和存在频差时,用示波器观测解调电路输出的解调信号波形,观察解调信号波形是否存在失真? 如果有失真,是哪种类型的失真?产生失真的原因是什么?
- 高阶任务(40%)(4学时)
实验任务三 AM信号包络检波器的实现和性能测量——2学时
根据基础任务中虚拟仿真得到的电路参数,利用元器件焊接一个真实的AM信号的峰值包络检波器,利用信号源产生已调的AM信号,将其送入到包络检波器的输入端,用示波器观测解调电路输出的调制信号时域波形和频谱图。
如果解调输出的波形与原调制信号相比有明显的失真,需要分析原因,并对电路进行改进;
实验任务四 AM信号同步解调电路的实现和性能测量——2学时
根据基础任务中虚拟仿真得到的电路参数,利用元器件焊接一个真实的AM信号的同步解调电路,利用两个信号源分别输出AM已调信号和高频载波信号,将其加入到解调电路中,用示波器观测解调电路输出的调制信号时域波形和频谱图。
分别观测恢复载波与调制时的载波没有频差和存在频差时,解调电路输出的解调信号波形,观察解调信号波形是否存在失真?如果有失真,是哪种类型的失真?产生失真的原因是什么?
- 拓展任务(附加10%)(课外4学时左右)
学有余力的学生,完成以下拓展任务。
实验任务五 AM同步载波提取电路的设计与仿真
1)根据锁相环的原理,设计一个基于锁相环的载波提取电路,Multisim中仿真振荡器电路;
2)将载波提取电路提取到的载波信号送入到AM同步解调电路中,在Multisim中搭建一个完整的AM同步检波解调电路,并对其进行仿真分析,用虚拟示波器和光谱分析仪观测各端点时域波形和频谱图。
相关知识及背景
AM振幅调制是利用调制信号控制高频载波的振幅,使载波的幅度随着调制信号的变化而变化,因此AM信号的包络与调制信号成正比,因此对AM信号的解调有两种方式,即包络检波和同步检波。
包络检波是利用二极管的交替充放电过程,使检波电容C两端的电压随着输入信号包络的变化而变化,从而实现AM信号的解调。该电路输出信号波形形状与C的充放电速度有关,因此可能会出现惰性失真。此外,为了滤除直流分量而引入的隔直电路,也可能会带来底部切割失真。
同步检波是利用乘法器将AM已调信号与恢复载波信号相乘,然后经过低通滤波器,就可以恢复出低频的调制信号。该电路要求恢复载波与调制时的高频载波同频同向,否则可能会出现失真。
本实验案例就是利用高频电子线路课程中学习到的AM信号的特性、AM解调电路(包络检波和同步检波)的工作原理,设计满足一定指标要求的AM解调电路,并对电路的性能进行仿真、分析、实现和性能测量的综合实验。需要运用二极管峰值包络检波、同步检波的工作原理,电路分析方法等相关知识,要求学生能够熟练运用Multisim电路仿真软件,涉及到电路的测量、虚拟仪器的使用以及测量结果的读取、分析,同时要求学生具有较强的动手能力,能够熟练焊接电路,并能熟练使用示波器,信号源,频谱分析仪等设备,对信号波形和频谱特性进行观测。
实验环境条件
(1)实验室提供的教学资源:AM同步检波、包络检波器、锁相环等电路原理的讲解视频;
(2)虚拟仿真平台:PC机一台,window 10 操作系统,Multisim14.0电路仿真软件
(3)搭建实际电路所需的仪器、仪表和元件,包括:示波器,信号源,频谱分析仪等。
教学目标与目的
面向通信工程专业通信电路的分析和设计、实现等实际工程问题,引导学生掌握AM解调电路的工作原理及实现方法,了解AM包络检波器、同步检波器等电路的设计思路和原则;引导学生对电路分析相关知识进行综合运用与创新设计,培养学生通信系统硬件电路的分析、设计、仿真、实现能力。本实验教学的目的是从知识、能力、思政等目标出发,培养学生多方面的能力和素养,具体如下:
- 知识目标
-
深刻理解AM解调电路(包络检波、同步检波)的原理;
-
掌握AM解调电路的分析和设计方法;
-
理解包络检波器失真的原因及改进措施;
-
清楚当恢复载波与调制时的载波不同步时,会出现的失真;
- 能力目标
-
基于Multisim的电路仿真分析能力;
-
AM解调电路的焊接、调试等工程实践能力;
-
面对AM解调电路设计这一复杂工程问题,分析问题、解决问题的能力;
-
科技报告的写作能力;
- 素质目标:
-
通过分组的形式完成实验任务,由此可以培养学生的团队协作意识和沟通交流能力;
-
实验过程中,要求学生本着实事求是的态度,如实记录实验结果和实验数据,以此培养学生严谨的治学态度;
-
课外拓展实验任务的设置,可以培养学生自主学习、终身学习的意识和能力,同时可以培养学生创新的意识和能力;
教学设计与实施进程
整个实验项目的教学设计和实施进程如下:
(1)课前预习
**实验前,**通过智课平台发布实验预习任务,具体如下:
-
观看相关教学视频,熟悉实验原理、虚拟仿真软件的使用、示波器的使用等。
-
复习二极管峰值包络检波器的工作原理,掌握包络检波器不产生失真的条件;
-
复习AM同步检波的工作原理,掌握同步检波无失真解调出调制信号的条件;
上课前,检查预习效果,强调实验注意事项和工作态度,具体如下:
-
检查学生的预习情况:现场抽查提问,了解学生预习的情况,找到学生知识的盲区或薄弱点,在课堂引导时做到有的放矢。
-
强调实验注意事项:包括信号源、示波器的使用,如何利用示波器观测信号的频谱特性,电路仿真软件及其虚拟仪器的使用。
-
强调实验态度:强调要正确认识实验误差,在实验过程中应遵循实事求是的原则,如实记录实验结果和实验数据,实验过程中要有不怕失败的科学态度,遇到问题要积极面对,想办法解决问题。
(2)课中引导
- 基础任务
实验任务一 AM包络检波电路的设计和仿真
1)根据包络检波器的工作原理,设计一个载波频率为500kHz,调制信号频率为5kHz的二极管峰值包络检波器电路;
- 在这个过程中,引导学生思考检波电容C、电阻R的取值;
2)根据设计好的电路原理图,在Multisim中搭建仿真电路,利用虚拟示波器和光谱分析仪对对电路解调输出的信号时域波形和频谱图进行观测;
- 在这个过程中,引导学生通过改变电容C或电阻R的大小,观察输出信号波形变化情况,并思考信号产生失真的原因以及要想不失真,电路需要满足的参数条件是什么?
3)为了滤除直流分量,取出低频交流分量,在包络检波电路中添加隔直电路,同样用虚拟仪器观测输出信号时域波形和频谱图;
- 这个过程中,引导学生调整隔直电容和负载电阻的大小,观察输出信号波形失真情况,并思考包络检波器产生底部切割失真的原因以及不失真的条件;
实验任务二 AM同步检波电路的设计和仿真
1)根据AM同步检波器的工作原理,利用乘法器设计一个载波频率为500kHz,调制信号频率为5kHz的同步检波电路;
-
引导学生思考同步检波电路要能无失真解调出调制信号,最关键的要求是什么?
-
引导学生考虑低通滤波器的设计。
**2)**根据设计好的电路原理图,在Multisim中搭建仿真电路,利用虚拟示波器和光谱分析仪对电路解调输出的信号时域波形和频谱图进行观测;
-
引导学生调整恢复载波频率大小,观察恢复载波与调制时所用载波同频或不同频时,同步检波电路输出波形是否存在失真?如果有失真,是哪种失真。
-
分析恢复载波与调制载波不同频时,输出波形产生失真的原因。
- 高阶任务
实验任务三 AM信号包络检波器的实现和性能测量
1)根据基础任务中仿真得到的电路参数,利用元器件焊接一个真实的AM信号的峰值包络检波器;
2)利用信号源产生已调的AM信号,将其送入到包络检波器的输入端,用示波器观测解调电路输出的调制信号时域波形和频谱图。
3)如果解调输出的波形与原调制信号相比有明显的失真,需要分析原因,并对电路进行改进;
实验任务四 AM信号同步解调电路的实现和性能测量
1)根据基础任务中虚拟仿真得到的电路参数,利用元器件焊接一个真实的AM信号的同步解调电路;
2)利用两个信号源分别输出AM已调信号和高频载波信号,将其加入到解调电路中,用示波器观测解调电路输出的调制信号时域波形和频谱图。
3)分别观测恢复载波与调制时的载波没有频差和存在频差时,解调电路输出的解调信号波形,观察解调信号波形是否存在失真?
4)将实际电路测量结果与虚拟仿真的实验结果、以及理论分析的结论进行对比分析,引导学生学会用理论分析的结论来解释实际电路的结果,培养学生理论联系实际的能力;
(4)课外拓展
AM同步检波器要求恢复载波与调制载波同频同相,请同学们查阅资料,思考以下问题并完成实验任务五:
1)在实际应用过程中,如何获取同步的恢复载波?
实验任务五 AM同步载波提取电路的设计与仿真
1)根据锁相环的原理,设计一个基于锁相环的载波提取电路,Multisim中仿真振荡器电路;
2)将载波提取电路提取到的载波信号送入到AM同步解调电路中,在Multisim中搭建一个完整的AM同步检波解调电路,并对其进行仿真分析,用虚拟示波器和光谱分析仪观测各端点时域波形和频谱图。
(5)实验验收
完成实验内容后,老师进行实验验收答辩,要求学生介绍电路的设计思路并现场演示电路仿真结果,最后用实际的仪器设备,展示搭建的硬件电路的输出结果。老师根据情况现场随机提问,学生回答问题,通过这个环节,一方面可以促进学生对电路工作原理的深入理解,另一方面也可以培养学生的沟通交流能力。
(6)课后总结
实验结束后,老师给出实验报告的具体要求,学生撰写实验总结报告,并通过智课平台提交报告,老师进行批阅。
1)写清楚AM解调电路的设计过程以及参数的计算过程;
2)对包络检波器的失真现象、原因、不失真条件进行分析和总结;
3)对同步检波器存在频差或相差时的解调输出波形进行分析,分析失真现象和原因;
实验原理及方案
7.1 实验原理 {#实验原理}
1) 二极管峰值包络检波器的工作原理 {#二极管峰值包络检波器的工作原理}
二极管峰值包络检波器电路如图1所示,主要由检波二极管、检波电容以及电阻组成,主要是利用检波电容C的充放电过程以及二极管单向导电的特性。
图1 二极管峰值包络检波器电路原理图
二极管是非线性器件,因此会产生新的频率分量,RC电路的作用是低通滤波,滤除高频分量,取出低频分量,因此要求

为输入信号的载频,
Ω为调制频率。 在理想情况下,RC网络的阻抗Z应为

即RC网络中电容对高频短路,对低频开路,从而实现了低通滤波。
该电路中,信号源、非线性器件二极管及RC网络三者串联,并且该检波器工作于大信号状态,输入信号电压大于0.5v。该检波器称为“二极管串联型大信号峰值包络检波器”。
当加到二极管VD上的电压大于0时,二极管导通,此时C开始充电,C两端的电压开始增加。当加到VD上的电压小于0时,二极管截止,此时C开始放电。
,并且
,因此包络检波器的工作过程实质上是电容C交替充放电的过程,并且是一个快充慢放的过程。当充电电量等于放电电量,则电路达到一个动态的平衡,最终输出电压近似等于输入信号的包络,而AM信号的包络调制信号成正比,因此包络检波器输出的电压波形形状与调制信号一致,从而完成了AM信号的解调。
图2 包络检波器输出波形与AM信号波形示意图
图3 包络检波器输出信号波形示意图
包络检波器输出波形如图3所示。可以看到此时输出信号中包含有低频的交流分量和直流分量,因此为了取出低频交流分量,滤除直流,在图1电路的基础上,还需要添加一个隔直电路,如下图4所示。
图4 带隔直电路的包络检波器原理图
2)包络检波器的失真 {#包络检波器的失真}
包络检波器会有两种失真,惰性失真和底部切割失真。当电容C放电太慢或者AM信号的包络下降太快的时候,就会出现惰性失真,如图5所示。容易看出,惰性失真总是起始于输入电压的负斜率的包络上,R,C越大,放电速度越慢,越容易产生惰性失真;调制度m或调制信号频率越大,包络下降越快,越容易产生惰性失真。

图5 惰性失真波形示意图
要想不产生惰性失真,则要求C放电的速度要大于AM信号包络下降的速度,也就是要求

底部切割失真,其失真波形看起来像是底部被切割了一部分,因此被称为底部切割失真,波形如图6所示。

图6 底部切割失真波形示意图
由于包络检波器中添加隔直电路后,电路对低频的交流和直流呈现出不同的负载。检波器的直流负载R~=~=R;低频交流负载
,可以看到交直流负载不相等,并且交流负载小于直流负载。
要不产生底部切割失真,要求:

由于m一般小于等于1,可以看到当交直流负载相等时,该电路不会出现惰性失真。
3)AM信号同步检波原理 {#am信号同步检波原理}
同步检波器是由一个乘法器和低通滤波器组成,将待解调的AM信号和本地恢复再逼信号送入到乘法器两端,然后将乘法器输出的信号送入到低通滤波器,即可得到解调后的调制信号。假设
,恢复载波
,则

低通滤波带宽
,则滤波器输出,

当恢复载波与调制时的载波同频同相时,即
,
,则

对
隔直之后,

即可得到调制信号,此时同步检波器能无失真地解调AM信号。
当恢复载波与调制时的载波存在一定的频率偏差时,假设
,
,则

也就是此时同步检波器解调出来的信号相对原始调制信号有一定的幅度失真,包含的频率分量有三个。
当恢复载波与调制时的载波存在一定的相位偏差时,即假设
,
,则

对
隔直之后,

可以看到,只要
为常数,则同步检波器也能无失真地恢复出调制信号,相位偏差带来的只是解调信号幅度上的衰减,相位偏差越大,解调幅度衰减越多。
7.2 实验方案 {#实验方案}
1)基础实验 {#基础实验}
- 实验任务一 包络检波器的设计与仿真
1)包络检波器的设计
根据包络检波器的工作原理,设计一个载波频率为500kHz,调制信号频率为5kHz的二极管峰值包络检波器电路,并在Multisim中搭建仿真电路。AM信号的调制度m=0.5,二极管峰值包络检波器原理如图1所示,这里可以先选择电容C=0.2uF,则


根据包络检波器的工作原理可知,要想RC电路达到比较好的低通的效果,要求
,但R的取值又不能太大,要求
,但实际上R可以在
附件,甚至略大一点都是可以的,为什么?
同时,为了保证检波器输出波形不失真,要求

即
为了因此电阻R可选择取值
,既保证了RC电路能较好地滤除高频分量,同时又能不出现惰性失真。
2)包络检波器性能仿真
根据设计好的电路参数,在multisim中搭建二极管峰值包络检波器的仿真电路,如图7所示。

图7 包络检波器仿真电路
用示波器观测输入AM信号和输出的解调信号波形。
-
为了观察电阻R1的大小对检波器输出信号的影响,要求学生调制电阻R1的大小,观察R1变大或变小时,输出波形的变化。
-
为了观察电容C1的大小对检波器输出信号的影响,要求学生调制电容C1的大小,观察C1变大或变小时,输出波形的变化。
-
要求学生根据上述结果,分析总结检波电路中电阻、电容对包络检波器性能的影响
3)隔直电路的设计和性能仿真分析
为了滤除直流分量,在上述电路的基础上,增加一个隔直电路,包括一个隔直电容Cg和一个负载电阻Rg,如图7所示。这里Cg的作用是隔直通交(低频),因此要求Cg在低频交流频率5kHz出呈现出来的阻抗要远远小于Rg的大小,这里Cg可取值为2uF,为了避免产生惰性失真,要求
,则Rg可取值为400
。
4)在multisim中搭建添加隔直电路后的包络检波器仿真电路,并对其性能进行仿真和分析。

图8 带隔直电路的包络检波器仿真电路
观察隔直之后负载电阻Rg1两端电压波形变化情况,会发现刚开始Rg1两端电压的大小与隔直之前R1两端的电压波形几乎一样,过一段时间之后Rg1两端电压波形直流分量明显减小,最后直流分量趋于0。
- 引导学生思考为什么会出现这种现象?

图9电路刚运行时的波形图 图10 运行一段时间之后的波形图
- 减小负载电路Rg1的大小(如Rg1=200
,100
,50
等),观察隔直后Rg1两端电压波形变化情况,分析现象,并解释出现这种现象的原因。

图 11
Rg1=200
时的波形

图12
Rg1=100
时的波形

图13
Rg1=50
时的波形
- 当隔直电路负载Rg确定,如何避免产生底部切割失真?
要想减少或者避免产生底部切割失真,一般尽量减少交直流负载之间的差异,由此有两种改进的措施,一种是在检波器与低放极之间插入高输入阻抗的射级跟随器,另外一种则是将负载电阻一分为二,如图14所示。

图14 包络检波器避免底部切割失真的改进电路
在Multisim中搭建改进的包络检波器,观察信号波形。


图15 改进的包络检波器仿真电路图 图16 输出信号波形
为了让交直流负载的偏差尽可能小,一般要求R2<<Rg,此时引导同学思考:
- R2是不是越小越好?为什么?(R2越小,对抑制底部切割失真越有利,但同时也会降低检波效率,因此R2并非越小越好。)
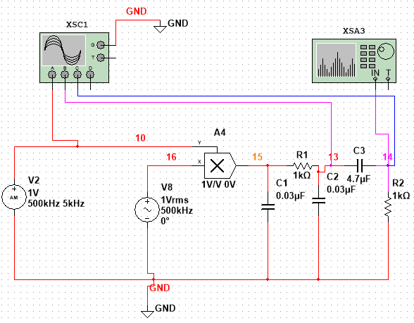
- 实验任务二 AM同步检波器的设计与仿真
1) 低通滤波器及隔直电路设计
同步检波由一个乘法器和低通滤波器组成,这里关键就是低通滤波器的设计,我们可以采用简单的
型RC低通滤波器,如下图17所示。

图17 RCπ型低通滤波器电路图
由于信号载频500KHz,调制信号频率5KHz,因此RC低通滤波器截止频率只要稍大于5KHz即可。该滤波器截止频率

此电路滤波原理为:输入的电压
首先经过
的滤波,将大部分的高频分量通过
到达地线滤除。经过
滤波后的电压,再到由
和
构成的低通滤波器电路,
对交流高频成分进行滤波,少量交流电流由
到达地线。根据参数指标要求,可以选择C1=C2=0.03uF,R=1
。为了滤除低通滤波后参与的直流分量,还需加入一个隔直电路,包括一个隔直电容Cc和负载电阻Rg,Cc可取值4.7uF,负载电阻Rg=1
。
2)搭建AM同步检波仿真电路并对其性能进行仿真
乘法器可用理想的乘法器,multisim仿真电路如下图18:

图18 AM同步检波仿真电路图
-
由于同步检波最关键的要求就是恢复载波与调制载波同频同相,这里引导同学们观察恢复载波与调制时载波不同频或不同相时,同步检波电路的输出结果。
-
改变频偏大小,观察不同频偏时解调信号的时域波形、频谱结构的变化情况,并对其进行分析归纳总结,得出相关结论。
-
改变相偏的大小,观察不同相偏时解调信号的时域波形、频谱结构的变化情况,并对其进行分析归纳总结,得出相关结论。

图19 完全同步时,信号波形图 图20完全同步时,输出信号频谱

图21存在200Hz频差时,信号波形图 图22 存在200Hz频差时,输出信号频谱
2)高阶实验 {#高阶实验}
- 实验任务三 AM信号包络检波器的实现和性能测量
1)根据基础任务中仿真得到的电路参数,利用元器件焊接一个真实的AM信号的峰值包络检波器;
图23 包络检波器实物电路图
2)利用信号源产生已调的AM信号,将其送入到包络检波器的输入端,用示波器观测解调电路输出的调制信号时域波形和频谱图。

图24 AM包络检波输出信号时域波形 图25 AM包络检波输出信号频谱图
- 如果解调输出的波形与原调制信号相比有明显的失真,需要分析原因,并对电路进行改进;
- 实验任务四 AM信号同步解调电路的实现和性能测量
1)根据基础任务中虚拟仿真得到的电路参数,利用元器件焊接一个真实的AM信号的同步解调电路;

图26 相干解调电路连接图
2)利用两个信号源分别输出AM已调信号和高频载波信号,将其加入到解调电路中,用示波器观测解调电路输出的调制信号时域波形和频谱图。

图 27 AM相干解调输出时域波形图 图28 AM相干解调输出频域波形图
分别观测恢复载波与调制时的载波没有频差和存在频差时,解调电路输出的解调信号波形,观察解调信号波形是否存在失真?
- 将实际电路测量结果与虚拟仿真的实验结果、以及理论分析的结论进行对比分析,引导学生学会用理论分析的结论来解释实际电路的结果,培养学生理论联系实际的能力;
3)拓展实验 {#拓展实验}
- 实验任务五 AM同步载波提取电路的设计与仿真
1)根据锁相环的原理,设计一个基于锁相环的载波提取电路,Multisim中仿真振荡器电路;

图29 基于锁相环的AM载波提取电路原理框图


图30基于锁相环的AM载波提取仿真电路 图31载波提取电路输出载波的频率
-
由于锁相环锁定之后输出信号(提取到的恢复载波)与参考信号(这里也就是AM信号)载波频率相同,但存在一定的相位误差,误差越大,同步检波输出的信号幅度就会变小,请同学们思考有什么办法可以解决这个问题?———采用移相电路
-
引导同学们查阅资料,设计仿真一个移相电路。


图32运算放大器移向电路 图33 移相前后波形图
2)将载波提取电路提取到的载波信号送入到AM同步解调电路中,在Multisim中搭建一个完整的AM同步检波解调电路,并对其进行仿真分析,用虚拟示波器和光谱分析仪观测各端点时域波形和频谱图。

图34 完整的AM同步检波仿真电路 图35 解调信号的频谱

图36 电路输出信号波形(紫色:提取的恢复载波,红色:AM已调信号;绿色:隔直前的解调信号;蓝色:隔直后的解调信号)
实验报告要求
实验报告需要反映以下工作:
-
实验原理:根据实验需求与目的,阐述AM包络检波、同步检波、载波提取电路、低通滤波器、移相电路等相关原理,并画出原理框图;
-
理论分析计算:对包络检波器、低通滤波器、移相电路设计过程中元器件参数的选取进行详细的理论分析和推导;
-
实验方案设计:为完成综合性设计性实验的要求,根据电路理论分析结果和结论,提出合理可行的电路总体方案,并进行详细的实验测量、分析设计。
-
实验步骤:根据实验内容要求,写清楚实验实施过程中的具体步骤以及每一步得到的结果;
-
实验结果分析:实验结果和理论结果的比较和分析,如果出现实验结果与理论结果之间有偏差,解释存在偏差的原因;
-
团队分工:写清楚组员之间的任务分工以及合作情况,如实验过程中遇到哪种问题,组员之间是如何交流协商解决方案;
-
心得体会:实验过程中遇到的问题以及解决问题的方法和结果,完成实验后的收获和感悟;
8)写作要求:实验报告的撰写是对学生科技报告撰写能力的一个重要的培养方式,因此本实验要求学生在撰写实验报告时,内容上简洁明了,结构上逻辑清晰,层次要分明,格式上图表格式规范,排版美观,可读性好。希望通过实验报告的撰写,学生的科技报告写作能力得到一个大的提升。
考核要求与方法
本实验案例采用多维度、全方位的考核方式,通过学生提交预习报告、实验总结报告,现场验收答辩的方式考核学生多方面的能力。其中预习报告占30%,实验总结报告占40%,实验现场验收占30%。
预习报告要求学生在了解本实验课程的相关实验内容和要求之后,通过团队成员的分工、讨论,制定自己的实验计划和实验方案,要求在设计方案时,写清楚系统相关的参数选取过程和选取的结果,预习报告考核学生的分析计算能力以及方案设计能力。
学生在根据预习报告中设计的方案完成实验后,老师对实验结果进行现场验收,要求学生现场演示实验搭建的实验电路、展示实验结果以及对结果的分析,同时说明团队成员的分工合作情况,老师会根据情况随机提出一些问题,要求学生回答。通过现场实验验收,考核学生的沟通交流能力、团队协作能力。
验收结束后,学生根据前期的实验情况,整理实验总结报告,并在规定的时间内提交报告,该报告要求学生写清楚实验方案、实验步骤、实验结果以及结果的分析,同时写清楚实验过程中遇到的问题以及尝试解决的方案。实验总结报告考核的是学生的实验数据的分析、归纳能力,科技报告的写作能力以及工程实践能力。具体考核内容、考核方式、考核标准如下表5所示。
表5 《AM解调电路综合实验》考核方式表
| 考核方式 | 考核内容 | 考核标准 | 分值(总分100分) | |||
|---|---|---|---|---|---|---|
| 优(85%-100%) | 良(85%-70%) | 中(70%-60%) | 差(<60%) | |||
| 预习报告 | 分析计算 | 参数选择计算过程清楚,结果正确合理 | 参数选择计算过程基本清楚,结果正确合理 | 参数选择计算过程不太清楚,结果基本合理 | 参数选择计算过程不完整,结果不正确 | 15 |
| 方案设计 | 实验方案具体可行,实验计划合理 | 实验方案具比较明确,实验计划基本合理, | 实验方案不太具体,实验计划基本合理, | 实验方案不可行,实验计划不合理 | 15 | |
| 实验验收 | 团队协作 | 团队成员分工明确,成员之间交流频繁 | 团队成员分工较明确,成员之间交流较频繁 | 团队成员分工不太明确,成员之间交流不够 | 任务没有分工,成员之间缺乏交流 | 15 |
| 沟通交流 | 汇报过程中讲述内容条理清晰,能正确理解并回答问题 | 汇报过程中讲述内容条理较清晰,能基本正确地理解并回答问题 | 汇报过程中讲述内容条理不够清晰,回答问题有少量错误 | 汇报过程中讲述内容条不清,回答问题错误较多 | 15 | |
| 实验总结报告 | 实验数据分析、归纳 | 实验数据分析完善、归纳结论正确合理 | 实验数据分析较完善、归纳结论基本正确 | 实验数据分析不够完善、归纳结论基本正确 | 实验数据分析不完善、归纳结论错误 | 15 |
| 写作能力 | 实验报告撰写层次分明,图表清晰,格式规范 | 实验报告撰写层次较分明,图表较清晰,格式较规范 | 实验报告撰写调理不太清晰,格式基本规范 | 实验报告图表不清晰,格式不规范 | 10 | |
| 工程实践 | 遇到问题解决思路清晰,解决方案正确 | 遇到问题解决思路较清晰,解决方案正确 | 遇到问题有一定的解决思路,解决方案基本合理 | 遇到问题没有解决思路 | 15 | |
项目特色或创新
(1)软硬结合,培养工程实践能力:本实验既有电路的模拟仿真,又有实际硬件电路的搭建和测试,可以提升学生理论联系实际的能力,同时可以培养学生的工程实践能力;
(2)多层级实验,满足不同层次学生需求:既有基础实验任务,也有高阶实验任务,还有课外拓展实验任务,能满足不同层次学生的需求;
(3)问题引导,培养分析问题解决问题的能力:实验过程中,通过问题引导的方式,培养学生分析问题、解决问题的能力,同时让学生体会到解决问题的成就感;
(4)通过拓展实验任务,引导学生自主、自发的学习兴趣以及创新意识;
项目实施佐证材料
(1)学校排课记录截图:


(2)教学大纲内容截图

(3)实验报告封面截图:

