光控LED灯
实验题目:光控LED灯
课程简要信息
课程名称:电子学基础I实验
课程学时:64学时
项目学时:8学时
适用专业:集成电路专业
学生年级:大一春季学期
实验内容与任务
集成电路专业培养方案要求学生掌握各类集成电路元器件及芯片的电气参数和物理特性,能够根据实际需求选择合适的元器件进行电子线路系统设计,为后续开展芯片设计打下坚实的理论基础。传统电路基础实验内容与集成电路专业课程教学关联不够紧密,导致学生在低年级阶段缺乏对专业认知,同时也缺乏将所学知识应用到实际电路设计中去。课程团队围绕集成电路专业人才培养方案改革基础电路课程实验内容,引入面向专业知识能力培养的案例,培养研究型人才。
【实验内容】
设计一个基于光敏电阻的光控LED灯系统,在三档光强下,使得一盏LED灯呈现不同状态,其对应关系如表1所示。实验要求先方案设计,再通过Multism验证可行性。并搭建电路测试不同光强下LED灯的状态,确保系统符合预设的光强指示要求。
表1 光强与LED灯对应关系表
| 光强 | 光强对应环境 | LED灯状态 |
| 强光 | 手电筒最高亮度给光 | 常亮 |
| 自然光 | 正常室内照明亮度 | 闪烁 |
| 暗光 | 黑暗 | 熄灭 |

图1 案例总体框图
【实验基本任务】
电路基本方案:光敏电阻搭建光强检测电路,将光强信号转换为电压信号,搭建比较器产生控制信号,再通过模拟开关芯片选择不同的驱动电路LED灯,实现LED灯在强光时常亮、自然光时闪烁、暗光时熄灭的三种状态。要求学生完成基本模块的设计、搭建和功能验证,最后实现完整系统搭建。
电路呈现方式:面包板搭建。
【实验提高任务】
电路多方案选择:结合前序实验内容,进行不同方案设计。如开关控制电路用场效应管替代模拟开关,优化响应速度;或用数字逻辑电路实现控制,提升系统稳定性。
【实验拓展任务】
电路呈现方式:自主设计电路板,掌握电路设计与制作的全流程。
实验过程及要求
-
文献资料查阅。锻炼学生识别、收集与电路设计相关信息,分析如何将理论知识应用于实际电路设计问题的能力。
-
强化学生对电阻、MOSFET、BJT 三极管等基础器件工作原理知识的掌握与运用能力。培养学生分析元器件参数,识别符合设计要求器件的能力。
-
理解和掌握运算放大器工作原理,关注元器件的多重参数特性。培养学生分析运算放大器参数对电路性能影响的能力。综合运用理论知识进行单元电路模块设计。
-
了解数字芯片工作电压、逻辑电平、开关速度、输入输出电流能力等特性。掌握基本逻辑门的逻辑关系,锻炼学生基于数字芯片特性和逻辑门关系设计组合逻辑电路的能力。
-
软件仿真验证。要求学生熟练使用仿真软件进行电路设计。培养学生熟练运用仿真软件这一现代工具进行电路设计、分析和优化的能力。
-
搭建电路。在面包板或自制电路板上规范布线、连接电路。调试并优化电路性能。培养学生将设计方案转化为实际电路的能力,通过调试和优化电路性能,实现更好的电路功能。
-
设计电路验收,撰写设计报告。使学生学会对电路设计项目进行总结和汇报,通过撰写报告强化对电路设计知识体系的理解和掌握。
相关知识及背景
课程面向大一下学期集成电路专业学生。针对该专业学生,全面理解元器件和芯片参数,并学会利用这些元器件设计电路是至关重要的。课程增加测量独立元器件和芯片特性参数的实验,让学生通过实验认识元器件的特性。最后通过本案例综合实验,让学生自主选择元器件进行小系统电路设计搭建,将理论知识与实际操作紧密结合,在实践中加深对电路知识理解以及对半导体器件、芯片认知。

图2 案例涉及知识
实验环境条件
实验仪器设备:直流电源(两路正负电源,电压范围不少于±20V)
100M双通道示波器
万用表
面包板
设计软件工具:Multisim仿真软件、PCB绘图软件(嘉立创或Altium Designer)
电子元器件: 光敏电阻、2N7000、LM358、OP07、CD4051、74LS00、电阻、电容
教学目标与目的
学生知识、能力、素质的培养应符合工程教育认证标准中规定的12条要求,在实验项目中实现完整的“理论计算-电路仿真-原理图设计-PCB设计-实验操作-电路调试”电子电路设计流程,引导学生根据项目需要选择元器件设计电路,通过光敏检测电路、电压比较电路、LED控制电路、方波发生电路的分析设计,提高自主学习能力。在过程中引导学生进行方案比较、元器件选择,解决实际问题,全面培养学生分析、调试、排错能力。
教学设计与实施进程
本课程面向集成电路专业大一年级150余名本科生开设,每个小班24人,教学实施总体方案:

图3 教学实施总体方案
第一阶段:发布任务
课外资料查阅
教师在线上平台发布任务,列出规定的元器件清单。学生利用课外时间查阅相关资料。认识光敏电阻电阻值与光强变化关系,利用教师提供的资料选择合适的元器件进行设计,对电压比较器电路、方波发生电路的工作原理进行深入学习。
第二阶段:方案设计
课内任务分析、仿真设计(3课时)
教师:
教师在课堂上讲解光控LED灯系统的整体架构,分析如何根据三档光强要求,利用光敏电阻特性,设计电路将光强变化转化为电信号变化,并通过后续电路实现对 LED 灯不同状态的控制。教师对各模块电路进行分析,在基本电路基础上引导学生与前序实验进行关联,选取合适的元器件,进行模块电路功能搭建验证,最终构建完整电路。
学生:
学生在实验四(阻容感特性测量实验)基础上,测绘掌握光敏电阻的特性曲线,理解其在不同光照下的电阻变化,从而选择合适的电阻搭建分压电路,确保光敏电阻的阻值变化(强光→暗光)应转换为足够大的输出电压范围,便于比较器区分不同状态。
学生在实验九(模拟芯片特性测量实验)基础上,已经掌握如何查询测量模拟芯片的关键性能参数,例如电源电压范围、输入电压范围、输出驱动能力等,并基于这些考量选择合适的芯片来构建电压比较器模块或方波发生电路。
学生在实验十一(MOSFET、BJT特性测量实验)基础上,已经掌握了MOSFET的特性曲线,理解CMOS电路的方法及开关特性。学生可以利用BJT或MOSFET实现开关控制,实现LED控制模块。
学生在实验十二()数字芯片特性测量实验)基础上,深入理解数字芯片的逻辑功能、时序特性,学会选择合适的数字芯片实现逻辑控制,确保系统稳定运行。学生可以通过选择合适的数字芯片搭建数字逻辑电路实现LED控制模块。
学生根据教师讲解的内容,结合课前预习知识,进行器件、芯片选择,进行理论计算、模块电路设计。并通过Multism仿真搭建电路进行功能验证,观察仿真结果中不同光强下LED灯状态的切换情况,确保设计符合预期。

图4 前序实验模块回顾引导
课内方案分享、教师点评、任务进阶(1学时)
**教师:**鼓励学生上台进行初步方案的分享,如图5所示,引导学生进行方案设计的深层次思考,如电路级联时,要考虑电压、电流及速度是否兼容。选择芯片时需要全面考虑芯片的关键参数,例如,运算放大器芯片的电源电压、输入电压等参数对电路性能有重要影响。同样,对于数字逻辑芯片,其工作电压范围、输入输出电平标准、工作频率等参数也需谨慎选择,否则可能导致芯片无法正常工作或与其他电路不兼容。对于设计过于复杂的电路进行优化改进。

图5 学生方案分享 教师分析点评
**学生:**根据课堂讲解和教师点评等反馈内容进一步优化方案设计,加深对电路工作原理的理解,对元器件选型的合理性进行深入分析,完成各模块电路的搭建,验证。通过反复调试与优化,最终实现LED灯在不同光强下的稳定切换,提升系统整体性能。
第三阶段:电路搭建
课外方案优化,系统搭建
学生继续根据课堂上设计的仿真电路进行面包板电路搭建。部分学生根据自身情况(同期开设的电子工程实践基础课程)进行PCB板绘制。教师在线完成学生PCB电路设计审核,提供个性化指导。针对电路的特征及共性问题,反馈画PCB板应注意的事项,让学生了解元器件布局时需要注意封装、放置位置的影响,实际电路在制板时需要预留电源接口、测试口、接地口等。学生结合反馈,优化PCB布局设计。经验收后下单制板。
第四阶段:现场验收
系统调试(2课时)
**教师:**引导学生按照信号传输方向逐级调试,通过现象分析问题,从而排查定位问题。
**学生:**进行电路调试。使用万用表测量电路中的关键节点电压,如光强检测电路输出端、电压比较器的输入输出端、开关控制电路中各状态的输出电压,将测量值与仿真时的理论值对比,以此判断电路是否正常工作。其次,仔细观察 LED 灯的状态,看其在不同光强下是否按照预期呈现相应变化,若 LED 灯不亮、常亮、闪烁异常或亮度与光强档位不匹配,都需排查原因。在不断调试优化连接的过程中,明白电路中各元件相互作用的关系,以及如何通过调整元件参数和连接方式,让电路达到预期的功能,成功实现从仿真电路图到实物电路的准确搭建 。

图6 学生搭建电路、焊接、调试

图7 学生搭建面包板

图8 学生PCB板设计
课内验收测评(2学时)
教师首先对电路功能进行严格测试,利用电筒模拟不同强度的光线环境,精确覆盖强光、自然光、暗光三个预设档位。在测试过程中,仔细观察 LED 灯的状态变化,检查其是否能按照设计要求,在不同光强档位下稳定且准确地呈现相应状态。其次检查电路搭建的规范性。检查元件布局是否合理。查看线路连接是否整齐,连接点是否牢固。
在验收过程中,教师还会针对电路提出一些问题,考查学生对电路原理、方案设计和调试过程的理解。经过全面的验收测评,教师根据方案设计、电路功能实现情况、搭建规范性、仪器使用以及学生对问题的解答表现,记录综合评定表。
第五阶段:总结反思
课外总结,撰写报告
**学生:**验收完成后学生按规范完成实验报告的撰写。详细记录实验过程、数据分析和问题解决方法,并对实验结果进行深入反思,总结经验教训。通过对比实际操作与理论设计的差异,找出不足之处,提出改进建议。
**教师:**两名教师对同一份报告进行批改,取平均分作为报告评分,若分值差距较大,则经商议后定分。对本案例实施过程进行反思,分析教学环节的优缺点,探讨如何优化实验设计和指导方法,提升学生实践能力和创新思维。同时,总结学生在实验中的共性问题,为后续教学提供改进方向,确保实验教学效果的最大化。
实验原理及方案
光控LED灯系统,分为四个模块:光强检测模块、比较器模块、LED控制模块、方波发生模块。光强检测模块将光强转化为电路中可以处理的输出电压,比较器则将光强检测得到的结果和设置的阈值相比,确定光强属于三档中的哪一档,LED控制模块则负责控制LED灯,让LED灯处于该档光强对应的状态。方波发生模块用来产生稳定的方波信号,提供LED灯闪烁信号。
1、光强检测模块
不同光强下光敏电阻会呈现不同的阻值,需要测量光敏电阻电阻特性曲性,了解光敏电阻在不同光强下的阻值变化。设计电路将不同光强转化为对应的电压值,便于后级进行比较。
设计分压电路将光敏电阻的阻值变化转换为电压信号时,需综合考虑动态范围、灵敏度和与后续电路的兼容性。
-
电源电压:考虑后续运算放大器,以及若后续有数字电路的设计需求,选择单电源电压。
-
后续电路兼容性。考虑后续运算放大器的输入电压上限。
-
灵敏度要求。三个光照状态对应的电压需要有明显间隔,避免噪声干扰。
2、比较器模块
比较器是一个可以比较两个输入模拟信号并由此产生一个二进制输出的电路,当正负输入之差为正时,比较器输出为高电平($V_{OH}$);为负时,比较器输出为低电平($V_{OL}$)。比较器可以采用运算放大器开环实现,其输出为

(1)
其中
为运算放大器的开环增益。
在运算放大器采用单电源供电的配置下,负电压管脚接地,从而确保比较器输出电压值均为正值。相对地,当运算放大器采用双电源供电时,输出低电平时表现为负电压。因此,在电路设计阶段,必须综合考量后级电路对信号的具体需求。若后级电路无需处理负电压信号,则应选择单电源供电方案;反之,若后级电路需要处理负电压信号,则应选择双电源供电方案。为了简化各级电路之间的连接,推荐采用单电源供电的比较器设计,这样可以避免输出负电压,使得即使下一级为数字芯片,亦可直接接入使用。

图9 比较器电路图
由于设计目标要求有三档光强,需要设计两个比较器来区分光强范围。假设弱光比较器的阈值为$V_{ref1}$,强光比较器的阈值为$V_{ref2}$。当光强检测模块检测的电压值$V_{in}$分别输入给暗光比较器和强光比较器,结合两个比较器的结果可区分三档光强。当$V_{in}$<$V_{ref1}$且$V_{in}$<$V_{ref2}$时,此时光源为暗光;当$V_{ref1}$<$V_{in}$<$V_{ref2}$时,此时光源为自然光;当$V_{in}$>$V_{ref1}$且$V_{in}$>$V_{ref2}$时,此时光源为强光。阈值当$V_{ref1}$、$V_{ref2}$时可根据光强检测模块测到的电压范围自行确定,建议在设计时阈值可调,便于在不同环境下调整。
**基本电路设计方法:**开环工作的集成运算放大器。使用两个电压比较器区分三个状态,阈值需满足:
阈值1($V_{ref1}$):区分强光与自然光。(建议设在中间值并增加滞回)。
阈值2($V_{ref2}$):区分自然光与暗光。
这种基本电压比较器电路简单,成本低,易于实现。由于运算放大器工作在开环状态,没有引入反馈,所以对输入信号的变化能够快速响应,输出能够迅速切换电平状态。
但是该电路抗干扰能力差,当输入信号中存在噪声干扰时,噪声使输入信号在参考电压附近波动,输出就会频繁地在高电平和低电平之间切换,导致输出不稳定,可能会给后续电路带来错误的控制信号。因此可以引导学生通过滞回比较器电路搭建电压比较器。
**改进电路:**滞回比较器(施密特触发器)通过引入 正反馈,形成两个不同的阈值电压(上升阈值$V_{th_ high}$和下降阈值$V_{th_ low}$),解决噪声敏感性问题。滞回比较器能有效避免误触发,确保输出稳定。

图10 滞回比较器电路图
当输出为高电平($V_{OH}$)时,正反馈通过$Rh$抬升同相端电压,形成更高的触发阈值$V_{th_ high}$ 。
当输出为低电平($V_{OL}$)时,正反馈拉低同相端电压,形成更低的触发阈值 $V_{th_ low}$。
输入信号必须超过 $V_{th_ high}$ 或低于$V_{th_ low}$ 才能触发输出跳变,中间区域
(滞回窗口)的输出状态保持不变。
在光照检测系统中,滞回比较器的引入是解决噪声干扰和信号抖动的关键设计。通过正反馈形成的滞回窗口,系统能够在光敏电阻阻值微小波动时保持输出稳定,避免误触发。
- 控制电路
方案一:【BJT/MOSFET开关电路】
由MOSFET特性可知,当栅源电压大于MOS管的开启电压时,MOS管导通;当小于开启电压时,MOS管截止。MOSFET的开关电路如图11所示,其中可调节$R_{D}$使得输出接近0V,同时也起到了保护MOS管的作用。
图11 NMOS开关电路图
BJT的开关电路如图12所示,BJT起开关作用时,工作在截止区或饱和区。当输入$v_{i} = 0$时,三极管截止,输出为5V;当输入$v_{i} = 5V$时,此时需三极管工作在饱和区,这样输出就等于CE端饱和压降$V_{CES}$(一般硅管为0.3V,锗管为0.1V)。因此为了BJT有开关的作用,需确保三极管工作在饱和区,可通过$R_{b}$、$R_{c}$来调节。其关系应满足
(2)
其中$V_{BE}$为BE间的导通压降(硅管0.7V,锗管0.3或0.4V),
为电流放大倍数。
图12 BJT开关电路图
方案二:【模拟开关芯片】
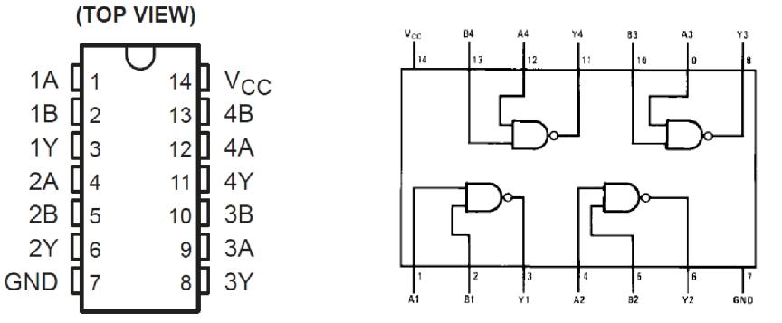
模拟开关是一种电路器件,用于控制电路中信号的通断。类似于机械开关,通过控制开关的状态,可以选择信号传输到不同的电路中,或者使其断开。常见的模拟开关芯片有单八路模拟开关CD4051、双四路模拟开关CD4052、四双向模拟开关CD4066等。
CD4051相当于一个单刀八掷开关,其管脚图如图13所示。开关接通哪一通道,由输入的3位地址码ABC来决定。INH是禁止端,当INH=1时,各通道均不接通。

图13 CD4051管脚图
方案三:【数字芯片设计数字逻辑电路】
数字芯片74LS00中共有四个与非门,通过两两分别控制方波和高电平,实现暗时(即1,1情况下)熄灭,自然光时(即1,0情况下)闪烁,强光时(即0,0)情况下)常亮。

图14 74LS00芯片管脚图
- 方波发生电路
方案一:【方波发生器】
方波发生器电路如图15所示,其工作原理如下所述。
设电路通电瞬时,电容上的电压为零,电路输出为$V_{m}$($V_{m}$为运放的饱和电压),这时运放正向输入端电压为
(3)
运放输出电流经$R_{f}$向电容C充电。运放反向输入端$V_{N}$随时间延续电压升高,当$V_{N}$=$V_{P1}$时,电路输出翻转,$V_{O}$由$V_{m}$变为-${V\ }{m}$,$V{P}$由$V_{P1}$=${FV\ }{m}$变为$V{P2}$=${- FV}{m}$。这时由“地”向电容反向充电,$V{N}$随时间延续电压下降,当$V_{N}$=$V_{P2}$时,电路输出翻转,$V_{O}$由-$V_{m}$变为$V_{m}$,$V_{P}$由$V_{P2}$=${- FV}{m}$变为$V{P1}$=${FV}{m}$。周而复始,电路输出方波。在稳态,输出为${V\ }{m}$的时间可用以下方法推导。在起始时刻,电容上的电压为$V_{c}(0)$=${- FV}{m}$,电容充电的终了电压为$V{m}$,这里“电容充电的终了电压”指“若输出电压$V_{O}$不翻转,电容充电的终了电压”,所以电容上的电压为
(4)
当电容上的电压达到${FV}_{m}$时,电路翻转,记电容充电的时间为
,则
(5)
(6)
输出方波的周期为2
即
(7)
由上式可知,在实验中可以通过改变$R_{f}$或C的值改变电路输出方波的周期。
图15 方波发生电路
图16 方波发生器工作波形
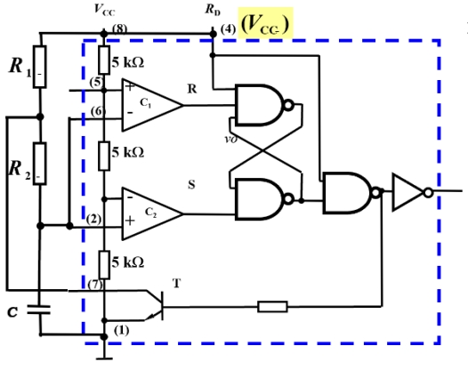
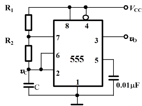
方案2:【555多谐振荡器】
![]()
(a)555多谐振荡器电路 (b)555定时器内部结构
图17 555多谐振荡器原理图
555多谐振荡器的电路图如图17(a)所示,其主要的工作原理需结合555定时器内部结构进行分析。如图16(b)所示,555定时器内部由电阻、两个比较器C1、C2、数字逻辑门及三极管构成。3个5k的电阻串联分压使得比较器C1同相端为2/3$V_{cc}$,比较器C2反相端为1/3$V_{cc}$。接通电源后,电容C被充电,当$v_{c}$上升到2/3$V_{cc}$时,输出$v_{O}$为低电平,同时三极管T导通,此时电容C通过$R_{2}$和T放电,$v_{c}$下降。当$v_{c}$下降到1/3$V_{cc}$时,输出$v_{O}$翻转为高电平,电容器C放电所需时间为
(8)
当放电结束时,三极管T截止,此时$V_{cc}$通过$R_{1}$、$R_{2}$向电容C充电,$v_{c}$由1/3$V_{cc}$充到2/3$V_{cc}$所需的时间为
(9)
当$v_{c}$上升到2/3$V_{cc}$时,输出又翻转为低电平,由此周而复始在输出端产生了一个矩形波,其工作波形如图18所示,矩形波的周期为
(10)
图18 工作波形图
实验报告要求
实验报告需要包含以下方面:
- 与实验测量方案紧密相关的原理基础
光敏电阻受光照时阻值变化的特性,光强变化时分压电路输出电压信号的变化规律。运算放大器的工作原理,能够分析比较器如何将光敏检测电路输出的模拟电压与预设的参考电压进行比较,并输出相应的高低电平信号。三极管在模拟电路中的开关特性。相关数字芯片的工作原理、引脚功能和使用方法。理解如何通过数字电路实现对电压比较电路输出的数字信号(高低电平)进行进一步处理,以达成更复杂的控制逻辑。
- 问题分析和实验设计思路。
根据实验任务要求,明确实现实验效果所需的步骤,拆解成子问题并逐步分析,详细描述解决各个问题的实验原理和方案,例如局部电路的参数设计,软件仿真分析,或实物电路搭建和测量调试等。该部分为实验报告的主要阐述内容。
- 实验设计中相关软硬件描述。
具体介绍本组的设计方案相关的硬件电路情况:电路搭建、使用的实验器件、开发板的硬件资源配置等;具体介绍与实验设计方案相关的软件使用情况,如使用 Multisim 进行电路仿真,通过嘉立创绘制PCB图。电路中所需要的元器件名称、封装及数量。该部分根据实际情况详略得当即可,旨在强调介绍实验项目时实验报告的完整性。
- 作品效果展示。
所搭建的整体实验系统工作情况,整体工作逻辑思路,待测元件的类型判别和参数测量效果。需包含必要的图文解释,可另通过附件视频等展示作品动态效果。
- 实验遇到的问题及解决方案。
实验时遇到的主要问题和解决办法,引导学生勇于反思和总结,积累电路设计、硬件系统调试经验。学生在实验过程中的其他体会和想法、对课程或任课教师的建议和反馈也可以在该部分给出。
- 本设计特色情况(如有,该项非必须)
介绍设计特色情况,如独特实验发现、优异效果表现、拓展功能等。引导学生主动“多走一步”,思考可以精进的方向。该项内容对应于今后学生学习研究工作的创新点凝练,对学生有一定的启发激励作用。
以上实验报告内容重点考察系统方案、测试方案与结果和实验小结三部分。除此之外,对报告格式要求如下:
-
根据模板内容要求进行编写,文档格式参考通用科技论文。
-
语言精练、概念准确、技术用语规范。
-
所有文中图和表要先有说明、再有图表,并尽量按顺序编号。图要清晰(电路图中的各元器件符号,名称及参数要清楚)并与文中的叙述要一致,对图中内容的说明尽量放在文中。
-
图序号及名称为小五号宋体,居中排于图的正下方;表序号及名称为小五号黑体,居中排于表的正上方;图和表中的注释、注脚为六号宋体;图和表中的文字为六号宋体。
-
数学公式另行居中排,公式末不加标点,按顺序编号并齐右排,公式中字母正斜体、大小写及符号下标前后要统一。若公式前有文字,如例、解等,文字顶格写,公式仍居中。
-
一般物理量符号用斜体(如:f(x)、a、b等);矢量、张量、矩阵符号一律用黑斜体;计量单位符号、三角函数、公式中的缩写字符、温标符号、数值、字符常量(如π)、物理量单位(如W\A\V等)一律用正体。
-
物理量及技术术语要采用国际标准;
-
设计报告文件命名:学号+姓名.pdf
考核要求与方法
【基本要求】70%
-
方案分享:方案分析逻辑表达能力;
-
仿真验收:对仿真电路进行指标判定;
-
实物验收:包括基本技能、设计指标的判断。面包板布局是否合理美观,元器件的使用数量。记录实物电路的功能展示情况,根据要求进行打分;
-
作品文档:实验报告需包含系统方案、理论分析与计算、电路设计、测试结果,报告需注意规范性与完整性;
【提高要求】20%
电路多方案设计:结合前序实验内容,进行创新性的方案设计。
【扩展要求】10%
电路多方式实现:自制电路板。进行原理图设计,PCB设计。观察PCB布局、焊接技术及仪器使用熟练度。记录实物电路的功能展示情况,根据要求进行打分。
“电子学基础I实验”综合实验评分表
| 类别 | 项目 | 评分项 | 评分 |
| 表达沟通 | 方案分享 | 清晰表达能力 逻辑组织能力 |
5分 |
| 基本技能 | 布线 | 布线美观、横平竖直 | 5分 |
| 仪器使用 | 掌握仪器使用调试 | 5分 | |
| 设计指标 | 电路仿真 | 一种状态 | 5分 |
两种状态 (一种必须为闪烁) |
15分 | ||
| 三种状态 | 25分 | ||
| 实际测试 | 一种状态 | 5分 | |
两种状态 (一种必须为闪烁) |
15分 | ||
| 三种状态 | 25分 | ||
| 提高要求 | 多方案设计 | 方案描述 | 20分 |
| 扩展要求 | 自制电路板 | 布局布线合理性 焊接质量 |
10分 |
| 作品文档 | 系统方案 | 比较与选择、方案描述 | 5分 |
| 理论分析与计算 | 关键电路及关键技术理论分析与计算 | 5分 | |
| 电路设计 | 电路设计 | 5分 | |
| 测试结果 | 测试结果分析 | 5分 | |
| 设计报告规范性 | 正文的结构、图表的规范性 | 5分 |
项目特色或创新
-
围绕专业培养方案:针对集成电路专业特色培养,实验内容既有分立元器件性能分析,又有集成芯片参数选择,数模电结合。理论与实践融会贯通。为学生后续专业学习夯实基础。
-
实施引导探索式教学:实验通过层次性任务鼓励学生进行多方案探索。培养学生解决实际问题的能力和探究式学习的能力。
-
虚实结合、软硬协同:通过实验引导学生完成从理论学习到仿真测试再到硬件实现,由点到线、由线到面的形成系统的知识体系。增强学生分析设计、仿真测试和电路调试的能力,培养学生电子电路设计综合能力。
最终面向专业夯实基础,培养学生综合设能力和创新意识。

图19 项目特色与创新点
为运算放大器的开环增益。
(滞回窗口)的输出状态保持不变。
为电流放大倍数。
,则


