基于PLAB实验包的开放式运放基本实验
实验题目:基于PLAB实验包的开放式运放基本实验
课程简要信息
课程名称:电工电子技术实验A
课程学时: 22
项目学时:课内2、课外4
适用专业:非电类工科专业
学生年级:大二上
实验内容与任务(限500字,可与“实验过程及要求”合并)
实验任务:
基础实验:
1)比例运算电路调试和测试方法
2)加法运算电路调试和测试方法
3)积分运算电路调试和测试方法
提高实验:
1)基本运算电路的频率分析
2)基本运算电路的焊接、调试、测量
扩展实验:
1)基于加法运算电路的有源消噪研究实验


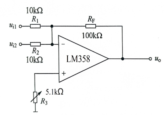
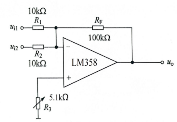
(a) 反相比例运算电路 (b) 反相加法运算电路


(c) 同相比例运算电路 (d) 积分运算电路
图1 基本运算电路
实验内容:
基础实验:
根据实验要求选择元器件,在PSOC板上搭建实验电路,用杜邦线连接电路及ADALM2000虚拟信号分析仪,通过USB连接分析仪与PC端。打开Scopy软件,连接信号分析仪。启动信号源输入电压信号,测量输出电压并记录。启动示波器,观察输入输出信号波形,计算电压增益,调节输入信号,验证运算关系。电路如图1。
提高实验:
1)基本运算电路的频率分析
Scopy中的网络分析仪可以快捷方便地测出电路的频率响应,启动网络分析仪,输入振幅、频率范围、幅度及相位范围,运行即可得到电路的频率响应。
改变运放型号或电路元件参数,观察使用不同运放时电路的频率响应变化。
2)基本运算电路的焊接、调试、测量
根据所设计的运算电路在模电实验洞洞板2号板焊接电路并调试。

图2 模电实验洞洞板2号
扩展实验:
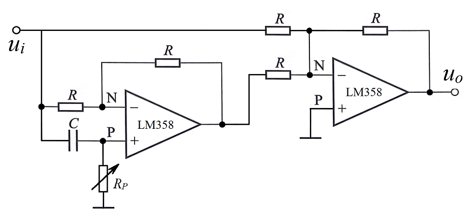
1)基于加法运算电路的有源消噪研究实验

图3 研究相位误差的有源消噪电路
表1 有源消噪研究实验数据
| 抗噪音相位θ(度) | 0 | 5 | … | 175 | 180 |
| 残差输出(V) |
R=10KΩ,C=0.1μF,设置噪音源为1kHz 1V
PP正弦波,改变RP的值,观察输出波形,测量输出电压值。

实验过程及要求(限300字)
预习阶段:
1)认真学习雨课堂发布本实验预习资料、仿真要求、课前检测卷及实验设备操作要求;
2)学生自主完成资料查阅、电路仿真及检测卷;
3)了解各种运算电路的搭建及设计方法等。
课堂阶段一:
1)明确实验目的与要求;
2)掌握各种运算电路的设计及运算关系;
3)了解并选择所需实验设备;
4)确定小组分工,明确实验方案。
自主实验:
1)根据电路设计在PSOC教学系统面包板搭建电路或在模电实验洞洞板2号焊接电路;
2)按要求完成各种运算电路的调整与测试;
3)有能力的同学完成提高实验与扩展实验。
课堂阶段二:
1)分小组现场演示及交流汇报,分享实验中出现的问题及解决办法;
2)实验报告(线下)及课后检测卷(线上)提交。
相关知识及背景(限150字)
集成运算放大器是一种高增益的直流耦合差分放大器,是模拟电路设计中的核心元件。结合外部反馈网络,运算放大器可实现各种功能电路,比如交流和直流放大器、有源滤波器、振荡器、电压比较器等。通过基础实验学生们可以利用PSOC实验教学系统或洞洞板自主搭建完整电路,掌握调试方法,深入理解运算放大器的基本原理和应用;通过提高实验和扩展实验可以提高电路设计能力,激发创新思维发展。同时本实验可以使同学们掌握新技术和设备(ADALM2000)的使用,打破时间与空间的局限性,实现开放式的实验学习。项目对后续课程和实际工程应用具有重要意义。
实验环境条件
1)运算放大器 LM358(或直接使用 PSOC 板内置运放),OP37;
2)电阻、电容等基本元件;
3)基本实验仪器或便携式电子技术实验包(包括 ADALM2000 虚拟信号分析仪、自主研发的 PSOC 实验教学系统板、模电实验洞洞板 2 号板、导线等);
4) PC 兼容机一台,要求安装 Scopy1.3 软件。
教学目标与目的(限150字)
1)知识目标:掌握基本运算电路的工作原理;了解电路频率响应测试、电路焊接与测试、有源消噪研究实验基本理论。
2)能力目标:掌握面包板搭建基本运算电路的技能;掌握常用实验仪器仪表的使用,熟悉虚拟仪器ADALM2000使用;学会实验数据采集、分析、处理、解析和总结的方法。
3)素质目标:通过实验各个环节培养学生严谨的科学态度、求实的学习精神、创新的思维方式和良好的团队意识,提升学生的综合能力和工程素养。
教学设计与实施进程
本设计是对传统实验教学方法的一种改进与优化,目前的实验教学中还有诸多痛点如下:
1)基础实验室仪器设备性能不够先进、数量不够多,
2)并且实验电路板多采用固定实验板,学生无法完成一个完整电路的搭建,也不能更换元器件。
3)实验室空间和时间也有局限性,基础较差的学生难以在规定的时间内完成实验,优秀的学生也难以进行更高层次的实验和探究,不能实现因材施教。
4)开放式资源偏少,难以大面积实现自主开放式实验。
基于以上问题,我们做了如下改进措施:
1)设计了便携式电子技术实验包,包内含有:PSOC实验教学系统板、ADALM2000虚拟信号分析仪、模电实验专用洞洞板2号、运放、导线、电阻、电容等元件若干。学生可以自由插接或焊接电路,形成完整的电路概念,深化基础理论理解,提高动手能力。新设备支持更高级的实验,可以拓宽学生的视野。
2)实现了新教学模式与方法创新,线上发布资源、答疑解惑,线下讲解内容、验收成果。线上线下相结合,利用线上资源的便捷性和丰富性,发挥线下教学的互动性和实践性。学生可任意时间和地点做实验。
3)实验项目分为基础实验、提高实验及扩展实验,有效的开展了开放式、分层次实验教学,真正实现因材施教。
图4 PLAB-B便携式电子技术实验包
目前的项目实施流程分为五个阶段,如图5所示。过程中需要注意以下几点:
1)在课堂阶段强调线路搭建规范,预习阶段发布资料时可提供示范视频。
2)着重讲解积分运算电路的结构及传递函数。课本上并未就RF存在做太多解释,也没有提及RF对电路的影响,所以在实验中可以作为补充,引导学生深入思考和探究。
3)基础实验中发现输出波形会因为输入信号的不断增大而出现失真,思考运算电路的输出主要受哪些方面的影响,进而引出提高实验。
4)有源消噪研究实验可以通过动态图使学生直观理解到有源消噪的核心原理,激发学生乐趣,培养动手能力和科学探究精神。
5)课堂阶段2验收成果时需按照小组分工让每一位学生展示自己完成的工作任务,参与交流讨论。
6)对实验结果要有分析和解释,通过答疑和讨论理解波形和数据的意义。
这五个阶段实施后,能让学生有效连接基础理论与实践,培养核心实验技能,激发创新与实践积极性,实现“知识-能力-素养”的协同提升。

图5 实验总体方案
实验原理及方案
1)基础部分实验原理
集成运算放大器是一种高增益的直流放大器,具有两个输入端和一个输出端,其基本工作原理是利用深度负反馈,使运算放大器工作在线性区,从而实现各种基本运算功能。集成运放芯片有许多型号,本实验推荐使用成本低,通用性强的LM358双运算放大器或PSOC实验板内置运放。提高实验做频率分析时还需选择不同增益带宽的运放,如OP37。

图6 LM358引脚图

图7 PSOC Creator 运放图
基本运算电路包括反相比例运算电路、同相比例运算电路、加法运算电路、积分运算电路等,每种电路都有其特定的应用场景和设计要求。
图8 反相比例运算电路 图9 反相加法运算电路
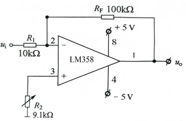
①反相比例运算电路
反相比例运算电路如图8所示,这是典型的电压并联负反馈电路。由于反相输入端为“虚地”点,
,且根据“虚断”有输入电流
,故:
。可得
,所以
为了保证集成运放输入级差分放大电路外接电阻的对称性,平衡电阻
。
②反相加法运算电路
反相加法运算电路如图9所示,根据“虚短”和“虚断”原则,函数关系式为:

若取
,则有:

平衡电阻
。


图10 同相比例运算电路 图11 积分运算电路
③同相比例运算电路
同相比例运算电路如图10所示,电路引入电压串联负反馈。根据“虚短”和“虚断”原则,函数关系式为:

平衡电阻
。
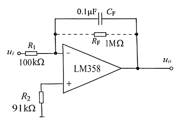
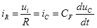
④积分运算电路
积分运算电路如图11所示,未连接RF时,由于“虚地”及“虚断”,可得

故

式中uC(0)是t=0时刻电容CF两端的电压值,即初始值。若ui(t)是幅值为E的阶跃电压,并设uC(0)=0,则

在实际应用中,常在电容上并联一个大电阻RF,可以提供直流负反馈稳定工作点,防止输出饱和,限制低频增益,以及确定积分器的有效频率范围。
平衡电阻
。
2)基础部分实验方案
在PSOC实验教学系统面包板或模电实验洞洞板2号搭建各种基本运算电路并进行电路基本测试
①虚拟信号分析仪通过杜邦线连接电路输入、输出端,通过USB接线连接PC端。
②根据实验原理选择电阻、电容等并在实验系统面包板上搭建电路。
③接线完成检查无误后,打开Scopy软件,连接虚拟信号分析仪,设置双电源模式,设置信号源为实验要求的电压信号,打开示波器观察各基本运算电路输入输出的波形、并通过电压表记录输入输出的电压值。
④反相比例运算测试时,需要记录输入输出最大值的绝对值。积分运算电路只需要观察输入输出的波形。
3)提高部分实验原理及方案
①基本运算电路的频率分析
在放大电路中,存在电抗元件(如电容、电感等)、半导体管(晶体管或场效应管),由于这些元件的存在,当输入信号频率过低或过高时,放大倍数的数值会减小,相位会变化,放大倍数
(包括数值
和相位
)是信号频率的函数,这种函数关系称为放大电路的频率响应或频率特性。
本次实验所使用的ADALM2000中网络分析仪的功能可以方便快捷地获取电路的频率响应,基于此,我们在选做实验中加上这部分内容。注意积分运算电路有低通特性,频率响应低频时是固定的值,在频率足够大时,频率响应会接近常见的积分频率特性。改变运放型号或电路元件参数,观察电路的频率响应变化。反相比例运算电路频率响应如图12所示,积分运算电路频率响应如图13所示。

图12 反相比例运算电路频率响应

图13 积分运算电路频率响应
②基本运算电路的焊接、调试、测量
设计电路并通过仿真验证后,在模电实验洞洞板2上搭建电路。该板专为运放电路设计,上下有正负电源和GND,中间为运放区,可安装16管脚以内的运算放大器,比如安装一个LM324或者两个LM358。焊接完成后,通电测试电路性能。与插接电路的性能做对比。


图14 运放洞洞板及已焊接电路
4)扩展部分实验原理及方案
基于加法运算电路的有源消噪研究实验
有源消噪原理是将噪音源反相,产生一个与噪音源等幅反相的抗噪音(如图15),通过叠加实现噪声消除。声电转换以及元件响应都会造成信号的相位误差,所以本次实验目的主要是探究相位误差对消噪效果的影响。
使用便携式电子技术实验教学系统,根据图3搭建电路,电阻R取10KΩ,电容C取0.1uF,设置噪音源为1KHz
1VPP的正弦波。根据移相公式
,计算出偏移角度所对应RP的值,通过改变RP改变抗噪音的相位,用示波器及电压表监测相位变化对输出的影响,记录残差输出波形及电压值。
图15 噪音源与抗噪音波形

图16 抗噪音相位超前180°消噪效果

图17 抗噪音相位超前165°消噪效果
图16、17是2个典型示例。相位反相时,输出的残差信号几乎为0,当相位差165度时,残差信号幅值增加。
实验报告要求
1)报告内容完整,数据准确,画图规范
2)电路设计与参数设定过程,需加仿真截图
3)电路搭建及新设备的使用过程
4)运算电路的调试方法及过程
5)记录原始电路图、示波器波形截图及数据分析表
6)实验过程中的优化思路与误差分析
7)实验结果总结
考核要求与方法(限300字)
表2 成绩结果考核设计
| 考核模块 | 考核重点 | 额定分 | 备注 |
| 预习20% | 课前课后检测 | 10 | 加深理论理解 |
| 仿真验收 | 10 | 掌握设计方法 | |
| 电路设计10% | 元件选择 | 5 | 根据实验要求选择 |
| 电路设计 | 5 | 设计可行有效 | |
| 成果验收50% | 基础实验 | 30 | 正确连接基本运算电路,确保电路的稳定性;测试电路的输入输出关系,记录实验数据,测量电路性能。 |
| 提高实验 | 15 | 基本运算电路的频率响应波形;使用不同运放时频率响应的分析;电路元件参数不同时频率响应的分析;洞洞板焊接电路的电路性能测试。 | |
| 扩展实验 | 5 | 输入信号相位不同的消噪效果分析。 | |
| 实验报告20% | 原理、步骤、测试方法 | 5 | 注意报告的完整性,数据的准确性 |
| 数据记录与分析 | 5 | ||
| 总结问题提出改进 | 5 | ||
| 逻辑清晰、内容完整 | 5 |
项目特色或创新(可空缺,限150字)
1)实验教学设备创新
PLAB便携式电子技术实验包支持高阶实验项目,可以拓宽学生的视野。学生可自由搭建或焊接各种电路,加强电路设计整体概念,深化基础理论理解,提高动手能力。
2)实验教学内容创新
基础实验夯实理论根基,提高实验强化频域分析与焊接调试,扩展实验感受模块化电路在复杂系统中的应用。通过分层进阶设计落实课程“两性一度”。
3)实验教学模式创新
构建"线上线下+课内课外+虚实联动"三融合模式,依托线上资源广域优势,强化线下实操深度,打造时空自由的开放式实验课程。
附录


(a) (b)
图18 操作演示视频截图

图19 课堂授课照片


(a) (b)


(c) (d)
图20 学生操作照片
3)实验室空间和时间也有局限性,基础较差的学生难以在规定的时间内完成实验,优秀的学生也难以进行更高层次的实验和探究,不能实现因材施教。

,且根据“虚断”有输入电流
,故:
。可得
,所以
。